Jeder Besitzer eines Vorortgebiets möchte eine Toilette haben, um geruchlos zu geben und abzupumpen. Schließlich gibt es nicht überall ein zentrales Abwassersystem, und es ist für niemanden ein Vergnügen, ständig an der Reinigung der Senkgrube zu basteln. Welche Methoden zur Lösung dieses Problems gibt es heute? Überlegen Sie, welche Schwierigkeiten sich aus der Wartung einer Senkgrube ergeben und welche modernen Hersteller von Systemen, die kein Pumpen erfordern, uns anbieten.

Die Installation einer Klärgrube ist eine hervorragende Option zur Lösung des Problems der Abwasserbehandlung bei Datscha
Inhalt
Nachteile von Senkgruben
Das Halten im Hof der Senkgrube ist mit gewissen Unannehmlichkeiten verbunden:
- Die hohen Betriebskosten - die Notwendigkeit, den angesammelten Abfall ständig abzupumpen, was zu regelmäßigen Kosten führt.
- In einem Umkreis von mehreren Metern um die Grube ist ein sehr unangenehmer Geruch zu spüren.
- Mit der Zeit kann die Dichtheit der Wände der Grube gebrochen werden, was dazu führt, dass unbehandeltes Abwasser direkt in den Boden gelangt.
- Wenn es auf dem Gelände eine Senkgrube gibt, können Sie Ihren eigenen Brunnen vergessen, da dieser sehr unsicher ist.

Planen Bau eines Tuatels für eine Sommerresidenz und Senkgrubengeräte ohne Boden und mit Boden
Zweifellos ist das Abpumpen einer Kloake kein angenehmer Prozess. Es ist nicht nur von einem unangenehmen Geruch begleitet, sondern kostet auch viel Geld. Aber wie Sie wissen, schafft Nachfrage Angebot, und heute gibt es mehrere Möglichkeiten, dieses Problem zu lösen.
Toilette zum geruchlosen Geben und Abpumpen: drei mögliche Optionen
Schauen wir uns die drei beliebtesten und modernsten Alternativen zu einer Senkgrube genauer an:
- Trockenschränke.
- Überlaufbehälter aus Kunststoff oder Beton.
- Moderne Reinigungssysteme.
Welche Methode zur Verarbeitung von biologischem Abfall direkt gewählt werden soll, hängt von der Anzahl der Menschen und der Saisonalität des Lebens im Land, Ihren finanziellen Möglichkeiten sowie den auf der Baustelle verfügbaren Bedingungen für die Platzierung einer Toilette ab. Wir werden alle vorgeschlagenen Optionen und die notwendigen Anforderungen für ihre Installation im Detail prüfen.
Torf trockener Schrank für eine Sommerresidenz
Ein Torf-Trockenschrank kann das Problem der Abfallbeseitigung ohne Wasser lösen. Laut Bewertungen sind Trockenschränke für Sommerhäuser die einfachste und billigste Option, um das Problem des Mangels an zentralisiertem Abwasser zu lösen.Darüber hinaus erzeugt ein solches Gerät bei der Verarbeitung menschlicher Abfallprodukte einen hervorragenden Dünger für den Boden.
Toilette auf dem Land, Maße die ziemlich kompakt sind, wird es sehr nützlich sein, weil es ein Minimum an Platz einnimmt. Alles, was für seine Arbeit benötigt wird, ist Torf für Torf-Toiletten, die leicht im Laden gekauft werden können.
Die Mischung wird vor Gebrauch in den oberen Tank der Toilettenschüssel gegossen. Der untere Teil, in den der Abfall direkt gelangt, ist mit Torf gefüllt, so dass der Boden ca. 1 cm bedeckt ist. Nach dem Toilettengang müssen Sie nur noch einen speziellen Griff drehen, der für die proportionale Abgabe von Torf aus dem oberen Behälter in den unteren Behälter verantwortlich ist.
Durch den Prozess der anaeroben Mineralisierung kann der Torf den ankommenden Abfall in Dünger umwandeln, der beim Mischen mit dem Boden Kompost bildet und die Fruchtbarkeit des Bodens erheblich verbessert.
Laut Bewertungen reicht es aus, einmal im Monat einen Torf-Trockenschrank für eine Sommerresidenz zu reinigen, auch bei regelmäßiger Nutzung. Das hohe Absorptionsvermögen von Torf ermöglicht die Verarbeitung von bis zu 10 Litern Flüssigkeit pro 1 kg Mischung.

Torf-Toilettengerät: 1 - Belüftungsrohr; 2 - Toilettendeckel; 3 - Toilettensitz; 4 - Abfallbehälter; 5 - Produktkörper; 6 - Behälter für Torfmischung; 7 - Schlauch zum Ablassen von flüssigem Abfall
Wenn Ihr Ziel eine geruchlose Toilette im Land ist, dann ist ein Torf-Trockenschrank eine ausgezeichnete Lösung.
Wie bereits erwähnt, hat jedes Gerät seine eigenen Nuancen bei Installation und Betrieb. Beachten Sie Folgendes, bevor Sie einen Torfschrank kaufen:
- Der ideale Ort, um ein solches Gerät zu platzieren, ist ein Wirtschaftsblock mit einer Toilette für eine Sommerresidenz. Dies löst automatisch alle Probleme, die mit möglichen Rückständen eines unangenehmen Geruchs verbunden sind.
- Ein Teil der Flüssigkeit verdunstet aus der Toilette, aber für die vollständige Beseitigung aller flüssigen Massen ist eine Ausrüstung erforderlich Entwässerungssystem... Wenn Sie eine Torf-Toilette direkt im Haus installieren möchten, überlegen Sie sich im Voraus, wohin der Ablaufschlauch führen soll.
Es ist wichtig zu bedenken, dass die Garantie für eine gute, geruchlose Toilette im Land das Vorhandensein einer Belüftung im Raum ist.
Hilfreicher Tipp! Zwangsbelüftung ist eine hervorragende Lösung für Räume mit Toilette, insbesondere wenn sie von einer großen Anzahl von Personen genutzt wird. Wenn Sie einen Axialventilator in die Wand einbauen, werden Sie den unangenehmen Geruch im Badezimmer für immer vergessen.
Überlaufbehälter aus Kunststoff oder Beton
Eine weitere Option für die Einrichtung einer Toilette im Land ohne Anschluss an ein zentrales Abwassersystem sind lokale Kläranlagen. Eine Klärgrube ist ein System zum Sammeln und Reinigen von Abwasser, das in einen Behälter gelangt.
Das Funktionsprinzip von Klärgruben lautet wie folgt: Abwasser fließt durch Rohre in einen speziellen Tank, der in drei Abschnitte unterteilt ist. Der erste ist der Prozess des Absetzens und Trennens des Inhalts in Fraktionen. Im zweiten Schritt wird die Flüssigkeit mit speziellen Bakterien gereinigt. Im dritten Tank durchläuft das bereits gereinigte Wasser erneut den Sedimentationsprozess und wird anschließend zu den Filtrationsfeldern geleitet.
Hilfreicher Tipp! Wenn der Bereich Ihres Standorts die Erstellung von Filterfeldern nicht zulässt oder Sie dies aus einem anderen Grund nicht möchten, können Sie ein Modell mit einem biologischen Filter installieren, der eine gründliche Reinigung ermöglicht. In diesem Fall wird das Abwasser vollständig gereinigt und erfordert keine zusätzliche Filtration mit dem Boden.
Moderne Abwasserbehandlungssysteme
Moderne Reinigungssysteme sind im Wesentlichen dieselben Klärgruben mit einem fortgeschritteneren Design und einer großen Anzahl von Reinigungsstufen. Betrachten wir die am häufigsten verwendeten Reinigungsmethoden für den lokalen Gebrauch:
- Ultrafiltration;
- Reagenzienionenaustausch;
- elektrochemische Abscheidung;
- Exposition gegenüber chemischen Elementen;
- Membranumkehrosmose.
Durch Ultrafiltration kann das Abwasser so effizient gereinigt werden, dass ein geschlossenes kreisförmiges Wasserversorgungssystem möglich wird. Ohne die Verwendung von Chemikalien (Chlor, Natrium, Fluor, Phosphor) kann mit dieser Methode Wasser gereinigt werden, bevor es wiederverwendet werden kann.
Mit Reagenzien-Ionenaustauschsystemen können Sie den Prozess der Wasserreinigung beschleunigen und gleichzeitig auf das gewünschte Niveau reduzieren.
Die elektrochemische Abscheidung ermöglicht die Abscheidung metallischer Verunreinigungen im Wasser. Danach können Sie sie mit den chemischen Komponenten entfernen.
Die Membranumkehrosmose ist heute die modernste Methode zur Wasserreinigung. Damit können Sie aus Abwasser praktisch destilliertes Wasser herstellen. Dies geschieht durch den Durchgang von Abwasser durch eine Umkehrosmosemembran, die Wassermoleküle durch ihre Poren leitet und dabei alle darin enthaltenen Verunreinigungen herausfiltert. Fast alle gesundheitsgefährdenden Stoffe wie Quecksilber, Chlor und Nitrate sind für die Membran undurchlässig.

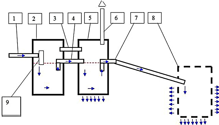
Technologisches Schema der Abwasserbehandlung nach der Biomembranmethode mit Nachbehandlung durch Umkehrosmose: 1 - Aerotank; 2 - Membranbioreaktor; 3 - Vakuumpumpe; 4 - Zwischentank; 5 - Pumpe; 6 - Vorfilter; 7 - Umkehrosmosemodul; 8 - Gebläse
So wählen Sie eine Klärgrube für eine Sommerresidenz
Hier sind einige Tipps, die Ihnen bei der Auswahl einer Klärgrube helfen sollen autonom Abwassersystemkein Pumpen erforderlich:
- Bevor Sie die Idee einer Toilette mit Klärgruben umsetzen, sollten Sie eine Untersuchung durchführen, die zeigt, in welcher Tiefe das Grundwasser in Ihrer Nähe liegt. Dies bestimmt, ob es möglich ist, Filterfelder zu erstellen, oder ob Filter mit einem Tiefenreinigungssystem erforderlich sind.
- Seien Sie vorsichtig bei der Auswahl des Tankvolumens. Berechnen Sie die tägliche Abwassermenge, die von allen Familienmitgliedern und Haushaltsgeräten erzeugt wird.
- Berücksichtigen Sie die Saisonalität Ihres Aufenthaltes. Viele Modelle tolerieren im Winter keine Leerlaufzeiten. Die Bakterien im Reservoir werden abgetötet. Berücksichtigen Sie daher bei der Auswahl einer Klärgrube unbedingt, ob Sie sie das ganze Jahr über oder nur im Sommer verwenden möchten.
Leistung der Klärgrube
Je nach Menge der pro Tag verarbeiteten Flüssigkeit werden Klärgruben in drei Typen unterteilt:
- Einkammer;
- Zweikammer;
- dreikammerig.
Einkammer werden verwendet, wenn das tägliche Abwasservolumen 1 m³ nicht überschreitet. Zweikammer-Klärgruben verarbeiten täglich 1 bis 10 m³ Wasser. Dreikammern werden nur für sehr große Wassermengen über 10 m³ verwendet.
Gleichzeitig ist es wichtig zu wissen, dass das Volumen des gekauften Tanks gemäß den Normen das Dreifache des täglichen Abwasservolumens betragen sollte. Das heißt, zu einem Zeitpunkt muss die Menge an Wasser, die in drei Tagen bei normalem Gebrauch gebildet wurde, in den Tank gegeben werden.

Autonomes Abwasserbehandlungssystem in einem Gebiet, das von schlecht durchlässigen Böden dominiert wird
Ein weiterer wichtiger Punkt für die Funktion von Klärgruben ist die Art des Bodens auf dem Gelände. Es kommt darauf an, ob ein herkömmliches Reinigungssystem mit Filterfeldern für Sie geeignet ist oder ob Sie Geld für ein modernes Komplettreinigungssystem ausgeben müssen. Boden mit einem hohen Tongehalt lässt Wasser nicht gut durch, was den Filtrationsprozess erheblich erschwert. Der hohe Grundwasserspiegel ist auch ein schwerwiegender Grund, auf Standard-Klärgruben zu verzichten.
Hilfreicher Tipp! Absolut alle Hersteller moderner Klärgruben mit Biofiltern empfehlen keine Systemausfälle. Dies führt zum Tod des Biomaterials und zum Verlust der Filtereigenschaften.
In Verbindung stehender Artikel:
Klärgrube zum Selbermachen, ohne 10 Jahre für ein Haus und eine Sommerresidenz abzupumpen: Bau eines Bauwerks. Arten von Strukturen, Konstruktionsmerkmale aus verschiedenen Materialien. Baupreise.
Installation einer Kunststoff-Klärgrube mit eigenen Händen
Es ist nicht schwierig, eine Kunststoff-Klärgrube unabhängig voneinander zu installieren und für den Betrieb vorzubereiten. Es reicht aus, sich nur an einen einfachen Algorithmus zu halten:
- Wählen Sie einen geeigneten Ort und berechnen Sie die Abmessungen der gewünschten Grube.
- grabe ein Loch der richtigen Größe;
- Stellen Sie bei Bedarf Platz für Filterfelder bereit.
- Installieren Sie den Container.
- Befestigen Sie den Behälter und die Rohre in der Grube.
- Stellen Sie die Position des Rohrleitungssystems ein.
- Überprüfen Sie die Befestigung des Behälters und der Rohre.
Nachdem wir uns mit allen wichtigen Punkten der bevorstehenden Arbeiten vertraut gemacht haben, werden wir uns eingehender mit der Herstellung einer Toilette im Land unter Verwendung einer Kunststoff-Klärgrube befassen. Zuerst müssen Sie den richtigen Ort auswählen, an dem es sich befindet.
Der Abstand zur Kläranlage zu Wohngebäuden muss mindestens 6 m betragen. Dies gilt sowohl für die im Haus befindliche Toilette als auch für das Umkleidekabine mit Toilette und Dusche versöhnlich... Andernfalls kann aufbereitetes Wasser, das in den Boden gelangt, verheerende Auswirkungen auf das Fundament eines nahe gelegenen Gebäudes haben.
Um die erforderliche Größe der Grube korrekt zu bestimmen, müssen die Größe des Behälters, die Höhe seines Bodens und die Dicke der oberen Schicht berücksichtigt werden - die Tiefe der Grube hängt davon ab. Die Breite und Länge werden unter Berücksichtigung der Größe des Containers und aller daran angebrachten Module gemessen.
Es ist üblich, mit dem Verlegen von Abwasserrohren von der Kläranlage zur Seite des Raums zu beginnen, in dem sich die Toilette selbst befindet. Daher beginnt der praktische Teil der Installation einer Klärgrube mit der Vorbereitung der Grube. Nachdem alle erforderlichen Indikatoren berechnet wurden, ist der Boden des gegrabenen Lochs mit einem Kissen aus Sand und Kies bedeckt. Die Dicke einer solchen Schicht sollte etwa 30 cm betragen. Dann wird ein Zementmörtel von oben gegossen oder einfach eine feste Betonplatte platziert.
Das gleiche Entwässerungssand- und Kieskissen wird unter Filterfelder gelegt. Mit dieser Mischung können Sie das Abwasser noch einmal reinigen, bevor es endgültig in den Boden aufgenommen wird. Es ist wichtig zu beachten, dass das Niveau, auf dem sich die Filterfelder befinden, mindestens 1 m höher sein muss als das Grundwasserspiegel.
Nachdem der Boden der Grube fertig ist, können Sie mit der Installation der Klärgrube selbst beginnen. Ein Behälter, der zuvor zu einem Drittel mit sauberem Wasser gefüllt war, befindet sich am Boden der Grube. Die Flüssigkeit wird benötigt, um zu verhindern, dass sich der Tank unter dem Druck der Schwerkraft des Bodens verformt. In diesem Fall muss die Klärgrubenabdeckung über dem Boden bleiben, um zu verhindern, dass Regen und Schmelzwasser in das System gelangen.
Hilfreicher Tipp! Es ist notwendig, über die Wärmedämmung des Klärgrubendeckels nachzudenken, da sonst mit dem Einsetzen des Frosts ein Einfrieren der Flüssigkeit im Behälter nicht vermieden werden kann.
Wenn der Grundwasserspiegel in Ihrer Region zu hoch ist, wird empfohlen, am Boden der Grube eine Verstärkung anzubringen, an der der Behälter mit Ketten befestigt werden kann. Zur Entfernung von Gasen, die bei der Zersetzung von Niederschlägen entstehen, wird in der Regel zusätzlich ein System von Lüftungsrohren verlegt.
Die letzte Arbeitsstufe ist die Verbindung des Reservoirs mit den Filterfeldern über flexible Kupplungen und Rohre. Danach kann der Behälter mit einer Mischung aus Sand und Erde gefüllt werden.
Hilfreicher Tipp! Sommer und Herbst sind die besten Zeiten des Jahres für solche Arbeiten, da der Grundwasserspiegel zu diesem Zeitpunkt seinen niedrigsten Punkt erreicht.
Landtoilette ohne Senkgrube mit eigenen Händen: eine Kläranlage aus Betonringen
Wir werden jeden Punkt der Technologie für die Installation einer Klärgrube aus Betonringen im Detail analysieren:
- Um eine Kläranlage aus Betonringen zu bauen, müssen Sie Materialien kaufen, dh die Ringe selbst (9 Stk.) Und Kanalschächte (3 Stk.).
- Wenn alle erforderlichen Komponenten gekauft wurden, können Sie mit dem Graben von Löchern beginnen. Sie benötigen drei davon. In diesem Fall müssen sie in einer Reihe angeordnet werden. Die erforderliche Tiefe beträgt 3 m, der Durchmesser 2,8 m.
- Nachdem alle Löcher gegraben wurden, müssen am Boden der ersten beiden Brunnen Betonkissen hergestellt werden. Damit können die Vorarbeiten zur Installation der Klärgrube als abgeschlossen betrachtet werden.
- Sie können mit der Installation eines Systems von Betonringen fortfahren. In jeder Grube sind drei Ringe installiert - einer übereinander. Hierzu wird ein Kran eingesetzt.
- Dann werden die Lücken zwischen den Ringen gefüllt flüssiges Glasund der verbleibende Abstand zwischen den Wänden der Grube und den Ringen ist mit Erde bedeckt.
Bau einer Kläranlage aus Betonringen und Installation von Abwasserrohren
Damit das Abwasser leicht von einem Abschnitt der Klärgrube in einen anderen gelangen kann, müssen die folgenden Empfehlungen für die Installation des Systems beachtet werden:
- Das Abwasserrohr, das zum ersten mit einem Zementbett ausgestatteten Brunnen führt, muss in einem leichten Winkel verlegt werden.
- Die Position des zweiten Rohrs, das die erste und die zweite Grube verbindet (ebenfalls mit einem Zementkissen), sollte 20 cm niedriger sein.
- Das dritte Rohr, das die zweite und dritte Vertiefung verbindet, sollte weitere 20 cm tiefer liegen.

Der Plan einer zweiteiligen Überlauf-Klärgrube: 1 - Abwasserleitung vom Haus; 2 - Die erste Kammer der Klärgrube (Klärgrube), der Boden und die Nähte der Klärgrube müssen versiegelt sein. 3 - Belüftungsrohr; 4 - Überlaufrohr mit einer Biegung (T-Stück); 5 - die zweite Kammer des Sumpfes, der Boden des Brunnens: Sandkissen 20-30 cm und eine Trümmerschicht oben; 6 - Lüftungssteigrohr; 7 - Überlaufrohr mit einer Biegung (T-Stück); 8 - Filterbrunnen: Die Nebenhöhlen zwischen den Außenwänden des Brunnens und den Wänden der Grube sollten mit Schotter gefüllt sein. In Abständen sollten Drainagelöcher vorgesehen werden: drei untere Ringe, der Boden des Brunnens: Sandkissen 20 cm und eine Schuttschicht darüber; 9 - Tee
Merkmale der Installation einer Toilette für eine Sommerresidenz: Foto der Installation einer Klärgrube aus Betonringen
Die Installation von Betonringen für eine Klärgrube weist eine Reihe eigener Merkmale auf und erfordert einige Kosten. Zuerst müssen Sie einen LKW und einen Kran mieten. Überlegen Sie sich daher, bevor Sie mit dem Graben von Brunnen beginnen, wie die Technik bis zu diesem Ort fahren kann.
Das Eintauchen der Ringe in das Loch muss mit äußerster Sorgfalt erfolgen, um Risse oder Späne zu vermeiden.
Achten Sie besonders auf die Abdichtung der ersten beiden Vertiefungen. Unter keinen Umständen darf unbehandeltes Wasser durch Risse sickern. Dies wirkt sich negativ auf die Ökologie des Standorts aus. Flüssiges Glas und Betonkissen sind Ihre treuen Helfer, um dieses Problem zu lösen.
Der Boden des dritten Brunnens muss nicht betoniert werden. Dort reicht es aus, einen natürlichen Filter zu legen, zum Beispiel Schutt oder Kies. Sie können auch speziell für diesen Zweck entwickelte Algen oder Bakterien verwenden. Wenn angenommen wird, dass das gereinigte Wasser in das Reservoir fließt, muss eine Chlorkartusche am Boden des Brunnens platziert werden.
Die Größe einer Klärgrube aus Betonringen hängt wie bei jedem anderen Gerät mit einem ähnlichen Funktionsprinzip von der Menge des pro Tag erzeugten Abwassers ab. Das Volumen des Reinigers sollte das Dreifache des in 24 Stunden erhaltenen Wasservolumens betragen.
Hilfreicher Tipp! Um die Festigkeit und Dichtheit des Systems zu erhöhen, Betonringe kann zusätzlich von innen zementiert und mit Bitumen bedeckt werden.
Welche der vorgeschlagenen Methoden zum Erstellen einer Toilette ohne Abpumpen und mit einem unangenehmen Geruch, den Sie wählen, ist nicht so wichtig.Die Hauptsache ist, dass Sie am Ende die Möglichkeit haben, eine saubere, komfortable Toilette zu benutzen, ohne an die Notwendigkeit zu denken, die Senkgrube regelmäßig zu reinigen und mit einem bestimmten Geruch auf der Baustelle umzugehen.