Moderne Innenräume benötigen viel Freiraum in den Räumlichkeiten. Diese Regel gilt auch für den Toilettenraum. Eine hängende Toilettenschüssel mit einer Installation gilt als eine der neuesten Sanitär-Erfindungen, mit denen Sie eine Toilette lakonisch und schön dekorieren können. Damit das Produkt lange Zeit verwendet werden kann, müssen Sie sich kompetent an die Wahl des Herstellers und das Herstellungsmaterial wenden und die bequemste Form auswählen, die dem Stil des Raums entspricht.

Mit einer hängenden Toilettenschüssel mit Installation können Sie eine Toilette präzise und originell gestalten
Inhalt
- 1 Installation: Was es ist, die wichtigsten Designmerkmale
- 2 Die wichtigsten Vor- und Nachteile von Wandtoiletten
- 3 Abgehängte Toilette mit Installation: die Hauptauswahlkriterien
- 4 Grundlegende Arten von Installationssystemen für an der Wand hängende Toilettenschüsseln
- 5 Übersicht der Hauptmodelle von Wandtoiletten: Roca und Ifo
- 6 Merkmale der Installation einer hängenden Toilette mit Ihren eigenen Händen
Installation: Was es ist, die wichtigsten Designmerkmale
Freistehende Toiletten, umgeben von einer großen Anzahl von Rohren und allen Arten von Anschlüssen, gehören langsam der Vergangenheit an. Bei der Auswahl von Armaturen bevorzugen Verbraucher zunehmend Installationskits mit hängenden Toilettenschüsseln, bei denen es sich um eine Struktur handelt, die in ein dekoriertes Kasten- oder Rahmensystem an der Wand eingebaut ist. An diesem System werden dann der Tank und alle Elemente der hängenden Struktur zuverlässig befestigt, und aufgrund des Vorhandenseins von freiem Raum sind alle Zufuhr- und Abflusskanalsysteme dort kompakt verborgen.

Das an der Wand montierte Toiletteninstallationssystem verwendet eine leichte, aber langlebige Kunststoffzisterne
Interessante Information! Viele Menschen weigern sich, an der Wand montierte Toilettenschüsseln zu benutzen, weil sie einfach nicht darauf vertrauen, dass die Wasserleitungen grob gesagt in der Luft schweben. In Bezug auf die Zuverlässigkeit sind solche Systeme freistehenden Toilettenschüsseln mit einer herkömmlichen Zisterne in keiner Weise unterlegen.
Im Aufhängungssystem Toilettenanlagen Meistens wird ein leichter, aber langlebiger Tank aus hochwertigem Kunststoff verwendet, der viel leichter ist als die Keramikversion. Es ist die Verwendung von Kunststoff, die das Gesamtgewicht der Struktur und die Belastung des Rahmens verringert. Der Spülknopf befindet sich an der Wand über der Toilette und befindet sich auf einer geeigneten Ebene.Meistens besteht der Knopf aus zwei Abschnitten, in denen Sie unterschiedliche Wassermengen ablassen können: Wenn Sie einen Knopf drücken, wird die Hälfte des Tanks abgelassen, und mit dem zweiten Knopf können Sie den Wasserbehälter vollständig entleeren.
Unabhängig davon, wo die Installation montiert ist: am Boden oder direkt an der Wand, kann sie einem hohen Gewicht (bis zu 400 kg) standhalten. Es ist wichtig, dass die Größe der an der Wand montierten Toilettenschüssel mit Installation den Abmessungen der Box entspricht, in der die Struktur installiert werden soll. Bevor Sie ein bestimmtes Modell auswählen, müssen Sie daher die erforderlichen Oberflächenmessungen durchführen. Durch die Installation des Systems werden die Toilettenschüssel und der Abflussknopf in den Vordergrund gerückt, und alle anderen Teile werden geschickt in der Box versteckt.
Die wichtigsten Vor- und Nachteile von Wandtoiletten
Neben der Tatsache, dass die Installation einer Wandtoilette viel attraktiver aussieht als das Standardmodell, bietet sie auch andere Vorteile, von denen die wichtigsten sind:
- Die Fähigkeit, alle Sanitärkommunikationen, die in den meisten Fällen nicht sehr attraktiv aussehen, wunderschön in einer Wand oder einer speziellen Nische zu verstecken.
- Das Gerät muss nicht am Boden montiert werden, was die Reinigung des Raums erheblich erleichtert.
- Reduzierung des Geräusches durch Ablassen von Wasser und Befüllen des Tanks.
- Steigerung der Attraktivität des Raumes und rationelle Raumnutzung.
Aufgrund der Tatsache, dass für die Installation der Struktur kein Bodenbelag erforderlich ist, ergeben sich zahlreiche Vorteile. Zum Beispiel wird es möglich, eine Fußbodenheizung ohne unnötige Schwierigkeiten zu installieren, wenn es nicht erforderlich ist, sich um die Stelle zu biegen, an der die Toilette angebracht ist. Und auch während des Verlegungsprozesses besteht keine Möglichkeit einer Beschädigung von Keramikfliesen, die zerbrechlich sind.
Trotz der Vielzahl von Vorteilen gibt es auch Nachteile von hängenden Toiletten, unter denen die folgenden hervorzuheben sind:

Die Kosten für die Installation einer Installation sind 1,5 bis 2 Mal höher als für die Installation einer freistehenden Toilette
- Zeitaufwändiger Installationsprozess. Um die Struktur richtig und zuverlässig zu reparieren, müssen Sie über eine bestimmte Erfahrung und ein gewisses Wissen auf dem Gebiet der Sanitärtechnik verfügen. Andernfalls sollten Sie die Dienste von Installateuren bestellen, deren Arbeit teuer wird.
- Die Notwendigkeit von Vorarbeiten. In einigen Situationen, insbesondere bei der Reparatur der Waschräume des alten Bestands, müssen die Wasserversorgungs- und Entwässerungssysteme erneuert werden.
- Obligatorisches Vorhandensein einer Nische in der Wand. Nicht jede Toilette kann installiert werden, da dafür freier Platz benötigt wird. Manchmal ist es vor Arbeiten notwendig, zusätzlich eine Nische in der Wand zu machen.
- Schwieriger Zugang zur Kommunikation. Aufgrund der Tatsache, dass der Zugang zu den Rohren durch eine falsche Wand verschlossen ist, ist es nicht immer möglich, ein Leck rechtzeitig zu erkennen.
- Hohe Installationskosten. Der Preis für ein Leistungspaket für die Installation der Installation ist mindestens 1,5 bis 2 Mal höher als die Kosten für die Reparatur einer freistehenden Toilette.
Wichtig! Bewohner von Hochhäusern sollten berücksichtigen, dass sich Versorgungsunternehmen manchmal dem Schutz des Steigrohrs hinter einer falschen Wand aus Gipskartonplatten widersetzen, was den freien Zugang zu den Rohren einschränkt. Eine Situation ist bekannt, als die Verwaltungsgesellschaft die Mieter verklagte, die die Installation installiert und den Prozess gewonnen haben. Um Probleme zu vermeiden, ist es daher besser, vor der Installation mit den Dienstprogrammen zu sprechen.
Abgehängte Toilette mit Installation: die Hauptauswahlkriterien
Bevor Sie sich für eine Installation für eine Wandtoilette entscheiden, sollten Sie zunächst auf die Größe des Ortes achten, an dem Sie die Struktur installieren möchten, da Sie sich beim Kauf auf diese Parameter konzentrieren müssen.Wenn die Einzelhandelsgeschäfte keinen für die Größe geeigneten Rahmen gefunden haben, müssen Sie sich für ein System entscheiden, das sich durch das Vorhandensein beweglicher Elemente auszeichnet. Durch das Vorhandensein einer Anpassung können Sie die Größe des Rahmens an die Parameter der für die Installation vorgesehenen Nische anpassen.
Bei der Auswahl einer Installation für eine Toilette müssen Sie die Struktur sorgfältig prüfen und auf die Qualität der Toilette selbst achten, die der wichtigste und anfälligste Teil des Kits ist. Es ist auch wichtig, vor dem Kauf die Verfügbarkeit eines kompletten Sets einschließlich der für die Installation erforderlichen Teile zu überprüfen. Wenn etwas fehlt und dies direkt während des Arbeitsprozesses entdeckt wird, müssen Sie zusätzliche Zeit und Geld verschwenden. Unten finden Sie eine Liste der Elemente, die im Standardsatz enthalten sind:
- Rahmen, der die Basis der gesamten Struktur bildet;
- eine Reihe von Teilen für die korrekte und sichere Befestigung;
- Zisterne;
- externer Knopf zum Ablassen von Wasser;
- Materialien zur Verbesserung der Schalldämmung;
- Spezialadapter für bündigen Ellbogen.
Wenn Sie einen Kauf tätigen, sollten Sie sich nach den Merkmalen der Installation des Systems erkundigen, da in einigen Fällen zusätzliche Befestigungselemente erforderlich sein können, um die Struktur noch zuverlässiger zu machen.

Bei der Auswahl eines Produkts muss die Struktur überprüft und auf die Qualität der Toilette selbst geachtet werden
Wenn Sie an der Wand hängende Toilettenschüsseln kaufen (Kundenrezensionen helfen Ihnen bei der Auswahl), sollten Sie darauf achten, dass es bei einigen Modellen schwierig ist, eine Ersatzhalterung zu finden, wenn während der Installation ein Ausfall auftritt. Es ist besser, zusätzliche Teile, die für die Installation fehlen, sofort beim Kauf der Installation mithilfe eines Beraters zu kaufen. Wenn sich keine derartigen Elemente in der Verkaufsstelle befinden, empfehlen Ihnen Experten, den Kauf abzubrechen, um Probleme zu vermeiden.
Es wäre logisch anzunehmen, dass es nicht weniger problematisch ist, die Komponenten in anderen Geschäften zu finden, wenn sie am Verkaufsort des Installationssystems nicht verfügbar sind.
Die Merkmale der Auswahl der Befestigungselemente hängen direkt vom Installationsort ab. Wenn das System direkt an einer festen tragenden Wand befestigt ist, reichen mehrere zuverlässige Anker für die Installation aus, die Sie selbst auswählen können.
Hilfreicher Rat! Jeder Installationssatz enthält einen Knopf zum Entleeren. Wenn er jedoch die Anforderungen für einige Parameter nicht erfüllt, kann eine andere Option ausgewählt werden, die optisch besser geeignet ist und besser in den Raumstil passt. Es ist wichtig zu verstehen, dass ein Doppelknopf, der die Intensität des Abflusses reguliert, erheblich zum Wasserverbrauch beiträgt.

Die Wahl der Befestigungselemente für die Montage der Installation hängt direkt vom Installationsort ab
Bevor Sie sich für ein bestimmtes Modell entscheiden, empfehlen Experten, auf das Vorhandensein zusätzlicher Funktionen zu achten, deren Auswahl direkt von den Anforderungen abhängt. Sie können also eine Wandtoilette mit Bidetfunktion oder einen eingebauten Haartrockner kaufen. Natürlich zeichnen sich solche Modelle durch höhere Kosten aus, aber das Ergebnis des Kaufs ist die gleichzeitige Installation mehrerer nützlicher Geräte.
Die wichtigsten Merkmale, auf die bei der Auswahl einer Toiletteninstallation geachtet werden muss
Um eine gute hängende Toilette zu wählen, müssen Sie besonders darauf achten, die Eigenschaften des Geräts zu untersuchen, da die Benutzerfreundlichkeit davon abhängt. Die wichtigsten Parameter, die beim Kauf berücksichtigt werden müssen:
- Herstellungsmaterial;
- Form und Größe des Geräts;
- Modellfarbe;
- Art des Abflusses;
- Zuverlässigkeit des Herstellers;
- Kosten.
Die zur Herstellung der hängenden Strukturen verwendeten Materialien unterscheiden sich nicht von Standard-Solo-Kits. Die Bewertung der besten an der Wand hängenden Toilettenschüsseln richtet sich nach Modellen aus Porzellan oder Steingut, die mit einer speziellen Schutzglasur überzogen sind. Diese Optionen zeichnen sich durch höchste Zuverlässigkeit, attraktives Erscheinungsbild und längste Lebensdauer aus.Hierbei ist jedoch zu beachten, dass Porzellanprodukte dennoch durch eine hohe Dichte gekennzeichnet sind. Dies liegt an der Tatsache, dass das Brennen bei einer höheren Temperatur erfolgt als bei der Verarbeitung von Steingutoptionen.

In der Rangliste der besten an der Wand hängenden Toilettenschüsseln belegen Modelle aus Porzellan oder Steingut die Spitzenpositionen
Das ist interessant! Das Herzstück der Herstellung von Porzellan und Steingut ist Ton (Kaolin). Der Unterschied liegt im prozentualen Anteil von Kaolin an anderen Elementen der Zusammensetzung. Wenn bei Porzellanprodukten der Tonanteil etwa 50% beträgt, liegt er bei Steingut bei 85%, was sie anfälliger, aber erschwinglicher macht. Porzellanartikel sind häufiger nicht mit Farbe bedeckt, so dass davon auszugehen ist, dass alle Varianten farbiger Toilettenschüsseln aus Fayence bestehen.
Sanitärartikel sind durch das Vorhandensein von Glasur gekennzeichnet, und es wird für einen gewöhnlichen Menschen nicht leicht sein, sie von Porzellan zu unterscheiden. Der Vorteil solcher Toiletten sind ihre geringeren Kosten. Beim Kauf von Aufhängevorrichtungen aus Steingut ist es erforderlich, das Fehlen von Spänen, Rissen oder anderen Defekten auf der Oberfläche zu überprüfen und dem Hersteller mit der größten Anzahl positiver Bewertungen den Vorzug zu geben.
Hängende Toiletten aus Metall oder Glas können in eine separate Gruppe eingeteilt werden. In diesem Fall sollte berücksichtigt werden, dass Metallprodukte zunächst mit öffentlichen Plätzen oder Toiletten im Zug in Verbindung gebracht werden und Glas, selbst gehärtetes Glas, nicht so haltbar ist wie Keramik. Daher können beide Optionen auf nicht standardmäßige Entwurfslösungen zurückgeführt werden, die für Wohngebäude als nicht sehr geeignet angesehen werden.
Bei der Auswahl der Farben bleiben die Standardfarben in Weiß immer vielseitig und relevant. Dank moderner Technologie können Sie die Toilette jedoch mit Toiletten fast jeder Farbe dekorieren. In diesem Fall ist es notwendig, dass die farbige Toilette in das Gesamtkonzept des Raumes passt. Sie sollten darauf vorbereitet sein, dass farbige Produkte etwas mehr kosten als normale weiße Wandtoilettenschalen. Im Allgemeinen werden die folgenden Töne als beliebt angesehen:

Heute kann man eine Toilette in fast jeder Farbe kaufen, aber weiße Farben bleiben immer universell und relevant.
- Weiß, Perle oder Grau. Dies sind vielseitige Farben, die in jedes Interieur und Design passen.
- Gelb, Rot, Grün. Helle Farben, die den Raum ungewöhnlich und unterhaltsam machen.
- Das Schwarze. Eine solche Wandtoilette ist eine hervorragende Ergänzung zu einer Toilette im modernen Stil.
Hilfreicher Rat! Eine ungewöhnliche Designlösung sind Toiletten mit aufgesetzten Ornamenten oder Zeichnungen.
Merkmale der Wahl eines Toilettenschüsselsets mit Installation je nach Form
Aufgrund der Tatsache, dass die Installation einer an der Wand hängenden Toilettenschüssel mit Installation fast überall im Badezimmer erfolgt, ist es interessant, das Design des Raums zu übertreffen. Dies liegt daran, dass das System zusätzlich zur Standardinstallation in einer Nische autonom in der Mitte des Raumes montiert werden kann. Diese Installationsmethode ist in einem Privathaus oder in einer Wohnung in einem neuen Gebäude im Stadium der Renovierung viel einfacher zu organisieren, wenn die Möglichkeit besteht, die Verkabelung gemäß den Entwurfsabsichten durchzuführen.
Eine interessante Option für eine Bodentoilette mit Installation ist das Monoblock-System, für das keine Wand erforderlich ist. Diese Designoption wird sofort zusammen mit der Toilette verkauft. Solche Modelle sind recht teuer, ersparen dem Benutzer jedoch das Problem des Umbaus des Toilettenraums. Der Konstruktionsnachteil besteht darin, dass bei einer Beschädigung eines der Teile das gesamte System ausgetauscht werden muss.

Die Form einer Wandtoilette hat keinen Einfluss auf die Größe der Installation. Sie müssen jedoch ein Produkt auswählen, das auf dem Bereich der Toilette basiert
Eine andere beliebte Version wird in Betracht gezogen randlose Toilette, die aufgrund des Mangels an schwer zugänglichen Stellen viel einfacher zu pflegen ist. Das Versprühen von Wasser in solchen Modellen wird durch ein speziell entwickeltes Freisetzungssystem verhindert.
In Verbindung stehender Artikel:
Toilette zur Installation: eine moderne und komfortable Lösung für ein Badezimmer
Vorteile und Nachteile. Größen von Installationen und Toiletten. Umfrage unter Installationsherstellern. Räte für die Wahl der Anlagen und Toilettenschüsseln.
Die Form der Struktur hat praktisch keinen Einfluss auf die Größe der Installation für eine Wandtoilette, aber das Gerät sollte dennoch basierend auf dem Bereich des Badezimmers ausgewählt werden. Es gibt solche Formen mit einer Schüssel Toilettenschüsseln:
- Visier. Die beliebteste Option in den meisten Modellen von Wand-Toilettenschüsseln. Der Hauptnachteil ist die schnelle Verunreinigung des Visiers.
- Trichterförmig. Der Hauptvorteil ist der wirtschaftliche Wasserverbrauch. Unangenehme Gerüche verweilen nicht in einer solchen Schüssel und sind sehr pflegeleicht.
- Poppet. Die am wenigsten praktische Option, da sie am schwierigsten zu pflegen ist und das Spülen lange dauert. Der Hauptvorteil ist das Fehlen der Wahrscheinlichkeit, dass Wasser während des Gebrauchs oder während des Spülens spritzt.

Die Formen von hängenden Toilettenschüsseln können sehr unterschiedlich sein: quadratisch, rund, rechteckig, trapezförmig und sogar eiförmig.
Was die Form der Schale selbst betrifft, so gibt es heute eine große Auswahl an Modellen. Zusätzlich zur ovalen Standardkonfiguration sorgen Designer für quadratische, runde, rechteckige, trapezförmige sowie hängende Toiletten, die der Form eines Eies ähneln. Die Wahl hängt vom Wunsch ab, der Toilette ein bestimmtes Design zu verleihen.
Lassen Sie sich bei der Auswahl der optimalen Größe für eine Toiletteninstallation nicht irren
Der Hauptparameter für die Größe der Schüssel ist ihre Länge, abhängig davon, welche Toiletten in die folgenden Optionen unterteilt sind:
- Für ein kleines Badezimmer gelten kompakte Modelle mit einer Länge von bis zu 54 cm als ideal.
- Die durchschnittliche Größe von 60 cm ist die beliebteste und vielseitigste.
- Wenn sich Menschen mit Behinderungen in der Wohnung befinden, große Körper oder ältere Menschen, ist es besser, vergrößerte Modelle zu bevorzugen - 70 cm oder mehr.
In Bezug auf Höhe und Breite der Installation hängt die Wahl der Abmessungen hier direkt vom Bereich des Raums ab, in dem die Installation geplant ist. Die Standardinstallationshöhe variiert je nach Bauart zwischen einem und anderthalb Metern. Einige Hersteller bieten Produkte mit einer Höhe von bis zu 850 mm an. Es ist zu beachten, dass diese Eigenschaft bei den meisten Modellen aufgrund des Vorhandenseins beweglicher Beine und einer zusätzlichen Schraubklemme einstellbar ist.
Die Breite der Installation für die Toilette liegt im Bereich von 0,3 bis 0,5 m. Bei verschiedenen Modellen variiert der Parameter, überschreitet diese Grenzen jedoch nicht. Wenn sich die Installation durch das Vorhandensein von Gleitflügeln auszeichnet, mit denen das System an der Wand befestigt ist, überschreitet die Breite den Standard.
Der Tiefenparameter variiert häufig im Bereich von 14,5 bis 23,5 cm. Hierbei ist zu berücksichtigen, dass die Nische zum Einbetten umso kleiner ist, je kleiner dieser Indikator ist. Kleine Abmessungen sind am relevantesten, wenn eine falsche Wand aus Gipskartonplatten hergestellt wird.
Das ist interessant! Im Allgemeinen hängen die Installationsparameter von der Art der Konstruktion und der Art der Installation ab.

Bei verschiedenen Modellen von Wand-Toilettenschüsseln variiert die Installationsbreite, überschreitet jedoch nicht 0,3 bis 0,5 m
Grundlegende Arten von Installationssystemen für Wand-Toilettenschüsseln
Im Allgemeinen gibt es zwei Arten von Systemen auf dem Markt, die sich in der Art der Konstruktion unterscheiden:
- Block;
- Rahmen.
Die Blockversion der Installation ist hauptsächlich direkt an einer festen und festen Wand befestigt. Die Befestigung erfolgt in diesem Fall mit Ankerbolzen, die einer großen Belastung standhalten. Die Blockstruktur wird als einfacher zu installieren angesehen. In diesem Fall muss jedoch die Lücke zwischen der Haupt- und der Gipskartonwand gefüllt werden. Wenn diese Bedingung nicht erfüllt ist, übt die Struktur der Toilette einen übermäßigen Druck auf die falsche Wand aus, wodurch Risse auf den Keramikfliesen auftreten können.
Das Rahmeninstallationssystem umfasst die Montage des Produkts auf dem Boden. Äußerlich ist das System ein Metallrahmen, der am Boden und an der Wand befestigt ist, und eine separate Halterung, die für die Zuverlässigkeit der Installation der Toilettenschüssel verantwortlich ist. In diesem Fall muss keine feste Wand verwendet werden, da die Hauptlast auf den Boden fällt.
Mit den Rahmensystemen kann die Höhe der Wandtoilette mit den verstellbaren Füßen innerhalb von 20 cm eingestellt werden. Dies wird als Vorteil angesehen, da für Personen mit geringer Statur die Standardposition der Schüssel unpraktisch sein kann. Zusätzlich kann ein kleines Regal in den Raum über der Zisterne gestellt werden.

Die Blockversion der Installation für wandhängende Toilettenschüsseln wird in einer speziellen Nische direkt an der Wand befestigt
Bevor Sie ein bestimmtes Modell auswählen, müssen Sie zunächst den optimalen Installationsort ermitteln und darauf basierend den Systemtyp auswählen. Daher wird die Standard-Wand-zu-Wand-Anordnung für die meisten Waschräume als geeignet angesehen, auch für solche mit sehr begrenztem Platz. In einem kleinen Raum ist es notwendig, die Auswahl der Parameter korrekt anzugehen.
Nach Art des Installationsorts unterscheiden sich folgende Optionen:
- Niedrig. Geeignet für Badezimmer mit begrenzter Höhe, wenn keine Standardversion gewählt werden kann. Die Höhe der niedrigen Installation für eine Wandtoilette überschreitet 82 cm nicht.
- Doppelseitig. Wird am häufigsten in Einkaufszentren oder Büros verwendet, wenn auf jeder Seite der Wand Toiletten installiert werden müssen. Mit diesem System können Sie so viel Platz wie möglich sparen und ein kompaktes Badezimmer schaffen.
- Ecke. Eine beliebte Option für die Installation in einer Toilette in Kombination mit einer Badewanne ermöglicht es Ihnen, den Bereich des Raums so effizient wie möglich zu nutzen. Eine Ecktoilette mit Installation erfordert einen speziellen Aufsatz, das sogenannte Eckinstallationsmodul.
- Inline-System. Das Design beinhaltet die gleichzeitige Installation mehrerer Sanitärartikel im Badezimmer, darunter eine Toilette, ein Waschbecken und ein Bidet.

Je nach Art des Installationsorts gibt es solche Typen: niedrig, doppelseitig, Ecke und Systeme in einer Linie
Übersicht der Hauptmodelle von Wand-Toilettenschüsseln: Roca und Ifo
Bei der Auswahl eines Aufhängungssystems müssen Sie die Konstruktionsmerkmale eines bestimmten Installationsortes berücksichtigen. Es versteht sich, dass der Strukturrahmen nach der Installation vollständig hinter einer dekorativen Wand oder Trennwand verborgen ist und ein späterer Zugang dazu schwierig ist. Aus diesem Grund wird nicht empfohlen, Einkäufe zu sparen.
Es wird empfohlen, Modelle eines zuverlässigen und vertrauenswürdigen Herstellers auszuwählen, der die positivsten Bewertungen erhalten hat. Um Probleme zu vermeiden, sollten Sie den Installationsprozess sorgfältig angehen und sich mangels Erfahrung an Firmen wenden, die auf diese Art von Arbeit spezialisiert sind.
Es gibt eine große Anzahl von Herstellern und Modellen auf dem Markt. Der Einfachheit halber finden Sie unten eine Liste der beliebtesten hängenden Strukturen, die nicht nur von Benutzern, sondern auch von Sanitärfachleuten gute Bewertungen erhalten.
Hängende Toilettenschüsseln "Roca" des spanischen Herstellers sind beliebt, da es in Russland ein Werk dieser Firma gibt, der Preis der Produkte wird etwas niedriger sein. Die Aufstellung des Unternehmens zeichnet sich durch hochwertige Produkte, einfaches aber attraktives Erscheinungsbild aus. Schauen wir uns die gefragtesten Modelle auf dem Markt genauer an.

Hängende Toilettenschüsseln des spanischen Herstellers "Roca" sind aufgrund ihres günstigen Preises sehr beliebt
Roca The Gap. Die Toilette besteht aus Sanitärporzellan, hat einen pneumatischen Spülknopf und zwei Arten des Wasserspülens. Abgehängter Tank. Einer der Vorteile des Modells ist ein an der Wand montierter Toilettensitz mit Mikrolift, das sogenannte Soft-Close-System, das den Deckel schrittweise absenkt. Der Durchschnittspreis des Modells beträgt 18.720 Rubel. Es ist zu beachten, dass einige Verkaufsstellen eine Wandtoilette von Roca Gap ohne Sitz und Zisterne verkaufen.
Roca Meridian.Ein günstigeres Modell, dessen Vorteil das Vorhandensein einer Anti-Schlamm-Beschichtung ist. Der Ablaufmechanismus und der Ablaufmodus werden vom ausgewählten Installationssystem bestimmt. Der Hauptnachteil ist das Fehlen eines Sitzes im Kit, der dann zusätzlich gekauft wird. Preis - 12 360 Rubel.
Roca Dama Senso. Eine Wandtoilette mit horizontalem Wasserablauf und einer trichterförmigen Schüssel in Form eines rechteckigen Bogens, wodurch die Toilette sehr bequem zu bedienen ist. Das Modell besteht aus Fayence und die Abdeckung ist mit einem Mikroliftsystem ausgestattet. Die Höhe der Toilettenschüssel vom Boden beträgt 35 cm. Der Nachteil des Modells ist das Fehlen einer Zisterne in der Verpackung. Preis - ab 10 Tausend Rubel.
Weitere beliebte Optionen für Wand-Toilettenschüsseln sind die Modelle des Schweizer Herstellers Ifo:
- Sjoss Rimfree RP313200600. Das Produkt besteht aus Porzellan und hat eine horizontale Richtung der Wasserabgabe. Die Hauptvorteile sind das Vorhandensein eines Spritzschutzsystems, das Vorhandensein eines Sitzes im Kit und eine randlose Toilette. Zu den Nachteilen gehört das Fehlen eines Installationsrahmens, der separat erworben werden muss. Preis - ab 15.900 Rubel.
- Spezielles RP731300100. Ein weiteres beliebtes Modell der Wandtoilette ist Ifo, dem auch ein Installationssystem fehlt. Optional können Sie einen Sitz mit einem Mikrolift installieren. Preis - ab 8 Tausend Rubel.
Beschreibung der Wandtoiletten Geberit, Grohe und Villeroy Boch deutscher Hersteller
Das deutsche Unternehmen Geberit stellt seit 1906 Sanitärarmaturen her und hat seitdem viel Erfahrung in der Herstellung gesammelt. Neben Deutschland verfügt das Unternehmen über Fabriken in den USA, China und vielen europäischen Ländern. Toilettenschüsseln bestehen nur aus hochwertigen Materialien und die Produktgarantie erstreckt sich über mehr als 10 Jahre. Alle Modelle verfügen über internationale Konformitäts- und Qualitätszertifikate.
Duofix UP320. Dieses Modell der Wandtoilette "Geberit" wird in einer Fabrik in der Schweiz hergestellt. Der Hauptvorteil der Installation besteht darin, dass sie auch an Orten installiert werden kann, an denen die Montage anderer Modelle problematisch ist. Das System wird mit zuverlässigen Befestigungsstiften geliefert, deren Länge 500 mm beträgt, und es wird nicht schwierig sein, Ersatzteile für das Modell zu finden. Die Höhe der Struktur beträgt 112 cm, ein Doppelspülknopf ist vorhanden. Der Preis beginnt bei 14 Tausend Rubel.
Duofix 4 in 1. Abgehängte Toilette mit Mikrolift auf einer Eisenhalterung, was die Lebensdauer erheblich verlängert. Das Set besteht aus einem Rahmen mit einer Zisterne, einem verchromten Knopf, einer Flaminia APP Goclean freitragenden Wandtoilette mit randlosem Design und einem Schallschutzpad. Die Kosten beginnen bei 21 Tausend Rubel.
Das in der Sanitärbranche nicht weniger beliebte deutsche Unternehmen Grohe stellt auch hochwertige Wandtoiletten her. Die beliebtesten Modelle sind:
- Grohe Lixil Solido. Die Schale des Modells besteht aus Porzellan, und die Struktur selbst gehört zum Typ Wandbehang. Komponenten haben eine Garantie von 5 Jahren. Kosten - ab 21 Tausend Rubel.
- Grohe Sensia Arena. Es gilt als Premium-Modell, dessen Preis 100.000 Rubel erreicht. Der Hauptvorteil ist das Vorhandensein der Funktionen eines Bidet, eines eingebauten Haartrockners und einer antibakteriellen Beschichtung. Dank seines ungewöhnlichen Designs schmückt es jedes Badezimmer.
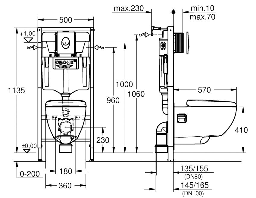
- Grohe Rapid SL. Das Design eines 10-Punkte-Systems bei der Bewertung von Wand-Toilettenschüsseln erhält 10 Punkte. Das Rahmensystem hat eine Höhe von 113 cm. Zusätzlich zur Installation enthält das Kit einen Tank, Befestigungselemente, Schallschutzmaterial und einen verchromten Doppelspülknopf. Der Hauptvorteil ist das Vorhandensein von Optionen zur Auswahl des Wasseranschlusses von der Seite oder von hinten. Der Preis beginnt bei 19 Tausend Rubel.

Die Toilette mit Grohe Lixil Solido-Installation ist in Standardgrößen erhältlich und die Garantie für Komponenten beträgt 5 Jahre
Villeroy Boch ist ein weiteres deutsches Unternehmen, das hochwertige Modelle von Wandtoiletten herstellt.Das erste auf der Liste ist das Novo-Modell, dessen Kosten bei 30.000 Rubel beginnen. Das Material, aus dem die Schale besteht, ist zuverlässiges Porzellan. Die Toilette verfügt über einen horizontalen Wasserablauf und zwei Abflussmodi. Der Sitz ist mit einem Mikroliftsystem ausgestattet und schnell abnehmbar.
Das wichtigste positive Merkmal ist die Verfügbarkeit eines vollständigen Installationskits. Die Nachteile können als kurze Garantiezeit (4 Jahre) und die Möglichkeit angesehen werden, nur den hinteren Anschluss des Tanks durchzuführen, was zu Schwierigkeiten bei der Installation führen kann.
Das billigere Modell der Wandtoiletten von Villeroy Boch ist die Architectura mit randlosem Design und Zwei-Wege-Abfluss. Der Preis (21 Tausend Rubel) wird durch die Tatsache gerechtfertigt, dass der Installationsrahmen nicht im Kit enthalten ist.
Preiswerte Wandtoilettenmodelle mit guten Bewertungen
Beliebt ist die Budget-Version der hängenden Toilette der polnischen Firma Cersanit - das Delfi-Modell, dessen Preis nur 6500 Rubel beträgt. Alle an der Wand montierten Cersanit-Toiletten haben keinen Installationsrahmen im Kit, weshalb sie sich durch niedrige Kosten auszeichnen. Die Schale des Delfi-Modells besteht aus hochwertigem Steingut, hat einen Rücklauf und einen doppelten mechanischen Knopf, mit dem Sie Wasser sparsam nutzen können. Die Hauptnachteile sind das Vorhandensein eines Spritzwassers beim Spülen und das langsame Befüllen des Tanks. Andere Unternehmensmodelle:
- Cersanit City. Verfügt über ein Spritzschutzsystem und attraktive Chrombeschläge. Die Hauptvorteile sind ein Sitz mit einem Soft-Close-System und geringen Kosten (ab 5500 Rubel).
- Cersanit Pure. Wandbidet aus Porzellan mit Rücken-Wand-Struktur. Das Kit enthält alle erforderlichen Armaturen sowie einen Chromhahn.
Eine weitere Budgetoption sind die hängenden Armaturen der tschechischen Firma Jika. Hier sollten wir das Lyra-Modell hervorheben, dessen Kosten nur 3.000 Rubel betragen, während die Toilette gleichzeitig ein attraktives Design hat. Installation, Sitz und Ausstattung müssen separat erworben werden. Die teurere Option ist das Mio-Modell, dessen Preis bei 6500 Rubel beginnt. Es verfügt über ein modernes Design, einen Schnellwechselsitz und eine versteckte Installation. Die Installation für das Produkt muss separat erworben werden.
Merkmale der Installation einer hängenden Toilette mit Ihren eigenen Händen
Wenn Sie gute Erfahrungen mit Bauarbeiten haben, einschließlich der Fähigkeiten zum Anschließen von Sanitärgeräten, können Sie versuchen, selbst eine Wandtoilette zu installieren. Es sollte jedoch berücksichtigt werden, dass es im Falle eines Ausfalls nicht einfach sein wird, die Struktur neu zu gestalten.
Zunächst sollten Sie den Installationsort auswählen und unter Berücksichtigung des ungehinderten Zugangs zur Abwasser- und Kaltwasserversorgung den Grad der Befestigung des Rahmens markieren. Um die Installationsebene beizubehalten, sollte während der Installation eine Gebäudeebene verwendet werden. Die verschraubte Struktur sollte eng am Boden oder an der Wand anliegen.

Wenn Sie Erfahrung in Bauarbeiten und Kenntnisse in der Verbindung von Sanitärinstallationen haben, können Sie versuchen, selbst eine Wandtoilette zu installieren
Hilfreicher Rat! Bevor Sie den Tank installieren, sollten Sie seine Funktion überprüfen, indem Sie mehrere Liter Wasser einfüllen.
Um eine falsche Wand zu schaffen, die die Struktur bedeckt, wird häufig Gipskartonplatte verwendet, die dann je nach Umgebung überarbeitet wird. Danach wird die hängende Toilette mit Stehbolzen sowie deren Anschluss an die Wasserversorgungs- und Entwässerungssysteme befestigt. In der letzten Phase wird der Ablassknopf installiert.
Eine Installation mit einer hängenden Toilette wird als ordentliche und schöne Option für die Dekoration eines Badezimmers angesehen, insbesondere wenn in der Wohnung ein moderner Stil vorherrscht. Aufgrund des Fehlens unnötiger Teile und der näheren Position der Toilette zum Spülkasten (im Vergleich zur Standardversion) wirkt selbst ein kleiner Raum geräumiger. Es ist viel bequemer, in einem solchen Raum zu reinigen, da beim Waschen des Bodens keine Strukturen stören.