Este artículo lo ayudará a decidir qué medidor de electricidad es mejor instalar en su apartamento. A continuación se muestra una clasificación completa de los dispositivos existentes por tipo de diseño y energía, número de fases, arancelización de estos dispositivos, así como todos los datos sobre su selección y correcta instalación. El artículo analiza los modelos más populares y sus precios actuales.
Contenido
- 1 Qué medidor de electricidad es mejor poner en un apartamento: clasificación de dispositivos
- 2 ¿Qué medidor de electricidad para un apartamento es mejor: precios, ventajas y desventajas de los dispositivos?
- 2.1 Ventajas y desventajas de instalar un contador eléctrico de tipo electrónico
- 2.2 Por qué es rentable comprar un medidor de electricidad de inducción: fortalezas y debilidades
- 2.3 Contadores de electricidad: tipos de estructuras según el número de fases.
- 2.4 ¿Cuáles son los mejores para poner en los medidores eléctricos del apartamento según la clase de precisión?
- 2.5 Contadores de electricidad de tarifa única y tarifa múltiple: precio y características
- 3 Cómo reemplazar correctamente el medidor de electricidad en un apartamento.
- 4 Cómo cambiar los medidores de electricidad en un apartamento: características del procedimiento
Qué medidor de electricidad es mejor poner en un apartamento: clasificación de dispositivos
Al buscar dónde comprar un medidor de electricidad, es importante no olvidar que la elección y compra de un dispositivo debe tener en cuenta todos los factores. El dispositivo no se puede devolver ni cambiar si existen motivos que impidan su instalación, pues la venta va acompañada de la introducción de las marcas correspondientes en el pasaporte. Este documento contiene el número de serie y un sello colocado por un abogado del gobierno.
Reemplazando el viejo medidor de electricidad se realiza un nuevo dispositivo en los siguientes casos:
- incumplimiento del dispositivo con los requisitos establecidos por la compañía energética;
- avería del dispositivo;
- instalarse en un nuevo espacio habitable.
¡Nota! Solo hay una razón para la devolución de un medidor de energía eléctrica: la presencia de un defecto de fábrica.
Los dispositivos para calcular la energía eléctrica se clasifican de acuerdo con los siguientes criterios:
- Tipo de construcción (tipo mecánico o inducción y electrónico).
- Número de fases (monofásica y trifásica).
- Tipo de energía medida (dispositivos para medir energía reactiva, activa y universal).
- Tasa arancelaria (tarifa única, doble y multitarifa).
¿Qué medidor de electricidad para un apartamento es mejor: precios, ventajas y desventajas de los dispositivos?
Hoy en día, un problema como el reemplazo de los medidores eléctricos es especialmente urgente, a cuyo costo muchos ciudadanos están preocupados por instalar el dispositivo. Desde un punto de vista teórico, los dispositivos de medición están incluidos en el área de responsabilidad del proveedor de electricidad. nortepero de hecho, la solución al problema recae en los inquilinos que viven en un departamento o en una casa particular, a quienes la ley obliga a tener un dispositivo para medir la electricidad consumida, así como a reemplazarlo oportunamente si no cumple con los requisitos o una falla grave.
Hay más de 400 artículos de equipos de medición de electricidad en el mercado. Cuando la tarea consiste Para comprar medidores de electricidad para un apartamento, el precio en este caso es de importancia secundaria.
Ventajas y desventajas de instalar un contador eléctrico de tipo electrónico
Los diseños electrónicos son dispositivos complejos, cuya tarea principal es convertir la señal entrante a un formato de datos digitales. El resultado se refleja en un dial o pantalla mecánicos.
Ventajas de diseño:
- el error en las lecturas es muy pequeño;
- la funcionalidad le permite mantener registros dentro de varias tarifas;
- el porcentaje de robo de energía eléctrica es muy pequeño.
¡Nota! Los diseños electrónicos tienen una funcionalidad adicional que le permite comprar un medidor de electricidad con control remoto, mayor memoria o reloj integrado.
Desventajas de los dispositivos electrónicos:
- alta sensibilidad a caídas repentinas de voltaje en la red;
- precio alto;
- las estructuras no son particularmente confiables en términos de operación;
- las reparaciones son muy caras.
El precio promedio de los medidores de electricidad en esta categoría está en el rango de 900-3100 rublos. El costo depende de las características de diseño del dispositivo y la disponibilidad de funciones adicionales, así como del fabricante. Antes de decidirse a comprar contadores eléctricos con mando a distancia, conviene considerar que el coste de los dispositivos con mando a distancia es tres veces mayor que el de los dispositivos estándar.
Tarifas para contadores con mando a distancia (mando a distancia):
Modelo de dispositivo | precio, frotar. |
Mercurio 231 AM 01380 5 (60) | 8500 |
3F.1T.Mercurio-230AM-02 10-100A 380V | 8500 |
3F.1T.Tse6803V (M, Sh) 5-60A 230V 4PR.M6 (M7) P32 DIN | 8500 |
3F.1T.Tse6803V (M, Sh) 10-100A 230V 4PR.M6 (M7) P32 DIN | 10000 |
3F.1T.TRIO U 1A4 DV 5-50A 220 / 380V G07 PL.KOR.LEMZ | 10000 |
3F.1T. MERCURIO-230AM-03 5-7.5A 380V 0.5S | 12000 |
TRIO U 1A4 TV LEMZ | 15000 |
Mercury 230 ART 01 CON MANDO A DISTANCIA | 25000 |
Por qué es rentable comprar un medidor de electricidad de inducción: fortalezas y debilidades
Los dispositivos electromecánicos todavía se encuentran en edificios antiguos de la era soviética. Los dispositivos de nueva generación se han modificado significativamente, sin embargo, utilizan un principio operativo similar. El diseño parece una caja de plástico equipada con una ventana de visualización. A través del cristal, se pueden ver los movimientos de rotación del disco y los datos contables sobre el consumo eléctrico.
El medidor está equipado con 2 bobinas que crean campos electromagnéticos debido al voltaje transmitido. Gracias a estos flujos magnéticos, se pone en movimiento un disco de aluminio que afecta a las ruedas que muestran los números. La velocidad de rotación del disco en los contadores de electricidad antiguos, así como en los nuevos, depende del volumen de consumo de electricidad. Esto también se refleja en los indicadores del dispositivo.
¡Nota! Los dispositivos de inducción obsoletos se están eliminando gradualmente, aunque no están exentos de ciertas ventajas.
Ventajas de los dispositivos de inducción:
- confiabilidad en términos de operación, bajo porcentaje de averías;
- vida útil ilimitada de los medidores de electricidad;
- las caídas repentinas de voltaje en la red eléctrica no afectan negativamente al dispositivo;
- Precio pagable.
Esta opción de diseño también tiene desventajas:
- a menudo se producen errores importantes en las lecturas;
- los dispositivos no están absolutamente asegurados contra el robo de electricidad;
- el dispositivo realiza una transmisión de lecturas de electricidad (contabilidad autopropulsada sin la participación de los consumidores).
El costo de los medidores de electricidad de tipo inducción varía entre 750 y 3300 rublos.
Precios de equipos de medición por inducción:
Modelo de dispositivo | precio, frotar. |
AGAT 1-1 SOE-52 / 50-11SH 39014 | 1350 |
Mercurio 201.5 63289 | 865 |
CE 101 R5 145 M6 88963 | 1160 |
CE 101 S6 145 M6 88962 | 1145 |
TsE-6803V M7R32 147713 | 3260 |
Contadores de electricidad: tipos de estructuras según el número de fases.
A la venta hay dispositivos con una o tres fases. Es necesario comprar un medidor eléctrico de tipo monofásico si el apartamento se alimenta de una red monofásica que consta de 2 cables con un nivel de voltaje de 220 V.En este caso, la carga máxima permitida de la red es de 10 kW. Este tipo de equipo de contabilidad se usa con mayor frecuencia en casas privadas y apartamentos de la ciudad.
¡Nota! Está permitido conectar el dispositivo a una red eléctrica trifásica, sin embargo, esto requerirá 3 dispositivos: un medidor de electricidad monofásico para cada fase.
El precio de los medidores de electricidad monofásicos es en promedio de 870-2700 rublos.
Si la casa se alimenta de una red con 3 fases y una tensión de 380 V, sería más conveniente comprar un contador eléctrico de tipo trifásico. La necesidad de equipos tan potentes se debe al alto consumo de energía.
La mayoría de las veces, estas redes funcionan con:
- Edificio de apartamentos;
- pequeñas industrias y fábricas;
- Talleres de trabajo;
- tablero de panel de propósito general.
El precio promedio de los medidores de electricidad trifásicos está en el rango de 2800-3300 rublos.
Este tipo de equipos también se utiliza en el sector privado, si se utilizan dispositivos de alto consumo energético:
- motores eléctricos trifásicos;
- calderas eléctricas para calefacción;
- máquinas de soldar y otras herramientas especializadas.
Precio de los contadores de electricidad trifásicos:
Modelo de dispositivo | precio, frotar. |
Mercurio 230 AM-02 53469 | 2847 |
TsE-6803V M7R32 147713 | 3258 |
Mercurio 231 AM-01 82412 | 3079 |
TsE 6803V M7P31 133281 | 3089 |
Mercurio 230 AM-01 35789 | 2847 |
Mercurio 230 AM-03 47189 | 2847 |
¿Cuáles son los mejores para poner en los medidores eléctricos del apartamento según la clase de precisión?
El funcionamiento de cualquier equipo contable va acompañado de algunos errores en cuanto a indicaciones. Las diferencias en su rendimiento dependen de la clase a la que pertenezca el contador. Se permite una desviación de solo un pequeño porcentaje del consumo real.
Los electrodomésticos para apartamentos tienen una desviación media del 2%. En la práctica, esto se manifiesta de la siguiente manera: si el consumidor ha gastado 100 kW de electricidad, los datos mostrados por el medidor estarán en el rango de 98-102 kW.
¡Nota! Cuanto menor sea el valor de precisión (clase) en la hoja de datos técnicos del dispositivo, se producirán menos errores al medir la electricidad. Estos medidores son mucho más caros que otros.

La clase de precisión de un medidor eléctrico es el error máximo permitido al medir la electricidad.
Si determina qué medidores de electricidad son mejores, a partir del indicador de error, debe dar preferencia a la segunda clase de dispositivos. Hay varios tipos de dispositivos a la venta con diferentes porcentajes de error:
- 0,2-05%;
- 2,5%;
- 1-2%.
Características de la elección de instrumentos por clase de precisión.
Consumidor de electricidad | Clase de precisión del instrumento | Clase de tensión de red |
Productores de electricidad | 0.5 y superior (unidades equipadas con la función de medición por hora y la capacidad de almacenar información durante 3 meses). | Sin limites |
Edificios residenciales de varios apartamentos | 1.0 y más | Sin limites |
Consumidores con un nivel de potencia superior a 670 kW | 0.5 y superior (unidades equipadas con la función de medición por hora y la capacidad de almacenar información durante 3 meses). | Sin limites |
Individuos | 2.0 y más | Sin limites |
Consumidores con nivel de potencia inferior a 670 kW | 1.0 y más | Hasta 35 kW |
0.5 y superior | Más de 110 kW |
Contadores de electricidad de tarifa única y tarifa múltiple: precio y características
Con la llegada de los dispositivos electrónicos al mercado, el sistema de registro de datos sobre la energía consumida ha cambiado significativamente. Una vez completada la instalación del medidor eléctrico en el apartamento, ahora puede llevar a cabo la contabilidad dentro de varias tarifas. Los dispositivos modernos son capaces de soportar 2-3 tarifas, y algunos modelos incluso más.
Cuánto cuestan los medidores de electricidad: precios de los dispositivos de cuatro tarifas:
Modelo de dispositivo | precio, frotar. |
Energomera CE 102M R5 145 J 253295 | 2320 |
EKF Skat 105E / 1-5 (60) TOI4 10501 | 2775 |
El funcionamiento de un contador multitarifa se basa en el desglose de la contabilidad por tiempo. Por ejemplo, el cálculo del consumo de energía según la tarifa diaria comienza a las 7:00 y se detiene a las 23:00. La cuenta atrás del régimen de arancel nocturno comienza a las 23.00 y finaliza a las 7.00.
¡Consejo útil! El costo de la electricidad consumida durante el día es significativamente mayor que durante la noche. Todos los costes que consumen mucha energía, como el lavado, se pueden programar por la noche para ahorrar dinero.
El precio de los contadores de luz diurna / nocturna es mucho más elevado que el de los contadores de tarifa única convencionales. Pero no todos los apartamentos tienen una diferencia significativa entre el costo de la electricidad durante el día y la noche, por lo que es posible que el costo de comprar equipos de tarifas múltiples no sea rentable. Antes de comprar, vale la pena calcular los costos con un desglose por día / noche y compararlos con los resultados a una tasa única.
Si los ahorros alcanzan el 35-50%, puede reemplazar de manera segura el medidor eléctrico en el apartamento por uno de tarifas múltiples, pero si la diferencia es de solo 100-200 rublos, dicha adquisición será inapropiada.
Cuánto cuestan los medidores de electricidad para un apartamento: precios de dispositivos de tarifa única:
Modelo de dispositivo | precio, frotar. |
AGAT 1-1 SOE-52 / 50-11SH 39014 | 1350 |
Mercurio 201.5 63289 | 865 |
Mercurio 230 AM-02 53469 | 2845 |
CE 101 R5 145 M6 88963 | 1155 |
TsE-6803V M7R32 147713 | 3260 |
Cómo reemplazar correctamente el medidor de electricidad en un apartamento.
Los dispositivos de la generación moderna son más perfectos que los modelos antiguos, porque procesan una cantidad bastante grande de energía eléctrica, eliminando la aparición de problemas graves:
- gotas;
- choques
- cortocircuito y fuego.
Requisitos del decreto 442 sobre sustitución de contadores eléctricos
De acuerdo con la Resolución N ° 442 actualizada, se modificaron las reglas de control del mercado minorista de electricidad. El documento prescribe que la transmisión de lecturas de los medidores de electricidad utilizados por los ciudadanos de la Federación de Rusia debe llevarse a cabo utilizando exclusivamente dispositivos eléctricos, y la clase de precisión mínima permitida de dispositivos es 2.0.
¡Nota! Si la clase de precisión del dispositivo es menor que el valor permitido, debe realizar reemplazo del medidor de electricidad... Dicho dispositivo puede utilizarse durante su vida útil declarada o hasta que sufra daños graves.
Después de que se emitió el decreto # 442, la vida útil de los medidores eléctricos corresponde a la duración del intervalo de verificación: 6 años. Esto significa que se puede usar un dispositivo no conforme hasta la primera inspección de las autoridades, luego debe ser reemplazado. Hoy, la producción de dispositivos con una clase de precisión por debajo de 2.0 se detiene. Además, no se permiten reparaciones.
Por un lado, el procedimiento para cambiar el equipo de medición está diseñado para aumentar la seguridad de la operación de la electricidad, por otro lado, surge la pregunta, a costa de quién se reemplazan los medidores de electricidad. Sujeto al artículo 221, el pago de reemplazo lo realiza el propietario de la vivienda.
Hay circunstancias en las que el pago lo realiza el servicio municipal.Esto se aplica a aquellos contratos obtenidos al instalar medidores de electricidad en un apartamento donde hay una marca correspondiente, de lo contrario, el propietario cubre todos los costos de forma independiente.
Artículo relacionado:
Estabilizadores de voltaje para el hogar: revisiones. Cuál es el mejor convertidor para elegir. ¿Cuál es el mejor dispositivo para elegir? Las principales características de los dispositivos. Revisión de modelos modernos. Conexión y reparación de rectificadores.
Condiciones de funcionamiento del medidor eléctrico en el apartamento.
La vida útil de cualquier dispositivo se prescribe en el pasaporte técnico. Durante este período, siempre que la configuración sea correcta y no haya violaciones de las reglas de funcionamiento, el dispositivo realiza un seguimiento de la energía consumida con la mayor precisión posible. Por tanto, todos los datos obtenidos durante este período pueden considerarse fiables.
Para comprobar la vida útil del dispositivo, basta con consultar la ficha técnica. Hay una nota que muestra la hora de la primera verificación del medidor realizada en el territorio de la planta de fabricación. Muy a menudo, el equipo se considera bueno durante 25-30 años, después de lo cual es necesario reemplazar el dispositivo.

El medidor debe corresponder en potencia a la fuerza de la corriente que pasa en las redes eléctricas.
El momento para reemplazar los medidores de electricidad en los apartamentos se establece después de una verificación programada del dispositivo:
- Si hay un medidor en el apartamento con una clase de precisión de 2.0 o 1.0, la calibración programada de los medidores de electricidad se realiza cada 16 años. En el proceso de control, se pueden detectar errores e infracciones. Entonces el servicio de metrología recomendará reemplazar el equipo. La vida útil promedio de dichos dispositivos es de 32 años.
- Si hay un dispositivo con una clase de precisión de 2.5, el propietario de la casa está obligado a reemplazar el equipo de contabilidad después del vencimiento de su vida útil de acuerdo con el pasaporte técnico. La detección de errores en el funcionamiento del dispositivo también puede servir como señal de sustitución.
¡Nota! Una ley aprobada en 2012 dicta que todos los dispositivos de medición de Clase 2.5 deben reemplazarse con dispositivos marcados como 2.0 o 1.0.
¿Cuánto cuesta reemplazar los medidores de electricidad en los apartamentos?
Todos los procedimientos para la instalación de equipos contables deben ser realizados por especialistas altamente profesionales. Trabajar con electricidad es extremadamente difícil y peligroso. El electricista debe tener derecho a abrir y sellar el medidor. No está prohibido utilizar los servicios de empresas privadas, sin embargo, debe averiguar con anticipación si el maestro tiene el permiso correspondiente. De lo contrario, estas acciones pueden ser ilegales.
El costo de los medidores de electricidad monofásicos de tarifas múltiples Mercurio es de 1280-1400 rublos. El precio de dispositivos similares de tarifa única está en el rango de 670-700 rublos. A esto se suma el costo del servicio para desmantelar el dispositivo antiguo, instalar equipo nuevo y conectarlo.
Instalación de contadores de luz en un apartamento: precios del servicio:
Nombre del servicio | precio, frotar. |
Instalación de equipos monofásicos y monofásicos | 1500-2000 |
Instalación de equipos monofásicos multitarifa. | 1500-2000 |
Desmontaje del dispositivo | 500 |
Instalación de equipos trifásicos con conexión directa. | 2500-3000 |
Instalación / reemplazo de equipos en un soporte / poste | 5000-7000 |
Desmontaje del dispositivo en un soporte / poste | 35000 |
Cómo cambiar los medidores de electricidad en un apartamento: características del procedimiento
La sustitución del equipo contable, así como su mantenimiento, es una de las responsabilidades del propietario del local donde se encuentra el contador:
- Si el dispositivo se instala en un pasillo común o en un área común, actúa como propiedad pública. En este caso, la vida útil del medidor de electricidad, así como su reemplazo oportuno, está controlada por la Asociación de Propietarios, la Sociedad Gestora o el propietario del edificio, si es propiedad de una organización o un municipio.
- Si el dispositivo se instala dentro de las instalaciones de una tienda o apartamento, toda la responsabilidad por su condición y reemplazo recae en el propietario.
¡Nota! Si el acuerdo con el inquilino del apartamento indica que la responsabilidad de instalar el equipo de medición se asigna a la empresa de suministro de energía, esta última realiza el procedimiento por una tarifa separada o asigna el monto de los fondos ya depositados (según el contrato).
Cómo reemplazar los medidores de electricidad en un apartamento: una lista de documentación
Para los residentes de edificios de apartamentos, se proporciona un cierto procedimiento para reemplazar los medidores de electricidad:
- Envío de solicitud.
- Proporcionar el paquete de documentos requerido.
- Redacción de un acto.
- Procedimiento de verificación de contadores de electricidad.
- Sellar el dispositivo y emitir un acta que lo confirme.
Todos los documentos se redactan de acuerdo con las normas prescritas por la ley.
Información que se muestra en la aplicación:
- Nombre del documento.
- Fecha de recopilación y lugar.
- Nombre y datos del solicitante (teléfono, correo electrónico y direcciones postales).
- La dirección de la ubicación de la instalación donde se reemplazará el equipo.
- Requisitos para un nuevo dispositivo.
- Detalles asignados al contrato de suministro eléctrico.
Para enviar una solicitud, necesitará un paquete estándar de documentos proporcionados por el procedimiento:
- Un documento que identifica al dueño de la propiedad donde está instalado el medidor y necesita ser reemplazado.
- Poder si la solicitud es presentada por un representante del dueño de la propiedad.
- Pasaporte del ciudadano con marcas que confirmen el registro.
¡Nota! Después de considerar los documentos enumerados, los organismos autorizados deciden si reemplazan el equipo. Como resultado, se firma un acto de reemplazo entre el contratista y el solicitante.
Datos registrados en el acto:
- Lugar de instalación de un nuevo dispositivo de medición.
- La dirección donde se encuentra el edificio de apartamentos.
- Datos técnicos de los dispositivos a reemplazar (fecha de producción, tipo de dispositivo, número de dispositivo, requerido enviar lecturas de medidores de electricidad en el momento de redactar el acta).
- Datos técnicos de nuevos dispositivos.
- La fecha en que se instaló el nuevo hardware.
- Nombre de entidad legal la persona que reemplaza el equipo.

Después de reparar, verificar o reemplazar el medidor antiguo, se invita a un representante de la fuente de alimentación
El especialista llena todos los campos del documento por duplicado, uno de los cuales se entrega al solicitante.
Medidores de electricidad Mercury: tarifas y reseñas
El fabricante más popular de equipos de medición de electricidad en el mercado es Incotex. Los medidores de electricidad Mercury 201 son los dispositivos monofásicos más populares y óptimos. Esta categoría de dispositivos está destinada a medir la energía activa.
El precio de los medidores de electricidad monofásicos Mercury 201 (dispositivos de tarifa única):
Modelo de dispositivo | precio, frotar. |
Mercurio 201.5 63289 | 863 |
Mercurio 201.6 83665 | 1577 |
Mercurio 201.6 83665 | 1180 |
El precio de los medidores de electricidad monofásicos Mercury 200 (dispositivos de dos tarifas) | |
Mercurio 200.02 (R) | 1394 |
Mercurio 200.04 (M) | 3089 |
Mercurio 200.05 | 1771 |
¡Nota! Los precios de los medidores eléctricos Mercury 201 y 200 indicados en la tabla pueden diferir de los datos reales. El costo exacto depende de la empresa que vende el equipo de contabilidad.
A continuación se muestran las reseñas dejadas por los compradores de las reseñas de los medidores eléctricos Mercury 201 en los foros:
“Tengo un medidor en la entrada. El dispositivo funcionó correctamente, no causó problemas hasta que empezaron a llegar recibos con grandes cantidades. Resulta que el dispositivo necesitaba ser reemplazado hace mucho tiempo.Como me dijeron, las lecturas de equipos obsoletos se calculan de acuerdo con los estándares de consumo de electricidad por persona sin medidor. La mayoría de los vecinos tenían dispositivos Incotex y decidí quedarme en el mostrador de Mercury. Tras un examen más detenido, resultó que el cuerpo está hecho completamente de plástico. Esto significa que el dispositivo es completamente seguro. Los datos numéricos en el dial son claramente visibles. En general, estoy satisfecho con mi compra, aunque el mostrador antiguo me pareció bien ".
Victoria Bendas, Moscú
“Cuando llegó el momento de cambiar el medidor, por consejo de expertos, compré un monofásico: Mercury 201. El dispositivo es seguro y confiable. Durante seis meses de funcionamiento, no he identificado ninguna deficiencia ".
Evgeny Doroshenko, Ekaterimburgo
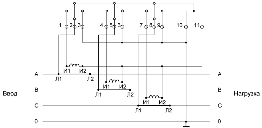
Características de conectar un medidor de electricidad monofásico.
Para la mayoría de los modelos de dispositivos, el diagrama de conexión de los medidores de electricidad monofásicos es directamente el mismo. Los equipos monofásicos están equipados con 4 terminales, lo que es típico de los dispositivos de esta categoría. Los cables eléctricos están conectados a ellos.
Normas de instalación para contadores de electricidad monofásicos:
- El terminal # 1 es la entrada a la que está conectado el cable de fase.
- Terminal No. 2 - salida para conectar el. Cables que conducen al departamento.
- El terminal n. ° 3 es una entrada para un cable neutro.
- El terminal No. 4 es la salida a la que está conectado el cable neutro.
Si estudia en detalle el diagrama que explica cómo conectar los medidores de electricidad monofásicos, incluso el propietario del apartamento puede manejar este procedimiento. Muy a menudo, los fabricantes de dispositivos colocan instrucciones en el interior de la caja.
¡Nota! Cuando se conecte por su cuenta, asegúrese de contactar a la compañía de energía para quitar el sello e instalarlo en el nuevo dispositivo. Los dispositivos sin sellar no están permitidos para la operación, por lo tanto, la instalación del sello debe realizarse lo antes posible después de que se verifique y conecte el medidor.
Para corregir de forma segura el correo electrónico. cables en los terminales del dispositivo, se recomienda utilizar el método de tornillo Los terminales, que sirven como salidas, llevan corriente a las válvulas y elementos de protección. Un terminal de uso general para conductor neutro suministra "fase" a RCD (elementos de protección) y fusibles. Por esta razón, será más racional instalar todos los dispositivos utilizados en un panel.
Los escudos protectores especiales aumentan la confiabilidad de la fijación del dispositivo y dispositivos adicionales. El nivel óptimo de montaje de la cubierta es 170 cm del suelo. Para que el medidor sea conveniente de usar, este indicador se calcula en función del crecimiento del propietario del apartamento.

Después de estudiar las instrucciones, el medidor de electricidad se puede conectar de forma independiente.
Recomendaciones para la instalación de equipos contables.
Para instalar contadores de electricidad sin problemas, los expertos recomiendan utilizar la herramienta adecuada:
- pinzas;
- alicates;
- alicates para quitar la capa protectora aislante de los cables.
Antes de realizar el trabajo, debe asegurarse de que el cable de entrada esté disponible. Debe estar apagado durante el período en que se realizará todo el trabajo, por lo que esta operación debe ser segura e indolora.
Es imperativo cumplir con todas las reglas de seguridad, aislar todas las secciones transversales de cable con alta calidad y tener mucho cuidado al realizar cada acción. También debe encargarse de obtener el permiso correspondiente de las autoridades de control y tener los documentos necesarios disponibles.