Una válvula de retención es un elemento indispensable del equipo de las estaciones de bombeo autónomas, que asegura una dirección constante del movimiento del fluido. La válvula de retención de la bomba de agua cierra una sección de la tubería, bomba u otro equipo en caso de una emergencia. El dispositivo funciona automáticamente a partir de la energía del medio de trabajo y es una válvula de acción directa.

La válvula de retención necesario para el buen funcionamiento del sistema de suministro de agua
Contenido
- 1 Propósito y principio de funcionamiento de la válvula de retención para agua.
- 2 Dispositivo de válvula de contrapresión
- 3 Reglas para instalar una válvula de retención en el agua.
- 4 Compruebe la válvula de la bomba de agua o la estación de bombeo
- 5 Válvula de retención de agua de bricolaje
- 6 Precio de la válvula de retención de agua para la bomba
Propósito y principio de funcionamiento de la válvula de retención para agua.
El propósito de la válvula de retención es proteger el sistema de suministro de agua de cambios críticos en los parámetros de flujo. Drenaje de agua en bien o bien, cuando la bomba se detiene, conduce a un giro inverso del impulsor y daña la unidad.
El actuador de la válvula evita el flujo de retorno del agua, protege el sistema de tuberías y el equipo de plomería del golpe de ariete. El obturador sellado con resorte de la válvula de retorno de agua mantiene las tuberías llenas, mejora la eficiencia de las bombas sumergibles y autocebantes.
El diseño y material de ejecución de los accesorios de protección, que se utilizan para sistemas autónomos de suministro de agua, tienen en cuenta los requisitos reglamentarios existentes. Las características técnicas (presión nominal, de trabajo, de prueba y de cierre, diámetro de conexión, rendimiento condicional, clase de estanqueidad) son indicadas por el fabricante en la ficha técnica de los productos.
El diámetro nominal de las válvulas de retención de resorte para uso doméstico es de 15 ÷ 50 mm. Los dispositivos de protección compactos proporcionan alto rendimiento, confiabilidad operativa y bajo nivel de ruido en la posición de trabajo.
¡Importante! La tensión del resorte se opone a la fuerza del flujo. La apertura de la válvula reduce la presión de la bomba en 0,25 ÷ 0,5 atmósferas.
Dispositivo de válvula de contrapresión
El latón es el material para estampar los elementos del cuerpo prefabricado. La aleación es resistente a sustancias agresivas (oxígeno, sales minerales, azufre, manganeso, compuestos de hierro, materia orgánica, etc.), que se encuentran disueltas o suspendidas en agua.La superficie exterior del producto está galvanizada (niquelada).
Las piezas del carrete están hechas de aleación de cobre y zinc o polímero de alta resistencia. El material de la junta de sellado entre los discos de bloqueo es caucho o silicona. El resorte está hecho de un grado especial de acero inoxidable.

El dispositivo de una válvula de retención de resorte de polipropileno: 1 - cuerpo, 2 - tapón, 3 - inserto roscado, 4 - vástago con placa de carrete, 5 - arandela deslizante, 6 - resorte, 7 - anillo de sellado del tapón
Elementos estructurales generales de las válvulas de retención con resorte:
- un cuerpo dividido (elementos de una conexión de acoplamiento con una rosca interna en la entrada y salida, una cámara de carrete);
- cuerpo de trabajo: un carrete móvil que consta de un vástago, dos placas de carrete y una junta sellada entre discos;
- el actuador de cierre es un resorte que se encuentra entre los discos de la válvula y el asiento (tope en el cuerpo del cuerpo).
El cuerpo de trabajo de la válvula de retención realiza movimientos alternativos en la cámara del carrete. Las muñecas se deslizan sobre el eje del carrete. El flujo se distribuye sobre un canal que tiene una sección transversal constante. El agua se lava uniformemente sobre el cuerpo de bloqueo desde todos los lados.
Si la presión del flujo excede la resistencia del resorte, entonces la parte móvil de la válvula abre un espacio para el paso del agua en una dirección determinada. Cuando se iguala la sobrepresión antes y después del dispositivo de seguridad, o la presión establecida después de que se excede la válvula, el resorte mueve los vástagos hacia el asiento.

Para instalar un suministro de agua autónomo, necesitará una válvula de retención, una válvula de bola, un manómetro, accesorios y otros accesorios.
Compruebe el embrague de resorte de la válvula
El cuerpo cilíndrico plegable consta de dos partes con una conexión roscada. La válvula deslizante está formada por un vástago de plástico, válvulas de latón superior e inferior. Los elementos de la válvula están separados por una junta hermética. La tensión en el resorte de acero se opone a la presión del flujo a través del cabezal del carrete.
Válvula de retención de acoplamiento con resorte con carrete de latón
Una característica distintiva del dispositivo de válvula de retención de agua con una forma esférica de la cámara del carrete es una gran capacidad de flujo en comparación con los accesorios tradicionales.

Dispositivo de válvula de retención de resorte con carrete de latón: 1 y 2 - cuerpo de latón niquelado, 3 - carrete móvil, 4 - resorte, 5 - placas de carrete de latón, 6 - junta de EPDM
Válvula de retención combinada cargada por resorte con drenaje y ventilación
Un ramal con una rosca interna para la ventilación de aire está instalado en el cuerpo, sobre el área de recepción de la cámara de carrete. El aire se ventila con grúa Mayevsky.
Un tubo de drenaje con una rosca interna y un tapón se encuentra en el lado opuesto del cuerpo, en la salida de la válvula de retención.
Artículo relacionado:
Estación de bombeo para vivienda particular: suministro de agua para una zona suburbana. Selección, características e instalación de equipos. Las ventajas y desventajas de los sistemas. Revisión de los mejores fabricantes.
Cuando se monta verticalmente, el dispositivo permite drenar el agua corriente abajo de la válvula y quitar los tapones de aire de la tubería corriente arriba del obturador. Cuando el dispositivo combinado se instala horizontalmente, la tubería de purga se utiliza para instalar el manómetro.
La válvula de retención combinada reduce el número de conexiones de instalación, reduce la resistencia hidráulica total de la válvula, aumenta la confiabilidad del sistema y facilita la instalación y el mantenimiento del sistema.
Muelle de válvula de retención con cuerpo de polipropileno
Las válvulas de retención en una carcasa de propileno se utilizan para sistemas de suministro de agua hechos de tuberías de propileno. Externamente, el accesorio se asemeja a una salida oblicua. Los accesorios de protección de propileno están conectados a la tubería mediante soldadura de polifusión.Para la conveniencia de dar servicio a la conexión de una pieza, el asiento y el mecanismo del carrete de cierre se retiran del plano perpendicular de la cámara del carrete. La posición de diseño le permite obtener el mecanismo de bloqueo de la válvula para su limpieza y reparación, sin violar la integridad del cuerpo y el sistema.
En las tuberías principales de suministro de agua centralizado, se utilizan válvulas de retención de pétalo, asiento, aleta, bola y brida. Las bridas y las bridas en tirantes se utilizan para conectar accesorios de gran diámetro. Para la instalación de válvulas de retención en una distribución de tubería hecha de tuberías de propileno, se utiliza soldadura por calor por contacto.
Reglas para instalar una válvula de retención en el agua.
Los accesorios de protección se utilizan en sistemas autónomos de suministro de agua, redes de suministro de agua internas en edificios de apartamentos, con suministro centralizado separado de agua fría y caliente. Las válvulas de retención se instalan en la línea de succión de las bombas de superficie y sumergibles, antes medidores de agua, calderas, calentadores de agua de almacenamiento.
Las válvulas de contrapresión de agua con resorte no tienen superficies de fricción, por lo que se pueden instalar en cualquier posición (vertical, horizontal o inclinada). Una flecha en el cuerpo del producto indica la dirección de movimiento del medio, su vector debe coincidir con la posición de montaje de la válvula protectora.
El dispositivo necesita un mantenimiento regular. Instale una válvula de retención en un lugar accesible para limpieza, revisión, reparación o reemplazo.
Compruebe la válvula de la bomba de agua o la estación de bombeo
Para las estaciones de bombeo, una válvula de retención es un elemento obligatorio, sin embargo, un obturador de seguridad no está incluido en el paquete de preventa de una instalación doméstica. Al comprar una válvula de retención, preste atención a las dimensiones de conexión del dispositivo.
Válvulas de retención para bombas sumergibles
Si se instalan accesorios de protección en la línea de succión de la tubería, entonces su diámetro debe coincidir con el diámetro de la tubería. Al instalar la válvula en el puerto de succión de una bomba sumergible, las dimensiones de las piezas deben garantizar la estanqueidad de la conexión.
¡Importante! La deposición de impurezas mecánicas del flujo en las superficies internas de la válvula limita el rendimiento del dispositivo y rompe la estanqueidad de la válvula.
Los fabricantes de válvulas de protección se han ocupado de cómo instalar una válvula de retención en la bomba:
- antes de la válvula de retención de la bomba de agua, se recomienda instalar filtros para limpieza mecánica gruesa;
- modelos modernos de profundidad y bombas de pozo Equipado con accesorios de protección de acción directa en la etapa de desarrollo del equipo;
- Se requiere protección especial para la válvula de retención de entrada para la bomba de pozo, que está instalada en la línea de succión desde pozos, pozos o un depósito abierto. Una malla o un yugo de acero inoxidable perforado se conecta a la válvula de retención mediante una rosca.
Válvulas de retención para estaciones de bombeo
Una válvula de retención para una estación de bombeo de superficie realiza la misma función que un dispositivo de protección para una unidad de fondo de pozo. La diferencia radica en el hecho de que el dispositivo está instalado en el puerto de succión de un soplador de presión autocebante.
Válvula de retención de agua de bricolaje
En teoría, es posible montar una válvula de retención por su cuenta. Se compra un juego de accesorios consumibles en el departamento de plomería de la ferretería más cercana.
Para incorporar ideas creativas, necesitará:
- T hembra (cuerpo de la válvula de retención);
- acoplamiento de rosca macho (forma un asiento para la válvula);
- resorte de acero de suficiente rigidez, de diámetro y longitud adecuados (para el libre movimiento de las bobinas dentro de la te);
- bola de acero, cuyo diámetro es ligeramente menor que el diámetro nominal de la T;
- tapón ciego - tope de resorte ("papá");
- sellador de hilos (humo, lino);
- juego de llaves de fontanería.
El flujo de agua entra por el lado de la manga y cambia de dirección en la salida en un ángulo de 90 °.
La dificultad del autoensamblaje de una válvula de retención radica en la elección del actuador y las piezas. Si la estanqueidad de las juntas proporciona experiencia y habilidades en la producción de trabajos de plomería, entonces la calidad de los componentes es difícil de garantizar.
Para el actuador de la válvula de retención de fábrica, se utiliza acero especial para resortes. El movimiento de los discos de bloqueo cargados por resorte duplica la barra guía. Los materiales de la válvula son compatibles durante el funcionamiento del equipo. Los parámetros técnicos de los productos cumplen con los requisitos especificados en los documentos reglamentarios generalmente aceptados. El fabricante ofrece una garantía para sus productos.
¡Importante! Es imposible garantizar la confiabilidad y la calidad de operación de una válvula de retención ensamblada en el hogar.

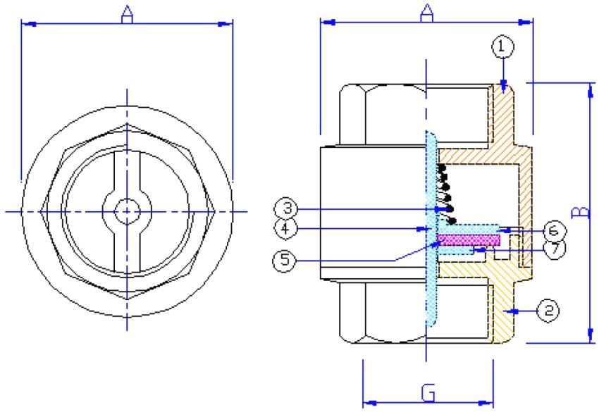
Dimensiones y principio de funcionamiento de la válvula de retención de resorte de acoplamiento: 1 y 2 - cuerpo; 3 - primavera; 4 - vástago de plástico; 5 - sellador; 6 - placa superior; 7 - placa inferior; A - 34,5-79 mm; B - 46-80,5 mm; G - 1 / 2-2 ″
Precio de la válvula de retención de agua para la bomba
Los precios de los accesorios de protección existentes dependen de la marca del fabricante, la capacidad (diámetro) y la modificación del diseño de la válvula. El costo de las válvulas principales supera los precios de los dispositivos domésticos decenas de veces.
Tabla comparativa de precios de válvulas de retención de agua de diferentes fabricantes:
Fabricante | Diámetro, mm | Precio por pieza, rublos |
Válvula de retención de polipropileno | ||
Sistemas de tuberías AQUA-S | 20 25 32 |
110,00 136,00 204,00 |
VALTEC (Italia) | 20 25 32 |
128,00 160,00 274,00 |
Compruebe el embrague de resorte de la válvula | ||
VALTEC (Italia) | 15 20 25 |
191,00 263,00 390,00 |
Danfoss CO (Dinamarca) | 15 20 25 |
561,00 735,00 962,00 |
Teсofi (Francia) | 15 20 25 |
282,00 423,00 563,00 |
ITAP (Italia) | 15 20 25 |
366,00 462,00 673,00 |
Válvula de retención combinada cargada por resorte con drenaje y ventilación | ||
VALTEC (Italia) | 15 20 25 |
652,00 1009,00 1516,00 |
Válvula de retención de acoplamiento con resorte con carrete de latón | ||
VALTEC (Italia) | 15 20 25 |
228,00 198,00 498,00 |
Al analizar la información presentada en los sitios web de representantes oficiales y empresas que producen accesorios de protección, podemos concluir: las válvulas de retención de agua para bombas aumentan el nivel de confiabilidad y calidad de operación de los sistemas autónomos de suministro de agua.