Uno de los problemas más urgentes para los propietarios de casas de campo es la disposición de un sistema de suministro de agua y alcantarillado. Y esto es natural, porque en ausencia de un suministro de agua centralizado, todos tienen que resolver este problema por su cuenta. Considere uno de los métodos más populares para esto: un cajón de plástico para un pozo. Intentaremos averiguar cuáles son sus ventajas sobre los demás, y si es posible realizar la instalación por nuestra cuenta.
Contenido
Cajón de plástico para un pozo: que es y por que se necesita
La disposición correcta del pozo es la condición principal para su funcionamiento estable durante todo el año calendario. Por eso no debemos olvidar que en nuestra zona climática en invierno la temperatura desciende notablemente por debajo de los 0 ° C, lo que provoca la congelación del agua. Por lo tanto, al instalar equipos de plomería, es necesario pensar en cómo protegerlos de la congelación.
A grandes profundidades, donde se ubican las lentes del acuífero, no hay heladas, pero más cerca de la superficie de la tierra, donde se ubica el equipo de bombeo, caídas graves de temperatura pueden provocar su mal funcionamiento. El agua congelada dentro de las tuberías puede hacer que estallen y será necesario reparar todo el sistema acuífero. Para evitar esto, se utilizan cajones.
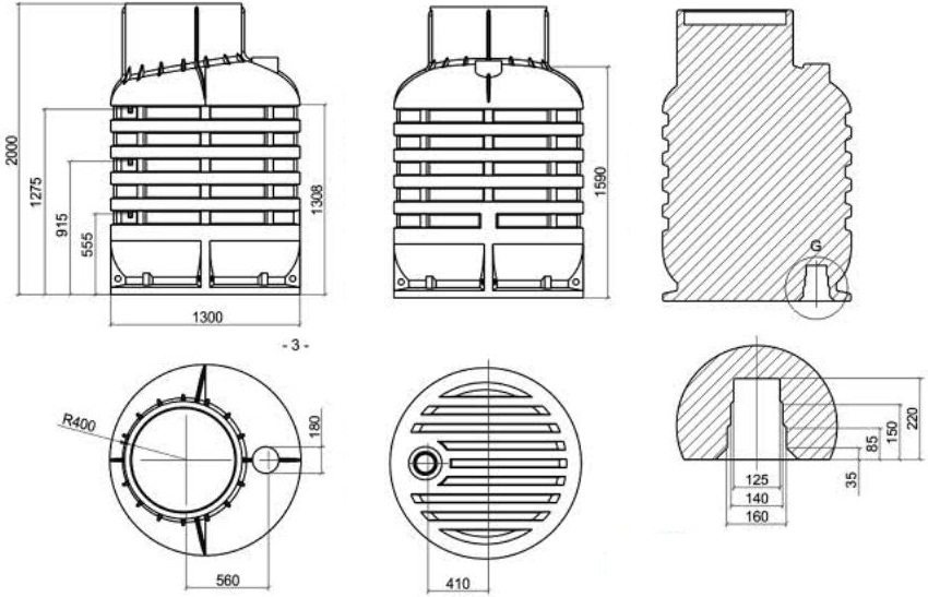
El cajón es un recipiente térmico especial con tapa, que es necesario para casi todos los pozos. La única excepción es el caso cuando se trata de un edificio con calefacción. Aunque esta opción es bastante rara, ya que, a pesar de todas las comodidades asociadas con el mantenimiento del sistema, es muy ruidoso dentro del edificio. Por lo tanto, la mayoría de los propietarios de casas de campo dan preferencia al arreglo. pozos utilizando un cajón de plástico.
La composición del cajón de plástico incluye los siguientes componentes:
- una bomba que suministra agua;
- equipo de filtración;
- accesorios diseñados para cortar el flujo;
- Tanque de expansión;
- varios instrumentos que miden la presión dentro del sistema;
- automatización.
El cajón se instala en la tubería de revestimiento a una profundidad de 1-2 m, lo que protege el sistema incluso de las heladas más severas.
¡Aviso util! La instalación y salida adicionales de la tubería de derivación le permite conectar una manguera para regar el jardín y el huerto.
Cajón de plástico: ventajas y desventajas.
Hasta hace poco, se creía que los equipos de plástico eran demasiado frágiles y no eran adecuados para su uso en condiciones de funcionamiento tan duras. Pero la tecnología moderna ha hecho posible crear cajones de plástico que son excelentes para la instalación en pozos. Y hoy en día, el plástico es uno de los materiales más utilizados para este propósito.
Los cajones de plástico incluyen polietileno, PVC-U, polipropileno y fibra de vidrio. Todos estos aditivos proporcionan al recipiente una resistencia y fiabilidad extra. Consideremos todas las ventajas y desventajas de usar cajones con nombre de este material.
Ventajas de usar cajones de plástico:
- trabajos de mantenimiento y reparación más sencillos. Si tiene una escalera, puede verificar fácilmente el estado y la funcionalidad de todos los elementos constituyentes;
- los cajones de plástico cuentan con una vida útil decente, aproximadamente 50 años;
- el rendimiento de aislamiento térmico del plástico es bastante alto, lo que permite evitar un aislamiento térmico adicional de los equipos en regiones con climas templados. Pero incluso si se necesita aislamiento adicional, es bastante simple hacer esto: simplemente puede equipar un estante aislante;
- El plástico es uno de los materiales más económicos en la actualidad. Es por eso que el uso de equipos de plástico le costará varias veces más barato que los productos hechos de cualquier otro material;
- el plástico conserva todas sus propiedades a lo largo de toda su vida útil, mientras que no sufre procesos de putrefacción y corrosión;
- durante la instalación de un cajón de plástico, no tiene que preocuparse por la impermeabilización;
- el plástico es liviano, lo que le permite instalar equipos sin la participación de equipos especiales y sin involucrar a especialistas para esto;
- Los cajones de plástico modernos no tienen costuras ni juntas, lo que los hace más duraderos y reduce significativamente el riesgo de daños durante el uso.
Entre las desventajas de este tipo de equipo, solo se puede distinguir una desventaja significativa: el plástico es propenso a deformarse. Sin embargo, esto solo puede suceder cuando el agua subterránea está demasiado cerca de la superficie de la tierra. Si tuviera que enfrentarse a tal situación, puede resolver el problema vertiendo una capa de hormigón de 10 cm alrededor del tanque.
¡Nota! Algunas estructuras modernas están diseñadas para tener en cuenta la probabilidad de que el agua subterránea corra cerca de la superficie de la tierra y tienen un campo dedicado para verter hormigón.
Cajón de hormigón armado o metal para un pozo: cuál es mejor
Además de los cajones de plástico, puede encontrar a la venta productos hechos de metal u hormigón armado. Las ventajas que tienen y cómo tomar la decisión correcta al equipar su propio pozo de agua con un cajón, lo consideraremos más a fondo.
Los cajones de hormigón son extremadamente raros en la actualidad. Esto se debe al hecho de que las desventajas de su funcionamiento superan significativamente las ventajas. Son muy costosos y al mismo tiempo requieren el procedimiento de instalación más complicado, que está asociado con el gran peso de la estructura. Aquí no puede prescindir de la ayuda de especialistas, además de solicitar equipos especiales, lo que también conlleva costos adicionales.
Además, debido a su peso, las estructuras de hormigón colocan una carga importante en el suelo, lo que a menudo conduce a su hundimiento y, como resultado, daña el sistema de suministro de agua. Además, estos cajones requieren una impermeabilización de alta calidad y una base muy confiable.Las fotos de los cajones hechos con este material se pueden ver en Internet.
Las ventajas de los tanques de metal incluyen el hecho de que puede hacer un cajón de este tipo para un pozo con sus propias manos. Cómo hacer e instalar una estructura de metal: puede ver las instrucciones en video o foto. Será más fácil comprar un cajón de metal, pero antes de hacer esto, debe sopesar todos los pros y los contras.
Esta solución tiene un inconveniente importante: la mayoría de los materiales baratos y de costo medio son corrosivos. Aquellos modelos que son resistentes a casi cualquier factor externo tienen un costo muy considerable. Además, los precios de los cajones metálicos para un pozo pueden variar significativamente según el fabricante.
Pozos de cajones: precios y características de los modelos populares.
Los más populares en el mercado nacional son los cajones de plástico Triton.... Dependiendo del tamaño, su costo puede variar entre 18,5 y 80 mil rublos. Puede familiarizarse con la política de precios actual de otros fabricantes en la siguiente tabla:
Fabricante | Caracteristicas | Dimensiones, mm | Peso, kg | precio, frotar. |
Planta de laminación de metales (Rusia) | Cajón metálico rectangular con escalera incorporada. La tapa está adicionalmente aislada | 2000 x 1000 x 1000 | 280 | 23000 |
Cajón metálico redondo con escalera incorporada. La tapa del contenedor está aislada | 250 | 19230 | ||
Termit 2000 (Rusia) | Cajón de plástico. Permite la instalación de varios orificios para tuberías de diferentes diámetros | 1440x2100 | 85 | 31500 |
Alta Group (Rusia) | Caja de plástico con base de 8 mm. Equipado con una escalera interior y un estante para aislamiento. | 1000x1000x1630 | 44 | 25100 |
Instalación de un cajón en un pozo: el costo del trabajo.
Comprar un cajón para un pozo es solo la mitad de la batalla. Una vez que se entrega al sitio, debe instalarse. Sin embargo, no todo el mundo quiere hacer esto por su cuenta. La mayoría prefiere recurrir a profesionales y encargar la instalación de un cajón debajo del pozo a una empresa especializada en esto.
Algunas empresas ofrecen a sus clientes la instalación gratuita de equipos, siempre que tenga que comprarles un cajón de plástico. Sin embargo, esto se puede encontrar con poca frecuencia, y los productos que ofrecen tendrán un costo varias veces superior al de otras ofertas similares.
Considere el rango de precio promedio para la instalación del cajón en el pozo:
- Cavar un pozo para un cajón costará alrededor de 12,000 rublos.
- Instalación del dispositivo dentro del pozo - 9,000 rublos.
- La instalación de la bomba costará alrededor de 8,000 rublos.
- Trabajo relacionado con la excavación de zanjas, así como con el tendido de un cable: 1600 rublos por 1 metro lineal.
Por lo tanto, tendrá que pagar una suma considerable por la disposición completa del sistema, especialmente si tiene en cuenta el equipo adicional del sistema de riego y otras bagatelas. Esto hace pensar que el precio de un cajón de plástico para un pozo no debería ser demasiado bajo. Ya que simplemente no es práctico instalar un tanque barato de baja calidad por esa cantidad de dinero.
Cajón de bricolaje de anillos de hormigón para un pozo.
A pesar de los precios bastante asequibles de los cajones prefabricados, muchos tienden a intentar hacerlos por su cuenta, utilizando los materiales disponibles. Una de estas opciones es un cajón de hormigón de bricolaje. Si decide dar preferencia a esta opción, debe familiarizarse con algunas de las características de este proceso:
- La principal dificultad es garantizar una conexión estrecha y precisa entre los anillos. Por lo tanto, se debe prestar especial atención al proceso de instalación.
- El diámetro de los anillos de hormigón puede ser cualquier cosa, pero no debe elegir demasiado grande; complican el proceso de instalación y, a menudo, no se justifican.
- No te olvides de la impermeabilización de calidad.Para ello, utilice masilla bituminosa.
- Ocúpese de crear una base sólida: utilice mortero de hormigón para el encofrado.
La construcción de un cajón para un pozo de anillos de hormigón es un proceso bastante complicado, que es prácticamente imposible de llevar a cabo sin la participación de equipos especiales. Los elementos estructurales son demasiado pesados para bajarlos manualmente a la excavación. La reparación de un cajón de anillos de hormigón también es difícil, pero si aparecen agujeros entre los anillos, es necesario.
Cómo instalar un cajón de plástico para un pozo con sus propias manos.
Antes de proceder a la instalación directa del cajón en el pozo, es necesario preparar una base confiable para ello, es decir pozo. Sus dimensiones deben ser necesariamente unos 20-30 cm más grandes que las de un tanque de plástico. Al mismo tiempo, en el fondo del pozo, debe hacer una pequeña depresión que ayudará a arreglar el contenedor. Puede hacer esto siguiendo pautas simples:
- es necesario verter un poco de arena en el fondo nivelado del pozo;
- luego una capa uniforme de grava fina;
- para garantizar la rigidez de la estructura, se instala un marco reforzado en la parte superior;
- después de eso, solo queda verter el concreto y esperar hasta que se seque por completo.

La instalación competente de un cajón de plástico para un pozo es una garantía de un servicio prolongado e impecable en el futuro.
En el proceso de trabajo, es importante no olvidar que si el sistema está equipado con un acumulador hidráulico, entonces el orificio para la tubería debe ubicarse ligeramente hacia un lado. En este caso, la opción ideal es que la carcasa sobresalga del nivel del suelo. Esto facilitará mucho el procedimiento de instalación del sistema.
Se debe prestar especial atención al proceso de fijación del cajón de plástico a la tubería. Esto requerirá atención y precisión. Algunos de los modelos más recientes están equipados con cavidades de hormigón. Si el sistema prevé la presencia de un acumulador hidráulico, entonces todo el equipo se puede atar a una base previamente preparada. Después de que el cajón toma su lugar en el pozo, los huecos restantes se cubren con tierra seca.
Como se mencionó anteriormente, si el nivel freático es demasiado alto, los espacios restantes también deben rellenarse con concreto para evitar daños en el tanque. Además, puede usar refuerzo para esto. Esta es una forma más confiable de proteger el pozo. Antes de verter hormigón, es importante no olvidar que todos los cables y tuberías deben pasar al exterior.
¡Nota! Asegúrese de esperar hasta que el concreto esté completamente endurecido, de lo contrario tendrá que comenzar todo el trabajo desde el principio.
Si hablamos de la elección, la mejor solución es comprar un cajón de plástico para un pozo. Este tipo de producto carece de las deficiencias de sus predecesores y le permite realizar todo el trabajo por su cuenta. Es por eso que los cajones de plástico para pozos son merecidamente populares y, en la mayoría de los casos, se prefieren para la compra. Y aunque el precio de una caja metálica puede ser algo menor, todas las ventajas de utilizar plástico en este caso son obvias.