Pihan ja kesämökin varjoisa puutarha on loistava paikka perhelomalle, varsinkin jos teet vähän vaivaa ja teet sen mukavaksi erilaisilla lisävarusteilla ja pienillä rakenteilla, kuten vajat, huvimajat, penkit jne. Tee ja aseta puutarhakiinnike puusta omin käsin sivustolle: valokuvat ja piirustukset, mitat ja rakentamisen perusparametrit löydät tästä artikkelista.
Sisältö
- 1 Puurungon luomisen ominaisuudet kesämökille: rakenteiden ominaisuudet ja tyypit
- 2 Tee-se-itse-puukenkä: valokuvia ja piirustuksia, kokoja ja muutoksia
- 3 Puinen keinu tee itse -rakennus kesämökille: piirustukset ja materiaalivalinta
- 4 Lisämateriaalit perheen tai lasten ripustettavan puisen keinun luomiseen
- 5 Puutarhan keinu piirustukset: kuinka tehdä perheen rakenne omin käsin
- 6 Kuvia lasten keinuista, jotka on valmistettu puusta omin käsin ja miten ne luodaan
Ominaisuudet luoda puinen keinu kesämökille: ominaisuudet ja rakennetyypit
Kolme päämateriaalia käytetään useimmiten puutarhakiinnityksen luomiseen. Tämä luettelo sisältää puuta, muovia ja metallia. Epäilemättä jokaisella näistä materiaaleista on omat etunsa ja haittansa. Mutta mitä tulee puutarhan keinu piirustuksiin, et löydä käytännöllisempiä ja kätevämpiä raaka-aineita kuin puu.
Puukävyllä on vain yksi haittapuoli, joka koskee kaikkien puusta valmistettujen tuotteiden toimintaa. Negatiivisten ympäristötekijöiden vaikutus voi vakavasti vaikuttaa tällaisiin rakenteisiin ilman asianmukaisia suojatoimenpiteitä.

Omilla käsilläsi voit tehdä erilaisia keinu ja kääntää omat ideasi todellisuuteen
Hyödyllisiä neuvoja! Puun ennenaikaisten vaurioiden estämiseksi riittää, että rakenne asennetaan katoksen alle tai venytetään markiisi sen päälle. Tämän ansiosta suojaat keinu sateen ja auringon haitallisilta vaikutuksilta. Erityiset suoja-aineet ja antiseptiset yhdisteet ratkaisevat ongelman loisten, sienien, hajoamisprosessien ja kosteuden kanssa.
Puutarhakiinnityksen tekemisen edut omin käsin
Puulla on erinomaiset tekniset ja toiminnalliset ominaisuudet. Tämän materiaalin ominaisuuksien ansiosta voit luoda todella mukavan ja kauniin muotoilun.
Puusta tehdyn tee-se-itse-puutarhakiinnityksen ominaisuudet:
- ympäristöystävällisyys. Koska puu kuuluu luonnollista alkuperää oleviin materiaaleihin, siitä valmistetut tuotteet ovat täysin turvallisia ihmisten terveydelle;
- ulkoinen estetiikka. Rakenteet sopivat mihin tahansa maiseman ja puutarhan suunnitteluun, koska suurin osa ympäristöstä koostuu luonnonmateriaaleista (kivi, puu) ja kasvillisuudesta. Metallituotteisiin verrattuna puurakenteet ovat esteettisesti huomattavasti parempia ja ne voivat tukea minkä tahansa maalaistalon ulkopuolta;
- turvallisuus. Puun pehmeyden ansiosta sitä on helppo käsitellä ja käyttää, se voi vähentää vammojen määrää. Tämä etu on edullisin, jos aiot viimeistellä rakenteen lasten keinu;
- yksinkertainen asennusjärjestelmä. Jokainen, jolla on yksinkertaisimmat taidot rakentamisessa ja puun käsittelyssä, voi olla mukana rakentamassa keinu.
- monipuolisuus. Tämän tyyppinen materiaali soveltuu melko helposti erilaisille käsittelyille (jauhaminen, leikkaaminen, leikkaaminen). Tämän ansiosta voit tehdä minkä tahansa puusta tehdystä tee-se-itse-puutarhakiinnikkeestä, jonka valokuvan pidät eniten, ottamatta asiantuntijoita mukaan tähän prosessiin. Puun avulla voit tehdä yhden istuttavan rakenteen tai keinuja suurella kapasiteetilla, jotka on valmistettu sohvina.
Huomautus! Materiaalihankintakustannukset eivät ole korkeat. Tämän lisäksi itse luomalla tuotteita säästät käsityöläisten palveluissa.
Tee-se-itse-puukenkä: valokuvia ja piirustuksia, kokoja ja muutoksia
Jos päätät aloittaa keinun luomisen mökillesi itse, sinun on ensin päätettävä asennettavan rakenteen tyyppi ja määritettävä sopiva paikka sen sijoittamiseen. Suunnittelu- ja valmisteluvaiheen helpottamiseksi ja nopeuttamiseksi käytä valokuvaa puusta tehdystä tee-se-itse-swingistä, josta Internetissä on paljon piirustuksia.
Erilaiset puutarhakiinnikkeet omin käsin puusta
Puutarhakiinnityksen luokitus on melko laaja. Tässä tapauksessa esitetään pääasialliset rakennetyypit:
- perhe - on suuri kapasiteetti. Suunnittelu perustuu pitkään penkki, jolla on suuri istuin, johon mahtuu samanaikaisesti jopa 5 henkilöä. Useimmissa tapauksissa tällainen keinu on varustettu omalla katolla, joka suojaa auringonvalolta ja huonolta säältä;
- lasten muotoiluun voi tehdä huomattavan määrän muutoksia. Useimmiten tällaisen tuotteen pääkomponentit ovat tuet, pieni istuin ja kiinnikkeet. Samanaikaisesti on tärkeää varmistaa lapsen täysi turvallisuustaso. Tätä tarkoitusta varten on suunniteltava suojaelementit, jotka estävät vauvaa putoamasta.Näitä elementtejä ovat mukava selkänoja, kaiteet sivuilla, väliseinä edessä, turvavyöt, jotka kiinnittävät lapsen istuimen sisään;

Alkuperäinen vauva keinu valmistettu puusta hevosen muodossa
- kannettavat - pienikokoiset ja kevyet tuotteet. Nämä ominaisuudet mahdollistavat sen, että keinu siirretään paitsi ympäri aluetta, mutta myös laittaa se autoon kuljetettavaksi toiseen paikkaan levon aikana. Tällaisten tuotteiden kiinnitys tapahtuu pääsääntöisesti puun oksalle tai valmiiksi valmistetulle alustalle.
Paikan valitseminen lasten keinun sijoittamiseksi omin käsin puusta
Kaikenlainen esikaupunkialueella toteutettava rakentaminen alkaa suunnitteluvaiheesta ja sopivan paikan valinnasta.
Huomautus! Periaate, jonka mukaan rakennuspaikan valinta tehdään, ei koske vain puusta tehtyjä lasten keinuja. Nämä vaatimukset koskevat myös muita malleja.
Takapihalle tulisi valita mahdollisuuksien mukaan tasaisen pinnan tontti. On toivottavaa, että tämä alue on suojattu auringolta ja sateelta. Ihanteellinen paikka luoda keinu on puun alla, johon paksu varjo putoaa. Asennus kuistilla suojatulle kuistille on sallittua.
Kaikki nämä olosuhteet vaikuttavat suoraan käyttömukavuuteen, koska on epämiellyttävää ja hankalaa istua kääntyvällä istuimella kuumalla auringossa. Esteetön sateelle altistuminen voi vahingoittaa rakennetta.
On myös syytä ottaa huomioon, että kun aurinko liikkuu taivaan yli, puun tai muiden esineiden varjo liikkuu. Asennusta varten sinun tulee valita paikka, jossa varjo seisoo keskipäivällä. Tämän päivän segmentin aikana aurinko vaikuttaa voimakkaimmin ja aggressiivisemmin.
Piirrokset ja valokuvat puutarhakiinnityksestä omin käsin puusta kesäasuntoon
Jos puhumme yleismaailmallisista rakenteista, A-muotoisiin tukiin asennetusta ripustetusta swingistä tulee todellinen virkistys koko perheelle. Lisäksi ne voidaan asentaa sekä suuriin kesämökeihin että talon lähellä oleviin pieniin puutarhoihin. Ja prosessi itsessään ei ole kallista resursseilta, ajalta ja vaivalta.
Huomautus! Tietysti on paljon helpompaa ja nopeampaa ostaa valmis rakenne myymälästä. Mutta tässä tapauksessa on epätodennäköistä, että se täyttää kaikki vaatimukset suunnittelun, koon jne. Suhteen. Puutarhakiinnityksen luominen puusta omien piirustusten mukaan antaa rakenteelle kaikki tarvittavat ominaisuudet.
Puinen keinu tee itse -rakennus kesämökille: piirustukset ja materiaalivalinta
Alkuvaiheessa valmistellaan materiaaleja puutarhakiinnityksen luomiseen omin käsin, jonka valokuva pidit eniten.Piirustusten perusteella voit helposti ymmärtää, kuinka monta aihiota rakenteen kokoamiseen tarvitaan ja mitkä niiden pitäisi olla.
Mittataulukko aihioiden luomiseksi:
Yksityiskohta rakentamisessa | Työkappaleen poikkileikkauksen mitat, cm | Lopullinen pituus, cm | Tarvittava määrä aihioita, kpl. |
Rungon osa rakennetta | |||
Välikappale (ylhäältä) | 4,5x14 | 23 | 2 |
Välilevy (alaosa) | 4,5x14 | 96 | 2 |
Jalka | 4,5x9 | 198,7 | 4 |
Rigel | 4,5x14 | 210 | 1 |
Istuimen yksityiskohdat | |||
Takapylväs | 3,5x7 | 60 | 2 |
Baari (tuki) | 3,5x7 | 95,5 | 2 |
Baari (istuimelle) | 3,5x7 | 120 | 2 |
Käsinojat | 3,5x7 | 60 | 2 |
Selkänojan lankku | 2,5x7 | 130 | 2 |
Käsinojan tuki | 3,5x7 | 27,5 | 2 |
Istuinnauha | 2,5x7 | 128,4 | 8 |
Yläpalkki | 2,5x9 | 130 | 1 |
Lisäksi yllä olevien aihioiden yhdistämiseksi yhdeksi rakenteeksi tarvitset kiinnittimiä, joilla on erilaiset parametrit.
Aiheeseen liittyvä artikkeli:
Piirrokset ja valokuvat puutarhakiinnityksestä omin käsin metallista: mitat ja ohjeet luomiseen. Suositukset rakenteen asennukselle, jonka katos on valmistettu solupolykarbonaatista. Metallituotteiden luokitus.
Lisämateriaalit perheen tai lasten ripustettavan puisen keinun luomiseen
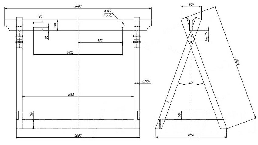
Rakenteen lopulliset mitat ovat: 2,1 m (leveys), 1,235 m (syvyys) ja 1,9 m (korkeus). Raaka-aineena on suositeltavaa käyttää kyllästettyä mäntyä.
Kiinnittimien mittataulukko:
Kiinnittimen tyyppi | Mittaparametrit, mm |
Sinkitetyt ruuvit | 8x65 |
Ruuvit (24 kpl.) | 8x50 |
Puuruuvit | 8x38 |
Ruuvit (8 kpl.) | 10x75 |
Kynnet (katto) | 2,5x40 |
Kynnet (kupera pää) | 2,5x65 |
Neliönmuotoiset ruuvit ja aluslevyt heille (8 kpl.) | 8x100 |
Pyöröpultit ja mutterit heille (2 kpl.) | 10x125 |
Silmänpultit aluslevyillä ja lukkomuttereilla (6 kpl) | 100 |
Hyödyllisiä neuvoja! Valmista viimeistelyyn etukäteen sopiva puunsuoja-aine ja materiaalit. Nämä kohdat suunnitellaan tulevan rakenteen suunnitteluvaiheessa.
Kiinnittimien lisäksi tarvitset useita lisämateriaaleja: pari puulokeroa kulma-alueelle (pituus 38 cm), hiekkapaperi, jonka karkeus on 120, koukut turvasalpalla (6 kpl, 5 mm), 4,4 m ketju (linkkien paksuus 2) cm).
Puutarhan keinu piirustukset: kuinka tehdä perheen rakenne omin käsin
On suositeltavaa valita talon takaosa keinut sijoittamaan. Vaikka sivustosi olisi aidattu meluiselta kadulta ja naapureilta, tämä alue on silti mukavin ja hiljaisin. Takapiha on useimmiten varustettu rentoutumiseen, ja voit käyttää sitä turvallisesti perhe- tai lastenpuukeittiön asentamiseen kesämökille.
Tuotteen pohjan merkitseminen
Tuen saamiseksi sinun on leikattava poikkipalkki määritettyyn kokoon pyörösahalla. Merkit tehdään 15 cm: n etäisyydelle kummastakin päästä ja piirretään suora viiva. Sen tulisi kulkea palkin kaikkia reunoja pitkin. Tätä viivaa pidetään A-muotoisen tuen ulkopinnana.
Jalkojen päähän tulee kiinnittää viistot leikkaukset. Tätä varten neliötä pidetään yhdessä kattotappien kanssa. Yhden tapin asennus suoritetaan suuremmalle jalalle (316 mm: n etäisyydelle kulmasta) ja toinen - pienemmälle (97 mm: n etäisyydelle kulmasta). Jalka on asetettu reunalle ja merkitty neliön sijainnilla. Sinulla pitäisi olla viiste alaleikkausta varten.
Sen jälkeen neliön hallitsijan sijainnit on merkitty jalkojen reunaan. Tätä varten sinun on siirrettävä neliötä jalkaa pitkin osoittamaan suuntaan viivaimen edelliseen asentoon. Merkitsemällä viivaimen pituuden voit siirtää neliötä eteenpäin.
Huomautus! Tämä toimenpide suoritetaan, kunnes neliö on kohdistettu 6 kertaa.
Viimeinen viivain on tarkoitettu palkin leikkaamiseen. Nämä paikat on merkitty suorilla viivoilla, jotka johtavat jalan molemmille puolille. Kuvion tekemiseksi sinun on sahattava materiaali käsittelemättömältä puolelta.
Rakenteen tukiosan leikkaaminen
Jos haluat sahata materiaalin rautasahalla, sinun on ensin laitettava se reunalle ja kiinnitettävä sahalaatikkoon. Leikkaus suoritetaan tiukasti merkinnän mukaisesti. Muista hallita osapuolia. Tämä pätee erityisesti yläleikkausalueeseen. Joskus viisteen suuntaaminen on välttämätöntä. Tätä varten riittää, että leikkauksen loppuosa käsitellään tasolla.
Toisen jalan muodostamiseksi sinun on laitettava ensimmäinen siihen, joka on liitettävä liitokseen. Sen jälkeen kaikki viiste- ja pituusmerkit siirretään toiseen jalkaan ja sahataan merkintöjä pitkin.
Sitten molemmat jalat asetetaan reunalle siten, että kärjen päätyosat sijaitsevat poikkipalkin vastakkaisilla puolilla. Jalkojen alaosaa työnnetään sivuille, kunnes muodostuu 1,2 m etäisyys, ja näiden osien yläosan on oltava kosketuksessa poikkipalkin kanssa. Tarkista suorat reunat viistojen tarkistamiseksi. Tee tarvittaessa säätöjä.
Jalkojen pohjasta mitataan 50 cm: n etäisyys ja asetetaan alempi tanko. Seuraavaksi siirretään jalkojen viivat sekä tangon ylä- ja alaosat vastaaviin osiin. Sen jälkeen yläpalkki asetetaan jaloillesi. Tämä on tehtävä siten, että se sijaitsee 15 cm alempi kuin poikkipalkki kulkee, ja on yhdensuuntainen ensimmäisen tangon kanssa. Merkintä suoritetaan täsmälleen samalla tavalla kuin edellisessä versiossa.
Tämän jälkeen tangot poistetaan ja merkinnät kohdistetaan pintaan. Annetuissa pisteissä nämä elementit on leikattava vaadittuun pituuteen.
DIY puutarhakiinnityspiirustukset: tuen kokoaminen
Seuraava rakennusvaihe on tarkistaa sopivuus. Merkinnät siirretään neliön avulla jalkojen sisäpuolelle.
Hyödyllisiä neuvoja! Voit käyttää näitä 4 kappaletta toisen sivurungon näytteinä. Se kootaan samalla tavalla.
Malli asetetaan 22 mm: ksi ja merkinnät tehdään kohtisuorien viivojen väliin kummankin jalan sisäpuolelle.
Muut toimet suoritetaan seuraavassa järjestyksessä:
- jalan ulkopuolelta ajetaan sisään naula, jossa on kupera pää (25x65 mm);
- nivelten ja naulojen asentaminen runkoon;
- reikien muodostus poralla, jonka halkaisija on 8 mm. Reiän tulisi päästä kunkin tangon pään keskiosaan;
- asennusreiän muodostaminen poralla, jonka halkaisija on 4,5 mm. Tämä on tehtävä mahdollisimman syvälle tankojen päätyosaan;
- kiinnitä osat asennusreiän läpi neliöruuveilla, joissa on 8x100 mm aluslevyt. Sinun on tehtävä tämä toimenpide kaikkien palkkien kanssa;
- sijoittaa poikkipalkki sopivaan paikkaan rungon yläosaan;
- rungon reunojen kohdistus poikittaispalkin kohtisuorien merkintöjen kanssa;
- muodostetaan halkaisijaltaan 10 mm reikä palkkiin ja molempiin jaloihin;
- kiinnitysosat pyöreällä pultilla (125x10 mm) ja mutterilla;
- palkin ja jalan välisten kulmien tarkastaminen;
läpireikien muodostuminen jalkaan, jonka halkaisija on 4,5 mm, 30 mm: n etäisyydellä palkin pohjasta.Kiinnitysosat ruuveilla (65 mm). Samanlaiset toimet suoritetaan yläosassa. Vain tässä tapauksessa kiinnitykseen käytetään muita ruuveja (38 mm).
Seuraavaksi sinun on liitettävä yläpalkki ja poikkipalkki. Välikappale on kiinnitetty 65 mm: n läpimenevällä ruuvilla. Tämän elementin yläosa on kiinnitetty päätyosan palkin alareunaan 38 mm: n ruuvilla esiporattuun reikään (4,5 mm).
Istuimen tekeminen puutarhakiinnitykselle omin käsin puusta
Istuimen luomistekniikka toteutetaan vaiheittain L-muotoisen, 40-50 mm: n levyisen rungon perusteella.
Huomautus! Tee-se-itse-piirustukset puusta tehdystä lasten keinusta ovat monin tavoin samanlaisia kuin perinteiset perhetyyppiset mallit. Vasta sitten voit lyhentää istuinta tekemällä keinusta yhden istuttavan tai lisätä useita valjaita, joilla jokainen lapsi kiinnitetään isoon istuimeen.
Vaiheittaiset ohjeet istuimen tekemiseen:
- Levyistä tulisi muodostaa 3 runko-osaa penkkiä varten. Niiden on oltava L-muotoisia. Kiinnitys suoritetaan itsekierteittävillä ruuveilla. Käytä puusepäntyökaluja sovittamaan kehys selkärangan kaarevuuteen. Tämän ansiosta voit saavuttaa mukavan asennon selällesi ajon aikana;
- runko-osat tulisi sijoittaa penkin pituudelle samalla korkeudella. Pidä niitä yhdessä ohuella laudalla. Tuloksena oleva rakenne on perusta penkin luomiselle. Se osa, jossa pystysuora sijoitus on, on takaosa, vaakaosa on istuin;
- loput istuinalue on täytetty laudoilla. Poraa niihin esireiät, jotta ruuvit voidaan ruuvata sisään ja estää halkeamia. Varmista, että levyt ovat samalla etäisyydellä ja samalla pituudella;
- jauhaa pinta hiomakoneella. Tämän ansiosta voit poistaa epätasaisuudet ja rypyt puusta;
- kiinnitä käsinojat.
Kuva puinen keinu kesämökille omin käsin ja roikkumisprosessi
Istuimen ripustamiseksi sivuosassaan (suunnilleen keskellä) on asennettava ruuvit ja renkaat. Kaksi muuta rengasta on kiinnitetty tangon pohjaan. Näitä elementtejä käytetään kiinnittämään tuki ja keinu ripustimilla. Tässä tapauksessa käytetään ketjuja.
Pääosien väliset liitososat ovat karabiinit. Ripustimien pituus on asetettu mieleisekseen. Optimaalinen korkeus penkin sijoittamiseksi on 30 cm maanpinnan yläpuolella.
Hyödyllisiä neuvoja! Ketjut voidaan korvata köydellä tai vahvalla köydellä. Tämän korvaamisen perustelu on, että köysi tai köysi tuottaa paljon vähemmän melua kuin ketjut. Mutta on syytä muistaa, että myös niiden käyttöikä lyhenee metallielementteihin verrattuna. Köysi venyy ajan myötä painokuormien vaikutuksesta, joten joudut korjaamaan ajoittain swingin korkeuden.
Rakentamisen viimeinen vaihe
Seuraava rakennusvaihe on lopullinen. Valmiiden rakenteiden suojaamiseksi keinu on käsiteltävä lakalla. Se tarjoaa sileän pinnan, säilyttää puun luonnon kauneuden ja pidentää tuotteen käyttöikää.
Henkilökohtaisista toiveista riippuen keinu voidaan maalata haluamallasi värillä tai voit asentaa pienen katoksen. Osoita tässä mielessä vähän mielikuvitusta, ja voit luoda ainutlaatuisen teoksen.
Lisää mukavuutta, voidaan laittaa päälle penkki tyynyt tai pieni patja istuvuuden lujuuden vähentämiseksi. Se tulisi mitoittaa istuimen koon mukaan. Jokaista, joka tuntee pehmustettujen huonekalujen valmistustekniikan, voidaan neuvoa soveltamaan näitä taitoja keinuun luodessaan. Tee pehmeästä paitsi istuimesta myös selkänoja ja käsinojat, jos ne ovat mukana suunnittelussa. Älä unohda, että pehmeä verhoilu on mahdollista vain, jos tuote sijaitsee katon tai katoksen alla.
Kuvia lasten keinuista, jotka on valmistettu puusta omin käsin ja miten ne luodaan
Lasten suunnitteluvaihtoehtoja on paljon helpompi suorittaa, koska heille asetettavat painokuormitukset ovat paljon pienemmät. Toisaalta tässä tapauksessa turvallisuusstandardeja tulisi noudattaa tiukasti, koska lapset ovat erittäin liikkuvia ja voivat heilua eri tavoin.
Päiväkodin keinu tekeminen omin käsin: videoita ja erilaisia valmistusmenetelmiä
Puutarhan suosituimpia malleja pidetään ripustettuna keinuna. Lapsille tarkoitettujen tuotteiden luomiseen on useita yksinkertaisia menetelmiä.
Ensimmäisen tekniikan mukaan puupenkkiä käytetään leveän ja paksun levyn muodossa. Siihen tehdään reikiä (pari kummallakin puolella), jossa köysi ohitetaan. Tämä tehdään siten, että jousitus venytetään yhdeksi reiäksi ja poistuu toisesta, joka sijaitsee lähellä.
Hyödyllisiä neuvoja! Rakenteen lujittamiseksi, jotta levy ei rikkoutuisi reikien sijaintialueelle, istuimen alle voidaan asentaa ylimääräinen levy, jossa on läpikuultavat urat kummallekin puolelle. Nämä reiät tulisi sijoittaa täsmälleen istuimeen tehtyjen reikien alle. Köysi kulkee kaikkien pariksi muodostettujen reikien läpi.
Puolet pyöristetystä tukista käytetään istuimena kolmannella menetelmällä luodulle rakenteelle. Se tulisi leikata pituussuunnassa. Tämän tyyppistä istuinta pidetään erittäin kestävänä, mutta se vaatii huolellista käsittelyä. Tukin pinta on hiottava ja kiillotettava, jotta oksat ja purseet voidaan poistaa.
Suunnittelussa lasten keinut eivät aseta vakavia rajoituksia. Voit luoda ne käyttämällä mitä tahansa käsillä olevia materiaaleja. Esimerkiksi köysi voidaan korvata ketjulla, istuimena käytetty puulauta voidaan korvata tuolilla sen jalkojen irrottamisen jälkeen. Varmista, että käytät kirkkaita värejä, koska lasten väreissä on paljon värejä.