Les débris végétaux sous forme d'herbe et de branches sont un compagnon inévitable du jardin. Il n'est pas pratique de jeter ou de brûler de tels déchets, car il est possible d'en obtenir un engrais naturel. Il suffit de le broyer à l'état de copeaux. Un broyeur de jardin peut gérer cette tâche avec facilité. Cependant, s'il n'y a pas d'opportunité financière pour l'acheter, vous pouvez fabriquer un broyeur de jardin de vos propres mains. Comment faire - cet article vous le dira en détail.
Contenu
- 1 Broyeur de jardin bricolage: éléments structurels de base
- 2 Étapes de la création d'un broyeur de branches de jardin de vos propres mains
- 3 Création d'une déchiqueteuse avec un paquet de lames de scie empilées
- 4 Création d'un broyeur à disques à lames
- 5 Instructions d'assemblage pour le déchiqueteur à double rouleau
- 6 Comment fabriquer un hachoir à partir de déchets
- 7 Subtilités lors du choix d'un moteur pour un broyeur
- 8 Les principaux avantages des broyeurs de jardin maison
Broyeur de jardin bricolage: éléments structurels de base
Broyeur de jardin, il est déchiqueteur ou déchiqueteur, facilite grandement le processus d'entretien d'un chalet d'été. Avec son aide, vous pouvez facilement dégager la zone des branches et de l'herbe. Les matières premières recyclées peuvent être stockées dans fosse à compost pour obtenir un engrais naturel. Il est conseillé d'utiliser le petit bois obtenu comme bois de chauffage pour chauffer la maison. Les chips déchiquetées d'arbres fruitiers sont idéales pour fumer la viande.
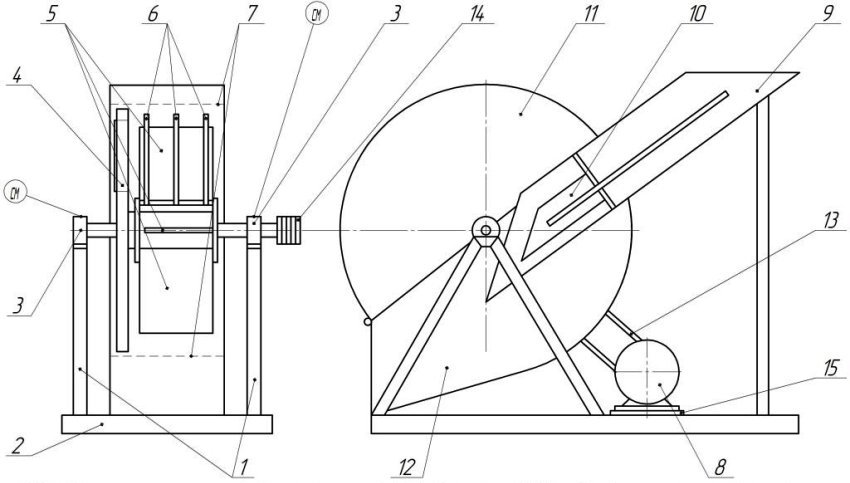
Conception broyeur de jardin assez simple. Il se compose des parties principales suivantes:
- bunker;
- conduire;
- mécanisme de broyage;
- cadre métallique avec couvercle de protection.
Certains modèles peuvent être équipés d'éléments supplémentaires:
- bunker pour déchets organiques déchiquetés;
- poussoir;
- un tamis pour réguler la fraction de copeaux.
Le principe de fonctionnement de tout hachoir est le même que celui d'un hachoir à viande et est le suivant. Lorsque le broyeur est mis en marche, le moteur démarre, ce qui entraîne l'arbre de travail équipé du mécanisme de coupe. À ce moment, les débris de jardin tombent dans l'entonnoir de réception et sont écrasés en un état de copeaux fins à l'aide d'un dispositif de coupe.
Conseil utile! Lors de l'exécution de travaux liés au traitement des déchets de jardin, un équipement de protection individuelle doit être utilisé - lunettes, gants, etc.
Mécanisme de hachage
Avant de commencer à créer un broyeur maison, vous devez définir clairement le type de déchets qu'il recyclera.Cela dépend directement de ses caractéristiques de conception et de ses performances. Les broyeurs de jardin sont classés selon trois paramètres principaux: le type et la puissance du moteur et le type de broyeur.
Les options de coupe suivantes sont disponibles:
- fraisage, pour le traitement du bois dur;
- couteau universel;
- rouleau, pour broyer les fines branches d'arbres et d'arbustes;
- avec turbines rotatives pour broyer les branches épaisses;
- marteau, pour l'élimination des fines branches;
- coupe-fil pour débris mous.
Lors de l'auto-assemblage de la déchiqueteuse, la préférence est donnée à un système de couteaux ou à un type de scie circulaire. Vous pouvez créer une conception à deux rouleaux, dans laquelle deux ou trois couteaux sont installés sur un disque massif et tournent l'un vers l'autre.

Différents types de mécanismes de meulage: 1 - marteau, 2 - fraisage, 3 - fraisage à couteaux et turbine, 4 - disque à couteaux
Type de moteur et puissance
Le broyeur peut être équipé d'un moteur électrique ou à essence. Chacun d'eux présente des avantages importants et des inconvénients. Le hachoir de jardin à essence est plus mobile. Son fonctionnement est indépendant de l'alimentation électrique. Il est capable de traiter des branches plus épaisses et plus grosses. Cependant, ces déchiqueteuses sont plus encombrantes et lourdes. De plus, ils émettent des substances nocives dans l'atmosphère au cours de leurs activités.
Les broyeurs à moteur électrique sont plus légers et plus pratiques à utiliser. Cependant, ils sont inférieurs en termes de puissance et dépendent de la ressource énergétique.
La capacité de recycler un certain type de déchets de jardin dépend de la puissance du moteur. Pour les petits volumes de déchets, où le diamètre des branches ne dépasse pas 20 mm, un moteur de 1,5 kW suffit. S'il est nécessaire de moudre des branches d'une épaisseur de 20 à 40 mm, il est conseillé d'utiliser un moteur d'une puissance d'au moins 3,5 à 4 kW. Les broyeurs équipés d'un moteur de 6 kW pourront faire face à du gros bois de 100 à 150 mm de diamètre.
Une autre caractéristique de conception des broyeurs est le type d'entraînement. Cette fonction peut être réalisée par une chaîne, une courroie ou l'arbre du moteur lui-même, sur lequel le mécanisme de couteau est fixé.
Étapes de la création d'un broyeur de branches de jardin de vos propres mains
Fabriquer une déchiqueteuse de vos propres mains est un processus très laborieux qui nécessite des connaissances techniques et un haut niveau de compétences pratiques du maître. L'ensemble du travail se compose de deux étapes. Le premier, préparatoire, consiste à créer de vos propres mains le dessin d'un broyeur de jardin et à acheter le matériel nécessaire. La deuxième étape est l'assemblage du broyeur lui-même.
Créer un dessin de déchiquetage
Le dessin peut être fait à la main ou utiliser un programme de conception spécial sur un ordinateur. La structure principale du broyeur se compose d'une trémie, d'un châssis, d'un moteur, d'un arbre avec un mécanisme de couteau et d'un couvercle de protection.
Des exemples à faire soi-même de dessins de broyeurs de branches montrent clairement que divers mécanismes de broyage peuvent être utilisés pour le système de coupe.
Dans le cas de l'utilisation d'un ensemble de scies circulaires, le dessin de la meuleuse sera assez simple. Un arbre avec des scies circulaires fixes d'un montant de 15 à 30 pièces est installé sur un cadre métallique, qui est entraîné par un moteur utilisant un entraînement par courroie. Pour ce faire, des poulies sont situées aux extrémités de l'arbre et du moteur. Comme le montrent les dessins de la déchiqueteuse à faire soi-même, les branches pour chauffer une maison sont déchiquetées avec précision grâce à un tel système de coupe.
Conseil utile! Pour un fonctionnement plus efficace du broyeur, des entretoises minces en plastique ou en métal doivent être installées entre les scies circulaires.
Pour créer une déchiqueteuse avec un système de déchiquetage de disques à couteaux, le dessin indique le diamètre du disque de coupe, le nombre de couteaux et leur emplacement.Le disque lui-même peut être placé verticalement ou sous un certain angle. Le nombre de couteaux affecte le degré de hachage. Ils peuvent être de 1 à 3 pièces.
Il existe une option pour créer une déchiqueteuse avec deux arbres. Vous pouvez vous familiariser avec un tel système de broyage dans la vidéo. Les dessins de bricolage d'un hachoir à branches avec un système de coupe à deux rouleaux se distinguent par la présence de deux arbres avec des couteaux à la fois, situés entre les plaques métalliques. Chaque arbre est équipé de 3-4 couteaux. Les couteaux eux-mêmes sont fixés avec des boulons et décalés sur le côté par rapport au centre de l'arbre.
Quatre roulements sont fixés dans les trous des plaques métalliques, qui sont responsables de la libre rotation des arbres. Et deux vitesses, entraînées par un moteur, assurent leur rotation synchronisée. Le couple du moteur à la transmission est transmis par une chaîne ou une courroie. La distance entre les arbres est choisie en fonction de la largeur des couteaux et de l'épaisseur des branches.

Dispositif de broyage: 1 - gaine de châssis, 2 - châssis, 3 - carter d'engrenages, 4 - arbre de travail, 5 - arbre d'entraînement, 6 - courroie trapézoïdale, 7 - moteur électrique, 8 - plateau tournant
Conseil utile! La coupe de petites branches et d'herbe nécessite des moteurs à haute vitesse. Et pour couper de plus grosses branches, la force est importante. Ici, il est nécessaire de réduire le nombre de tours pour les moteurs puissants.
Matériel nécessaire à la fabrication d'un broyeur
Pour fabriquer une déchiqueteuse de jardin, où un ensemble de scies circulaires agit comme un système de hachage, vous devez acheter les composants suivants:
- scies circulaires au montant de 15-20 pcs. diamètre 18 cm;
- moteur;
- 2 poulies;
- 2 roulements avec attaches;
- rondelles métalliques en quantité de 17 à 22 pièces jusqu'à 5 mm d'épaisseur pour séparer les scies circulaires;

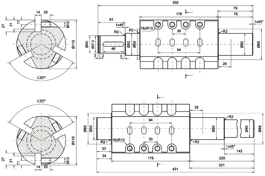
Dispositif d'arbre de travail (entraîné): 1 - douille, 2 - arbre, 3 - élément de coupe, 4 - vis M12 x 35 mm avec hexagone interne, 5 - rondelle élastique А12, 6 - circlip 40 x 2,5 mm, 7 - engrenage MSGA4-50, 8 - roulement n ° 6210
- tubes profilés pour créer un cadre;
- tôle d'une épaisseur d'environ 2 mm pour la trémie et le caisson.
Pour une déchiqueteuse avec un disque à couteaux, vous aurez besoin de:
- moteur;
- tôle de 2 mm d'épaisseur;
- feuille de métal et couteaux pour le disque.
Pour créer un broyeur à double arbre, vous devez acheter les matériaux suivants:
- moteur à essence ou électrique;
- deux plaques métalliques de 10 mm d'épaisseur:
- une paire d'engrenages pour assurer le mouvement synchrone des arbres;
- un engrenage ou une poulie pour transmettre le couple du moteur aux arbres;
- une poulie pour l'arbre du moteur;

Dispositif d'arbre de transmission: 1 - bague de retenue 30 x 2 mm, 2 - pignon MSGВ4-15, 3 - douille, 4 - arbre, 5 - roulement n ° 6207, 6 - poulie menée
- 5 roulements avec fixations;
- couteaux à hacher;
- tubes profilés pour créer un cadre;
- tôle d'au moins 2 mm d'épaisseur pour créer une trémie de réception et un couvercle de protection.
Article associé:
Broyeur de jardin électrique de branches et d'herbe: un aperçu des modèles populaires
Le choix d'un appareil pour les indicateurs techniques. Comment fabriquer soi-même une déchiqueteuse à partir de déchets.
Comme le montre la liste présentée, la conception d'une meuleuse à disque est la plus simple et la plus abordable. Cependant, ce broyeur peut déchiqueter des branches jusqu'à 20 mm de diamètre. Mais la déchiqueteuse à deux arbres peut facilement supporter du gros bois d'un diamètre allant jusqu'à 80 mm.
Assemblage du déchiqueteur
Ayant tous les éléments nécessaires, vous pouvez commencer en toute sécurité à créer de vos propres mains la conception d'un déchiqueteur de branches de jardin en fonction du dessin terminé. L'assemblage d'un broyeur de jardin, quel que soit le type de conception du mécanisme, se compose de plusieurs étapes successives:
- Installation du cadre.
- Création de bunker.
- Assemblage du mécanisme de hachage.
- Installation du moteur et du dispositif de coupe sur le châssis.
Création d'une déchiqueteuse avec un paquet de lames de scie empilées
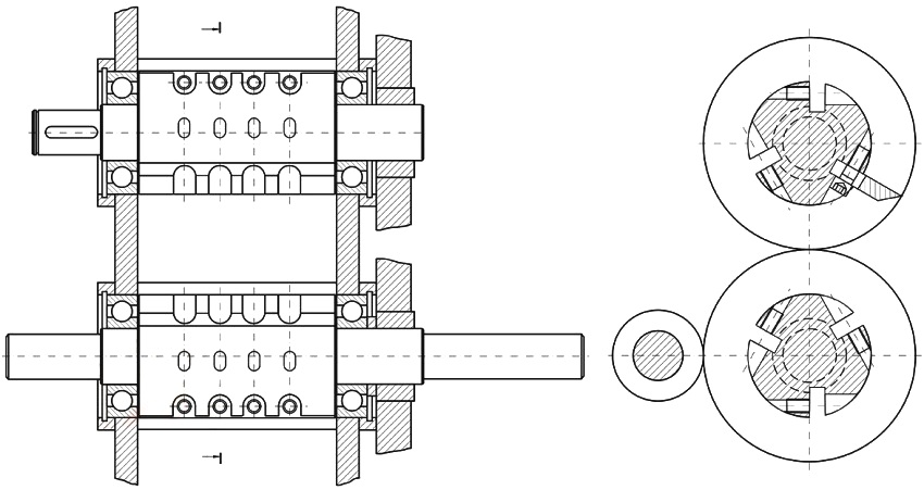
Le mécanisme de déchiquetage de ces déchiqueteurs se compose de scies circulaires qui, en alternance avec des rondelles d'espacement, sont montées sur l'arbre.Chaque disque a une variété de dents qui peuvent manipuler même le bois dur. Par conséquent, il traitera l'herbe molle, les sommets et les feuilles en quelques minutes. Lorsque les dents de scie sont émoussées, elles peuvent être facilement remplacées par de nouvelles.
L'arbre du broyeur peut être tourné sur un tour ou utilisé prêt à l'emploi à partir de la boîte de vitesses d'une vieille voiture. La distance entre les scies adjacentes doit être d'environ 10 mm. Un espace plus petit réduira la zone de travail de la déchiqueteuse. Faire un espace plus grand aura tendance à coincer les petites branches.
Conseil utile! Les dents de scie ne doivent pas être situées sur la même ligne, en les fixant sur l'arbre. Mieux vaut les définir au hasard. Cela réduit la charge sur l'arbre et le moteur du broyeur.
Il est préférable d'utiliser un moteur électrique, qui est pratiquement silencieux pendant le fonctionnement et n'émet pas de substances nocives dans l'atmosphère. Pour écraser des matériaux grossiers, vous pouvez utiliser tracteur à conducteur marchantqui a beaucoup de puissance. Le moteur doit être placé sur un support mobile afin que la tension de l'entraînement puisse être ajustée.
Le cadre du broyeur peut être soudé à l'aide de canaux, d'angles ou de tubes métalliques profilés. Une barre profilée métallique persistante peut être soudée à la base de la structure, qui deviendra un support pour les tiges et les branches lors du concassage. Lors de la création de socles pour roulements, il est important de ne pas biaiser. Les axes du moteur et de l'arbre doivent être dans des plans parallèles.
La conception du bunker mérite une attention particulière. Il peut être en tôle. Le conteneur doit être suffisamment solide pour résister à l'impact des éclats volants des branches. A l'aide d'une plaque de base mobile dans le corps de la trémie, il est possible d'ajuster la taille des copeaux. Ainsi, des fragments plus petits conviennent à la fertilisation et des copeaux plus gros conviennent au petit bois.
La taille de la douille de réception doit être plus grande que la longueur des bras pour les protéger des dommages. Cela contribue également à la capacité de guider les branches dans la déchiqueteuse à un angle confortable.
Un tel broyeur de branches et d'herbe à faire soi-même est capable de gérer à la fois les déchets mous et le bois dur et épais. Cependant, son principal problème est le colmatage de l'espace entre les scies, qui nécessite un nettoyage régulier.
Création d'un broyeur à disques à lames
Vous pouvez créer un tel hachoir à herbe de vos propres mains à partir de déchets. Comme il est conçu pour écraser les débris mous, sa conception sera très simple, mais il n'aura pas un indice de résistance élevé. Vous pouvez souder une trémie en tôle ou utiliser un seau métallique ordinaire. Un cas d'un ancien fan fonctionnera également.

Dessin d'assemblage d'un broyeur avec un disque à couteaux: 1 - couteaux 4 pièces, 2 - coupe-disque, 3 - roulements N ° 307
Pour créer un système de coupe sur un disque métallique, les couteaux sont insérés dans des fentes spéciales, qui peuvent être préfabriquées à partir d'un ressort à lame d'une voiture. Le disque est monté sur l'arbre. Vient ensuite la boîte de réception. Pour un tel broyeur, un moteur de faible puissance de 1 kW convient. Tous les détails de la création d'un hachoir à herbe électrique de jardin de vos propres mains peuvent être visionnés dans les vidéos proposées sur Internet.
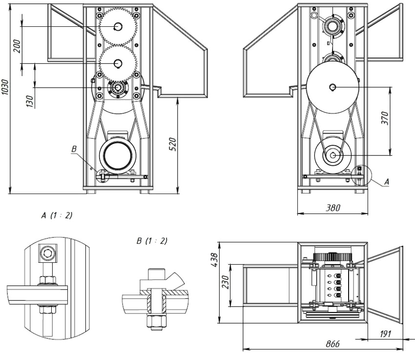
Instructions d'assemblage pour le déchiqueteur à double rouleau
Le travail commence par la création du cadre. Pour ce faire, à l'aide d'une meuleuse d'angle à partir d'un tube profilé, on découpe deux pièces d'une longueur de 80 cm et quatre pièces d'une longueur de 40 cm, puis de courtes sections sont soudées entre deux longues pièces à angle droit. Les deux parties internes doivent être espacées l'une de l'autre afin que le tambour hacheur soit solidement installé.
Conseil utile! Pour que l'appareil soit mobile, la structure doit avoir des roues pour le mouvement. Pour ce faire, deux poteaux sont soudés au cadre, sur lesquels un essieu avec roues est fixé.
L'étape suivante consiste à créer les arbres pour le tambour hacheur. Si vous prévoyez d'installer quatre couteaux sur un seul arbre, nous utilisons une pièce métallique carrée. Nous en arrondissons les deux extrémités pour qu'elles puissent entrer dans les roulements. Pour trois couteaux, vous avez besoin d'une ébauche ronde dans laquelle la partie centrale est affûtée. Trois coupes plates y sont effectuées pour l'installation ultérieure des couteaux.
Pour créer des couteaux, vous pouvez prendre un petit morceau de ressort à lames KamAZ. Des trous de boulons sont faits dans les couteaux. Alors tu devrais courir aiguiser les couteaux sur une rectifieuse, où l'angle du tranchant est sélectionné avec une valeur de 35 à 45 degrés. En outre, les couteaux aiguisés sont appliqués à l'arbre et leurs points de fixation sont marqués, dans lesquels des trous sont créés et un fil est coupé.
Ensuite, nous procédons à la création d'un mécanisme de broyage. Des trous ronds sont réalisés dans deux parois métalliques à l'aide d'une machine à souder pour installer des roulements. À l'aide de coussinets et de boulons spéciaux, nous installons les roulements à l'intérieur des parois métalliques. Nous insérons des arbres dans les roulements, en les fixant solidement. Ils doivent être situés à une distance suffisante pour exclure la possibilité de leur contact. Ensuite, les parois du tambour sont reliées à l'aide de goujons et d'écrous filetés métalliques.
Maintenant, nous commençons à créer la trémie de réception. Pour ce faire, quatre parallélépipèdes sont découpés dans une tôle fine. En outre, chaque bord est plié de 4 cm, une section courte dans une direction, une longue dans la direction opposée. Nous connectons toutes les pièces à l'aide de rivets auto-serrants ou de soudure. Des trous pour les attaches sont pratiqués sur les bords pliés à la base de la boîte.
Maintenant, des engrenages sont placés sur les arbres pour synchroniser le mouvement, et toute la structure est installée sur le cadre et fixée avec des boulons. Ensuite, le moteur est installé, qui est relié à l'arbre par un entraînement par courroie ou une chaîne. Il vaut mieux prendre un moteur de forte puissance, mais à faible régime. À la fin, une trémie de réception est installée et fixée. Ensuite, un couvercle de protection est placé sur toutes les pièces rotatives du broyeur pour empêcher les objets étrangers de pénétrer dans le broyeur.
Les principaux avantages d'une telle unité sont sa puissance élevée et sa capacité technique à couper des branches épaisses d'un diamètre de 20 à 80 mm. Cela dépendra du nombre de couteaux et du nombre de tours. Sur de nombreux sites Internet, des recommandations détaillées sont présentées sur la façon de fabriquer un broyeur de branches de vos propres mains. Des exemples vidéo montrent plus clairement l'ensemble du processus d'assemblage et d'installation d'un appareil fait maison.
Comment fabriquer un hachoir à partir de déchets
De nombreux propriétaires économes et économes ne sont pas pressés de jeter les vieux outils et appareils ménagers. Ils leur trouvent de nouvelles utilisations. Cela vaut la peine de faire preuve d'un peu d'imagination, d'allumer la logique et l'ingéniosité, et à partir d'outils improvisés et de pièces anciennes, vous pouvez créer un véritable assistant dans la maison. Considérez quelques options simples pour fabriquer une branche et un hachoir à herbe faits maison à partir de matériaux simples et abordables.
Broyeur de broyeur et aspirateur
Un de ces modèles faits maison est un hachoir de jardin à faire soi-même fabriqué à partir d'un broyeur, d'un vieil aspirateur et de couteaux de tondeuse à gazon. Un inventeur bien connu, Vladimir Belyaev, a proposé son propre hachoir de branches de ses propres mains, dont la vidéo de la création a inspiré beaucoup à moderniser cette idée et à offrir leur vision lors de la création d'un assistant de chalet d'été. Ensuite, nous examinerons l'une des options intéressantes et populaires.
Pour créer un design simple mais productif, vous aurez besoin d'un vieil aspirateur fonctionnel, d'un broyeur Makita de 3,2 kW, de couteaux de tondeuse à gazon, d'une base en bois stable, d'un entonnoir de réception et d'une table en métal avec une feuille de métal soudée verticalement.

Dessin d'un broyeur pour la fabrication à faire soi-même: 1 - crémaillères, 2 - base, 3 - roulements, 4 - coupe-disque, 5 - pales de ventilateur, 6 - mèches de broyeur à marteaux, 7 - maille de calibrage, 8 - moteur d'entraînement, 9 - trémie d'alimentation , 10 - pré-presseur, 11 - carter de déchiqueteuse à charnière, 12 - carter de déchiqueteuse fixe, 13 - entraînement par courroie, 14 - poulie, 15 - mécanisme de tension de courroie
L'entonnoir de réception est monté horizontalement sur une tôle verticale soudée à la table. Cette feuille doit être épaisse pour maintenir la meuleuse fixée avec des boulons et les couteaux montés dessus. Si le siège des couteaux de la tondeuse à gazon à trois lames n'est pas compatible avec la meuleuse d'angle, vous devez les affûter afin que les couteaux soient bien en place. Pour éviter que la masse écrasée ne se coince entre les couteaux, un tuyau d'un vieil aspirateur est attaché à une feuille de métal, qui fournit de l'air. Il est souhaitable que le broyeur et l'aspirateur se mettent en marche en même temps.
La table en métal est située sur une base fixe en bois. Vous devez également installer un couvercle de protection pour empêcher le retour des branches coupées.
Une version aussi simple d'un broyeur de jardin avec vos propres mains, la vidéo en est une confirmation claire, peut être facilement créée à votre datcha, sans étapes de travail compliquées et sans acquisition de matériaux supplémentaires.

Pour la fabrication d'un broyeur, vous pouvez utiliser des pièces d'anciens outils électriques et appareils électroménagers
Broyeur de machine à laver
Un broyeur de jardin peut être fabriqué à partir d'une ancienne machine à laver. Pour ce faire, vous aurez besoin d'une carrosserie et d'un moteur de technologie, d'une vieille scie, d'un godet et d'autres pièces, et d'outils de fixation de la structure.
Un trou latéral est pratiqué dans le corps d'une ancienne machine à laver pour la sortie des matériaux recyclés. Les couteaux sont fixés au fond du conteneur à l'aide d'un manchon spécial, qui peut être fabriqué à partir de morceaux d'une vieille scie. Un existant, intégré dans une ancienne machine à laver, est utilisé comme moteur. Le conteneur de réception des déchets déchiquetés est installé près de l'ouverture latérale.
Drill Shredder
Une autre invention élémentaire est un broyeur artisanal utilisant une perceuse électrique. Le principe de fonctionnement de ce mécanisme ressemble à un coupe-légumes.

Dessin d'un broyeur à marteaux: 1 - trémie de chargement (métal 1 mm), 2 - bordure du col de la trémie de chargement (coin 25x25 mm), 3 - amortisseur / loquet (métal 1 mm), 4 - boulons M6 pour chape (8 pcs), 5 - encadrement du trou de chargement dans le boîtier (angle égal 25 mm), 6 - goujons M8 (8 pièces), 7 - tambour extérieur du boîtier (tube 270x6 mm), 8 - stator avec rainures (tube 258x6 mm), 9 - marteaux (métal 3 mm) trempé à la dureté HRC 45-47, 72 pièces), 10 - boulon d'un diamètre de 3 mm (4 pièces), 11 - écrou M20 avec une rondelle élastique, 12 - axe du marteau (cercle d'un diamètre de 22 mm, 4 pièces), 13 et 14 - cerclage de tuyauterie (angle égal 25 mm), 15 et 19 - joints en caoutchouc de 3 mm d'épaisseur, 16 - écrous M8 pour le montage de la bride (8 pièces), 17 - rotor de marteau, 18 - bride (métal 5 mm, 2 pièces), 20 - distance rondelles (métal 3 mm, trempé HRC 45–47, 70 pcs.), 21 - support, 22 - arbre d'entraînement
Pour créer une structure, vous devez prendre un vieux tabouret. Percez un trou de 12 mm dedans. Un boîtier avec un roulement est fixé à l'arrière du tabouret. Un seau avec un trou du même diamètre est installé sur le tabouret et fixé avec des vis autotaraudeuses. Un roulement est inséré dans le trou, sur lequel un arbre est installé avec des couteaux en acier rapide fixés dessus. Une perceuse à deux modes est connectée à l'extrémité de l'arbre à partir du bas du tabouret via un mandrin sans clé.
Les matières premières molles sont jetées dans le seau et une perceuse électrique est mise en marche. Après un broyage complet à l'état souhaité, le paillis est enlevé. Cette conception est conçue pour une petite quantité de déchets recyclables.
Le processus de fabrication et d'affûtage d'un couteau mérite une attention particulière. Aiguisez d'un côté. Le plan affûté est situé en bas.Pour hacher l'herbe fraîchement coupée, un couteau en forme de diamant est idéal, dans lequel vous pouvez arrondir les lames. Cela permettra à l'herbe de glisser librement sur le bord de coupe du couteau à hacher sans s'enrouler autour de lui.

Dessin d'une meuleuse à main, pour laquelle vous pouvez utiliser un entraînement à partir d'une perceuse électrique: 1 - coque, 2 - roulement, 3 - tambour, 4 - croix, 5 - poignée de rotation, 6 - paroi d'extrémité du corps, 7 - bouclier, 8 - planche de chute, 9 - support, 10 - paroi latérale du boîtier
À partir des options proposées, nous pouvons conclure que vous pouvez créer un broyeur de jardin de vos propres mains à partir de n'importe quel matériau disponible. Il suffit d'avoir un moteur électrique adapté pour un réseau 220V, tout conteneur rond de taille suffisante, une tôle d'acier, une scie à métaux pour le bois ou une scie d'une vieille tondeuse à gazon pour créer un mécanisme de coupe.
Subtilités lors du choix d'un moteur pour un broyeur
Une certaine puissance du moteur fournit les performances requises pour le broyeur. Lors du choix d'un moteur, vous devez être guidé par certaines règles importantes:
- Pour les petites branches, choisissez un moteur d'une puissance d'au moins 2 kW. Plus la puissance nominale est élevée, plus la productivité et la capacité technique du broyeur sont élevées.
- Pour broyer les déchets mous sous forme d'herbe et de feuilles, un moteur de 1,5 kW suffit.
- La puissance du moteur à essence ne doit pas être inférieure à 6 CV.
- Les moteurs trop puissants au-delà de 3,5 kW ne doivent pas être utilisés. Ils consomment beaucoup d'électricité, mais cela n'atteint pas les performances maximales de l'unité.
- Le régime moteur n'a pas une grande influence sur les performances du hacheur. Ici, la fréquence de rotation des couteaux est importante, ce qui est assuré par la transmission par courroie trapézoïdale.
- Pour une coupe fiable des branches, la vitesse de l'arbre du couteau ne doit pas dépasser 1500 tr / min. Cela est dû à la sélection correcte des diamètres des poulies motrices et entraînées.

Lorsque vous travaillez avec une déchiqueteuse, vous devez porter un équipement de protection individuelle - lunettes et gants
Conseil utile! Il est préférable de fabriquer des poulies pour un entraînement par courroie pour 3-4 brins. Cela vous permettra de changer la vitesse sur l'arbre en déplaçant la courroie, ce qui est nécessaire pour différentes conditions de fonctionnement de la déchiqueteuse.
Les principaux avantages des broyeurs de jardin maison
Un déchiqueteur fait maison ne demande pas trop de respect pour lui-même. Il peut être utilisé pour plus que simplement couper l'herbe, les feuilles et les branches. Il recyclera parfaitement tous les déchets ménagers. Il peut être utilisé pour moudre les fruits des arbres fruitiers pour la préparation ultérieure de purée, de confiture ou de vin maison.
Les déchiqueteuses fabriquées par nos soins supporteront des branches jusqu'à 100 mm de diamètre, tandis que les unités d'usine ne laisseront tout simplement pas passer ces grandes plantes. En outre, il n'est pas nécessaire de surveiller la teneur en humidité des matières premières pour le traitement. Et pour les broyeurs d'usine, une telle négligence est inacceptable. Étant donné que dans la plupart des modèles, le moteur est situé au bas de la structure, la possibilité que de l'humidité y pénètre doit être exclue, ce qui entraînera inévitablement une panne.
Un argument important en faveur d'un appareil fait maison est le coût de l'ensemble de la structure, qui sera bien inférieur au prix du broyeur fini. Cela s'applique également au remplacement d'une pièce défectueuse qui n'est pas coûteuse.
De plus, la déchiqueteuse de jardin faite maison se distingue par son degré de productivité. Tous les déchets de jardin qui tombent sur le broyeur sont instantanément transformés en petits copeaux.
Comme le montre tout ce qui précède, un assistant fiable et fidèle pour couper les débris de jardin peut être créé de vos propres mains à partir de matériaux de rebut.Il suffit d'avoir quelques compétences et capacités de plomberie, d'avoir dans votre garage des pièces d'équipement ancien, les outils et matériaux nécessaires. De plus, après avoir choisi le moyen le plus acceptable pour vous-même, dessinez de vos propres mains le dessin d'un hachoir à branches. Des vidéos de différentes versions d'une déchiqueteuse maison peuvent être visionnées sur Internet. Sur la base du dessin, préparez tous les éléments nécessaires et commencez à assembler la déchiqueteuse.
Si vous n'êtes pas confiant en vos propres capacités, vous pouvez actuellement acheter un broyeur de branches maison parmi les options proposées, qui répondra à toutes les exigences et répondra à vos souhaits à un coût abordable.