Artikel ini mengkaji secara terperinci mengenai ciri-ciri peranti pencahayaan seperti candelier siling LED untuk kediaman: klasifikasi struktur dan ciri lampu yang dipasang di dalamnya, kelebihan dan kekurangan, prinsip operasi dan ciri khas dari produk lain dengan tujuan serupa. Dalam teks tersebut, anda boleh mendapatkan katalog foto idea dan nasihat menarik mengenai memilih candelier untuk dapur, bilik tidur dan ruang tamu untuk tujuan lain.

Siling LED candelier Merupakan sumber cahaya yang paling moden dan dituntut
Kandungan
- 1 Candelier siling LED untuk kediaman: ciri reka bentuk umum
- 1.1 Apa kelebihan lampu candelier LED berbanding yang lain
- 1.2 Apakah prinsip pengoperasian lampu LED dan berdasarkannya
- 1.3 Pengelasan candelier siling LED untuk kediaman
- 1.4 Jenis utama lampu LED: klasifikasi mengikut ciri reka bentuk
- 1.5 Kelebihan lampu gantung LED siling untuk sebuah apartmen
- 1.6 Membeli candelier LED: harga untuk jenama popular
- 2 Memilih candelier LED untuk kediaman anda: cadangan profesional
- 2.1 Apa yang lebih baik untuk membeli candelier untuk dapur: memilih pencahayaan yang optimum
- 2.2 Apa yang lebih baik untuk membeli candelier untuk bilik bersantai: memilih reka bentuk untuk bilik tidur
- 2.3 Mana yang terbaik untuk membeli candelier siling LED untuk bilik kanak-kanak
- 2.4 Apa yang lebih baik untuk membeli candelier di ruang tamu: petua untuk memilih
- 3 Cara menukar candelier sendiri tanpa bantuan tuan
Candelier siling LED untuk rumah: ciri reka bentuk umum
Candelier LED telah menjadi penembusan sebenar dalam bidang teknologi pencahayaan. Versi siling peranti telah banyak digunakan di tempat pentadbiran dan pejabat, dan kemudian di ruang tamu rumah dan pangsapuri. LED, kerana ciri-cirinya yang lebih baik, secara beransur-ansur menggantikan pilihan penjimatan tenaga dan lampu pijar dari pasaran.

Candelier siling LED untuk kediaman mampu menghasilkan pelbagai suhu cahaya, sehingga dapat digunakan untuk membuat pencahayaan yang selesa di mana-mana bilik.
Apa kelebihan lampu candelier LED berbanding yang lain
Berbanding dengan lampu pijar konvensional, LED jauh lebih selamat. Semasa operasi, mereka tidak membahayakan kesihatan manusia, pembuangannya tidak menimbulkan kesulitan dan tidak memberi kesan buruk kepada alam sekitar. Reka bentuk LED tidak mengandungi gas atau merkuri, seperti pada lampu pelepasan gas. Mereka berbeza dari produk biasa dalam parameter dimensi dan jenis fluks bercahaya, yang dalam hal ini diarahkan.
Di antara kelebihannya, pengguna memperhatikan kebolehpercayaan candelier LED yang tinggi, ulasan pelanggan dari forum mengesahkan kepraktisan peranti ini:
"Hanya memerlukan beberapa saat untuk menyalakan lampu langit-langit. Lampu dengan serta-merta memancarkan aliran cahaya yang kuat.Kelebihan tersebut tidak terdapat pada lampu penjimatan tenaga, yang memerlukan lebih lama untuk menyalakannya. Sebagai penghias, saya tidak dapat menafikan kemungkinan memilih warna dan warna yang berbeza. LED mempunyai banyak kemungkinan reka bentuk. "
Oksana Shcheglova, St. Petersburg
“Sejak menggunakan lampu LED, kos elektrik saya turun dengan ketara. Setelah mengkaji maklumat di rangkaian, saya secara peribadi memeriksa kecekapan lampu ini. Lebih-lebih lagi, ini sama sekali tidak mempengaruhi daya, tahap pencahayaan bilik boleh diterima. "
Victor Smyatko, Moscow
Catatan! Berbanding dengan versi pendarfluor, LED 50% lebih menjimatkan. Dengan menggunakannya bukan lampu pijar, kos dapat dikurangkan sebanyak 95%.
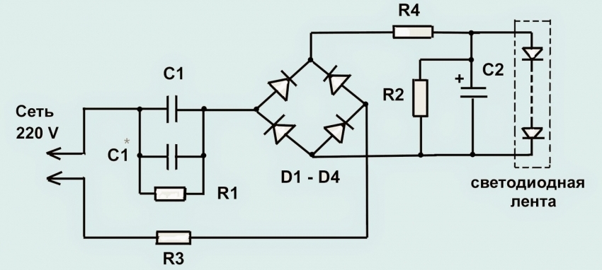
Apakah prinsip pengoperasian lampu LED dan berdasarkannya
Pengoperasian candelier siling berdasarkan penukar konvensional. Pada output, elemen ini menghasilkan voltan sekitar 5 volt. Penukar boleh mempunyai reka bentuk yang berbeza, yang menggunakan kapasitor dan dioda, atau berfungsi sesuai dengan litar jambatan.

Untuk pembuatan mentol LED, mentol kaca tidak digunakan, jadi semasa operasi tidak ada bahaya patah dan cedera secara tidak sengaja
Untuk mengelakkan munculnya bunyi impuls semasa operasi, kapasitor dan perintang tambahan disertakan dalam litar penukar. Unsur-unsur ini dirancang untuk meredakan riak. Dan kapasitor utama melancarkan lonjakan voltan pada output.
Susunan lampu LED yang serupa untuk candelier, serta ketiadaan keperluan untuk transformer, membolehkan pengeluar mengurangkan ukuran lekapan lampu, menjadikannya ringan dan menarik. Di samping itu, litar mungkin merangkumi peranti tambahan yang dirancang untuk mengurangkan gangguan. Unsur-unsur tersebut merangkumi varistor dan induktor. Komponen pertama memberikan perlindungan terhadap kebisingan impuls dan elektrik statik, dan komponen kedua mempermudah reka bentuk dengan mengurangkan jumlah komponen yang diperlukan.
Pengilang menawarkan beberapa skema mengikut mana lampu disusun. Mereka semua mempunyai kelebihan masing-masing. Sebagai contoh, lampu luminer yang terdiri daripada perintang redaman dan dioda dibezakan oleh jangka hayat yang panjang, dan kehadiran sambungan berganda menghilangkan kerlipan pada elemen LED, kerana mata manusia tidak bosan dengan cahaya.
Pengelasan candelier siling LED untuk kediaman
Produk LED yang tersedia secara komersial berbeza mengikut spesifikasi teknikal. Semasa mencari di mana untuk membeli candelier untuk sebuah bilik, perlu mengenal pasti parameter yang paling penting untuk diri anda. Pertama sekali, jenis fluks bercahaya dan kekuatannya dipertimbangkan. Petunjuk ini mencerminkan seberapa berkesan pencahayaan di dalam bilik semasa menggunakan peranti tertentu. Agar pembeli dapat menggambarkan kecerahan cahaya secara visual, pengeluar juga menunjukkan kuasa yang setara untuk lampu pijar.
Petunjuk teknikal lain yang penting ialah penggunaan kuasa. Peranti yang dilengkapi dengan lampu LED menggunakan sekitar 1-10 watt.
Catatan! Penggunaan kuasa menunjukkan jumlah elektrik yang diperlukan untuk mengendalikan peranti. Walau bagaimanapun, parameter ini tidak dapat digunakan untuk menentukan kualiti cahaya.

Diod dengan pelbagai warna sering digunakan dalam satu model, yang membolehkan anda menyesuaikan pencahayaan pada siang hari
Dalam katalog candelier, terdapat peranti dengan warna yang berbeza. Untuk lampu rumah, pekali optimum ialah 70 atau lebih. Pengilang berkualiti selalu meletakkan data mengenai ciri ini pada pembungkusan peranti.
Klasifikasi pencahayaan mengikut suhu cahaya:
Suhu cahaya, Kelvin | Jenis pencahayaan |
2700-3500 | kekuningan (selesa untuk mata) |
4000-5000 | berkecuali |
6500 dan lebih | sejuk (tidak berlaku untuk premis kediaman) |
Mentol LED mempunyai jangka hayat yang panjang. Walau bagaimanapun, dari masa ke masa, jumlah cahaya yang dipancarkan berkurang. Piawaian menunjukkan bahawa 25,000 waktu operasi menghasilkan penurunan kemampuan primer sebanyak 30%. Atas sebab ini, parameter ini dianggap sebagai jangka hayat lampu LED yang diterima secara rasmi.

Untuk menjadikan pencahayaan di rumah selesa dan menyenangkan mata, lebih baik membeli lampu LED dengan cahaya putih hangat
Jenis utama lampu LED: klasifikasi mengikut ciri reka bentuk
Mengikut jenis reka bentuk dan parameter fluks bercahaya, jenis lampu berikut dibezakan:
- Linier.
- Sejagat.
- Dengan cahaya arah.
Struktur linier digunakan di premis pejabat. Lampu jenis ini yang dipasang di candelier dibuat dalam bentuk tiub yang dilengkapi dengan pangkalan putar. Struktur ini membolehkan anda mengubah sudut fluks cahaya. Lampu untuk tujuan umum sejagat tidak hanya sesuai untuk premis pejabat, tetapi juga untuk ruang tamu di pangsapuri dan rumah persendirian. Mereka membentuk aliran cahaya yang tersebar, yang sedekat mungkin dengan sinar matahari semula jadi dan tidak mengganggu mata. Selalunya, pencahayaan jenis ini terdapat dalam foto candelier siling bersaiz besar dengan alat kawalan jauh.
Lampu dengan cahaya arah digunakan pada objek berikut:
- pusat pameran;

Geometri besar-besaran candelier dengan lampu LED akan menjadi mercu tanda mana-mana ruang tamu
- kedai-kedai itu;
- tingkap kedai, dll.
Pencahayaan aksen memberikan penampilan khas ke bilik dan menarik perhatian pada benda-benda di dalamnya. Candelier siling LED sedemikian dibeli sebagai hiasan hiasan, untuk aksen.
Menurut reka bentuk asas, lampu LED adalah:
- pin;
- termos;
- dengan pangkalan Edison;
- soffit;
- dengan kenalan tersembunyi;
- memberi tumpuan;
- sematkan.
Fakta menarik! LED dicirikan oleh cahaya nominal jangka panjang. Mereka mampu memberikan operasi berterusan selama 50,000 jam.
Kelebihan lampu gantung LED siling untuk sebuah apartmen
LED telah menjadi pengganti alternatif untuk banyak jenis sistem pencahayaan, khususnya untuk peranti dengan sebilangan besar lampu. Reka bentuk sedemikian boleh dilengkapi dengan sensor suara dan gerakan, alat kawalan jauh dan tambahan fungsi lain. Candelier siling LED mempunyai jangka hayat yang panjang. Tempoh minimum operasi berkesan adalah 10 tahun. Pada masa yang sama, kekerapan mematikan dan menghidupkan peranti tidak mempengaruhi jangka hayat perkhidmatan.
Lampu tidak terhad bentuknya. Ini memperluas kemungkinan penyelesaian reka bentuk dan hiasan peranti. Reka bentuk lampu siling LED bulat yang dipasang di permukaan dan dibina digunakan untuk menghias siling:
- drywall berengsel;
- regangan;
- modular.
Struktur papan eternit lain tidak terkecuali, contohnya, partisi, ceruk, lengkungan, rak. Ia dibenarkan menggunakan candelier bulat LED di bilik dengan suhu tinggi, kerana elemen LED praktikal tidak memanas. Tidak ada kerlipan di lampu ini. Fluks bercahaya terbentuk secara berterusan, sehingga mata seseorang tidak menjadi letih. Oleh kerana sudut pencahayaan dapat disesuaikan, alat tersebut dapat digunakan dengan baik untuk membuat kesan visual di dalam bilik.
Artikel berkaitan:
Cara memilih mentol LED untuk kediaman anda: kriteria penting
Memilih lampu meja untuk pelajar. Punca kerosakan lampu led. Pengilang dan harga.
Kemungkinan pencahayaan LED hampir tidak berkesudahan, dengan bantuannya anda dapat:
- meningkatkan kelantangan secara visual atau meluaskan ruang;
- mewujudkan kesan pencahayaan semula jadi;
- meletakkan aksen pada barang dalaman atau kawasan tertentu di dalam bilik;
- mengawal kecerahan dan ketepuan pencahayaan;
- buat reka bentuk yang tidak biasa menggunakan skema warna;
- zon bilik, dll.
Membeli candelier LED: harga untuk jenama popular
Ketahanan produk apa pun bergantung kepada pengeluar, yang mengawal bukan sahaja proses pembuatan, tetapi juga teknologi, dan juga kualiti bahan mentah. Semasa memilih candelier LED, anda harus memberi perhatian kepada jenama terkenal dan terbukti. Harga tinggi adalah salah satu keunggulan produk berkualiti. Anda tidak boleh membeli produk Cina yang murah untuk mencari penjimatan. Kemungkinan besar, reka bentuk seperti itu terdiri daripada bahagian berkualiti rendah. Produk yang paling dipercayai dihasilkan oleh pengeluar dari Itali, Sepanyol dan Jerman.
Harga purata candelier siling LED:
Jenama | Negara pengeluar | harga, sapu. |
Lampu Arte | Itali | 10990-24990 |
Arti lampadari | Rusia | 9900-25920 |
Citilux | Denmark | 12810-91990 |
Contohnya | Austria | 7990-19950 |
Kegemaran | Jerman | 10450-20470 |
Lampu ID | Itali | 6490-60000 |
Mantera | Sepanyol | 20000-34000 |
Maytoni | Jerman | 10500-15700 |
Lampu MW | Jerman | 13800-48880 |
N-Cahaya | Itali | 7175-16970 |
Nasihat berguna! Semasa membeli lampu, disarankan untuk memperhatikan pilihan yang mempunyai tempoh jaminan paling lama.

Kelebihan penting lampu LED adalah jangka hayatnya yang panjang, yang ditentukan dalam jangka masa 10 tahun atau lebih.
Memilih candelier LED untuk kediaman anda: cadangan profesional
Untuk membuat pencahayaan yang indah di rumah, tidak cukup dengan membeli candelier siling yang murah. Pembinaan LED mesti memenuhi keperluan bilik tertentu.
Sebelum membeli candelier, anda harus menilai parameter berikut:
- kawasan dan susun atur bilik;
- tahap pencahayaan yang diperlukan untuk bilik tertentu;
- bilangan warna yang dikehendaki;
- reka bentuk dan gaya dalaman di dalam bilik;
- ciri hiasan candelier;
- saiz candelier dan jenis reka bentuknya.
Lampu gantung yang dilengkapi dengan lampu LED boleh terdiri daripada pelbagai konfigurasi.
Struktur adalah dari jenis berikut:
- terbina dalam;

Sebelum memilih model candelier tertentu, tentukan tujuan dan objektif yang akan diberikan pada candelier ini
- invois;
- dengan pengapit dalam bentuk penggantungan;
- dengan atau tanpa kanta pengumpul;
- dengan atau tanpa naungan kaca yang menyebarkan cahaya;
- dengan peranti untuk pembetulan pancaran cahaya;
- dengan fungsi menukar warna, kecerahan dan penunjuk lain.
Apa yang lebih baik untuk membeli candelier untuk dapur: memilih pencahayaan yang optimum
Candelier LED adalah pilihan hebat dan moden untuk mengatur pencahayaan di dapur. Dengan reka bentuk ini, anda dapat mewujudkan harmoni keselesaan dan fungsi.
Untuk mencapai hasil terbaik, anda harus menggabungkan semua jenis pencahayaan secara rasional dalam satu bilik:
- Bekerja.
- Am.
- Hiasan.
Candelier tradisional jarang digunakan di dapur.
Pengecualian adalah bilik di mana bahagian dalamnya dibuat dengan gaya berikut:
- klasik;
- retro;
- barok;
- etnik;
- negara.
Dalam kes ini, tidak perlu membuat kombinasi dalam bentuk alat pencahayaan pusat dan lampu dinding yang dirancang untuk menerangi kawasan kerja. Untuk neoklasik dan reka bentuk klasik, disarankan membeli candelier LED dengan loket kristal.
Nasihat berguna! Sebaiknya pasang candelier kristal sejauh mungkin dari kompor, jika tidak, lemak akan menetap di permukaannya.

Untuk mempelbagaikan dapur dan menjadikannya moden, ada baiknya membeli candelier satelit dengan lampu LED, yang masih popular hingga kini.
Untuk dapur gaya chalet, serta Provence dan negara, lebih baik memilih lampu yang dibuat dalam bentuk lilin. Adalah wajar mereka mempunyai permukaan yang sudah tua dengan lapisan dalam bentuk penyepuhan, patina tembaga atau perak. Lampu yang dihiasi dengan kain atau kap lampu kertas akan sesuai dengan ruang dapur gaya Jepun. LED tidak menghasilkan haba, jadi candelier ini tahan api.
Untuk gaya moden seperti minimalis, berteknologi tinggi atau moden, peranti dengan reka bentuk geometri lakonik dalam bentuk cincin kubus, sfera atau lampu candelier LED sesuai. Di dapur, lebih baik memilih lampu dari struktur terbina dalam, model jenis dinding-siling dan pencahayaan dalam bentuk pita.
Apa yang lebih baik untuk membeli candelier untuk bilik bersantai: memilih reka bentuk untuk bilik tidur
Perhatian khusus harus diberikan pada pilihan lampu untuk kamar tidur, kerana ruangan ini digunakan untuk tidur dan bersantai. Di bilik yang luas, candelier besar dapat dipasang. Yang penting ialah sifat lokasi kawasan rekreasi, bentuk bilik dan susun aturnya. Untuk bilik tidur kecil, anda boleh memilih lekapan lampu jenis loket, dihiasi dengan hiasan gantung, jika tapak pemasangan akan menjadi kawasan di atas kaki tempat tidur.

Candelier dengan reka bentuk hiasan tidak menyilaukan, tetapi memberikan cahaya merata, yang sangat penting untuk bilik tidur
Tahap kekuatan lampu dipilih dengan mengambil kira kawasan bilik. Sebaiknya beli candelier dengan fungsi penyesuaian untuk bilik tidur. Walaupun model yang dipilih hanya mempunyai dua pilihan pencahayaan, ini cukup untuk mewujudkan suasana yang selesa.
Dalam kes ini, candelier harus digabungkan tidak hanya dengan reka bentuk, skema warna dan gaya dalaman, tetapi juga menyokong reka bentuk peranti lain di dalam ruangan. Selalunya di bilik tidur, lampu dipasang di meja sisi katil atau kawasan kerja diatur. Penting untuk mematuhi idea umum agar semua peralatan di dalam bilik kelihatan harmoni.
Rangka candelier yang dipasang di bilik tidur boleh dibuat dari bahan yang berbeza:
- plastik;
- kayu;

Candelier yang tepat untuk bilik tidur akan membantu anda mendapatkan ketenangan dan ketenangan yang anda mahukan.
- logam;
- kaca;
- bahan gabungan.
Unsur hiasan dan warna dibuat dari atas dan banyak bahan lain. Bergantung pada gaya bilik, anda boleh memilih candelier, selesai dengan buluh, kain, kertas, rotan, pokok anggur. Pengilang malah menggunakan bahan mentah kitar semula.
Nasihat berguna! Dimensi candelier optimum dapat dikira dengan menggunakan formula: (lebar bilik (m) + panjang bilik (m)) x 10 = diameter candelier (cm). Untuk menentukan ketinggian candelier (cm), bahagikan ketinggian bilik (cm) dengan 4.
Mana yang terbaik untuk membeli candelier siling LED untuk bilik kanak-kanak
Peranti pencahayaan yang dipasang di bilik kanak-kanak mengemukakan peningkatan keperluan. Dalam kes ini, reka bentuk dan kehadiran hiasan memudar ke latar belakang.

Lampu LED dibuat dari bahan semula jadi yang mesra alam dan tidak membahayakan badan, yang merupakan titik penting semasa memasang di bilik kanak-kanak
Sebelum membeli candelier kanak-kanak di kedai, anda perlu memeriksa model yang dipilih untuk mematuhi parameter berikut:
- kualiti kerja yang tinggi;
- keselamatan;
- ketersediaan dokumentasi dan sijil yang disertakan;
- mesra alam terhadap bahan.
Di samping itu, gaya bilik, jantina dan usia kanak-kanak diambil kira.Untuk tapak semaian dalam gaya klasik, ada baiknya memilih model canggih yang dihiasi dengan bunga dan daun. Anda boleh memilih candelier sejagat, misalnya, dalam bentuk bola, yang akan sesuai dengan hampir semua pilihan dalaman.
Jangan lupa bahawa keperluan dan selera kanak-kanak berubah seiring bertambahnya usia, jadi disarankan untuk membeli peranti dengan perspektif masa depan. Rama-rama, gnome dan bintang, yang sangat popular dengan kanak-kanak tadika, tidak mungkin menarik minat pelajar sekolah.
Pencahayaan yang terlalu terang atau terlalu redup akan membuat mata bayi anda letih. Untuk mengelakkan keletihan, ada baiknya memilih pilihan candelier yang boleh disesuaikan dengan kombinasi peralatan lain. Sebaik-baiknya, anda perlu mencapai persekitaran yang selesa untuk semua aktiviti: membaca buku, bersantai, melakukan pelajaran, bermain permainan aktif.
Apa yang lebih baik untuk membeli candelier di ruang tamu: petua untuk memilih
Pencahayaan LED sangat sesuai untuk mewujudkan suasana yang tenang, selesa dan tidak mengganggu di ruang tamu. Bentuk lampu gantung seperti itu memantulkan cahaya, yang memberi kesan positif pada seseorang dan menyesuaikannya dengan keadaan tenang.
Sekiranya siling regangan atau gantung dipasang di ruang tamu, anda boleh membuat kombinasi yang indah dengan meletakkan candelier besar dan lampu kecil di sekelilingnya di kawasan tengah. Pilihan ini sesuai untuk bilik gaya klasik. Dalam kes ini, disarankan untuk memilih candelier dengan warna kaca atau kristal dan alas bingkai yang dihiasi dengan gangsa, perak atau penyepuhan.

Dengan candelier LED loket, anda boleh membuat ruang dalaman yang elegan namun sederhana untuk ruang tamu moden
Nasihat berguna! Candelier dengan elemen hiasan yang banyak dapat mengumpulkan habuk. Sekiranya anda tidak mahu membersihkan keriting dan bahagian kecil yang lain secara berkala, anda harus memilih pilihan reka bentuk yang dipermudahkan.
Lampu gantung yang dihiasi dengan kristal Swarovski atau kaca Murano sesuai untuk ruang tamu klasik. Untuk gaya seperti minimalis dan teknologi tinggi, ada baiknya memilih pilihan praktikal untuk peranti dengan jumlah perincian minimum dan reka bentuk yang ringkas. Bentuk lampu gantung yang tersedia dan laconic boleh dibuat dari kaca, kadbod tebal, kayu, titanium. Dalam kes ini, struktur mesti bergerak dan fleksibel.
Cara menukar candelier secara mandiri tanpa bantuan tuan
Sekiranya anda mempunyai pengetahuan yang sesuai, anda boleh menyambungkan candelier LED tanpa bantuan pakar. Dengan berbuat demikian, sangat penting untuk mematuhi peraturan keselamatan asas dan mematuhi arahan pengeluar. Kerja mesti dilakukan pada waktu siang dengan cahaya alami yang mencukupi, kerana elektrik di dalam bilik harus dimatikan.

Semasa memasang candelier, anda tidak perlu memasang peralatan tambahan: penerus, sekering dan pemicu sudah termasuk dalam reka bentuk mentol
Pemasangan kandil LED DIY dilakukan mengikut urutan berikut:
- Bilik dinyalakan dengan melepaskan penutup palam atau mematikan suis.
- Candelier lama sedang dibongkar (jika ada).
- Akibatnya, sepasang wayar harus tetap - fasa dan sifar, yang sesuai dengan wayar pada candelier LED.
- Kenalan dilucutkan pada wayar.
- Skru dibuka pada bar yang dimaksudkan untuk menyambungkan wayar.
- Kabel yang sesuai dimasukkan ke dalam lubang di jalur, setelah itu disekat kembali.
- Pemasangan candelier di siling sesuai dengan arahan pengeluar.
Adalah sangat penting bahawa wayar sifar dan fasa tidak saling bersentuhan. Jika tidak, litar pintas akan berlaku dan candelier LED perlu diperbaiki atau diganti sepenuhnya. Dalam kes ini, pastikan anda memanggil ahli sihir.Kerosakan yang paling biasa termasuk kerosakan fungsi lampu (berkedip, jatuh dari soket, kekurangan cahaya), masalah pendawaian (percikan api, bau terbakar) dan kerosakan alat kawalan jauh.

Tidak ada kesukaran untuk memasang candelier secara langsung, kerana semua pengikat utama dibekalkan dengan candelier
LED candelier dengan syarat ia disambungkan dengan betul, ia dapat berfungsi untuk masa yang lama. Untuk mengelakkan kesukaran yang berkaitan dengan pemasangan atau kerosakan peranti, disarankan untuk mempercayakan kerja pemasangan kepada juruelektrik profesional. Dalam kes ini, anda boleh mencapai hasil berkualiti tinggi dan mengekalkan jaminan.