Penggiling adalah alat penggiling khas yang mempunyai pemacu elektrik dan tali pinggang kasar. Peranti sedemikian digunakan untuk menyelesaikan permukaan logam, kayu dan polimer. Perkara utama yang perlu diberi perhatian semasa memasang penggiling dengan tangan anda sendiri: gambar dengan dimensi, tahap kerja, pilihan bahan yang sesuai.
Kandungan
Pengikat tali pinggang DIY: prinsip operasi
Ciri khas peranti seperti itu ialah ia mempunyai reka bentuk sederhana yang boleh diulang oleh sesiapa sahaja di rumah. Komposisi unit penggiling seperti motor elektrik, penggelek dan alat kerja itu sendiri - tali pinggang dengan lapisan kasar. Jalur boleh mempunyai ukuran butiran yang berbeza. Penunjuk ini dipilih sesuai dengan tujuan alat.
Semasa memasang penggiling dengan tangan anda sendiri di rumah, anda harus menyiapkan dan mempelajari prinsip pengoperasiannya. Apabila unit dihidupkan, enjin dinyalakan. Ia mempunyai batang yang sesuai dengan roller utama (memandu). Penggelek mula berputar di sekitar paksinya, bertindak melalui tali pinggang kasar pada penggelek sekunder (didorong).
Pengisaran agak mudah dengan mesin dihidupkan. Untuk melakukan ini, anda perlu melekatkan benda kerja ke tali pinggang kasar yang bergerak. Semasa bekerja perlu dipandu oleh kedudukan jalur kerja.
Pengisar yang dibuat sendiri akan membolehkan anda memproses bahan kerja dari pelbagai bahan. Unit sedemikian mempunyai kemampuan untuk menghilangkan kecacatan pada permukaan logam, kayu, dan kaca. Dengan menggunakan penggiling, mereka sering menyesuaikan penggelek, yang memungkinkan memproses kecacatan dengan kedalaman yang berbeza.
Perlu diingat bahawa dengan penggunaan yang lama, jalur pengamplasan akan habis, yang menyebabkan peregangannya. Dalam unit sedemikian, masalah ini diselesaikan dengan sangat sederhana. Salah satu penggelek peranti mengandungi mekanisme khas yang membolehkan anda mengetatkan pita. Selalunya, peranti sedemikian dipasang pada roller yang terletak di antara roller utama dan sekunder peranti.
Ciri reka bentuk penggiling DIY: foto
Dianjurkan untuk mempertimbangkan semua nuansa reka bentuk peranti kilang. Ini akan membolehkan anda membuat penggiling bangku yang paling berkesan. Peralatan standard jenis peranti ini merangkumi jadual sokongan. Sebagai tambahan kepada tujuan utama, permukaan ini melakukan fungsi bantu lain: ia digunakan untuk memperbaiki benda kerja yang sedang diproses.
Di peranti kilang, meja seperti itu dapat berputar sekitar satu paksi. Sudut ayunan biasanya 90 °. Ini memungkinkan untuk menggiling dua satah benda kerja (terletak tegak lurus) tanpa mengubah kedudukan bahagian yang terpaku pada permukaan putar. Semasa memasang penggiling sederhana dengan tangan anda sendiri, anda boleh membuat jadual statik. Ini akan sangat memudahkan pemasangan, tetapi unit siap akan kurang berfungsi.
Terdapat butiran lain yang penting dalam reka bentuk mesin tersebut. Pertimbangkan elemen struktur lain apa yang mesti dimiliki oleh penggiling yang digunakan untuk mengisar bahan kerja yang diperbuat daripada bahan yang berbeza:
- penggelek;
- pangkalan;

Tugas utama dalam pembuatan penggiling adalah mencari motor yang kuat yang perlu dilengkapi dengan pemacu
- pita;
- mekanisme ketegangan;
- dinding pelindung.
Semua bahagian ini cukup mudah dibuat dengan tangan anda sendiri. Pengikat tali pinggang boleh menghasilkan debu atau percikan api semasa operasi. Ia bergantung pada bahan bahagian yang diproses pada mesin sedemikian. Oleh kerana itu, pengrajin berpengalaman sangat mengesyorkan menggunakan cermin mata khas. Di samping itu, disarankan untuk mengatur dinding pelindung untuk pembuatan kaca akrilik yang digunakan.
Unit mudah alih dilengkapi dengan badan keluli. Dudukan penggiling mesti mempunyai lubang yang diperlukan untuk memasang mesin ke permukaan kayu (dengan menggunakan bolt). Semasa memilih pita, perlu dipertimbangkan bahawa panjangnya bergantung pada kekuatan unit (dan sebaliknya). Semakin tinggi penunjuk ini, semakin sesuai juga pemacunya.
Cara membuat pengisar dengan tangan anda sendiri: membina peraturan
Sebelum memulakan reka bentuk bebas dari unit penggilingan jenis ini, anda mesti mengkaji urutan tindakan dengan teliti, dan juga mengambil kira beberapa peraturan. Langkah pertama dan paling penting adalah bersiap untuk memasang penggiling. Pertimbangkan tindakan apa yang termasuk dalam item ini.

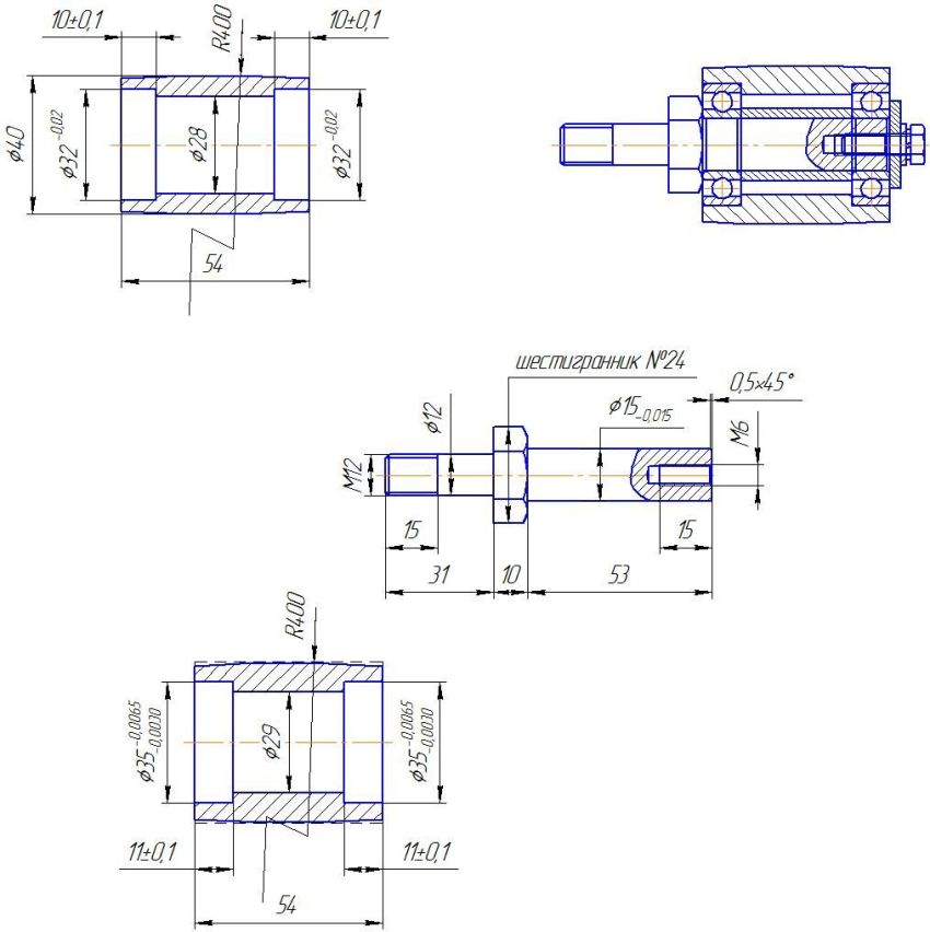
Lukisan dengan dimensi penggiling adalah dokumen penting di mana prestasi dan ciri teknikal unit akan bergantung
Pertama sekali, anda harus melukis gambar yang sesuai. Perlu diingat bahawa litar mesti sesuai untuk keadaan operasi tertentu. Anda boleh membuat sendiri lukisan. Pilihan kedua ialah memuat turun litar siap dari Internet. Di laman web dan forum khusus, anda boleh menemui banyak pengubahsuaian peranti sedemikian, reka bentuknya paling sesuai untuk pemasangan di rumah.
Semakin terperinci gambarnya, semakin baik. Gambarajah harus mengandungi penerangan terperinci mengenai semua elemen struktur individu dengan dimensinya. Lukisan dengan dimensi adalah dokumen yang sangat penting di mana prestasi dan ciri teknikal mesin masa depan akan bergantung. Oleh itu, perlu dilakukan penyusunannya dengan penuh kesungguhan.
Anda secara bebas boleh membuat pilihan yang berbeza untuk mengisar penggiling. Selain alat pegun, terdapat jenis yang lebih mudah (contohnya, penggiling do-it-yourself dari penggiling). Gambar dan video untuk memasang peranti tersebut juga boleh didapati dengan mudah di World Wide Web.
Perkara seterusnya yang perlu dipertimbangkan adalah penyediaan semua bahagian dan alat yang diperlukan untuk memasang unit. Untuk merancang penggiling di rumah, anda memerlukan alat berikut:
- jigsaw;
- gerudi;
- Bahasa Bulgaria.
Nota! Semasa memilih alat, perlu diingat bahawa reka bentuk pengisar menyediakan penggunaan bahagian logam, dan juga pemprosesannya.
Banyak bahagian peralatan pengisaran ini sukar dibuat oleh pemula. Oleh itu, disarankan untuk mengkaji secara terperinci pelbagai elemen struktur dan ciri-cirinya. Ia juga tidak menyakitkan untuk membiasakan diri dengan gambar dan video. Adalah lebih mudah untuk membuat penggiling dengan tangan anda sendiri jika ada peluang untuk berunding dengan tuan yang berkelayakan yang dapat memberikan nasihat berharga mengenai perkara ini.
Beberapa elemen struktur tidak dapat dibuat dengan tangan anda sendiri tanpa menggunakan peralatan berpusing. Anda tidak perlu melakukan kerja ini sendiri. Untuk melengkapkan bahagian yang kompleks, anda boleh menggunakan perkhidmatan tukang ganti profesional.
Semasa membuat penggiling dengan tangan anda sendiri, disarankan untuk mengambil kira satu perkara yang lebih penting. Yang paling berkesan adalah peranti yang dapat digunakan untuk memproses bukan hanya permukaan mendatar, tetapi juga menegak. Pakar mengesyorkan memilih gambar yang membolehkan anda mengisar benda kerja pada sudut yang berbeza.
Penggiling DIY: lukisan dimensi unsur struktur
Pembangunan skema yang sesuai adalah peringkat persediaan yang paling penting. Lukisan boleh dipesan dari tukang yang berkelayakan. Dalam kes ini, ia akan setepat mungkin dan memungkinkan untuk mengeluarkan peralatan yang akan bertahan lebih dari satu tahun.
Bagaimana membuat penggiling do-it-yourself? Lukisan, video, serta gambar penggiling pada pelbagai peringkat pemasangan - semua ini memungkinkan untuk melakukan unit berkualiti tinggi secara bebas.
Pilihan kedua adalah memuat turun rajah dari World Wide Web. Dalam kes ini, perlu diketahui bahawa beberapa lukisan yang terdapat di Internet tidak berkesan. Oleh itu, sebelum memuat turun skema ini atau itu, disarankan agar anda membaca ulasan orang sebenar yang telah menggunakannya untuk memasang peralatan penggiling tali pinggang.
Sebaiknya bandingkan rajah, yang dilukis secara bebas, dengan gambar lain dengan dimensi pengisar dengan tangan anda sendiri. Video dengan topik yang berkaitan membolehkan anda memahami dengan cepat semua nuansa pembuatan unit tersebut. Terdapat banyak dari mereka di Internet.

Agar mesin dapat berfungsi dalam masa yang lama, anda perlu memesan lukisan penggiling dari master yang berkelayakan
Gambar rajah mestilah tepat dan mengandungi lakaran semua elemen struktur struktur. Dimensi bahagian individu ditunjukkan tanpa gagal. Dan akhirnya, skema siap pakai dapat disiarkan di forum profil dan bertanya mengenai ketidaktepatan yang terdapat di dalamnya. Ada kemungkinan bahawa dalam hal ini mungkin dapat mendapatkan nasihat berharga mengenai penambahbaikannya.
Pengisar mesin buatan sendiri buat sendiri: memilih pemacu yang betul
Sebelum meneruskan pemasangan unit pengisaran seperti itu, perlu menyediakan mesin yang sesuai. Selalunya, pemacu digunakan untuk tujuan ini, kekuatannya sekurang-kurangnya 1 kW. Terdapat beberapa faktor yang perlu dipertimbangkan semasa memilih mesin. Mari pertimbangkannya dengan lebih terperinci.
Pertama sekali, anda perlu memahami bahawa peranti yang beroperasi pada rangkaian standard sesuai untuk kegunaan rumah. Voltan dalam rangkaian sedemikian secara tradisional 220 V. Voltan yang lebih tinggi diperlukan untuk menggunakan peralatan profesional, yang terdapat di perniagaan kecil, tetapi tidak untuk peranti yang dibuat dengan tangan. Pengisar mesin pengisar mesti dibuat sesuai dengan gambar yang telah disediakan sebelumnya.
Perkara penting lain ialah bilangan putaran pemacu. Ketepatan pemprosesan bahan kerja bergantung pada parameter ini. Corak tertentu dapat dikesan di sini. Semakin tinggi kuasa enjin, semakin banyak revolusi yang dapat dihasilkannya.
Pilihan pemacu yang paling sesuai termasuk bilah khas dalam reka bentuknya. Fungsi mereka adalah untuk meneutralkan pemanasan berlebihan yang berlaku semasa operasi mesin. Peranti sedemikian mudah dibuat sendiri di bengkel rumah.
Selalunya, motor sederhana dari mesin basuh digunakan untuk memasang peralatan pengisaran tersebut. Penggiling do-it-yourself jenis ini memenuhi semua keperluan operasi dan digunakan untuk memproses benda kerja kecil yang diperbuat daripada logam, kayu, dan juga plastik.
Ciri-ciri membuat penggiling dari mesin basuh dengan tangan anda sendiri
Tenaga enjin dipilih bergantung pada dimensi elemen struktur lain. Pertama sekali, ini mengenai dimensi takal utama (terkemuka). Sekiranya ukuran elemen ini adalah standard 150 mm, maka diperlukan mesin yang memiliki kekuatan yang memungkinkannya memberikan daya hingga 3000 rpm.
Sudah tentu, anda boleh membeli enjin siap, tetapi ia memerlukan wang tambahan. Pilihan terbaik untuk pemasangan di rumah adalah menggunakan motor yang tidak diperlukan dari mesin basuh. Pengisar, yang berdasarkan pada peranti sedemikian, pastinya tidak dapat dibandingkan dengan alat pengilangnya, tetapi sangat sesuai untuk kerja seharian yang sederhana.
Motor, dibongkar dari mesin basuh jenis automatik lama, mempunyai kuasa rendah (di bawah 300 W). Ia dibezakan dengan kebolehpercayaan yang baik dan operasi yang bersahaja. Populariti penggunaan pemacu sedemikian adalah kerana penggunaannya yang meluas.
Artikel berkaitan:
Pemacu dari mesin basuh mesti disertakan dalam gambar awal. Penggiling do-it-yourself di rumah memerlukan mesin dengan poros keluaran. Dalam kes ini, poros mempunyai sambungan berulir, reka bentuknya memungkinkan untuk terlibat dengan takal dengan mudah.
Nota!Untuk pemasangan unit pengisaran, motor sesuai bukan sahaja dari mesin automatik lama, tetapi juga pemacu generasi baru. Semasa menggunakan peranti jenis kedua, perlu diingat bahawa mereka memerlukan peranti yang akan mengatur bilangan putaran. Ini disebabkan oleh fakta bahawa kelajuan putaran maksimum pemacu sedemikian boleh mencapai hingga 18 ribu rpm.
Pemacu generasi baru mempunyai satu kelemahan yang ketara. Dengan penggunaan peralatan pengisaran yang aktif, penggunaan berus mesin agak cepat berlaku.
Semasa merancang penggiling dengan tangan anda sendiri dari mesin dari mesin basuh, anda juga mesti mengambil kira bahawa pemacu seperti itu paling sesuai untuk unit kecil. Oleh itu, perlu memilih dimensi optimum penggelek utama dan sekunder terlebih dahulu.
Membuat penggiling penggiling dengan tangan anda sendiri: gambar
Reka bentuk penggelek untuk unit pengisaran jenis ini adalah langkah serius yang memerlukan penjagaan dan ketepatan. Salah satu elemen pengisar yang paling penting adalah penggelek utama. Perlu diingat bahawa dimensinya mesti lebih besar daripada dimensi penggelek yang tinggal.
Bukan kebetulan bahawa roller terkemuka mempunyai ciri-ciri geometri seperti itu. Dimensi sedemikian memungkinkan untuk mengelakkan sentakan yang tidak diingini berlaku semasa daya kilas permulaan. Penting juga untuk memahami bahawa untuk pembuatan elemen struktur ini, tidak boleh digunakan bahan yang mempunyai jisim yang besar. Bahan-bahan tersebut merangkumi:
- keluli;
- besi tuang.
Sebelum mula membuat video, anda perlu menyiapkan gambar dimensi yang sesuai. Pengisar tali pinggang dengan tangan anda sendiri harus mempunyai penggelek kecil yang ringan dan selesa. Ini biasanya mencukupi untuk menjalankan kerja pengamplasan sederhana.

Semasa memasang penggiling sendiri, penting untuk mengatur penggelek tegak lurus antara satu sama lain untuk mengelakkan penyelewengan tali pinggang
Untuk mengurangkan berat roller pemacu, sekeping keluli dengan rongga dapat dirancang. Terdapat buku rujukan khas yang membolehkan anda melakukan pengiraan yang diperlukan untuk prosedur ini.
Pilihan kedua, yang paling sering digunakan oleh pengrajin rumah, adalah penggunaan duralumin. Bahan ini ringan dan sesuai untuk tujuan ini. Ia mengandungi kekotoran tembaga dan magnesium, yang memberikan peningkatan kekuatan aloi. Untuk pemasangan penggiling, adalah kebiasaan menggunakan duralumin gred D16 dan lebih tinggi.
Bagaimana membuat penggelek untuk diri sendiri? Pakar mengesyorkan membuat alur pada takal yang terletak di hujungnya. Dimensinya dipilih dengan mengambil kira ukuran tali pinggang kasar yang akan digunakan di mesin. Langkah ini bertujuan untuk mengelakkan tergelincirnya pita semasa operasi peralatan. Sebaiknya lakukan manipulasi yang sama dengan penggelek yang tinggal.
Kekasaran penggelek sangat penting. Permukaan penggelek boleh mempunyai tahap kekasaran yang berbeza. Semasa memasang penggiling, disarankan untuk menggunakan penggelek di mana penunjuk ini berada dalam jarak antara 1,25 hingga 2,5. Jadual yang mengandungi maklumat mengenai tahap kekasaran bahagian boleh didapati dengan mudah di Internet. Pulley penggiling do-it-yourself dipasang pada peralatan dengan menggunakan unit galas.
Dalam kes ini, galas jenis tertutup digunakan, yang mempunyai cincin luar yang statik dan diklasifikasikan sebagai penjajaran diri. Pemasangan elemen sedemikian memungkinkan untuk mengecualikan kemungkinan terkena pelelas atau zarah asing lain pada batang roller.
Semasa memilih galas, sangat penting untuk mengambil kira parameter galasnya. Petunjuk ini menentukan berapa banyak beban yang dapat ditahan oleh bahagian tersebut. Semakin tinggi bilangan putaran unit, galas yang lebih dipercayai. Tidak digalakkan untuk menyimpang dari gambar dimensi semasa bekerja. Pengisar tali pinggang, dibuat sesuai dengan skema, akan mempunyai kecekapan yang lebih tinggi dan juga jangka hayat yang lebih lama.
Bagaimana membetulkan video dalam peranti? Cara termudah di rumah adalah menggunakan pin cotter standard untuk mengikat roller. Pilihan pemasangan lain adalah penggunaan bahu (di satu hujung gandar).
Ciri-ciri yang harus dipenuhi oleh tali pinggang untuk unit pengisaran
Pemilihan jalur kasar adalah langkah penting semasa pemasangan penggiling mini dengan tangan anda sendiri. Pertama sekali, anda perlu memutuskan panjang pita dan lebarnya. Parameter geometri jalur dipengaruhi oleh dua faktor utama:
- dimensi pengisar;
- tujuan unit.
Jalur kasar yang tidak berkesudahan juga dikelaskan kepada jenis bijirin. Panjang jalur pengamplasan boleh berbeza (dari 610 hingga 1830 mm). Pita sedemikian selebar 50 atau 100 mm. Pilihan pertama paling kerap dijumpai di unit yang dipasang dengan tangan di rumah.
Jalur pelelas berkualiti tinggi semestinya mempunyai sokongan kain elastik. Semasa memilih alat yang betul, anda juga perlu memperhatikan berapa banyak revolusi yang dapat ditahan oleh jalur. Anda disyorkan untuk membeli produk yang mampu beroperasi pada 1500 rpm. Pilihan ini sangat sesuai untuk membuat penggiling tali pinggang dengan tangan anda sendiri. Lukisan yang dibuat lebih awal harus mengandungi maklumat mengenai dimensi jalur kasar dan ciri-ciri lain.
Tali pinggang yang baik mesti mempunyai daya tahan lelasan yang tinggi. Ketahanan pita untuk dipakai bergantung pada penunjuk ini. Untuk alat buatan sendiri, disarankan untuk menggunakan tali pinggang, panjangnya tidak lebih dari 123 cm. Jalur pelelas tidak hanya tahan terhadap pemakaian, tetapi juga mempunyai ketahanan yang baik terhadap suhu tinggi yang dihasilkan semasa geseran terhadap benda kerja semasa operasi.
Perlu diperhatikan bahawa tali pinggang pendek lebih mudah dipakai dan terkoyak daripada yang lebih panjang. Pakar menasihati anda untuk memperhatikan gambar dengan gambar produk siap. Foto peranti membolehkan anda menjawab persoalan bagaimana membuat penggiling dengan tangan anda sendiri. Lukisan peranti dapat dipermudahkan sekiranya elemen siap dibeli secara berasingan digunakan dalam pemasangannya.
Akhirnya, perhatian khusus mesti diberikan kepada tapak ikatan tali pinggang kasar. Sambungan kedua-dua hujung jalur hendaklah sehalus mungkin, tanpa cacat atau penonjolan.
Cara melekatkan tali pinggang untuk unit pengisar itu sendiri
Pengikat tali pinggang mengandungi pegas, yang mempunyai fungsi yang sangat penting: mengikat tali pinggang yang kendur kerana memakai. Tali pinggang diubah beberapa kali, walaupun semasa memesin benda kerja kecil. Perkara ini harus diingat.
Semasa memasang penggiling dengan tangan anda sendiri dari papan lapis atau logam, anda boleh membuat jalur pelelas sendiri. Melekatkan pita seperti itu adalah usaha kompleks yang tidak bertolak ansur dengan kesalahan. Terdapat banyak petua di Internet mengenai cara membuat pita dengan betul, tetapi banyak daripadanya tidak betul.
Proses perekatan adalah seperti berikut. Mula-mula anda perlu mengambil bahan zamrud berasaskan kain. Maka perlu disiapkan kedua-dua hujung jalur pelelas. Untuk ini, mereka dibersihkan. Jahitan pada jalur dilakukan secara eksklusif dengan kaedah "pantat sendi". Pakar pasti mengesyorkan untuk menguatkan pita terpaku dari dalam dengan menggunakan jalur kain yang padat, yang dipasang dengan pelekat khas.
Nota! Anda tidak perlu menggunakan gam Moment untuk merekatkan pita.
Untuk menghubungkan hujung jalur pelelas, anda perlu membeli pelekat khas. Pilihan terbaik adalah menggunakan pelekat elastik. Ia tidak bernilai menabung pada masa yang sama, kerana dana yang murah, sebagai peraturan, tidak berkualiti.
Sebelum memulakan ikatan, sediakan sehelai untuk tape tape. Pengisar do-it-yourself (dari bahan sekerap) memerlukan jalur pelelas yang boleh dipercayai, yang sukar dilakukan di rumah. Prosesnya dilakukan menggunakan gam gam, yang dipasang pada senapang termo. Pertama, komposisi dipanaskan. Untuk melakukan ini, anda boleh menggunakan pengering rambut biasa, yang terdapat di setiap rumah.
Penggiling Buatan Sendiri: Lukisan Dimensi Meja Putar dan Petua Pemasangan
Di rumah, anda boleh merancang versi mesin yang ringkas dan peranti yang lebih berfungsi. Untuk memperluas aksesori operasi unit dan memastikan kemudahan operasi, meja sokongan jenis putar dibuat. Permukaan ini dipasang di sisi takal terbesar.
Kelebihan menggunakan meja putar sudah jelas. Pertama sekali, ini akan memungkinkan memperbaiki bahagian pada kedudukan tertentu, yang akan memudahkan prosesnya. Semasa memasang penggiling putar dengan tangan anda sendiri, perlu dipertimbangkan kemungkinan mengubah arah jalur pelelas. Emery semestinya bergerak ke arah tempat permukaan kerja dikerahkan.
Jadual mesti dilengkapi dengan elemen pemasangan yang boleh bergerak - pendakap. Pada bahagian ini, fungsi putaran mengenai paksi mendatar dengan sudut tetap harus dilaksanakan.
Selalunya, untuk mesin ringkas yang dibuat di rumah, meja yang diperbuat daripada duralumin digunakan. Juga terdapat dalam kayu. Lukisan mesin disediakan sesuai dengan ciri reka bentuknya. Ketebalan permukaan untuk pembuatan duralumin yang digunakan mestilah sekurang-kurangnya 15 mm. Ini sangat penting kerana meja yang lebih nipis mungkin tidak dapat menangani beban kerja.
Fungsi satah pengapit dalam kes ini dilakukan oleh rangka unit. Untuk ini, perlu menyiapkan bingkai. Cukup sekadar menggiling salah satu permukaan bingkai - yang terletak di panggung.
Pengisar DIY di rumah dari gerudi: ciri pemasangan
Alat pengisar seperti itu boleh dibina dengan cara yang lebih sederhana. Sudah tentu, memasang unit pegun yang dirancang untuk diletakkan di atas meja adalah pilihan terbaik untuk mengisar pelbagai bahagian secara tetap. Terdapat pilihan lain yang kurang rumit untuk membuat alat penggiling dengan tangan anda sendiri.
Sekiranya anda mahu, anda boleh membuat penggiling dengan tangan anda sendiri dari penggiling atau gerudi. Bor adalah alat elektrik, oleh itu, peraturan keselamatan mesti dipatuhi ketika bekerja dengan alat semacam itu.
Keperluan untuk memproses logam, dan juga kekosongan kayu timbul dalam kehidupan seharian. Membeli unit kilang untuk jumlah kerja yang kecil bukanlah penyelesaian terbaik. Kaedah termudah untuk membuat penggiling sederhana adalah menggunakan gerudi.
Selalunya, untuk memasang alat penggiling, bahan sekerap seperti kayu, plastik, papan lapis digunakan. Sebelum memulakan kerja, disarankan untuk menyediakan gambarajah muncung, yang membolehkan anda membuat penggiling sendiri. Video mengenai topik ini juga disarankan oleh pakar untuk dilihat, kerana ia merangkumi semua nuansa yang berkaitan dengan pemasangan.
Harus dikatakan bahawa ketika bekerja dengan benda kerja kecil yang terbuat dari plastik dan kayu, penggiling ini menunjukkan dirinya praktis tidak lebih buruk daripada peralatan pegun.
Kelebihan lain dari penyelesaian ini ialah model gerudi moden mempunyai alat kawalan khas. Fungsinya adalah untuk menyesuaikan kelajuan pemacu. Kesederhanaan konstruktif dan kecekapan tinggi tercermin dalam populariti penyelesaian seperti itu.
Pengisar DIY di rumah: video dan arahan pemasangan dari pengisar
Penggiling pegun untuk kegunaan rumah dengan tujuannya menyerupai alat yang terbuat dari gerudi. Peranti berdasarkan penggiling sudut, atau, seperti yang disebut juga, penggiling, mempunyai ciri tersendiri.Ciri utama pengisar adalah bahawa pemacu mereka mempunyai kelajuan putaran yang tinggi.
Oleh itu, untuk pembuatan penggiling dari penggiling, peranti mungkin diperlukan untuk mengawal kelajuan pemacu. Penggiling sudut sering digunakan sebagai fail elektronik. Untuk ini, terdapat alat pemasangan tali pinggang khas yang dijual, iaitu:
- sempit;
- lama.
Lekapan semacam itu cukup popular di kalangan tukang. Dengan bantuan mereka, anda dapat menangani pelbagai tempat yang sukar dijangkau dengan mudah (contohnya, lubang). Membuat penggiling dari penggiling dengan tangan anda sendiri tidak sukar. Untuk melakukan ini, perlu secara bebas merancang muncung kasar, yang berdasarkan tali pinggang dengan ukuran yang diperlukan. Walau bagaimanapun, jauh lebih mudah untuk membeli alat siap pakai.
Perbezaan struktur utama antara penggiling sudut dan peralatan lain yang beroperasi dari sesalur adalah lokasi poros keluaran penggiling. Elemen ini digunakan pada sudut tepat ke badan. Hasilnya, reka bentuk ini sangat mudah dan memudahkan penahan roller pemacu dan kain kasar.
Oleh itu, muncung seperti itu tidak sukar dilakukan dengan tangan anda sendiri. Lukisan penggiling dari penggiling boleh didapati di salah satu forum khusus yang dikhaskan untuk topik ini. Alat jenis ini cukup selesa digunakan. Badan lampiran yang memanjang memudahkan pelbagai jenis kerja pengisaran.

Penggiling dari penggiling sering muncul dalam kehidupan seharian pengrajin rumah, kerana ia sendiri sudah menjadi penggiling mini
Membuat pengisar sederhana di rumah bukanlah suatu usaha yang sukar sekiranya anda mendekati masalah dengan cekap. Sudah tentu, anda boleh merancang peralatan yang lebih berfungsi dengan tangan anda sendiri, tetapi kerja seperti itu memerlukan lebih banyak masa, bahan dan usaha. Pemilihan lukisan yang sesuai mesti dilakukan dengan menumpukan pada keperluan individu.