Channel adalah bahan popular yang digunakan untuk membuat pelbagai struktur logam dan pembinaan bingkai. Syarat untuk pilihan profil yang betul adalah pemilihan mengikut ukuran, berat dan penentuan kuantiti yang diperlukan. Gosstandart mengembangkan syarat yang mesti dipenuhi oleh saluran. Dimensi, berat, ketumpatan dan nisbahnya - semua ini merangkumi jadual yang sesuai dari GOST tertentu. Penerangan mengenai ukuran yang paling umum diberikan dalam artikel.

Bar saluran digunakan secara meluas dalam bidang pembinaan, industri, kejuruteraan mekanikal dan bidang yang serupa
Kandungan
- 1 Jadual dimensi saluran sesuai dengan GOST
- 2 Penentuan berat dan harga saluran per meter: jadual ukuran, kos profil
- 3 Ciri-ciri saluran 10: dimensi, berat, kos
- 4 Parameter utama saluran 12: dimensi, berat dan kos
- 5 Variasi saluran 14: dimensi, berat, ruang lingkup
- 6 Ciri saluran 16: dimensi, berat dan kos
- 7 Berat, harga, dimensi saluran 20: semua maklumat yang diperlukan mengenai profil
- 8 Saluran: dimensi yang mempengaruhi skop
Jadual dimensi saluran sesuai dengan GOST
Saluran adalah produk logam yang cukup popular dibuat dari pelbagai jenis keluli. Istilah itu sendiri berasal dari Jerman. Ciri khas profil adalah bentuk U produk dalam keratan rentas.
Peralatan khas digunakan untuk pembuatan saluran. Profil hot-roll atau bengkok dibezakan dengan kaedah pengeluaran. Dalam bentuk tepi rak, mereka boleh selari atau mempunyai lereng tertentu di dalamnya. Pengelasan juga berdasarkan nilai berangka dalam bentuk nombor di sebelah tanda yang sesuai. Nombor menunjukkan ukuran, yang ditentukan oleh jarak antara tepi rak di luar.
Pembuatan saluran, seperti produk logam gulung lain, diatur oleh GOST yang relevan, yang dengan jelas menjelaskan keperluan asas untuk jenis profil tertentu. Semua data ditunjukkan dengan jelas dalam jadual. Contohnya, dokumen peraturan “Saluran keluli bergulung panas. Assortment "(GOST 8240 97) mengandungi 7 jadual yang diperluas.
Dengan menggunakan data jadual yang sesuai, anda dapat menentukan kualiti produk dengan menghubungkan dimensi sebenarnya dengan yang dijelaskan dalam GOST. Sebaik-baiknya, penunjuk harus sesuai sepenuhnya, walaupun kadangkala produk logam dibuat mengikut pesanan. Profil individu dihasilkan dalam kumpulan kecil - untuk projek tertentu. Harga saluran yang dibuat khas berbeza dengan kos pengeluaran bersiri.

Piawaian GOST dengan jelas menyatakan semua keperluan yang mesti dipenuhi oleh saluran satu jenis atau yang lain.
Ketinggian standard saluran berkisar antara 50 hingga 400 mm, lebar rak adalah dari 32 hingga 115 mm.Kesalahan yang dibenarkan (berbanding dengan dimensi standard yang ditentukan) maksimum 3 mm. Panjang saluran yang diukur sesuai dengan indikator dari 4 hingga 13 m.
Berat saluran, tanda dan simbolnya
Untuk menetapkan pelbagai jenis saluran, tanda khas digunakan. Surat itu menunjukkan jenis profil, yang mencirikan ciri-ciri struktur dan lokasi tepi:
- "P" - menunjukkan paralelisme;
- "Y" - menunjukkan kehadiran cerun di tepi;
- "E" - menunjukkan kecekapan;
- "L" - bermaksud ringan;
- "C" - bercakap mengenai tujuan khas profil.
Nasihat berguna! Petunjuk berangka di dekat huruf menunjukkan ukuran produk, sesuai dengan ketinggian yang diberikan dalam jadual GOST. Perlu diperhatikan bahawa biasanya saluran ditandai dengan nilai berangka dalam sentimeter, dan ketinggiannya dalam jadual ditunjukkan dalam milimeter. Nampaknya seperti ini: saluran 8, berat saluran 12 atau saiz saluran 16P.
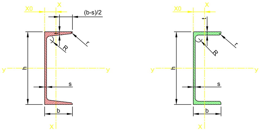
Selain ketinggian produk, dimensi lain juga digunakan. Dalam jadual, mereka mempunyai sebutan khas:
- h adalah ketinggian profil, yang merupakan nilai utama yang menentukan ukuran produk logam bergolek;
- b - menunjukkan lebar rak;
- S - penunjuk ketebalan dinding utama;
- R - mentakrifkan jejari bahagian dalam bulat bulat;
- t - menunjukkan ketebalan rak;
- r adalah jumlah jejari kelengkungan rak.
Petunjuk penting dalam pemilihan bahan (dalam reka bentuk pembinaan) adalah berat saluran. Pengiraan data yang betul membolehkan anda mengira jumlah produk yang diperlukan dengan tepat dan, dengan itu, menjimatkan pembelian mereka. Terdapat beberapa kaedah untuk mengira berat meter larian. Mereka bergantung pada kaedah pembuatan produk gulung. Sebagai contoh, untuk menentukan graviti spesifik saluran hot-roll, petunjuk radius pembundaran dan pembulatan rak dalaman diambil kira.
Penentuan berat dan harga saluran per meter: jadual ukuran, kos profil
Pengiraan graviti spesifik yang kompleks, selain kemahiran matematik, juga memerlukan pengemaskinian kursus sekolah dalam bidang fizik dan geometri. Oleh itu, lebih baik menggunakan pengiraan siap pakai yang diberikan dalam jadual khas, atau menggunakan kalkulator dalam talian. Untuk melakukan ini, cukup memasukkan data yang diperlukan dan mendapatkan hasil yang tepat.
Kos bar saluran ditentukan sesuai dengan meter berjalan. Pembentukan harga dipengaruhi oleh ketinggian profil, yang menentukan nombor produk, serta gred keluli dari mana produk dibuat. Sebagai contoh, saluran yang diperbuat daripada keluli aloi rendah akan berharga lebih besar daripada produk serupa yang diperbuat daripada keluli karbon. Ini disebabkan oleh fakta bahawa jenis bahan mentah pertama mempunyai ciri kekuatan yang meningkat.
Harga rata-rata semasa untuk saluran di pasaran logam gulung di Rusia ditunjukkan dalam jadual:
Nombor saluran | Berat meter larian, kg | Panjang dalam tan, m | Harga per meter berjalan, sapu. |
5 | 4,8 | 207 | 200 |
6,5 | 5,9 | 169 | 240 |
8 | 7,1 | 142 | 265 |
10 | 8,6 | 115 | 350 |
12 | 10,4 | 97 | 420 |
14 | 12,3 | 82 | 480 |
16 | 14,2 | 71 | 520 |
18 | 16,3 | 60 | 600 |
20 | 18,4 | 55 | 760 |
22 | 21,0 | 48 | 870 |
24 | 24,0 | 42 | 1020 |
27 | 27,7 | 35 | 1150 |
30 | 31,8 | 32 | 1400 |
40 | 48,3 | 21 | 4250 |
Di atas adalah jadual umum. Untuk mempunyai idea mengenai setiap jenis saluran, ciri, dimensi dan ciri masing-masing, perlu mengetahui setiap jenis dengan lebih terperinci. Di bawah ini, sebagai contoh, pertimbangkan jenis dan ukuran saluran yang paling biasa yang mendapat permintaan tinggi dan penggunaan yang meluas.
Ciri-ciri saluran 10: dimensi, berat, kos
Julat saluran 10, sebagai produk penggulungan logam yang cukup popular, cukup luas. Ciri-ciri varietas dan spesiesnya diatur oleh GOST 8240, dikembangkan pada tahun 1989. Sifat-sifat produk termasuk parameter rak dan dinding, khususnya tinggi dan lebarnya, dan juga jari-jari kelengkungan saluran bertanda 10U diambil kira.
Saluran 10 mempunyai tiga subtipe dengan tanda yang sepadan:
- У - profil di mana rak dalaman dibuat dengan cerun;
- Saluran P, di mana tepi rak selari;
- Produk E - ekonomi dengan susunan rak selari.
Nasihat berguna! Setiap jenis saluran mempunyai sebutan tersendiri, misalnya, 10P, 10U atau 10E. Nilai yang sesuai terdapat dalam jadual yang berasingan. Walaupun terdapat data berangka yang sama, ini adalah pelbagai jenis produk.
Yang paling banyak digunakan dalam pelbagai industri adalah, kerana ukurannya, saluran 10P. Ia digunakan secara meluas dalam pembinaan individu untuk pembinaan struktur yang menanggung beban. Nombor 10 pada tanda itu, sebenarnya, menunjukkan tingginya, sama dengan 100 mm, dan huruf P - jenis profil, sambil menekankan susunan selari rak. Saluran jenis ini mempunyai parameter berikut:
- lebarnya ialah 46 mm;
- ketebalan dinding - 4.5 mm;
- ketebalan rak - 7.6 mm;
- jejari kelengkungan - 7 mm;
- jejari kelengkungan di pinggir rak - 4 mm.
Untuk menentukan berat saluran 10, anda perlu mengetahui luas keratan rentas. Angka ini sepadan dengan 10.9 cm². Saluran jenis ini dihasilkan dengan panjang antara 4 hingga 12 m. Produk yang lebih panjang dibuat mengikut pesanan. Berat 1 meter saluran 10 dengan ketumpatan keluli 7,85 g / cm³, menurut pengiraan, adalah 8,59 kg. Kesalahan dalam nilai jisim yang ditunjukkan boleh menjadi 3-5%. Harga purata saluran 10 per meter ialah 356 rubel.
Parameter utama saluran 12: dimensi, berat dan kos
Produk logam yang disebut saluran 12 dengan rak selari mempunyai ketebalan badan 7.8 mm, dinding - 4.8 mm. Produk sedemikian dihasilkan dengan panjang dari 2 hingga 12 m. Salinan yang lebih panjang boleh dibuat mengikut pesanan. Populariti profil jenis ini adalah kerana kualiti positifnya, disimpulkan dalam nisbah jisim, kekuatan dan kos yang relatif rendah.
Profil keluli aloi rendah boleh digunakan pada suhu tinggi dan dalam keadaan peningkatan pendedahan kepada bahan kimia. Juga, produk menentang pemampatan dan lenturan dengan sempurna, tetapi pada masa yang sama ia tidak menolak kilasan dengan baik.
Berat 1 meter saluran 12 boleh didapati menggunakan jadual di atas atau menggunakan kalkulator dalam talian. Harga produk bergantung pada parameter ini. Berdasarkan jadual, berat saluran 12 per 1 meter ialah 10.4 kg.
Seperti saluran dengan ukuran lain, produk jenis ini mempunyai tanda tambahan dengan ciri yang berbeza. Yang paling popular adalah saluran 12P, yang mempunyai rak selari dengan tepi tanpa cerun.
Dimensi saluran 12P ditunjukkan di bawah:
- lebar - 52 mm;
- berat meter berjalan - 10.40 kg;
- panjang dalam satu tan - 95,94 m.
Saluran dengan tanda 12 juga mempunyai siri lain. Sebagai contoh, 12L adalah produk logam bergulung dengan dimensi 120x30 mm, yang dicirikan oleh rak condong. Berat profil 1 m ialah 5.02 kg, dan rakaman dalam 1 tan ialah 199 m.
Nasihat berguna! Penandaan saluran 12C menunjukkan tujuan khasnya, 12E - rangkaian produk yang ekonomik dengan rak tanpa kecenderungan. Ukurannya standard - 120x52 mm, dan beratnya sedikit lebih rendah - 10,24 kg. Oleh itu, satu tan bahan mengandungi hampir 97 m.

Bersama dengan nilai numerik yang menunjukkan lebar profil, mereka meletakkan huruf yang menunjukkan ciri reka bentuk bahan
Variasi saluran 14: dimensi, berat, ruang lingkup
Produk berbentuk U dengan tanda 14, kerana ciri kekuatan tinggi, banyak digunakan dalam produk konkrit bertetulang, digunakan untuk mengukuhkan struktur logam, serta dalam pelbagai kerja pembinaan dan pemulihan. Jenis produk ini mempunyai siri tersendiri:
- 14P adalah saluran hot-roll untuk kegunaan umum.Ia dihasilkan mengikut GOST 8240-97.
- 14U adalah profil tujuan khas yang banyak digunakan dalam kejuruteraan mekanikal.
- Saluran bengkok keluli dengan rak yang sama dihasilkan dengan menggunakan mesin khusus.
- Profil keluli bengkok dengan bebibir yang tidak sama dihasilkan pada peralatan membentuk gulung.
Saluran 14, seperti yang lain jenis logam bergolek, boleh keduanya dengan rak selari (menandakan "P"), dan dengan rak condong - jenama "U". Terdapat ciri umum untuk kedua-dua siri ini:
- ketinggian - 140 mm;
- lebar - 58 mm;
- ketebalan rak - 8.1 mm;
- ketebalan dinding - 4.9 mm;
- berat 1 meter saluran 14 - 12.3 kg;
- 1 tan mengandungi 81.3 m produk.
Perlu diperhatikan bahawa berat saluran 14 diatur dengan ketat oleh keperluan GOST tertentu. Kesalahan maksimum tidak boleh melebihi 4.5% jisim semua produk yang dibeli. Saluran saluran jenis ini dihasilkan sepanjang 2 hingga 12 m. Kos pengeluaran bergantung pada siri ini.
Ciri saluran 16: dimensi, berat dan kos
Saluran 16 digunakan secara meluas untuk menguatkan struktur bersaiz besar seperti jambatan, penyokong, dan juga ketika mencurahkan asas-asas bangunan tinggi. Keistimewaan teknikal siri logam gulung khas untuk penggunaannya dalam kejuruteraan mekanikal, pembinaan kereta dan pembinaan kapal.
Artikel berkaitan:
Julat saluran: nisbah ciri sebagai jaminan kebolehpercayaan
Jenis, penandaan dan ciri produk berbentuk u yang digulung. Keperluan mengikut jadual GOST, Gosstandart. Berat dan dimensi saluran.
Ciri utamanya adalah kemiringan tepi di tengah produk, yang memberikan peningkatan kekuatan lenturan dan kestabilan kilasan. Jenis produk ini mempunyai tiga siri:
- 16P - digunakan dalam kerja pemasangan kerana kemudahan pemasangan;
- 16U - dibezakan oleh ketahanan terhadap beban menegak, yang menyiratkan penggunaannya di kawasan dengan peningkatan aktiviti gempa;
- 16L - kerana beratnya yang rendah, ia digunakan untuk pembinaan struktur monolitik dan dalam pembinaan kapal.
Semua produk mematuhi GOST tertentu:
- 8240-97 - saluran hot-roll;
- 8278-83 - saluran yang dibentuk sejuk dengan rak yang sama;
- 8281-80 - bengkok dengan rak yang tidak sama.
Dimensi standard saluran 16 sesuai dengan nilai berikut:
- ketinggian - 160 mm;
- lebar rak - 64 mm;
- ketebalan dinding - 5 mm;
- ketebalan rak - 8.4 mm.
Berat saluran 16 sepadan dengan nilai 14.2 kg. Terdapat kira-kira 70 m logam gulung dalam satu tan. Petunjuk ini secara langsung mempengaruhi harga profil keluli. Sebagai contoh, harga purata 16 saluran per meter ialah 520 rubel. Produk dihasilkan dengan panjang dari 2 hingga 12 m.
Nasihat berguna! Panjang produk mempengaruhi kemudahan pengangkutannya. Itulah sebabnya pengeluaran saluran sepanjang 12 m tidak dipraktikkan. Pada masa yang sama, panjang ini adalah yang paling banyak berjalan, hanya untuk itu platform automatik khas dirancang.
Berat, harga, dimensi saluran 20: semua maklumat yang diperlukan mengenai profil
Saluran 20 tergolong dalam kategori produk logam sejagat yang diperbuat daripada keluli dengan kaedah hot-rolled. Ia digunakan di hampir semua industri - tidak hanya dalam pembinaan struktur penanggung beban, tetapi juga untuk pembinaan jambatan, di industri automotif dan pengangkutan, serta dalam bidang teknik berat. Pengeluaran produk diatur oleh beberapa GOST, yang sesuai dengan ciri teknikal dan penyimpangan yang dibenarkan dari norma.
Saluran 20 mempunyai tiga jenis utama yang memenuhi syarat khusus Standard Negeri:
- penggunaan am dan tujuan khas - GOST 8240-97;
- khas untuk industri automotif - GOST 19425-74;
- khas untuk bangunan kereta - GOST 5267.1-90.
Semua jenis produk gulung ini dicirikan oleh parameter umum, seperti ketinggian, lebar bebibir dan berat saluran 20. Perlu diperhatikan bahawa profil boleh sama-sama bebibir atau dengan tepi bebibir condong. Ciri-ciri dimensi profil 20 adalah seperti berikut:
- ketinggian - 200 mm;
- lebar rak - 76 mm;
- ketebalan dinding - 52 mm;
- ketebalan rak - 9 mm.
Berat pelbagai jenis saluran boleh sedikit berbeza. Contohnya, saluran 20P mempunyai berat 1 meter sama dengan 18.4 kg. Saluran P siri 20 paling banyak diminati di pasaran pembinaan. Ia digunakan untuk pembinaan kerangka dan untuk pembinaan jambatan, pembuatan alat mesin yang besar, dan juga untuk tujuan lain. Menurut GOST 8240-89 untuk hot-rolled dan GOST 8278-83 untuk saluran bengkok, profil dibuat dengan panjang dari 4 hingga 12 m.
Saluran: dimensi yang mempengaruhi skop
Menyimpulkan perkara di atas, kesimpulan menunjukkan bahawa saluran tersebut adalah produk logam bergulung yang digunakan untuk mengukuhkan struktur yang diperbuat daripada konkrit bertetulang, untuk pengeluaran produk kren, penyokong elektrik, jambatan, tong minyak dan struktur skala besar lainnya. Pelbagai kegunaan adalah kerana tahap kekuatan dan kestabilan yang tinggi dengan berat produk yang agak rendah. Pada masa yang sama, ukuran saluran yang berlainan berlaku di kawasan tertentu atau mempunyai tujuan khusus.
Oleh itu, kerana dimensi padat, saluran 8 digunakan secara meluas dalam pembinaan individu sebagai lintel konkrit, dan juga berfungsi untuk pembuatan asas dalam pembinaan bukaan pintu dan tingkap. Aplikasi yang luas, kerana ukuran dan kekuatan universal, mempunyai saluran 10, yang dibuat dengan penggulungan panas.
Saluran 12. dihasilkan dengan cara yang sama. Ciri positif utamanya ialah kebolehkimpalan yang sangat baik. Ini digunakan untuk meningkatkan daya tahan struktur dan sebagai penguat struktur. Saluran 14 dihasilkan menggunakan mesin gulung. Kekukuhan yang diperkuat menyiratkan penggunaannya sebagai balok beban di siling dalam pembinaan bangunan tinggi, dan juga di bangunan kereta.
Nasihat berguna! Semasa memilih produk logam bergulung, anda harus ingat tentang adanya rangkaian saluran yang berlainan. Profil dengan tepi bebibir yang diletakkan secara selari ditandai dengan huruf "P"; saluran khas ditandakan "C". Model dengan bahagian tepi rak yang condong ditandai dengan huruf "U"; profil ekonomi sesuai dengan tanda "E"; tanda "L" bermaksud saluran versi ringan.
Saluran 16, dibuat dengan penggulungan panas, digunakan secara meluas dalam pembinaan bangunan tinggi, dan juga dalam pembinaan penyokong logam untuk jambatan. Dimensi saluran 18 membolehkannya digunakan sebagai penguat pada bangunan tinggi dan dalam struktur dengan tahap beban yang tinggi.

Profil dengan tanda dari 20 dan ke atas boleh digunakan untuk pembinaan jambatan dan objek bersaiz besar lain dengan beban tinggi
Profil yang ditandakan 20, 22, 24 tergolong dalam kategori kekuatan tinggi. Mereka digunakan dalam pembinaan bangunan dan struktur yang sangat banyak yang bergerak. Sebagai contoh, dimensi saluran 24 menunjukkan penggunaannya dalam pembinaan jambatan bergerak, serta kren dengan daya angkat yang tinggi.
Saluran 40, yang mempunyai ketegaran maksimum, digunakan dalam industri berat, di mana beban besar disediakan, dalam pembuatan kapal, dan juga untuk pembinaan pelantar minyak.
Oleh itu, saluran sangat penting dalam pembinaan, oleh itu ia digunakan secara meluas di pelbagai kawasan. Semasa memilih produk, perlu menavigasi pelbagai ukuran dan mengetahui ciri utama setiap jenis saluran. Ini akan membolehkan anda memilih siri yang diingini dan menggunakan produk logam bergolek sebegini mungkin.