Lantai air suam di bangunan kediaman dan pangsapuri berfungsi sebagai elemen utama pertukaran haba di dalam bilik atau melengkapkan litar radiator tradisional. Gambar rajah pendawaian lantai yang dipanaskan air di rumah persendirian dikembangkan untuk reka bentuk, pembaikan atau penggantian sistem pemanasan individu. Pemilik rumah secara bebas memilih jenis alat pemanasan.
Kandungan
Gambar rajah pendawaian lantai yang dipanaskan air di sebuah rumah persendirian
Gambar rajah pendawaian lantai yang dipanaskan air dibangunkan sesuai dengan penggunaan haba yang dikira dan kerugiannya melalui struktur penutup. Fitur dan peraturan untuk menghitung lantai yang dipanaskan air diberikan sebelumnya dalam artikel "Pengiraan pemanasan bawah lantai panas". Semasa mula membuat gambarajah pendawaian secara bebas, anda perlu ingat:
- jumlah beban termal sebuah bilik bergantung pada tahap penebat, ketebalan dan bahan dinding, lantai (lantai, siling), bukaan tingkap dan pintu. Pengiraan dibuat dengan mengambil kira zon iklim kawasan kediaman. Sekiranya nilai pemindahan haba yang dikira melebihi 100 W / m², maka menggunakan lantai air suam sebagai pilihan pemanasan utama tidak menguntungkan;
- sistem pemanasan bawah lantai terdiri daripada litar berfungsi selari. Panjang satu litar pemanasan bergantung pada beban haba, kawasan ruang yang boleh digunakan, kaedah dan nada paip;
- kawasan bangunan premis tidak bertepatan dengan kawasan yang dihuni oleh litar pemanasan lantai. Kawasan yang boleh digunakan mengambil kira ruang kosong, yang tidak termasuk tempat pemasangan perabot terbina dalam dan lekukan dari dinding dalaman (0.3 m) dan luaran (0.1 ÷ 0.15 m);
- premis dengan keluasan lebih dari 30 m² dibahagikan kepada sektor. Setiap bahagian dipanaskan oleh litar bebas yang disambungkan ke manifold pengedaran. Panjang, nada dan diameter pautan yang disambungkan ke mati injap yang sama mestilah sama. Pengecualian dibuat untuk kawasan tetulang kontur di sepanjang dinding luar;
- lantai air adalah elemen sistem pemanasan yang tidak menentu. Panjang dan kompleks konfigurasi litar suhu rendah memerlukan pemasangan pam edaran biasa atau beberapa. Tekanan yang telah ditetapkan dalam sistem pemanasan rumah kecil dapat dikekalkan oleh dandang dengan peniup tekanan terbina dalam. Pemasangan pam edaran dan injap kawalan di setiap litar diperlukan untuk mengimbangkan pemanasan bawah rumah sebuah rumah besar (lebih dari 150 m²);
- skema pemasangan untuk lantai air suam (sederhana, sudut, gelung berganda atau lingkaran) bergantung pada kaedah pemanasan dan geometri bilik.Pemanasan tambahan membolehkan gelung tunggal sederhana, dengan langkah 0.2 ÷ 0.3 m. Pemanasan utama dengan lantai air suam disusun dengan gelung berganda atau lingkaran (langkah 0.1 ÷ 0.15 m);
- nada dan panjang rantai individu menentukan diameter paip yang dipilih. Semakin besar keratan rentas dalaman paip, semakin besar panjang gelung yang dibenarkan. Jarak antara paksi paip bekalan dan pulangan mesti mengekalkan keadaan terma yang optimum. Petunjuk standard untuk perbezaan suhu di kawasan tetangga ialah 5 ° С;
- ketinggian pai pemanasan bawah lantai diambil kira semasa menghias bukaan pintu dan tingkap, memasang pengikat untuk peranti pemanasan. Laluan paip melalui pintu dilakukan dalam selongsong logam. Tempat peletakan paip dipasang pada kedudukan tertentu agar tidak merosakkan pelapik semasa memasang blok pintu.
Teknologi pemasangan untuk lantai air suam
Teknologi pemasangan lantai air suam dibezakan oleh prinsip susunan asas litar pemanasan. Dasar untuk lantai air hangat dipilih dengan mempertimbangkan daya tahan tumpang tindih antara lantai dan penutup lantai yang dimaksudkan. Menonton video gambarajah pemasangan lantai air suam di rumah persendirian akan membantu anda mendapatkan idea yang jelas mengenai urutan operasi dan teknologi untuk melaksanakan kerja.
Pakar memanggil lantai air suam mengambang. Pita peredam selebar 12 ÷ 18 cm dipasang di sekitar perimeter bilik dan setiap litar, jika ruangan dibahagikan kepada sektor bebas. Filem tepi sepanjang ketinggian salutan bertindak sebagai sambungan pengembangan. Penyerap kejutan memastikan keselamatan penutup lantai dan litar pemanasan semasa pengembangan suhu, getaran dan pergerakan struktur bangunan. Pita mengurangkan kehilangan haba pada sendi antara plat pemanasan dan dinding luar.
Pada papak konkrit, lantai air suam disusun dalam lapisan simen pukal. Pangkalan konkrit dilapisi dengan kalis air, lapisan penebat dan mesh penguat diletakkan. Paip dilekatkan pada sel rangka menggunakan pengapit, penjepit khas atau kawat keluli. Di atas gelung paip, untuk merata beban operasi penutup lantai secara merata, jika perlu, salutan bertetulang juga disusun.
Pangkalan ringan yang menggabungkan fungsi penebat dan tikar lipat bingkai atau profil khas yang diperbuat daripada busa polistirena yang diekstrusi. Dalam kes pertama, paip di permukaan substrat dipasang dengan pengapit khas dengan petua kecapi atau rel pemasangan. Pada tikar profil, gelung kontur memasang bos dengan ketat, tidak diperlukan pengikat tambahan. Versi tikar profil yang lebih baik ditutup dengan lapisan kalis air dan dilengkapi dengan sistem penguncian penonjolan.
Penting! Pemasangan sistem polistirena memerlukan penjagaan. Lapisan pasang siap untuk penutup lantai dilakukan sebaik sahaja paip diletakkan. Permukaan elemen yang terbuat dari plastik berbuih menahan beban yang diedarkan dengan baik, tetapi mudah ditebuk di bawah tumit atau alat yang jatuh.
Sistem modular yang diperbuat daripada kayu atau komposit kayu diletakkan di lantai bawah. Sistem rak dan pinion kayu terbentuk di sepanjang kayu balak. Alur berputar dan lurus sistem lantai kayu direka untuk meletakkan plat pengedaran haba yang diperbuat daripada keluli tergalvani atau aluminium.
Paip yang digunakan untuk meletakkan lantai air suam (polietilena bersilang silang, logam-plastik, tembaga, keluli tahan karat bergelombang dengan lapisan polimer dalaman, lebih jarang polipropilena) dihasilkan menggunakan teknologi lancar. Kontur dibentangkan dari paip pepejal. Sambungan pantat dengan kelengkapan standard pada badan screed hanya dibenarkan untuk litar paip beralun.Permukaan paip mestilah tahan terhadap kakisan oksigen, mempunyai margin suhu dan kekuatan mekanikal, dan mempunyai permukaan dalaman yang halus.
Gegelung paip untuk pemanasan bawah lantai tidak dibuka terlebih dahulu - pengendalian ceroboh boleh menyebabkan pembentukan lipatan. Pemasangan bermula dari sisir manifold bekalan. Lepaskan gegelung secara beransur-ansur, jalankan susun atur yang dimaksudkan, dan kembalikan paip padat kepada pengedar. Litar disambungkan ke muncung berpasangan dari sikat manifold.
Selepas pemasangan semua litar pemanasan lantai, sistem diperiksa untuk kekuatan dan ketegangan sambungan. Setelah ujian dan ujian berjaya, lapisan simen dituangkan. Penutup lantai terakhir dipasang setelah lapisan kering sepenuhnya.
Gambar rajah pendawaian untuk menghubungkan lantai air suam ke sumber haba
Penjana haba autonomi di rumah persendirian memanaskan air hingga 95 ° C. Perbezaan suhu optimum antara bekalan dan pulangan adalah 20 ° C. Walau bagaimanapun, suhu maksimum yang dibenarkan penyejuk dalam sistem pemanasan bawah lantai - 55 ° C, penyingkiran haba 5 ° C. Dalam praktiknya, julat operasi penyejuk litar lantai tidak melebihi 40 ÷ 35 ° C.

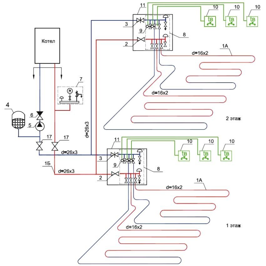
Skema pemanasan untuk rumah dua tingkat dengan kawalan suhu automatik di premis: 1A - paip 16 mm; 1B - paip 26 mm; 2 - injap bola; 3 - injap aliran langsung; 4 - tangki membran 24 l; 5 - pam edaran; 6 - injap periksa; 7 - kumpulan keselamatan; 8 - blok pemungut; 9 - pemacu servo elektroterma; 10 - termostat elektronik; 11 - kabinet pengedaran; 12 - penyambung; 13 - palam pengedap sendiri; 14 - puting; 15 - penyambung kelim; 16 - selongsong beralun; 17 - injap bola
Suhu dikawal dengan cara pencampuran aliran paksa: sebahagian penyejuk dari aliran balik memasuki saluran paip bekalan. Unit pencampuran dipasang di antara dandang dan manifold pengedaran.
Terdapat model peralatan gas yang mempunyai litar pemanasan bawah lantai terpasang: dalam mod operasi "pemanasan bawah lantai", sistem automatik menghadkan suhu aliran di saluran keluar dandang hingga 45 ° C. Pengoperasian dandang gas konvensional dalam mod pemanasan bawah lantai mengurangkan kecekapan unit.
Dandang bahan api pepejal untuk pembakaran lama di kayu dibezakan oleh penyesuaian kompleks mod pembakaran. Pemasangan pemanasan bawah lantai dalam sistem pemanasan dengan penjana haba bahan api pepejal, selain pam edaran, memerlukan pemasangan tangki penyangga. Medium pemanasan dibawa terus dari penumpuk hidraulik ke sistem pemanasan bawah lantai.

Gambar rajah sambungan lantai air suam ke dandang bahan api pepejal
Dandang elektrik adalah pilihan yang paling menguntungkan dan boleh diterima untuk operasi pemanasan bawah lantai yang cekap. Automasi elektrod, induksi atau unit dengan pemanas elektrik tiub dapat mengekalkan suhu penyejuk yang ditentukan tanpa kehilangan output haba dandang. Pemanasan lantai rumah kecil (sehingga 100m2) membolehkan penyambungan litar terus ke dandang elektrik. Lantai rumah-rumah persendirian yang besar diatur menggunakan sisir pengedaran coplanar dan unit pencampuran.
Artikel berkaitan:
Pemanasan lantai air sendiri, video dan penerangan prosesnya. Nuansa pemasangan. Penerangan mengenai proses memasang lantai yang dipanaskan air. Kelebihan dan kekurangannya berbeza dengan jenis lain.
Gambar rajah pendawaian lantai air suam di apartmen
Litar suhu rendah utama atau tambahan pemanasan bawah lantai dari pemanasan pusat di bangunan pangsapuri dirancang semasa pembangunan projek. Dilarang oleh undang-undang perumahan untuk secara bebas membuat perubahan pada skema pemanasan radiator bangunan pangsapuri. Suhu litar radiator lebih tinggi daripada parameter yang diperlukan untuk pemanasan bawah lantai.Perubahan yang tidak dibenarkan dalam arah, diameter dan panjang riser pemanasan rumah biasa menyebabkan ketidakseimbangan sistem dan pelanggaran rejim termal di bangunan kediaman.
Organisasi khusus memasang pemanasan bawah lantai dari pemanasan pusat di pangsapuri semasa pembinaan bangunan. Prinsip peranti pemanasan bawah lantai berbeza dengan pemanasan pusat di sebuah apartmen dengan cara menghubungkan litar suhu rendah. Penyejuk memasuki paip lantai yang dipanaskan air di riser berasingan dari pemanasan radiator. Air panas untuk pemanasan bawah lantai disediakan oleh penukar haba, yang dipasang di pusat pemanasan pusat, unit pemanasan bangunan pangsapuri atau langsung di apartmen pengguna.

Rajah sambungan lantai air suam ke litar radiator pemanasan pusat: 1 - injap bola pada sisipan saluran bekalan; 2 - injap bebola pada tali pengikat; 3 - penapis mesh; 4 - injap periksa; 5 - injap pencampuran tiga hala; 6 - injap pintas; 7 - pam edaran; 8 - injap di saluran keluar pulangan; 9 - injap tutup di saluran masuk bekalan; 10 - manifold pulangan; 11 - bekalan perumahan pelbagai; 12 - injap bola pada garisan kembali litar; 13 - injap bola pada bekalan litar; 14 - injap pengudaraan udara; 15 - injap saliran; 16 - radiator
Secara teorinya, pengguna terakhir (dalam arah pergerakan penyejuk di riser) dapat mengubah panjang paip tanpa mempengaruhi rejim terma di pangsapuri berdekatan. Sekiranya haba diedarkan dari atas, maka lantai hangat di tingkat bawah tidak mempengaruhi pertukaran haba pangsapuri yang terletak di atas. Walau bagaimanapun, tekanan operasi saluran bekalan dengan pendawaian kekal bawah mungkin tidak mencukupi untuk beredar di litar lantai di tingkat atas.
Sekiranya tidak ada data reka bentuk awal untuk peranti pemanasan lantai di bangunan pangsapuri, sambungan litar tambahan diselaraskan dengan pembekal haba dan syarikat pengurusan. Organisasi pembekal sumber mengeluarkan izin untuk pemasangan lantai semi-autonomi yang hangat, dengan rizab kuasa yang mencukupi dari sistem pemanasan yang ada.
Syarikat penyelenggaraan perumahan membuat prasyarat untuk beban reka bentuk asas pemanasan bawah lantai, yang tidak boleh melebihi beban yang dibenarkan di lantai dalam kes ini.
Secara tradisional, kelulusan memperuntukkan pemasangan penukar haba pada radiator atau riser air panas di sebuah apartmen. Ini memerlukan pemasangan pam edaran, tangki pengembangan, kumpulan keselamatan, injap untuk penyingkiran udara, injap dua arah, injap kawalan dan meter haba.

Skema separa autonomi untuk menyambungkan lantai air suam di sebuah apartmen: 1 - injap bola di ikat ke riser bekalan; 2 - injap bola di jalan pintas ke riser pengembalian; 3 - penapis mesh; 4 - injap periksa; 5 - injap dua hala (sensor suhu dengan pemacu servo); 6 - injap pintas; 7 - pam edaran; 8 - injap di saluran keluar pulangan; 9 - injap tutup pada saluran masuk bekalan; 10 - manifold pulangan; 11 - membekalkan perumahan manifold; 12 - injap bola pada garisan kembali litar; 13 - injap bola pada bekalan litar; 14 - injap pengudaraan udara; 15 - injap saliran; 16 - penukar haba; 17 - kumpulan keselamatan; 18 - termometer; 19 - injap kawalan; 20 - jalan pintas antara pemungut bekalan dan pulangan; 21 - tangki pengembangan jenis membran
Untuk pelbagai kontur lantai, pemasangan manifold siap pakai yang sesuai dengan skema pemasangan lantai. Injap tutup atau termostat mesti dipasang di setiap saluran masuk dan keluar manifold manifold. Injap pemutus memungkinkan untuk mematikan litar yang berasingan tanpa mengganggu keseluruhan operasi pemanasan lantai.
Perhatian khusus diberikan kepada pilihan pemanasan bawah lantai di rumah-rumah lama.Ukuran melintang simen bergantung pada tahap penebat papak lantai... Ketebalan "pai" lantai hangat di ruang bawah tanah yang sejuk mencapai 0.15 m, yang secara signifikan menyembunyikan ketinggian keseluruhan bilik dan meningkatkan berat struktur.

Proses screed kasar lantai hangat di bawah jubin atau salutan DIY yang lain
Nasihat berguna! Penyelesaian yang munasabah adalah memilih dasar ringan untuk lantai yang dipanaskan air menggunakan plat pemindahan haba yang diperbuat daripada keluli tahan karat atau aluminium.
Kos memasang lantai air suam
Jumlah harga pemasangan lantai air suam termasuk dana yang dibelanjakan untuk pembelian bahan, pengiraan, kerja persiapan, pemasangan, penyambungan dan ujian hidraulik litar untuk kekuatan dan ketegangan sambungan.
Perkhidmatan pakar yang diupah akan berharga 1,500 ÷ 2,500 rubel setiap 1 m² lantai yang dipanaskan. Jumlah keseluruhan bergantung pada jumlah litar, jenis pondasi, kos paip, kumpulan manifold dan unit pam dan pencampuran. Pemasangan lantai air suam sendiri membolehkan anda mengurangkan kos.

Komponen untuk pemasangan sistem pemanasan "lantai hangat": 1 - paip polietilena bersilang silang, 2 - tikar penebat haba, 3 - pendakap pengikat paip, 4 - pita peredam, 5 - manifold, 6 - kabinet manifold, 7 - termostat dinding, 8 - plasticizer
Penting! Kualiti bahan, peralatan, injap tutup dan kawalan mesti sesuai dengan tujuan sistem dan syarat perkhidmatan yang dimaksudkan. Adalah menguntungkan untuk membeli set pemanasan bawah lantai siap pakai, yang dilengkapi dengan peralatan dan bahan berkualiti tinggi dan serasi. Pengiraan percuma lantai air suam dengan pembelian secara berkumpulan adalah bonus tambahan dari pengeluar besar.
Video pemasangan lantai yang dipanaskan dengan tangan anda sendiri yang disiarkan di Internet, dengan penjelasan dari pengarang, akan membantu anda memahami intipati masalah ini dengan lebih baik. Penerangan terperinci mengenai kaedah penyusunan dan pemilihan bahan untuk lantai yang hangat akan membantu sekiranya terdapat keperluan mendesak untuk pemanasan bawah lantai, tetapi tidak ada kemungkinan untuk mendapatkan pakar.