Paip polipropilena popular kerana harga dan kualiti bahan yang berpatutan. Kekonduksian terma polimer yang rendah mengekalkan suhu penyejuk... Kekasaran yang rendah pada dinding paip dalam tidak mengurangkan kadar aliran. Teknologi pemasangan mudah membolehkan anda memasang pemanasan di rumah persendirian dengan cepat dari paip polipropilena dengan tangan anda sendiri.

Berbekalkan pengetahuan tertentu, anda boleh memasang pemanasan dari paip polipropilena dengan tangan anda sendiri
Kandungan
- 1 Ciri teknikal paip polipropilena untuk pemanasan
- 2 Harga paip propilena untuk pemanasan
- 3 Paip polipropilena dalam skema pemanasan air rumah persendirian
- 4 Peraturan pengeluaran kimpalan haba rintangan
- 5 Skim pemanasan air polipropilena untuk rumah persendirian
- 6 Pemanasan DIY di rumah persendirian dari paip polipropilena
Ciri teknikal paip polipropilena untuk pemanasan
Singkatan, dengan maklumat mengenai parameter operasi produk, diterapkan pada dinding paip. Penandaan polipropilena asas (PP) mematuhi piawaian antarabangsa:
- logo pengeluar;
- sebutan huruf dan penambahan mengenai pengubahsuaian produk (PP-rawak, PPRC, PP);
- tekanan nominal (PN25 MPa) medium kerja;
- diameter luar dan ukuran dinding produk;
- kelas perkhidmatan;
- tekanan operasi maksimum yang dibenarkan di bar, yang secara tidak langsung menunjukkan jangka hayat produk;
- standard produk.
Penjelasan mengenai ciri reka bentuk, tujuan dan ruang lingkup produk diberikan oleh pengeluar dalam lembaran data teknikal produk. Jadual, sebagai contoh, memberikan data mengenai produk pengeluar VALTEC (Itali):
Kelas | Tempat permohonan | Tekanan kerja, bar | |
Gentian kaca | Aluminium | ||
1 | Bekalan air panas, Т = 60 ° С | 13 | 14 |
2 | Bekalan air panas, Т = 70 ° С | 10 | 11 |
3 | Lantai hangat, Т = 50 ° С | 14 | 18 |
4 | Lantai hangat, Т = 70 ° С | 10 | 13 |
5 | Pemanasan radiator (dengan mengambil kira jenis tetulang paip: aluminium foil T = 90 ° C, gentian kaca T = 90 ° C) | 6 | 9 |
Produk dengan penutup aluminium foil dalaman digunakan terutamanya untuk pemanasan. Pengukuhan paip polipropilena dengan kaca gentian juga memungkinkan penggunaannya dalam rangkaian radiator, lantai hangat dan bekalan air panas rumah persendirian. Walau bagaimanapun, paip dengan lapisan dalaman gentian kaca gentian membenarkan sedikit pemanjangan bahagian linier ketika dipanaskan dan kebolehtelapan oksigen.
Ciri teknikal paip polipropilena bertetulang (dikeluarkan oleh VALTEC):
Ciri-ciri fizikal | Kerajang aluminium | Serat gentian kaca | ||||
Diameter paip dan ketebalan dinding, mm | ||||||
25x4.2 | 32x5.4 | 40x6.7 | 25x3.5 | 32x4.4 | 40x5.5 | |
Diameter dalaman | 16,6 | 21,2 | 26,6 | 18 | 23,2 | 29 |
Tekanan nominal, PN, bar | 25 | 20 | ||||
Jisim meter larian paip, kg | 0,262 | 0,446 | 0,880 | 0,235 | 0,378 | 0,590 |
Ketumpatan PPR, g / cm³ | 0,91 | 0,91 | ||||
Pengisian paip, liter setiap 1 pgm | 0,217 | 0,353 | 0,556 | 0,254 | 0,423 | 0,660 |
Haba tentu pada kJ / (kg * ºС) | 1,75 | 1,75 | ||||
Kekuatan tegangan, MPa | 35 | 35 | ||||
Kebolehtelapan oksigen, mg / m2 sehari | − | <3.6 pada suhu 80 ° C | ||||
Kekasaran yang sama permukaan dalam, mm | 0,01 | 0,015 | ||||
Peningkatan linear dalam panjang 1 / ºС | 3.1x10-5 | 6.2x10-5 | ||||
Pekali kekonduksian terma, W / (m * ºС) | 0,24 | 0,15 |
Kelengkapan dan injap polipropilena untuk sistem pemanasan diperbuat daripada kopolimer rawak yang serupa dengan bahan paip. Unsur-unsur yang tidak berulir dirancang untuk penyambungan ke soket, di mana paip dimasukkan ke dalam badan pas... Diameter dalaman kelengkapan (sudut 90º dan 45º, gandingan, penyesuai, tee, salib dan injap) sepadan dengan diameter luar paip. Pengembangan termal linier diimbangi oleh sambungan pengembangan siap pakai atau struktur dikimpal buatan sendiri.
Pengapit (satu dan blok klip) dimaksudkan untuk mengikat bahagian saluran paip yang lurus, mendatar atau menegak di sepanjang dinding. Langkah memasang pengikat (disyorkan oleh pengeluar) bergantung pada ukuran paip dan parameter kualiti penyejuk. Pengapit yang diperbuat daripada bahan mentah serupa direka untuk mengikat paip PP berdiameter besar. Pemasangannya boleh menjadi kaku atau terapung, dengan jarak kecil untuk membolehkan permainan bebas semasa pengembangan termal.

Struktur paip bertetulang: 1 - polipropilena; 2 - kerajang aluminium; 3 - polipropilena; S adalah ketebalan keseluruhan paip; S1 * - ketebalan paip utama; d adalah diameter luar; dy * - diameter luar paip utama
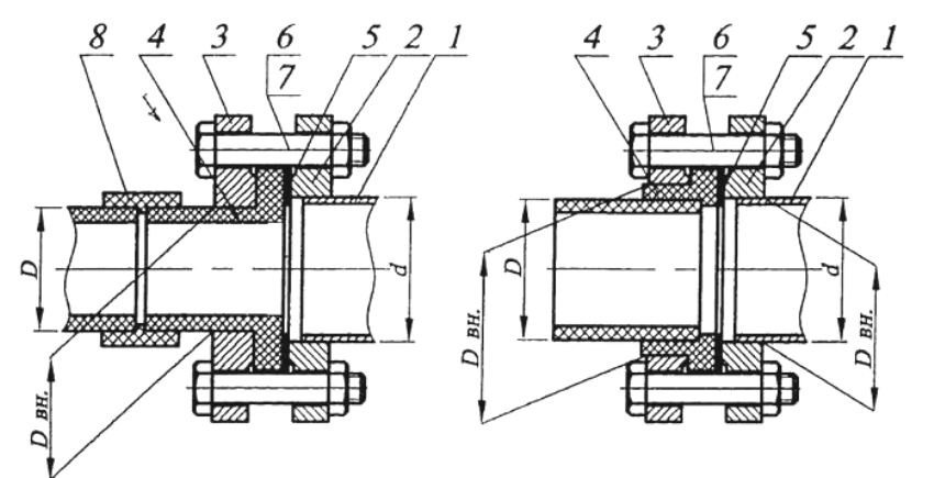
Sambungan ke paip keluli atau kelengkapan diperoleh dengan menggunakan kelengkapan gabungan. Kelengkapan dilipat (Amerika) untuk peralihan dari logam ke polimer dihasilkan dengan benang logam galvanis dalaman atau luaran di satu sisi, dan sisipan propilena di sisi lain.
Satu set kelengkapan dan kelengkapan dipilih secara individu untuk setiap bilik di rumah. Jumlah dan jenama kelengkapan bergantung pada konfigurasi sistem pemanasan dan jenis peralatan pemanasan.

Sambungan paip polipropilena dan keluli: 1 - paip keluli; 2 dan 3 - bebibir keluli; 4 - lengan kolar; 5 - gasket; 6 dan 7 - pengikat; 8 - gandingan
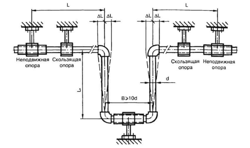
Penting! Laluan paip PP melalui dinding dan partisi dalaman dihiasi dengan bushing, yang akan membolehkan struktur bergerak semasa pengembangan haba dan mencegah lelasan bahan. Jurang pukulan pampasan ditinggalkan di antara permukaan sudut dalaman dinding dan pemasangan putar saluran paip PP. Peningkatan panjang bahagian linier tidak boleh menyebabkan tekanan maksimum pada sendi yang dikimpal.
Harga paip propilena untuk pemanasan
Kos produk bergantung pada tujuan dan pengeluar. Pengilang domestik terkenal yang mengkhususkan diri dalam pengeluaran paip PP bertetulang: Sinikon dan YarInterPlast.

Bergantung pada diameter dan jenis tetulang, harga paip polipropilena adalah dari 21 hingga 80 rubel per meter berjalan
Paip PP jenama PN25 MPa digunakan untuk pemanasan. Harga paip bertetulang gentian kaca polipropilena lebih rendah daripada untuk produk dengan kerangka aluminium dalaman (sekitar 10%). Perbezaannya dijelaskan oleh jangka hayat produk yang dijamin, suhu medium pemanasan yang dibenarkan dan tekanan operasi sistem.
Kos purata paip polipropilena untuk pemanasan (harga per meter):
Diameter paip, mm | Negara pengeluar | Kelas perkhidmatan / jenis tetulang |
Harga, sapu / pgm |
25 | Itali | 5 / aluminium | 33,75 |
32 | Itali | 47,25 | |
40 | Itali | 79,50 | |
25 | Itali | 5 / kaca gentian | 23 |
32 | Itali | 42,25 | |
40 | Itali | 60,50 | |
25 | Turki | 4 / kaca gentian | 21,99 |
20 | Turki | 5 / aluminium | 21,52 |
Menurut ulasan para profesional, paip polipropilena untuk pemanasan adalah pilihan terbaik untuk sistem autonomi. Reka bentuk tembaga yang homogen tanpa sambungan berulir dan kelengkapan logam mudah dipasang dan senang dikendalikan.
Paip polipropilena dalam skema pemanasan air rumah persendirian
Paip mengalirkan aliran tenaga haba dari dandang ke alat pemanasan. Air adalah pembawa haba tradisional untuk sistem pemanasan untuk rumah negara.Amorfosis polimer terhadap persekitaran yang agresif di bawah pengaruh suhu tinggi adalah kunci kepada ketahanan paip. Permukaan dalaman paip menawarkan ketahanan yang tidak dapat dielakkan terhadap aliran arah. Kekotoran yang terkandung dalam penyejuk dalam suspensi (bahan organik, sebatian garam kekerasan, skala, zarah pasir) tidak membentuk deposit di dinding paip polipropilena. Produk yang diperkuat dengan aluminium menghalang oksigen memasuki sistem pemanasan dari saluran paip. Lapisan logam berlapis foil mengurangkan risiko kakisan penukar haba dandang, meningkatkan jangka hayat sistem secara keseluruhan. Banyak bahan, gambar rajah, video pemanasan DIY di rumah persendirian boleh didapati dengan mudah di Internet.
Pembekuan paip kecemasan tidak mengancam pemusnahan paip polipropilena. Setelah mencairkan air, bahan tersebut mengembalikan sifat asalnya. Namun, harus diingat bahawa anda tidak boleh memanaskan paip PP dengan api terbuka!
Peningkatan dimensi linear paip semasa pemanasan mungkin satu-satunya kelemahan produk polipropilena. Pengukuhan dengan kerajang aluminium mengurangkan kadar pengembangan haba dengan ketara dan meningkatkan tahap paip.
Penting! Di rumah negara, antibeku tidak digunakan untuk sistem pemanasan propilena (bahan paip yang dibenarkan untuk penyejuk tidak beku adalah keluli, tembaga, tembaga dan plastik, dengan gelung luar getah).

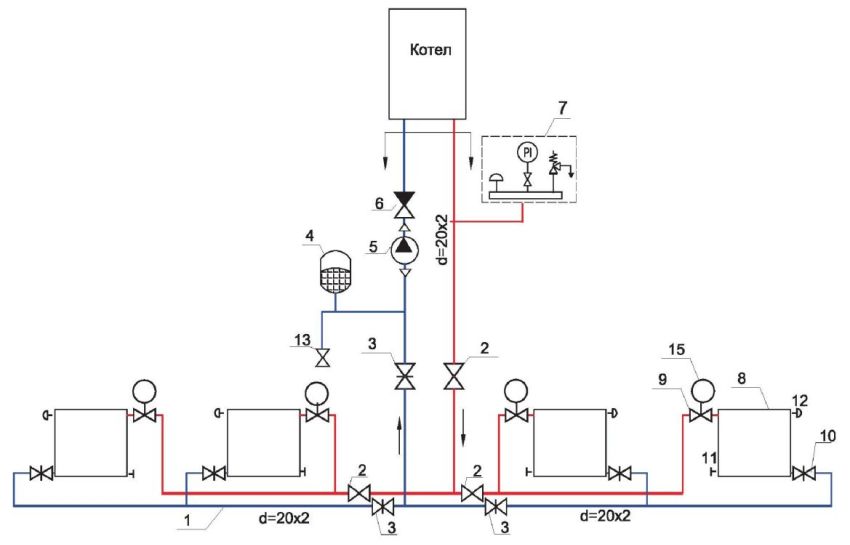
Skema pemanasan: 1 - paip polipropilena; 2 - injap bola; 3 - injap radiator aliran langsung; 4 - tangki pengembangan; 5 - pam edaran; 6 - injap periksa; 7 - kumpulan keselamatan; 8 - radiator; 9 - injap termostatik; 10 - ketuk radiator; 11 - palam; 12 - Kren Mayevsky; 13 - injap bola; 14 - palam; 15 - kepala termostatik
Memandangkan tekanan optimum dalam litar dandang domestik adalah 1.5 ÷ 2 bar, sumber haba sedekat mungkin dengan pengguna dan suhu di bangunan kediaman tidak turun di bawah 5 ° C, kami menyimpulkan: polipropilena yang diperkuat dengan aluminium adalah bahan yang ideal untuk membuat paip di rumah persendirian.
Peraturan pengeluaran kimpalan haba rintangan
Pemasangan sistem pemanasan polipropilena dilakukan pada suhu bilik sekurang-kurangnya 5 ° C. Bahan habis pakai untuk pengedap haba (aksesori) mesti sesuai dengan tujuan (PPRS).
Urutan operasi dalam pembuatan unit di tempat kerja:
- potongan paip dibuat dengan gunting khas mengikut tanda awal pada badan;
- penyediaan permukaan pemotongan termasuk chamfering hingga kedalaman 1 mm pada sudut 30 ° dan degreasing hujung paip dengan aseton;
- menandakan sempadan lebur - risiko yang ketat dikenakan pada hujung paip dengan pensil;
- pemprosesan permukaan kerja besi pematerian;
- memanaskan alat;
- lebur bahagian (dengan jangka masa tahan diameter paip mengikut pasport instrumen, dan penjajaran bahagian dengan badan besi);
- sambungan nod tanpa anjakan dan putaran unsur;
- penyejukan.
Ukuran bahagian paip yang tertanam untuk pemanasan:
Diameter, mm | 20 | 25 | 32 | 40 | 50 |
Jarak dari hujung, mm | 14,5 | 16 | 18 | 20,5 | 23,5 |
Jadual waktu untuk kimpalan haba manual (nilai standard):
Diameter luar paip / diameter dalaman yang sesuai, mm | Masa, s | ||
Hubungi dengan muncung | Soket | Menyejukkan | |
20 | 5 | 4 | 120 |
25 | 7 | 4 | 120 |
32 | 8 | 6 | 240 |
40 | 12 | 8 | 300 |
Voltan arus elektrik dalam besi pematerian untuk polipropilena ialah 36V. Pengoperasian alat dari rangkaian isi rumah memerlukan pemutus litar.
Setelah sendi disejukkan, periksa ketegangan sendi, keseragaman manik kimpalan dan ketiadaan kecacatan kimpalan. Bilangan nod penghubung, apabila mengikuti peraturan pengelasan rintangan, tidak mempengaruhi throughput sistem. Rintangan yang rendah pada bahagian yang dikimpal disebabkan oleh sifat fizikal bahan dan kaedah bergabung tanpa mengurangkan kawasan aliran paip.Ujian hidraulik untuk kekuatan dan ketumpatan sistem paip PP dilakukan 16 jam selepas kimpalan.

Menyambungkan paip menggunakan gam khas (kimpalan sejuk)
Skim pemanasan air polipropilena untuk rumah persendirian
Skema satu atau dua paip yang tidak mudah menguap atau tekanan dipilih berdasarkan pertimbangan ekonomi dan keselesaan. Secara tradisional, rumah persendirian dilengkapi dengan pendawaian mendatar dengan kontur lantai yang bebas. Sistem pemanasan rumah-rumah kecil dengan peredaran semula jadi adalah rangkaian radiator. Bekalan haba rumah yang luas dilakukan dengan pendawaian dua paip dengan pergerakan penyejuk secara paksa.
Pemasangan dan penyambungan peralatan berkualiti tinggi tidak mungkin dilakukan tanpa mengira throughput dan menentukan diameter paip di setiap bahagian. Kebetulan kos yang dikira dan sebenar akan mengurangkan kehilangan haba, memastikan operasi sistem yang stabil, boleh dipercayai dan tenang.
Dengan menggunakan kalkulator dalam talian, anda boleh melakukan pengiraan hidraulik untuk skema pemanasan air satu paip untuk rumah persendirian dengan tangan anda sendiri. DanfossCO dan OvertopCO memberikan pengiraan untuk sistem pemanasan peredaran semula jadi dalaman. Pengiraan dalam Excel Online diringkaskan dalam bentuk jadual yang mudah. Dengan mengisi lajur data awal dan memilih pemalar yang diperlukan (lajur diserlahkan dengan warna), kami memperoleh hasil pengiraan.
Kaedah klasik mengatur sistem pemanasan adalah pendawaian satu paip. Pemasangannya dapat dijelaskan dengan video tematik pemanasan rumah persendirian yang terbuat dari propilena. Dengan tangan anda sendiri, anda dapat melakukan pengikat peralatan dengan cepat, tepat dan murah.
Sistem paip tunggal dengan peredaran semula jadi beroperasi di bawah pengaruh graviti. Cerun ketika meletakkan paip dan memasang penjana haba di bawah tahap tempat tinggal akan meningkatkan kadar aliran. Walau bagaimanapun, apabila radiator disambungkan secara bersiri, mustahil untuk menyebarkan haba secara merata. Bilik yang dikeluarkan dari dandang tidak memanaskan badan dengan baik, terdapat bahaya menghentikan peredaran dan mendidih air dandang.
Masalahnya diselesaikan dengan alat untuk memanaskan rumah persendirian dengan tangan anda sendiri dalam skema "Leningrad". Video boleh didapati dalam talian.
Artikel berkaitan:
Cara memilih paip polipropilena untuk pemanasan. Spesifikasi, reka bentuk dalaman, ciri, tanda, diameter dan pengeluar. Cara memilih besi pematerian untuk paip polipropilena.
Penyingkiran muncung ke alat pemanasan membahagi aliran, sebahagian besar penyejuk terus mengalir melalui sistem. Aliran melalui radiator dikawal dengan memasang injap termostat, menyambungkan peranti secara menyerong atau mengubah kawasan aliran pintasan.
Pemanasan DIY di rumah persendirian dari paip polipropilena
Komponen utama pemanasan adalah penjana haba, paip dan peralatan pemanasan. Selebihnya peralatan memastikan prestasi sistem di bawah pelbagai beban. Peralatan sistem dengan elemen tambahan bergantung pada ukuran rumah dan pengubahsuaian dandang yang dipilih. Parameter yang ditetapkan dari operasi unit disediakan oleh kumpulan keselamatan, tangki pengembangan dengan paip limpahan, blower dan pengatur tekanan.
Sekiranya pam edaran tidak dimasukkan ke dalam litar dandang, maka peniup dipasang pada saluran pemulangan saluran paip, di sekitar penjana haba. Lokasi pemasangan tangki pengembangan jenis tertutup untuk pemanasan berada di hadapan pam edaran. Kumpulan keselamatan dipasang di saluran bekalan berhampiran dandang.
Penting! Dandang berkuasa (lebih dari 50 kW) disambungkan ke paip polipropilena melalui logam.Pakar menasihatkan untuk menghubungkan litar dandang suhu tinggi dengan sistem litar sekunder melalui pemisah hidraulik dan sisir manifold, antara dandang dan anak panah hidro paip logam dipasang, kemudian dilancarkan polipropilena bertetulang.
Konsep keselesaan adalah individu untuk setiap orang. Tetapi untuk semua orang, tanpa pengecualian, rumah adalah kehangatan. Pemanasan adalah bahagian penting di mana-mana rumah. Kesedaran maksimum dalam topik ini akan membantu membuat keputusan yang kompeten dan melaksanakannya sendiri.