I et forsøk på å gi hjemmet vårt varme i den kalde årstiden, står vi ofte overfor valget av en passende enhet for varmesystemet. Blant de mange forskjellige gassutstyr vil jeg velge en effektiv, økonomisk og rimelig installasjon. En gassveggmontert dobbel krets med lukket forbrenningskammer kan godt bli et prioritert alternativ i ditt tilfelle.

Veggmontert dobbeltkretskjele med lukket forbrenningskammer: modellvalg

Veggmontert gass med dobbelt krets er ofte installert på kjøkkenet

Veggmontert dobbeltkretskjele med lukket forbrenningskammer: fordeler

Lukkede gasskjeler brukes til autonom oppvarming av små industrilokaler, kontorer og private hus. Veggmonterte gasskjeler for oppvarming med lukket forbrenningskammer har en rekke fordeler i forhold til annet lignende utstyr:

  • under drift forbrukes ikke oksygen fra rommet der den veggmonterte gasskjelen er installert;
  • forbrenningslufttilførsel er gitt uten involvering av ekstra enheter;
  • å varme opp alle rom i rommet, forbruker kjelen den optimale mengden gass;
  • å bruke kjelen i private hus, det er ikke nødvendig å utstyre en skorstein;
Plassering av en gassfyr med to kretser i fyringsrommet til et privat hus

Plassering av en gassfyr med to kretser i fyringsrommet til et privat hus

  • individuelt valg av en passende driftsmodus;
  • kompakte dimensjoner;
  • tilgjengelig automatisk kontroll;
  • et bredt utvalg av modeller presentert (anmeldelser av brukere av populære kjeler finner du på produsentens nettsteder).

Gasskjeler, basert på et lukket forbrenningskammer, er trygge og kan installeres direkte i et oppvarmet rom uten risiko for mangel på oksygen i det. Dette sikres med et spesielt røroppsett (det ene inne i det andre). Luft tilføres gjennom det ene røret for å sikre forbrenningsprosessen, og det andre fjernes karbonmonoksid. Dette forhindrer fullstendig avgass i å komme inn i rommet.

Gasskokere med lukket forbrenningskammer er trygge og kan installeres direkte i et oppvarmet rom

Gasskokere med lukket forbrenningskammer er trygge og kan installeres direkte i et oppvarmet rom

Installasjon av veggmonterte gassapparater med lukket brannkammer

Veggmonterte gassvarmekjeler i moderne design er ganske kompakt utstyr, som består av følgende strukturelle elementer:

  • funksjonell kropp;
  • gassbrenner;
  • varmevekslerblokk;
  • sirkulasjonspumpe;
  • temperaturregulatorer og sensorer;
  • Ekspansjonstank;
  • komplett sikkerhetssystem;
  • fjerning av forbrenningsprodukter i skorsteinen (tvunget);
  • kontrollpanel.
Enheten til en gasskjele med et lukket forbrenningskammer

Enheten til en gasskjele med et lukket forbrenningskammer

Modellen med hvilken kontroll (elektronisk eller mekanisk) du skal velge for deg - finn ut ved å lese forbrukeranmeldelser.

Med tanke på antall kretser og tilkoblingsskjemaet, kan den veggmonterte gasskjelen utstyres med en ekstra varmeveksler, vifte, stengeventiler.

Lukkede kjeler kan være konveksjon og kondensering. I konveksjonsmodeller fjernes den genererte dampen til utsiden, og i kondenserende modeller brukes denne dampen til å varme opp en ekstra varmeveksler. Modellene har sine fordeler og ulemper. Konveksjonskjeler er enkle, billige og enkle å betjene. Kondenseringsenheter preges av høy ytelse, men samtidig er de mye dyrere.

Veggmontert gasskjele installert på badet

Veggmontert gasskjele installert på badet

Sammenligningsanalyse av enheter med forskjellige typer forbrenningskamre

En kjele med åpent forbrenningskammer bruker romluft til forbrenning, noe som kan føre til mangel på oksygen. En slik kjele kan bare installeres i et eget rom (fyrrom), skorsteinen må være loddrett. Fra vurderingene kan du finne ut at prisen på en slik kjele er relativt moderat.

Relatert artikkel:

napolnye-gazovye-kotly-dlya-otopleniya-vybor-modeli-1Gulvstående gasskjeler for oppvarming av hjemmet. Valg av optimal modell. Fordeler og typer gassutstyr. Enkrets- og dobbeltkretsenheter. Valg av kjeleeffekt. Varmesystem diagrammer.

I motsetning til varmeenheter med åpent forbrenningskammer, gir en turboladet veggmontert kjele lufttilførsel og fjerning av forbrenningsprodukter gjennom en koaksial skorstein, hvis prinsipp er samtidig fjerning av avgass og inntak av uteluft. Viktige fordeler med kjeler med lukket forbrenningskammer er sikkerheten til installasjonen i et boligområde, høy ytelse (varmeutveksling mellom forsyning og eksos) og nivået på økt komfort i huset.

Nyttige råd! For effektiv drift av en gassveggmontert kjele er det nødvendig å velge et sted for installasjon ved siden av en yttervegg eller ventilasjonsaksel i rommet.

Prinsippet om drift av en enkelt og dobbelt krets gasskjele

Prinsippet om drift av en enkelt og dobbelt krets gasskjele

En kjele med lukket kammer krever ikke et spesielt utstyrt eget rom med alle brannsikkerhetsstandarder. Skorsteinen kan være vannrett og liten. En enhet med et slikt forbrenningskammer har et høyt sikkerhetsnivå:

  • beskyttelse mot gasslekkasje;
  • beskyttelse mot spratt ved tenning;
  • beskyttelse mot overdreven oppvarming av vann;
  • vifteoperasjonskontroll.

Denne kjelen er egnet for installasjon både i et privat hus og i leiligheter (hovedsakelig i kjøkken) med bygninger i flere etasjer. Tatt i betraktning det sannsynlige fraværet av varmtvannsforsyning i høyhus, vil bruken av gassveggmonterte dobbeltkretskjeler med lukket forbrenningskammer i seg være ganske rimelig. Vurderinger indikerer hyppig bruk av slike kjeler i boligleiligheter.

Kompakt veggmontert kjele som passer for installasjon og bruk i en leilighet

Kompakt veggmontert kjele som passer for installasjon og bruk i en leilighet

Typer og funksjoner av modeller av kjeler med lukket forbrenningskammer

Vegghengte kjeler med et lukket forbrenningskammer er delt inn i en- og dobbeltkrets. Modeller av gassveggmonterte enkretsskjeler for oppvarming av et hus fungerer bare for å varme opp radiatorer. Hvis det er behov for varmtvannsforsyning, bør du velge en enkeltkretskjele med muligheten til å koble en sekundærvarmtvannsbereder (kjele) til den. En slik kjele med en krets kan tilfredsstille varmtvannsbehovet til en stor familie som bor i samme private hus. Et annet alternativ for enkretsdesign er en enkeltkretskjele med innebygd kjele. Den har store dimensjoner.Prisen på slike kjeler er merkbart høyere, men det lønner seg med en uavbrutt tilførsel av varmt vann, selv i strømningsmodus. På hvilken modell av en enkeltkrets veggmontert kjele som er bedre å velge, finn ut av brukeranmeldelser.

Prinsippet om drift av en dobbel krets i oppvarming og varmtvannsproduksjon

Prinsippet om drift av en dobbel krets i oppvarming og varmtvannsproduksjon

Enheten til gassveggmonterte dobbeltkretskjeler for oppvarming av et hus lar deg fungere både for oppvarming og for å forberede varmt vann. Slike kjeler er utstyrt med to kretser. Ved bruk av varmt vann blir tilførselen av varmebærer til varmesystemet avbrutt. Dobbeltkretskjelen er utstyrt med en ventil som automatisk stopper oppvarmingen av varmekretsen under bruk av varmt vann. Dette gir mange grunner til å tenke at varmere radiatorer kjøler seg ned på dette tidspunktet. Som regel er prosentandelen av temperaturfall i radiatorer ubetydelig (forbrukeranmeldelser bekrefter dette).

Når du bruker varmt vann hos forbrukeren, stenges varmekretsen midlertidig

Når du bruker varmt vann hos forbrukeren, stenges varmekretsen midlertidig

Det er modeller av dobbeltkrets veggmonterte kjeler, der varmekretsen oppvarmes av en ekstra varmevekslerenhet. I slike installasjoner avgir varmtvannet en del av varmen til varmekretsen (varmegjenvinningsprinsipp). Vurderinger av slikt utstyr snakker om kjelens høye ytelse.

Nyttige råd! En gassveggmontert dobbeltkrets, utstyrt med en kjele, sikrer uavhengighet fra vanntrykket som leveres av vannforsyningen.

Hvilke modeller av veggmonterte gasskjeler er bedre: hva påvirker valget

Hvilke kriterier bør vurderes når du velger en gassveggmontert dobbelkrets? Hvordan velge riktig modell for rommet ditt? Først og fremst bør du være oppmerksom på følgende indikatorer:

  • utstyr kraft;
  • økonomisk installasjon;
  • forhold og kompleksitet av installasjonen;
  • varmepris.
Intern struktur av en kondenserende gasskjele ved bruk av eksemplet på en Vaillant-enhet

Intern struktur av en kondenserende gasskjele ved bruk av eksemplet på en Vaillant-enhet

Hvordan velge kraft. Effektvurderingen beregnes vanligvis av en spesialist. Hvis dette ikke er mulig, kan du ty til den generaliserte metoden for den såkalte samlede beregningen. Essensen er at det kreves 0,1 kW varmeenergi for oppvarming av en kvadrat av rommet. Dette betyr at du kan finne ut den nødvendige effekten (kW) ved å multiplisere hele området av det oppvarmede rommet med 0,1.

Når det gjelder effektivitetsindikatoren, er den veggmonterte kjelen av lukket type, på grunn av effektiv forbrenning av gass, en enhet med høy effektivitet (opptil 98%) ved nominell effekt.

Effektiviteten til en veggmontert gasskjele med lukket type kan nå 98%

Effektiviteten til en veggmontert gasskjele med lukket type kan nå 98%

Nyttige råd! Den lukkede veggmonterte gasskjelen er en flyktig enhet. Hvis strøm ofte blir kuttet i ditt område, bør dette tas i betraktning når du velger en kjele.

Kompleksiteten og kostnadene ved installasjonen avhenger av hvor den skal installere en gass-dobbeltkrets veggmontert kjele. Hvordan velge et sted i et kjøkken eller en baderomsenhet? Installatører av gassutstyr vil hjelpe deg med dette. Hvis nøyaktig plassering er nødvendig på trange steder, vil installasjonen bli litt dyrere.

Enheten og driftsprinsippet til en dobbeltkrets fra produsenten Viessmann

Enheten og driftsprinsippet til en dobbeltkrets fra produsenten Viessmann

Hver potensiell kjøper ønsker å velge en modell av et gassapparat til en akseptabel pris. Det avhenger av hvilken effekt av enheten du foretrekker og med hvilke funksjoner. Jo mer tekniske elementer laget av høykvalitets materialer i designet, jo bedre kjelen og jo høyere kostnad. To-krets veggmonterte kjeler med varmeveksler laget av stål fikk positive anmeldelser. En slik kjele er i stand til raskt å varme opp vann, veier lite og er enkel å installere.

Hvilke modeller av gassmonterte kjeler med dobbelt krets er det bedre å kjøpe? Tilbakemeldinger fra personer som bruker slikt utstyr, vitner om enkel kontroll og muligheten til å justere temperaturregimet med en nøyaktighet på 1 ° C. I tilfelle feil på utstyret vises en feilkode på skjermen.

Kontrollpanel for gasskokere med mekaniske regulatorer og elektronisk display

Kontrollpanel for gasskokere med mekaniske regulatorer og elektronisk display

Funksjoner ved installasjon av lukkede veggmonterte gasskjeler

Før du kjøper en gassveggmontert varmekoker med dobbel krets, kan priser og anmeldelser sjekkes med konsulenten til handelsorganisasjonen.

Når du kjøper en kjele, må du sørge for at enheten er riktig utstyrt. Etter at emballasjen er fjernet, må ikke huset på enheten skades, og det må festes en bruksanvisning. Det er også verdt å sjekke tilgjengeligheten av alle komponentdelene, slik at hvis de ikke er tilgjengelige, kontakter du umiddelbart selgeren.

I tillegg er det nødvendig å sammenligne alle egenskapene til enheten på kjelen og emballasjen til kjelen. De må igjen svare til disse indikatorene fra instruksjonene.

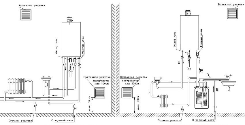
Koblingsskjema for en dobbelt krets gasskjele til vannforsynings- og varmesystemer

Koblingsskjema for en dobbelt krets gasskjele til vannforsynings- og varmesystemer

Før du installerer en veggmontert gassfyr, må du kontakte din lokale bensinstasjon for å avtale installasjonsskjemaet.

For å sikre forbrenningsprosessen kommer luft inn i den lukkede kjelen fra gaten. Det er ikke behov for en individuell skorstein, avgassen fjernes ved å koble til en felles skorstein. Vær spesielt oppmerksom på at vifteens monteringsposisjon ikke er tett under installasjonen. Før du starter systemet, anbefales det å sjekke dette stedet for rusk og smuss.

Justeringen av elektronikken til dobbeltkretsen må utføres av en kvalifisert spesialist.

Justeringen av elektronikken til dobbeltkretsen må utføres av en kvalifisert spesialist.

Det ytre luftinntaksrøret må være 2,2 m over gulvet og stikke ut minst 18 mm fra veggen. For å fjerne det resulterende kondensatet fra skorsteinen, må skorsteinsrørene ha en viss helling. Avstandene mellom røret og veggen må tettes.

Den veggmonterte kjelen er montert på godt feste kroker (fester øverst på enheten). Enheten er installert slik at service og reparasjoner kan utføres i tilfelle feil, uten å koble den fra gass- og vannrørsystemet. Det er nødvendig å sørge for stengeventiler-ventiler på vannforsyningsrørene, og sikre reparasjonsarbeid.

Veggmontert gassfyr med innebygd indirekte varmekjele

Veggmontert gassfyr med innebygd indirekte varmekjele

Dermed kan veggmonterte gasskjeler av lukket type være et verdig alternativ for å arrangere et individuelt varmesystem.