Obecnie wielu właścicieli domów na wsi szuka alternatywnych źródeł energii elektrycznej. Instalacja paneli słonecznych stopniowo zyskuje na popularności. Jednak nie każdego stać na zakup drogiego sprzętu. Dlatego wielu zadaje pytanie: jak zrobić panele słoneczne własnymi rękami? Prawidłowa odpowiedź zostanie ujawniona w tym artykule.

Panele słoneczne do samodzielnego montażu: niedrogie źródło energii
Bateria słoneczna - urządzenie, które przekształca energię słoneczną w stały prąd elektryczny

Co to jest ogniwo słoneczne?

Ogniwo słoneczne to półprzewodnikowe urządzenie, które przekształca promieniowanie słoneczne w energię elektryczną. Głównym zadaniem takiego systemu jest niezawodne, ekonomiczne i nieprzerwane zasilanie domu. Wskazane jest instalowanie takich urządzeń w miejscach, w których występują przerwy w dostawie z głównego źródła energii elektrycznej.

Elektrownia słoneczna nie pracuje wydajnie w nocy oraz w pochmurne dni, a szczyt zużycia energii elektrycznej występuje właśnie w godzinach wieczornych
Elektrownia słoneczna nie pracuje wydajnie w nocy oraz w pochmurne dni, a szczyt zużycia energii elektrycznej występuje właśnie w godzinach wieczornych

Główne zalety ogniwa słonecznego to:

  • łatwy montaż urządzenia, który nie wymaga układania kabli do wsporników;
  • system nie wymaga dużo czasu na konserwację;
  • wytwarzanie energii elektrycznej nie ma szkodliwego wpływu na środowisko;
  • konstrukcja nie ma ruchomych części;
  • cichy tryb pracy;
  • dostawa energii elektrycznej nie zależy od sieci dystrybucyjnej;
  • długi okres eksploatacji systemu przy minimalnych kosztach.

Wady panelu słonecznego:

  • proces produkcji systemu jest bardzo pracochłonny;
  • panel słoneczny zajmuje dużo miejsca;
  • urządzenie jest bardzo wrażliwe na zabrudzenia;
  • bateria nie działa w nocy;
  • wydajność urządzenia zależy bezpośrednio od warunków atmosferycznych, a mianowicie od słonecznych i pochmurnych dni.
Zimą warto zadbać o możliwość czyszczenia paneli słonecznych z mrozu i śniegu.
Zimą warto zadbać o możliwość czyszczenia paneli słonecznych z mrozu i śniegu.

Zasada działania baterii słonecznej

System działa za pomocą przetworników fotoelektrycznych, które są połączone w określonej kolejności. Każdy fotokonwerter składa się z dwóch płytek krzemowych różniących się typem przewodnictwa. Jedna pokryta jest fosforem, w wyniku czego powstaje tu nadmiar ujemnie naładowanych elektronów. Druga płyta pokryta jest borem, co powoduje powstawanie cząstek, których nie ma w warstwie ładunków ujemnych, tzw. „Dziur”.

Zasada działania niewyczerpanego źródła energii alternatywnej jest następująca: światło słoneczne uderza w ujemnie naładowany panel, co prowadzi do aktywnego tworzenia się dodatkowych „dziur” i elektronów. Na panelu pokrytym fosforem występuje pole elektryczne, w wyniku czego pojawia się różnica potencjałów. Dodatnio naładowane cząstki pędzą do górnej warstwy, a ujemnie naładowane do dolnej. Powstaje stałe napięcie. Okazuje się, że jeden konwerter działa jak bateria. Prąd stały jest generowany w obwodzie, gdy jest do niego podłączone obciążenie. Każda bateria jest pokryta cienkimi miedzianymi żyłkami, które przenoszą prąd i kierują go do zamierzonego celu.

Aktualna siła zależy od pewnych parametrów:

  • wielkość fotokonwertera;
  • poziom nasłonecznienia;
  • typ fotokomórki;
  • całkowita rezystancja urządzeń podłączonych do panelu słonecznego.
Schemat podłączenia i działania stacji solarnej
Schemat podłączenia i działania stacji solarnej

Odmiany paneli słonecznych

Wszystkie panele słoneczne mogą być silikonowe lub foliowe. Panele na bazie krzemu dzielą się na typy:

  • polikrystaliczny;
  • monokrystaliczny;
  • amorficzny.

Polikrystaliczne ogniwo słoneczne to ciemnoniebieskie kwadratowe urządzenie. Jej powierzchnię przeplatają niejednorodne kryształy krzemu. Mimo niskiej sprawności wynoszącej 18% urządzenie to posiada zdolność generowania prądu podczas pochmurnej pogody, co czyni je niezastąpionymi w miejscach, gdzie dominuje rozproszone światło słoneczne.

Monokrystaliczne konwertery energii słonecznej to czarne panele ze ściętymi narożnikami, do których zastosowano czysty silikon. Wszystkie ogniwa urządzenia skierowane są w jednym kierunku, co pozwala na uzyskanie maksymalnej wydajności 25%. Wadą takich baterii jest to, że ich przednia strona musi zawsze być skierowana w stronę słońca. Jeśli nie zdoła się podnieść, schować za chmurami i zatonąć za horyzontem, panele słoneczne wytworzą prąd o słabej mocy. Jest to najdroższy, ale i najbardziej produktywny rodzaj urządzenia.

Elastyczny panel słoneczny jest łatwy w użyciu - można go łatwo przymocować do nierównych powierzchni dachu
Elastyczny panel słoneczny jest łatwy w użyciu - można go łatwo przymocować do nierównych powierzchni dachu

Każda amorficzna bateria składa się z wielu cienkich warstw krzemu, które uzyskuje się poprzez rozpylanie najmniejszych cząstek materiału na szkło, plastik lub folię. Takie warstwy szybko się wypalają, co po sześciu miesiącach prowadzi do spadku sprawności urządzenia o 15-20%. Sprawność takich przetworników wynosi tylko 6%. Są najtańsze i mogą pracować nawet przy pochmurnej pogodzie. Jednak ich maksymalny okres użytkowania wynosi 2 lata.

Baterie foliowe nie są oparte na stałym metalowym lub szklanym podłożu, ale na folii polimerowej. Dlatego produkowane są w rolkach, co umożliwia rozłożenie baterii na dużych powierzchniach. Dzięki swojej konstrukcji można je pociąć na kawałki o różnych kształtach i rozmiarach, a panele słoneczne można umieścić na dachu domu o gładkich łukach. Są kompaktowe i lekkie. Panel walcowany będzie znacznie tańszy niż panel silikonowy, do produkcji którego używany jest drogi materiał. Jednak te modele są mniej wydajne. Dziś trudno je zdobyć, ponieważ produkcja dopiero się rozwija.

Wszystkie panele słoneczne, niezależnie od typu urządzenia, wyposażone są w sterowniki monitorujące stan naładowania panelu. Redystrybuują otrzymaną energię, kierując ją bezpośrednio do źródła zużycia lub magazynując ją w baterii.

Stacjonarne panele słoneczne montuj tylko od słonecznej strony domu.
Stacjonarne panele słoneczne montuj tylko od słonecznej strony domu.

Panele słoneczne do prywatnego domu

Ta alternatywa dla tradycyjnego zasilania elektrycznego jest bardzo praktyczna. Ponadto cena urządzenia znacznie różni się od kosztu energii elektrycznej.Po wykonaniu baterii słonecznej do domu własnymi rękami, właściciel będzie mógł zoptymalizować zużycie energii, a tym samym obniżyć własne koszty gotówkowe. Wiele osób chce z góry zrozumieć, ile będzie kosztować zainstalowanie paneli słonecznych w prywatnym domu. W tym celu konieczne jest przeprowadzenie wstępnych obliczeń, które określą wymaganą moc sprzętu i warunki jego działania.

Należy zacząć od obliczenia ilości zużytej energii, która jest niezbędna do zapewnienia mieszkania. Tworząc pełnoprawną stację, warto skupić się na bateriach o mocy 150-250 W; panele 50 W wystarczą na dom wiejski.

Teraz powinieneś obliczyć całkowitą moc wszystkich urządzeń elektrycznych, biorąc pod uwagę czas pracy w ciągu dnia. Otrzymana wartość to minimalne zapotrzebowanie na energię elektryczną dla danego gospodarstwa domowego.

Panele słoneczne to alternatywny sposób wytwarzania energii elektrycznej, który wyeliminuje usługi elektrowni zawodowej
Panele słoneczne to alternatywny sposób wytwarzania energii elektrycznej, który wyeliminuje usługi elektrowni

Wartość ta jest podstawą do późniejszego określenia ilości paneli słonecznych oraz ilości wyposażenia pomocniczego, do którego zaliczają się baterie, falowniki i sterowniki.

Pomocna rada! Warto dodać kolejne 20% do całkowitego zapotrzebowania na energię elektryczną, którą zużywa się w samych akumulatorach.

Ważnym aspektem jest nasłonecznienie, czyli ilość energii słonecznej, która przypada na pojedynczą jednostkę powierzchni panelu. Ta wartość jest indywidualna dla każdego regionu. Możesz go zdobyć w specjalnej literaturze lub na specjalistycznych stanowiskach meteorologicznych.

Normę energetyczną dzieli się przez wartość nasłonecznienia. Otrzymaną liczbę należy podzielić przez całkowitą moc instalacji słonecznej. Wynikowa wartość to liczba wymaganych baterii. Ważne jest, aby uzyskać tutaj maksymalną liczbę paneli. Rzeczywiście, w różnych miesiącach ilość światła słonecznego będzie inna.

Przed zainstalowaniem stacji solarnej warto upewnić się, że może ona pokryć potrzeby wszystkich urządzeń w domu.
Przed zainstalowaniem stacji solarnej warto upewnić się, że może ona pokryć potrzeby wszystkich urządzeń w domu.

Pomocna rada! Ponieważ nasłonecznienie stale się zmienia, obliczenia należy wykonywać co miesiąc.

Przykładowo, jeśli chcesz wiedzieć, ile paneli słonecznych potrzeba na dom o powierzchni 100 mkw., Gdzie stacja będzie zasilała żarówki, laptopa, telewizor, antenę satelitarną, kuchenka mikrofalowa i kuchenkę elektryczną, należy wykonać wszystkie powyższe obliczenia. W efekcie moc stacji solarnej wyniesie w przybliżeniu 1000 W, co implikuje zastosowanie 4 paneli słonecznych o mocy 250 W.

Panel powinien znajdować się w południowej części dachu, który powinien być w idealnym stanie i wytrzymać znaczne obciążenie. W pobliżu nie powinno być żadnych drzew ani innych obiektów, które tworzą cienie.

Taki system można wykorzystać nie tylko do zasilania. Ogromną popularność zyskuje ogrzewanie za pomocą paneli słonecznych w prywatnym domu. Pozwala to uciec od kosztownej usługi związanej ze scentralizowanym zaopatrzeniem w gaz, pozbyć się uzależnienia od mediów i uzyskać ciepło przez cały rok przez długi okres eksploatacji elektrowni słonecznej.

Zasada działania stacji solarnej podłączonej do elementu grzejnego w domu
Zasada działania stacji solarnej podłączonej do elementu grzejnego w domu

Instalacja takiego systemu jest wskazana tylko w regionach, w których słońce świeci co najmniej 20 dni w miesiącu. Jeśli słońce nie wystarcza, aby system w pełni ogrzał dom, można go wykorzystać jako dodatkowe bezpłatne źródło. Właściwie dobrany system ogrzewania panelami słonecznymi zwróci się za 3-4 lata.

Panele słoneczne do domu: recenzje konsumentów

Dzięki licznym pozytywnym recenzjom na temat alternatywnego źródła prądu można rozwiać mity, które nurtują potencjalnych poszukiwaczy. panele słoneczne.

Wiele osób uważa, że ​​tak drogi sprzęt nie zwróci się na siebie przez cały okres eksploatacji instalacji. Jednak, jak pokazuje praktyka, przy prawidłowej instalacji paneli słonecznych zgodnie ze wszystkimi zasadami, możesz zapewnić prywatnemu domowi prąd przez co najmniej 25 lat. Koszt sprzętu zwróci się za 3-4 lata.

Należy zauważyć, że recenzje konsumentów dotyczące energii słonecznej są w większości pozytywne.
Należy zauważyć, że recenzje konsumentów dotyczące energii słonecznej są w większości pozytywne.

Kolejny mit sugeruje nieefektywne działanie paneli słonecznych przy pochmurnej pogodzie lub w zimie. Jednak opinie konsumentów są zgodne co do tego, że kolektory słoneczne są w stanie wykazać maksymalną aktywność podczas zenitu słońca przy bezchmurnej pogodzie. Ale kiedy słońce schowa się za chmurami, panele będą działać, ale nie w pełni. Instalacja całkowicie przestaje działać w nocy, kiedy w ogóle nie ma światła słonecznego.

Przeciwnicy paneli słonecznych twierdzą, że kolektory słoneczne są dość delikatne i nie wytrzymują różnych obciążeń powodowanych przez naturę. Jednak opinie konsumentów dowodzą czegoś przeciwnego: panel słoneczny może wytrzymać nawet duży grad.

Powiązany artykuł:

Panele słoneczne do domu: koszt zestawu i wykonalność instalacji

Wymagania techniczne dotyczące instalacji paneli słonecznych. Funkcje wyboru i instalacji. Przegląd producentów.

Kolejny mit dotyczy śniegu, który może blokować dostęp światła do systemu. Jednak tutaj niebezpieczeństwem jest mróz, do którego przylgnie śnieg i stworzy bariery. Aby tego uniknąć, możesz umieścić baterie pionowo na domu, aby uniknąć dużej ilości światła poślizgowego.

Ostatni mit dotyczy chińskiej produkcji paneli słonecznych. Pomimo bardzo solidnego asortymentu, fabryki w Chinach często wytwarzają towary wysokiej jakości. Jest to szczególnie ważne w przypadku produkcji kolektorów słonecznych i rur cieplnych, których produkcja jest w 90% skoncentrowana w Chinach. Produkty te mają wysokie parametry techniczne i są certyfikowane nie tylko w swoim kraju, ale także w Niemczech.

Liczne pozytywne recenzje w internecie dowodzą, że alternatywne źródło prądu jest dobre nie tylko dla prywatnego domu. Wiele osób z powodzeniem wykorzystuje panele słoneczne do mieszkania, które jest instalowane na balkonie. Można je montować bezpośrednio na szybie lub w ramie przeszklenia, która będzie pełnić funkcję barwienia.

Niektórzy użytkownicy twierdzą, że stacja solarna może w pełni pokryć wszystkie koszty energii elektrycznej - od małych urządzeń gospodarstwa domowego po system ogrzewania i podgrzewania wody.
Niektórzy użytkownicy twierdzą, że stacja solarna może w pełni pokryć wszystkie koszty energii elektrycznej - od małych urządzeń gospodarstwa domowego po system ogrzewania i podgrzewania wody.

Zestawy paneli słonecznych 3 kW na letnią rezydencję od 60000 rubli

W kraju z reguły istnieją urządzenia elektryczne o małej mocy, w których wymagana jest ograniczona liczba baterii i niewielka częstotliwość ich użytkowania. Jeśli w kraju nie ma scentralizowanego zasilania, to wskazane jest zainstalowanie zestawu paneli słonecznych, które będą generowały prąd za darmo. Aby jednak uzyskać taką nieodpłatną przyjemność, początkowo będziesz musiał przeznaczyć na zakup niezbędnych materiałów, których koszt zwróci się dopiero po kilku latach.

Do produkcji 1 kW energii elektrycznej wymagany jest zestaw o mocy powyżej 200 W. Według licznych recenzji elektrownie słoneczne do domu w wiejskim domu o mocy 800 W są w stanie zapewnić pełne autonomiczne zasilanie obiektu. Koszt takiego systemu będzie kosztował od 80000 rubli.

Standardowy zestaw elektrowni słonecznej do domków letniskowych składa się z paneli 200 W, regulatora ładowania 40 A, falownika 3 kW, dwóch akumulatorów 200 A i innych elementów pomocniczych.Cena takiego zestawu zaczyna się od 60000 rubli, a przybliżony okres zwrotu to 3-5 lat. Jest to jednak najbardziej opłacalny sposób wytwarzania energii elektrycznej dla obiektów bez scentralizowanego zasilania. Jest tańszy niż użycie generatora diesla.

Elementy stacji solarnej
Elementy stacji solarnej

Według opinii właścicieli, panele słoneczne do domu w domku letniskowym lepiej wyposażyć w dwa lub cztery moduły o mocy 200 V każdy. Zależy to od liczby odbiorców energii, czasu trwania i częstotliwości ich użytkowania. Jeśli moc jest niewystarczająca, można ją zwiększyć, dodając panele słoneczne.

Wiele osób kupuje taki zestaw dla sektora prywatnego, w którym istnieje scentralizowane zasilanie, jako dodatkowe źródło energii. Liczne recenzje paneli słonecznych do domu wskazują, że w tym przypadku można znacznie zaoszczędzić na płaceniu rachunków za prąd.

Jak zrobić panele słoneczne własnymi rękami

Gdy nie ma możliwości zakupu gotowej stacji solarnej, możesz ją stworzyć samodzielnie. Są tu dwie możliwości: zakup gotowych modułów i podłączenie ich do akumulatora z falownikiem lub samodzielne przylutowanie panelu. Pierwsza metoda montażu jest szybka, ale droższa. Druga opcja wymaga pewnych umiejętności montera, który musi bardzo uważać na delikatne fotokomórki.

Cztery panele słoneczne generują łącznie 2W energii elektrycznej
Cztery panele słoneczne generują łącznie 2 wolty energii elektrycznej

Aby stworzyć panel słoneczny do domu własnymi rękami, musisz przygotować określone materiały.

Pierwszym głównym składnikiem do tworzenia paneli słonecznych jest zestaw wysokiej jakości ogniw słonecznych. Dziś można kupić ogniwa wykonane z krzemu polikrystalicznego lub monokrystalicznego. Bardziej popularne są najnowsze ogniwa słoneczne, które idealnie nadają się do domowego zasilania.

Pomocna rada! Wszystkie elementy niezbędne do montażu należy zakupić u jednego producenta. Ponieważ materiały różnych marek znacznie się różnią, co skomplikuje montaż całej konstrukcji.

Do podłączenia fotokomórek potrzebny jest zestaw specjalnych przewodników. Do produkcji obudowy przyszłej baterii odpowiednie są odporne na warunki atmosferyczne narożniki aluminiowe. Wielkość obudowy uzależniona jest od ilości fotokomórek. Lepiej jest zastosować przezroczysty poliwęglan lub pleksi jako zewnętrzną powłokę dla fotokomórek, które zapobiegają przenikaniu promieni podczerwonych. Jako dodatkowe materiały potrzebne będą elementy mocujące, miedziane przewody elektryczne, diody Schottky'ego, silikonowe stojaki próżniowe oraz zestaw śrub do elementów złącznych.

Baterię słoneczną można złożyć ze złomu, ale wydajność takiej baterii nie będzie wysoka
Baterię słoneczną można złożyć ze złomu, ale wydajność takiej baterii nie będzie wysoka

Oprócz FEP musisz kupić do domu falownik 12 V 200 V, który przekształca prąd stały w prąd przemienny. Do przechowywania i powolnego zużywania energii elektrycznej potrzebna jest para akumulatorów żelowych lub AGM. Równie ważnym elementem jest sterownik wymagający odłączenia akumulatora od akumulatora w trakcie jego pełnego ładowania i włączenia go w celu odebrania nowej porcji prądu.

Możesz również złożyć panel słoneczny własnymi rękami, korzystając z dostępnych narzędzi. W tym celu odpowiednie są diody, folia lub tranzystory. Praca baterii słonecznej z diod następuje pod wpływem napięcia około 2,5 V pod bezpośrednim działaniem promieni słonecznych, jednak gdy słońce nie wystarcza, wskaźnik ten zaczyna gwałtownie opadać, a same diody zaczynają pobierać energię. Korzystanie z takiej baterii jest nieefektywne.

Do produkcji energii cieplnej bardziej nadaje się urządzenie foliowe. Folia jest również idealnym materiałem na podłoże PCV. Najbardziej wydajne jest ogniwo słoneczne, złożone z tranzystorów. Im większa ich liczba, tym większa moc urządzenia.Górną część każdego tranzystora należy odciąć, wylać proszek. Pinem urządzenia są kontakty. Ta bateria jest przeznaczona do ładowania telefonu. W przypadku poważniejszych wydarzeń jego pojemność nie wystarczy.

Stację solarną można uznać za długoterminową inwestycję pieniędzy, która się opłaci iw przyszłości będzie opłacalna
Stację solarną można uznać za długoterminową inwestycję pieniędzy, która się opłaci iw przyszłości będzie opłacalna

DIY panele słoneczne do domu: instrukcje krok po kroku dotyczące wykonania

Po przygotowaniu wszystkich niezbędnych elementów można przystąpić do montażu konstrukcji, który składa się z następujących kroków:

  1. Stworzenie ramy z narożników aluminiowych z niskimi bokami i okuciami, których wielkość zależy od ilości konwerterów i ich powierzchni. Tutaj należy wziąć pod uwagę odległość między FEP co najmniej 5 mm.
  2. Nałożyć uszczelniacz na wewnętrzne krawędzie łat.
  3. Połóż arkusz przezroczystego materiału na ramie, mocno przylegając do linii kleju.
  4. Po całkowitym wyschnięciu szczeliwa, przymocuj ramę i przezroczystą powierzchnię za pomocą okuć.
  5. Rozłóż wszystkie fotokomórki akumulatora ujemną stroną do góry na płaskiej powierzchni.
  6. Przez narzędzie do lutowania przewody o tej samej długości są podłączone do każdego FEP. Najwygodniej jest to zrobić, gdy moduł znajduje się na szybie.
  7. Wszystkie elementy są połączone szeregowo ze sobą w postaci „węża”.
  8. Najbardziej zewnętrzne styki należy przylutować do szyny (srebrny przewód szeroki).
  9. Aby zapobiec pogorszeniu się jakości oświetlenia w nocy, konieczne jest utworzenie „punktów środkowych” za pomocą diod bocznikowych, które są zainstalowane na zacisku dodatnim. Do tego nadają się diody Schottky'ego.
  10. Umieść fotokomórki z przewodami na przezroczystej powierzchni.
  11. Nasmaruj wszystkie FEP, wyprowadzając i łącząc przewody klejem silikonowym.
  12. Zamknij konstrukcję tylnym panelem.
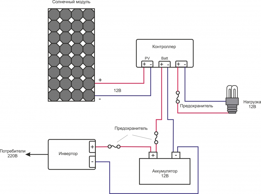
  13. Podłącz panel słoneczny do akumulatora, kontrolera ładowania słonecznego i falownika.
Prosty schemat okablowania panelu słonecznego
Prosty schemat okablowania panelu słonecznego

Pomocna rada! Aby zapobiec zwarciu między obciążeniem a poszczególnymi ogniwami akumulatora, należy zainstalować bezpieczniki.

Prawie każdy właściciel domu chce darmowej energii elektrycznej. Instalacja paneli słonecznych jest najbardziej realną opcją. Za pomocą tego urządzenia możesz stworzyć główne (bez scentralizowanego zasilania) i dodatkowe źródło energii elektrycznej. System jest przyjazny dla środowiska i niezawodny w użyciu. Główną wadą jest drogi sprzęt. Jednak jego koszt zwróci się w ciągu 3-5 lat.