Sifonul chiuvetei cu preaplin este o parte importantă a sistemului de canalizare. Este o țeavă curbată, la cotul căreia există întotdeauna apă. Sifonul interpretează funcția de etanșare la apă, adică creează o barieră de apă care împiedică intrarea în cameră a mirosurilor neplăcute de canalizare. Este instalat pe aproape toate corpurile de instalații sanitare. La schimbarea instalațiilor sanitare sifon de asemenea, supus înlocuirii.

Sifon pentru chiuvete cu preaplin. Subtilități de selecție și instalare

Instalarea unui sifon pentru chiuvetă

Soiuri de sifoane

Piața modernă a instalațiilor sanitare poate oferi cumpărătorilor sifoane pentru toaletă, baie sau chiuvetă. Trei tipuri diferite de capcane de apă sunt utilizate pentru instalarea sub chiuvetă:

  • țeavă;
  • sticla;
  • ondulat.
Dispozitiv sifon cu preaplin

Dispozitiv sifon cu preaplin

Sifoane pentru sticle

Dispozitivul de scurgere a primit acest nume datorită prezenței unui bazin, care are forma unei sticle. Două tuburi se extind de la partea de mijloc, unul se conectează la orificiul de scurgere a instalației sanitare, iar al doilea direct la canalizare. Sifoanele pentru sticle pentru chiuvete cu preaplin sunt ideale pentru instalarea sub chiuvetă. Au mai multe avantaje:

  • supapa hidraulică este curățată fără demontare completă;
  • conexiuni suplimentare pot fi conectate la dispozitiv, de exemplu, pentru golirea mașinii de spălat;
  • în sifon sifon sifon este ușor să găsești fleacuri valoroase ratate accidental.

De asemenea, ar trebui să remarcăm dezavantajele. Sifonul sticlei necesită o mulțime de conexiuni, care pot provoca cu ușurință scurgeri.

Supapă lavoar cu preaplin

Supapă lavoar cu preaplin

Sifoane ondulate

Cea mai simplă versiune a sifonului pentru chiuvetă cu preaplin este o țeavă ondulată din plastic curbat, care este fixată cu cleme speciale. Avantajele unei astfel de bariere de apă sunt următoarele:

  • cel mai mic număr de elemente de andocare pentru a evita scurgerile;
  • plasticitatea și posibilitatea de întindere permit instalarea supapei hidraulice chiar și departe de chiuvetă;
  • instalare și conectare destul de ușoară.
Sifon ondulat

Sifon ondulat

Dar asemenea produse prezintă și dezavantaje. În interior, un astfel de bazin are o suprafață ondulată, ceea ce determină înfundarea mai rapidă. Pentru a curăța o astfel de structură, va trebui să fie demontată complet. Producătorii pot oferi și modele combinate. Există sifoane de tip sticlă echipate cu o ondulație care duce la canalizare.

Sifoane tubulare

Astfel de produse sunt instalate cel mai adesea sub băi, dar și pentru instalare sub un sistem convențional sau chiuvetă deasupra capului se potrivesc perfect.Un tub rigid curbat este o construcție destul de puternică. Dar instalarea acestuia este mult mai dificilă decât versiunea ondulată. Principalul dezavantaj al acestei opțiuni este considerat a fi destul de mare. Sifonul tubular ocupă destul de mult spațiu. Dacă intenționați să instalați o chiuvetă mică, atunci ar trebui să alegeți un alt model.

Supapă hidraulică tubulară

Supapă hidraulică tubulară

Sifoane specializate

Dacă pentru instalarea într-un apartament sunt utilizate chiuvete sau chiuvete non-standard, atunci sunt necesare sifoane speciale pentru acestea. Destul de des, cu astfel de chiuvete, sunt incluse rezervoare de sedimentare cu toate conductele ramificate, atunci nu este nevoie să căutați și să cumpărați separat o garnitură de apă adecvată.

Un exemplu de produse speciale este sifonul dublu conceput pentru instalarea sub chiuvetă cu două boluri. Această opțiune este mult mai economică decât instalarea a două curele separate.

Exemplu de instalare a unui sifon pe o chiuvetă dublă

Exemplu de instalare a unui sifon pe o chiuvetă dublă

Scopul revărsării

O revărsare se numește o conductă suplimentară, datorită căreia apa, după ce a atins nivelul maxim, se poate scurge în canalizare. Un astfel de echipament este un fel de protecție împotriva revărsării apei peste marginea chiuvetei dacă nu poate ieși în modul obișnuit. Deschidere suplimentară în chiuvete sau lavoare inventat nu cu mult timp în urmă. Aceasta este o protecție excelentă împotriva inundațiilor. Supapele de preaplin sunt în prezent la cea mai mare cerere. Aproape toate tipurile de sifoane sunt echipate cu această funcție suplimentară.

Când apa atinge nivelul maxim, aceasta curge în orificiul de revărsare

Când apa atinge nivelul maxim, aceasta curge în orificiul de revărsare

Cum se alege un sifon pentru chiuvetă cu preaplin?

Primul lucru de căutat este materialul. Producătorii oferă produse din plastic sau metal. Un sifon pentru chiuvetă cu preaplin de plastic este cea mai economică opțiune, deoarece prețul său este mult mai mic. Este suficient de puternic, nu se corodează. O astfel de garnitură de apă este ușor de instalat și, dacă este necesar, de demontat. Produsele metalice pot fi realizate din fontă sau diverse aliaje de bronz-alamă. O astfel de legare este semnificativ mai costisitoare și mult mai dificil de instalat datorită faptului că nu se întinde la fel de mult ca plasticul ondulat.

Articol asociat:

izmelchitel-pishchevyh-othodov-dlya-rakoviny-1Chiuvetă eliminator de deșeuri alimentare: ce este și de ce este nevoie în bucătărie. Reguli de instalare și funcționare. Principalele caracteristici și parametrii de selecție a elicopterului, prezentare generală a producătorilor.

Dacă chiuveta are o gaură de preaplin, atunci este necesar să se clarifice prezența unui tub suplimentar în kit, prin care se efectuează o scurgere de rezervă. Instalarea unui sifon convențional pe o chiuvetă cu o astfel de deschidere poate provoca inundarea apartamentului, deoarece apa nu va avea încotro.

Schema de instalare a unei supape hidraulice pe o chiuvetă de bucătărie

Schema de instalare a unei supape hidraulice pe o chiuvetă de bucătărie

Înainte de a cumpăra o supapă hidraulică, trebuie să decideți unde va fi amplasat sifonul: într-un dulap sau picior de chiuvetă, sau va fi la vedere. Pentru prima opțiune, cel mai simplu model din plastic este potrivit, poate fi înlocuit rapid, dacă este necesar. Dacă întregul sistem de drenaj se află în exterior, atunci puteți alege o opțiune decorativă. Producătorii moderni vor oferi curele gata preparate cu placare cromată sau metal neferos.

Sfat util! Atunci când alegeți un model de supapă hidraulică adecvat, este necesar să verificați cu vânzătorul capacitatea sifonului. Dacă este mic, atunci inundația din apartament este garantată.

Set complet sifon folosind exemplul unui dispozitiv din plastic

Pentru a înțelege cum să asamblați corect o supapă hidraulică, merită să luați în considerare elementele sale constitutive. De obicei, kitul include:

  • bazin (corp);
  • conductă de ramificare (ieșire);
  • garnituri și dopuri de cauciuc;
  • piulițe din plastic cu diametrul de 32 mm;
  • manșete conice din cauciuc (32 mm);
  • șurub de prindere;
  • capac exterior lavoar cu gratar;
  • tub de preaplin.
Sifon cu funcție de revărsare

Sifon cu funcție de revărsare

Garniturile de cauciuc incluse în kit trebuie să fie puternice și fiabile.Dacă grosimea lor este mai mică de 3-5 mm, atunci merită achiziționate separat altele mai dense. În plus, va trebui să cumpărați un adaptor pentru conducta de canalizare dacă ieșirea din sifon are un diametru mai mic de 50 mm.

Sfat util! Puteți achiziționa sifoane cu o ieșire treptată la canalizare. În acest caz, puteți pur și simplu să tăiați pașii suplimentari și să cumpărați un cauciuc suplimentar de etanșare.

Instalarea unui sifon pentru chiuvetă cu preaplin

În mod obișnuit, instrucțiunile de instalare sunt incluse cu setul de finisare lavoar. O diagramă detaliată vă va permite să instalați independent o garnitură de apă fără erori și probleme speciale. Procedura de instalare:

  • Verificați mai întâi montarea grătarului pe orificiul de scurgere. O plasă adecvată trebuie să fie ușor încastrată. Când acest element este ridicat, apa din chiuvetă nu se va scurge complet;
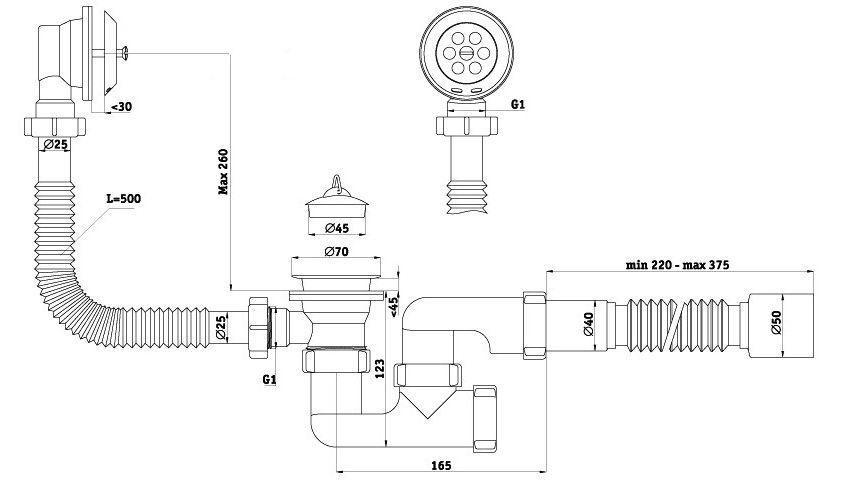
Dimensiuni de instalare pentru sifon chiuvetă cu preaplin

Dimensiuni de instalare pentru sifon chiuvetă cu preaplin

  • o garnitură specială este utilizată pentru instalarea grilei. Din partea din spate a chiuvetei, o țeavă de evacuare este furnizată cu o manșetă groasă pusă și șurubul de andocare este strâns;
  • apoi o piuliță și o garnitură conică se pun pe conducta de ramificare. Poziția sa corectă implică un mic spațiu de 3-5 mm între acesta și marginea orificiului de ieșire;
  • după aceea, conducta de ramificare este introdusă direct în sifon în sine și toate elementele sunt strânse cu piulițe;

Sfat util! Nu folosiți o cheie atunci când strângeți piulițele. Șapa trebuie făcută manual pentru a evita stresul nejustificat asupra elementelor din plastic.

  • dacă există o ramură suplimentară pentru mașină de spălat, care nu va fi încă folosit, ar trebui închis cu o priză specială;
  • după aceea, o țeavă ondulată este atașată la ieșirea inferioară a sifonului, care ulterior este conectată la linia de canalizare;
Schema de asamblare a supapei hidraulice

Schema de asamblare a supapei hidraulice

  • Robinetul suplimentar de preaplin este prevăzut cu un tub și este conectat la gaura superioară mică din chiuvetă.

După finalizarea instalării, este necesar să verificați operabilitatea întregii structuri. Pentru aceasta, porniți apa la putere maximă și verificați toate îmbinările de legătură. Dacă picăturile de apă nu au apărut nicăieri, atunci instalarea s-a făcut eficient. Uneori, în timpul asamblării, poate fi necesar să lubrifiați unele elemente cu un material de etanșare, dar în cazul blocării apei, nu va fi posibilă dezasamblarea rapidă a unei astfel de structuri.

Asamblarea unui sifon pentru chiuvetă cu preaplin (video)