Tủ lạnh là một phần không thể thiếu trong kỹ thuật sắp xếp phòng bếp. Nó không chỉ đảm bảo an toàn cho sản phẩm mà còn phải bổ sung một cách hài hòa cho nội thất. Các nhà thiết kế khuyên bạn nên lắp đặt tủ lạnh tích hợp: kích thước và chức năng của thiết bị đó hoàn toàn có thể được chọn bất kỳ, dựa trên nhu cầu và khả năng cá nhân của một gia đình cụ thể. Có những sắc thái khác cần được xem xét khi chọn một đơn vị như vậy.
Nội dung
- 1 Tủ lạnh tích hợp trong nhà bếp hiện đại
- 2 Cách chọn tủ lạnh tích hợp: kích thước và chức năng của các thiết bị
- 3 Nhiều mẫu tủ lạnh tích hợp của Liebherr
- 4 Nội thất thú vị và sử dụng thoải mái: tủ lạnh Bosch tích hợp sẵn
- 5 Kích thước và chức năng hiện đại của tủ lạnh Samsung tích hợp
- 6 Giá cả phải chăng và độ tin cậy: tủ lạnh tích hợp Atlant
- 7 Kích thước tiêu chuẩn là một lợi thế của tủ lạnh tích hợp Hansa
- 8 Tủ lạnh tích hợp trong nhà bếp dưới mặt bàn
- 9 Cách chọn tủ lạnh tích hợp: mẹo quan trọng
- 10 Trình tự lắp đặt tủ lạnh tích hợp
- 11 Tủ lạnh tốt nhất: đánh giá các mẫu phổ biến nhất
- 12 Tủ lạnh tích hợp: đánh giá của người dùng
Tủ lạnh tích hợp trong nhà bếp hiện đại
Nhìn qua những bức ảnh về nội thất nhà bếp trên Internet, không thể không nhận thấy rằng ít nhất một nửa trong số họ trực quan không có tủ lạnh. Ngay cả khi bạn cố gắng tưởng tượng và tìm một vị trí cho anh ta trong môi trường đã được thiết kế sẵn, nó sẽ khó khăn. Làm thế nào để chọn màu sắc phù hợp cho các đơn vị? Màu trắng có vẻ đơn giản và không thú vị, nhưng kim loại phải được kết hợp với các yếu tố khác, nếu không nhà bếp sẽ trông u ám. Màu đỏ hoặc tím sẽ tạo ra một điểm nhấn tươi sáng, nhưng nó sẽ trang trí hoặc làm hỏng toàn bộ nội thất?

Để tạo ra một nội thất nhà bếp đẹp, có một giải pháp phổ biến - đó là lắp đặt tủ lạnh trong tủ quần áo
Có một giải pháp phổ biến để tạo ra một nội thất hài hòa - đó là đặt tủ lạnh trong tủ quần áo. Bí quyết thiết kế này đã được tích cực chọn lọc từ vài thập kỷ trước, và ngày nay nhiều người đã lắp đặt loại thiết bị gia dụng theo cách này. Ngành thực hiện các yêu cầu, ngày càng tạo ra nhiều mô hình mới của các đơn vị như vậy.
Ưu điểm của tủ lạnh tích hợp:
- khả năng tạo ra một nội thất thú vị;
- tăng thị giác trong không gian của các phòng nhỏ;
- hoạt động yên tĩnh của thiết bị trong một không gian kín.
Đặc tính kỹ thuật và hoạt động của tủ lạnh đặt trong hốc đồ có một số điểm khác biệt so với các kiểu tủ đứng.Cần xem xét các chi tiết cụ thể cụ thể của việc lắp đặt, cũng như chất lượng đặc biệt của các bề mặt bên ngoài của vỏ máy. Tủ lạnh tích hợp sẵn trong tủ đắt hơn so với các mẫu thông thường, nhưng tính thẩm mỹ của nội thất và sự thoải mái hoàn toàn bù đắp cho chi phí mua nó.
Cách chọn tủ lạnh tích hợp: kích thước và chức năng của các thiết bị
Khi chọn một tủ lạnh tích hợp, cần phải xác định một số chỉ số phức tạp và gần như đồng thời:
- thể tích của đơn vị (kích thước) và số lượng buồng thích hợp;
- các đặc tính hiệu suất mong muốn của mô hình (các chức năng);
- kích thước của khu vực lắp đặt.
Cả ba yếu tố này đều phụ thuộc lẫn nhau. Tiêu chí chính để tính toán là số lượng thành viên trong gia đình. Một người có điều kiện cần thể tích 120 lít, cho mỗi người tiếp theo - 60 lít. Cũng cần tính đến các đặc thù của tổ chức cuộc sống hàng ngày: tần suất và số lượng thực phẩm được sản xuất, liệu đông lạnh có được ưa thích như một cách lưu trữ hay không, v.v.
Vị trí của các ngăn phụ thuộc phần lớn vào chiều cao của tủ lạnh tích hợp (có thể khác nhau, nhưng thường không vượt quá 200 cm). Các mô hình cao hơn có ngăn tủ lạnh và ngăn đá riêng biệt, ngăn sau có thể được đặt ở cả dưới cùng và trên cùng.
Ở các dòng máy thấp, kích thước ngăn đá nhỏ, không có cửa ngăn riêng. Chức năng của thiết bị phần lớn phụ thuộc vào vị trí của các khoang - sự hiện diện của các khu vực khác nhau (làm tươi, cấp đông nhanh, cấp đông nhanh, v.v.). Mô hình được lựa chọn dựa trên nhu cầu và mong muốn nên phù hợp với không gian được phân bổ cho nó.
Lời khuyên hữu ích! Với diện tích hạn chế, việc lựa chọn tủ lạnh nên bắt đầu bằng việc xác định kích thước tối ưu của nó. Do đó, sẽ không cần phải từ bỏ mô hình mong muốn và sửa đổi chức năng.
Chiều rộng tiêu chuẩn của tủ lạnh làm kích thước chính
Tủ lạnh cổ điển được chia thành ba loại chính: loại lớn, loại vừa và loại nhỏ (bao gồm cả tủ lạnh mini). Sự phân chia này thích hợp để áp dụng cho các mô hình nhúng. Các kích thước sau có thể được coi là kích thước tiêu chuẩn:
- đơn vị kích thước đầy đủ: chiều cao - 175-200 cm, chiều rộng - 55-60 cm, chiều sâu - 55-60 cm;
- mô hình trung bình: chiều cao - 130-150 cm, chiều rộng - 45-55 cm, chiều sâu - 50-60 cm;
- tủ lạnh nhỏ gắn trong: chiều cao - 60-80 cm, chiều rộng - 50 cm, chiều sâu - 50 cm.
Tủ lạnh side-by-side có chiều cao tiêu chuẩn lên đến 200 cm và chiều sâu 60 cm, nhưng có sự khác biệt đáng kể về chiều rộng. Theo truyền thống, nó là 90 cm, nhưng một số mô hình đáng kể là rộng 110-112 cm.

Đối với đơn vị kích thước đầy đủ, kích thước tiêu chuẩn là các giá trị sau: chiều cao - lên đến 200 cm, chiều rộng - 55-60 cm, chiều sâu - 55-60 cm
Chiều rộng là kích thước quan trọng nhất khi chọn tủ lạnh âm tường. Nếu các nhà sản xuất cố gắng duy trì độ sâu tiêu chuẩn, có tính đến kích thước của đồ nội thất nhà bếp và chiều cao có thể thay đổi, thì chiều rộng trở thành cơ bản để xác định vị trí lắp đặt. Nếu có không gian trống, không có vấn đề gì. Tuy nhiên, không phải ai cũng có những căn bếp rộng rãi, và đôi khi phải đếm từng centimet.
Tủ lạnh được xây dựng dưới mặt bàn đòi hỏi một cách tiếp cận đặc biệt khi chọn một kiểu máy. Trong những trường hợp như vậy, chỉ số tổng thể này đi vào bình diện thẩm mỹ. Chiều rộng tiêu chuẩn của cửa ra vào mặt tiền của đồ nội thất nhà bếp là 40-45 cm, của tủ lạnh - 50 cm. Việc vi phạm tính đồng nhất về kích thước có thể dẫn đến mất thẩm mỹ.
Lời khuyên hữu ích! Nếu sự khác biệt về kích thước của phần phía trước của tủ lạnh tích hợp có thể ảnh hưởng tiêu cực đến hình thức tổng thể, thì nên lắp đặt thiết bị dưới bề mặt làm việc của bàn đảo.
Nhiều mẫu tủ lạnh tích hợp Liebherr
Tủ lạnh Liebherr chất lượng đáng tin cậy của Đức. Đội hình được đại diện bởi tất cả các loại đơn vị hiện có. Phổ biến nhất trong số các tủ lạnh tích hợp là các sản phẩm tiêu chuẩn hai ngăn với một ngăn đá dưới cùng và hai cửa. Chiều cao của tủ lạnh nằm trong khoảng từ 170 đến 203 cm. Kích thước tổng thể này cho phép bạn để đồ đạc ở tầng trên duy nhất, điều này đặc biệt quan trọng đối với những căn phòng nhỏ.
Tổng thể tích của tủ lạnh như vậy là 250-280 lít. Trong số đó, bạn có thể tìm thấy các mô hình có ngăn đá nhỏ - 28 lít, trong đó tủ lạnh chiếm 263 lít không gian bên trong. Có nhiều kiểu máy với ngăn đông 83 L và vùng lạnh 199 L.
Giá tủ lạnh tích hợp của Liebherr là trên mức trung bình. Một chiếc hai buồng kích thước đầy đủ có thể được mua với giá 50-100 nghìn rúp, giá của các mô hình hạng Cao cấp lên tới 140-150 nghìn rúp. Như một điểm mới lạ, nhà sản xuất cung cấp những chiếc tủ lạnh tích hợp nhiều ngăn với ngăn đá phía dưới và ngăn chia thành các vùng làm lạnh. Các tập hợp như vậy khá rộng (91 cm) và cao (203 - 207 cm). Lớp mô hình được đặc trưng là PremiumPlus. Các thiết bị được trang bị với chức năng hiện đại nhất, giá là 430-450 nghìn rúp.
Các loại tủ lạnh cỡ vừa cũng được giới thiệu rộng rãi, có những mẫu có cả hai cửa và một cửa.
Trong số các tủ nhỏ, bạn có thể chọn các tùy chọn có chiều rộng từ 50 đến 60 cm, có thể là các mẫu tủ hai ngăn, tủ đông hoặc tủ lạnh tích hợp riêng biệt.

Trong số các tủ lạnh tích hợp Liebherr, phổ biến nhất là các mô hình tiêu chuẩn của các sản phẩm hai ngăn với một ngăn đá phía dưới.
Lời khuyên hữu ích! Khi chọn tủ lạnh âm tường, bạn nên chú ý đến các phương pháp lắp cửa. Không phải mọi mô hình đều có khả năng vượt trội hơn các vòng lặp.
Tủ lạnh tích hợp bên trong Liebherr
Những người sở hữu căn bếp rộng rãi với một mức thu nhập nhất định mới đủ tiền sắm một chiếc tủ lạnh của Mỹ. Đây là thiết bị có kích thước lớn, trong đó ngăn đá chiếm vị trí bên cạnh, thường là bên trái. "Sidebyside" có nghĩa là "cạnh nhau", tức là các ngăn của tủ lạnh như vậy được đặt cạnh nhau.
Số lượng lớn nhất các mô hình sidebyside tích hợp được sản xuất bởi công ty Liebherr của Đức. Các đơn vị có thể có hai hoặc ba ngăn. Ngoài ngăn đá và tủ lạnh được bổ sung thêm ngăn bảo quản rượu. Tổng thể tích của một tủ lạnh như vậy đạt 899 lít, và chiều rộng là 167,7 cm.
Một số mô hình có bố trí phía dưới của tủ đông với hai đơn vị giống nhau. Các thiết bị này có bốn cửa mở ra hai ngăn làm lạnh và hai ngăn cấp đông. Chúng có thể được đặt cả trong các tủ được trang bị đặc biệt cho tủ lạnh và trong các hốc (nhúng không đầy đủ). Tùy chọn thứ hai được nhiều người ưa thích do có thêm một số cửa.
Các mô hình tiêu chuẩn của các đơn vị này được đặc trưng bởi các kích thước sau:
- chiều cao - 177,7 cm;
- chiều rộng - 111 cm;
- độ sâu - 54,5 cm.
Tổng thể tích là 560-590 lít.
Tủ lạnh tích hợp Liebherr side by side có sự khác biệt đáng kể so với các mẫu tủ lạnh của các hãng khác. Đây là những đơn vị đúc sẵn, chúng bao gồm hai (hoặc nhiều hơn trong một số loại) khối riêng biệt được kết hợp thành một cấu trúc.
Nội thất thú vị và sử dụng thoải mái: tủ lạnh Bosch tích hợp
Dòng sản phẩm thương hiệu Bosch bao gồm các đơn vị khác nhau. Đây có thể là các mô hình sau:
- Tủ lạnh nhỏ một buồng.Đây là những tủ đông và buồng lạnh riêng biệt với các kích thước: chiều cao - 85 cm, chiều rộng - 60 cm, chiều sâu - 59 cm, những ngăn này khá rộng rãi, thể tích là 114 lít.
- Các thiết bị cỡ trung bình có chiều cao từ 120 đến 150 cm. Các mẫu như vậy của nhà sản xuất Bosch có bố trí ngăn đá phía trên.
- Tủ lạnh hai ngăn cỡ lớn có vị trí ngăn đá phía dưới hoặc phía trên.
Những mẫu tủ có chiều cao 177 cm, chiều rộng 56 cm và chiều sâu 55 cm, ngăn đá trên cao và một cửa được ưa chuộng nhất. Tổng thể tích của tủ lạnh đó là 287 lít, trong đó ngăn mát tủ lạnh là 252 lít và ngăn đá là 35 lít.
Hầu hết các tủ lạnh tích hợp của Bosch đều có chức năng NoFrost, tự động rã đông và cấp đông nhanh, cảm biến phản ánh hoạt động điều khiển và hoạt động của thiết bị cũng như vùng làm tươi.
Lời khuyên hữu ích! Khi mua tủ lạnh tích hợp sẵn, bạn có thể tiết kiệm rất nhiều bằng cách chọn một kiểu máy có chức năng đơn giản hóa, ví dụ như với chế độ rã đông thủ công.
Kích thước và chức năng hiện đại của tủ lạnh Samsung tích hợp
Tủ lạnh Samsung từ lâu đã trở nên quen thuộc với người tiêu dùng trên thị trường trong nước. Đây là một sản phẩm chất lượng với giá cả hợp lý. Tỷ trọng của các mô hình nhúng trong tổng khối lượng sản xuất là nhỏ. Về cơ bản, đây là những tùy chọn hai ngăn được yêu cầu nhiều nhất với vị trí thấp hơn của ngăn đá.
Bài viết liên quan:
Kích thước tủ lạnh: kiểu tiêu chuẩn và không tiêu chuẩn, phương pháp đặt
Kích thước chính: chiều cao, chiều rộng, chiều sâu. Kích thước tiêu chuẩn của tủ lạnh LG, Atlant, Biryusa, Bosch, Samsung, Indesit. Quy tắc tuyển chọn.
Kích thước tổng thể của các đơn vị như sau:
- chiều cao - 117–178 cm;
- chiều rộng - 54–56 cm;
- độ sâu - 55–58 cm.
Các đặc điểm chức năng chính của mô hình bao gồm:
- phương pháp rã đông - hệ thống nhỏ giọt, NoFrost;
- khả năng bảo vệ chống lại sự gia tăng điện áp - chức năng Volt Control;
- điều chỉnh tự động các chỉ số nhiệt độ - Cool Select Zone;
- khôi phục mức nhiệt độ cần thiết sau khi không khí ấm xâm nhập vào buồng - chức năng Đa luồng;
- phân phối khí đều - Hệ thống làm mát TWIN.
Tính năng được yêu cầu nhiều nhất của tủ lạnh tích hợp là Know Frost. Chính việc đảm bảo sự đồng đều của khối khí góp phần bảo quản độ tươi lâu của sản phẩm. Hầu hết tất cả các mẫu tủ lạnh của nhà sản xuất này đều thuộc loại năng lượng tiết kiệm A và A ++.

Độ bền, chức năng hiện đại và giá cả hợp lý của tủ lạnh Samsung tích hợp sẵn khiến chúng trở nên phổ biến với người dùng trên toàn thế giới.
Lời khuyên hữu ích! Khi mua tủ lạnh qua cửa hàng trực tuyến, bạn nên tìm hiểu kích thước để lắp tủ lạnh, được chỉ định trong hướng dẫn. Không có bất kỳ trách nhiệm pháp lý nào đối với việc đặt thông tin sai trong mô tả sản phẩm trên trang web.
Giá cả phải chăng và độ tin cậy: tủ lạnh tích hợp Atlant
Phân tích ngay cả những mức giá dân chủ nhất cho tủ lạnh lắp sẵn, chúng tôi có thể tự tin nói rằng không phải ai cũng có thể mua được. Nhà máy Atlant ở Belarus từ lâu đã mang đến cho các gia đình thu nhập thấp cơ hội sử dụng các thiết bị làm lạnh hiện đại. Nhà sản xuất cũng sản xuất các tùy chọn tích hợp có thể được mua với giá 25 nghìn rúp.
Mẫu Decent - Atlant XM 4307. Tủ lạnh có các kích thước sau:
- chiều cao - 178 cm;
- chiều rộng - 54 cm;
- độ sâu - 56 cm.
Tủ lạnh tích hợp này là hai ngăn. Thể tích của ngăn mát là 234 lít, ngăn đá - 167 lít. Mô hình có đủ kích thước, kích thước cho phép chứa được số lượng sản phẩm khá lớn. NoFrost, vùng làm mới và điều khiển cảm ứng bị thiếu. Tuy nhiên, với chi phí như vậy, không cần đòi hỏi nhiều ở công nghệ.Cái chính là đơn vị làm việc đáng tin cậy, làm mát nội dung, xác nhận các đặc tính do nhà sản xuất công bố. Tủ lạnh thuộc hạng phổ thông A, độ ồn không quá 40 dB, khí hậu hạng N.
Mô hình này gần đây đã được đưa vào sản xuất hàng loạt, nhưng nó đã khẳng định được hiệu suất ổn định và là nhu cầu của người tiêu dùng.
Kích thước tiêu chuẩn là một lợi thế của tủ lạnh tích hợp Hansa
Đồ gia dụng Hansa xuất hiện trên thị trường nội địa cách đây không lâu - chỉ hai thập kỷ. Tủ lạnh tích hợp chủ yếu được đại diện bởi các mô hình hai ngăn kích thước đầy đủ. Trong số đó, có những lựa chọn rẻ tiền với hệ thống nhỏ giọt để xả tuyết cho buồng lạnh và bằng phương pháp thủ công - cho tủ đông. Có những kiểu máy có hệ thống nhỏ giọt cho phần làm lạnh của thiết bị và có chức năng NoFrost của tủ đông.
Trong số các đặc điểm chính của tủ lạnh tích hợp Hansa là:
- kích thước tổng thể: chiều cao - 177,6 cm, chiều rộng - 54 cm, chiều sâu - 54 cm;
- tổng khối lượng vượt quá 250 lít;
- thể tích của buồng lạnh là 190 lít;
- tủ đông - 70 l;
- đèn nền LED bên trong;
- loại tiêu thụ năng lượng tiết kiệm - A + và A ++;
- khả năng treo cửa từ bên này sang bên kia.

Ưu điểm của tủ lạnh âm tường Hansa là kích thước tiêu chuẩn nên dễ dàng lắp đặt vào nội thất nhà bếp
Kích thước tiêu chuẩn của tủ lạnh tích hợp và giá cả liên quan đến phân khúc trung bình khiến đồ gia dụng Hansa khá phổ biến. Các mô hình này cũng thuận tiện trong việc lắp đặt. Nhiều nhà sản xuất đồ nội thất nhà bếp làm tủ chính xác cho các kích thước như vậy của các thiết bị tích hợp.
Những tủ lạnh như vậy là một lựa chọn tốt khi các thiết bị này được đặc trưng bởi chức năng tốt và giá cả khá phải chăng. Những nhược điểm của thiết bị này bao gồm một số loại hạn chế và sự đồng nhất về kích cỡ.
Tủ lạnh tích hợp trong nhà bếp dưới mặt bàn
Có thể có một số lý do khiến tủ lạnh được đặt dưới mặt bàn:
- thiếu không gian để lắp đặt một đơn vị riêng biệt;
- mong muốn tạo ra một nội thất nhất định;
- không cần tủ lạnh lớn, và kiểu máy nhỏ có đế rời không phải là một lựa chọn tốt.
Tủ lạnh âm tủ có chiều cao tiêu chuẩn là 80 cm.
Quan trọng! Để tăng khối lượng, một số người mua mua các đơn vị cao hơn (86–90 cm) cho mục đích như vậy. Điều này tất yếu đòi hỏi phải tăng chiều cao của mặt bàn làm việc, điều này làm giảm mức độ thoải mái khi làm việc trên mặt bàn làm việc.
Bạn có thể tăng dung tích của một tủ lạnh nhỏ tích hợp do chiều rộng. Các nhà sản xuất như Bosch và Liebherr có các mẫu có chiều rộng 60 cm. Liebherr cũng cung cấp các tùy chọn nhỏ cạnh nhau để nhúng.
Bạn có thể chọn một tủ đông và một tủ lạnh giống hệt nhau về kích thước tổng thể. Các thiết bị có thể được lắp đặt cạnh nhau hoặc trên các mặt đối diện của khu vực làm việc hình tam giác của nhà bếp.
Một tủ lạnh nhỏ có thể được tích hợp thành hộp đựng bút chì bằng cách nâng nó lên một độ cao nhất định để tiện sử dụng. Về nội thất, giải pháp có thể được coi là thành công, nhưng nó sẽ kéo theo những khó khăn nhất định trong việc lắp đặt, cụ thể là bố trí trao đổi không khí.
Cách chọn tủ lạnh tích hợp: mẹo quan trọng
Trước khi chọn mẫu tủ lạnh, bạn cần tìm hiểu xem có những loại tủ lạnh nào. Chúng khác nhau về đặc tính kỹ thuật (loại máy nén, loại năng lượng, loại khí hậu, v.v.), chức năng (rã đông tự động hoặc thủ công, cấp đông dữ dội, vùng làm tươi, bảo vệ chống đột biến điện, v.v.) và kích thước tổng thể (chiều cao, chiều rộng, chiều dài, thể tích ).
Bạn có thể nói nhiều tùy thích về tầm quan trọng của nội thất để mang lại cảm giác thoải mái cho căn phòng, nhưng nếu căn phòng đó không đáp ứng được các yêu cầu chức năng cơ bản, thì những nỗ lực dành cho việc mang lại tính thẩm mỹ cho nó sẽ giảm xuống còn không.
Tiêu chí chính khi chọn bất kỳ tủ lạnh nào, kể cả tủ lạnh tích hợp, là tuân thủ các yêu cầu (kích thước và chức năng).
Tiếp theo, bạn nên tìm hiểu kỹ về đặc tính kỹ thuật của tủ lạnh. Bạn có thể tìm thấy tùy chọn hoàn hảo. Sẽ không phải là một sai lầm lớn khi chọn một mô hình có mức tiêu thụ năng lượng không siêu tiết kiệm hoặc với việc rã đông thủ công của một khoang, nhưng ngược lại đáp ứng các yêu cầu.

Khi chọn tủ lạnh âm tường, bạn không chỉ cần chú ý đến kích thước mà còn phải chú ý đến các đặc tính kỹ thuật và chức năng của thiết bị.
Tủ lạnh lắp sẵn là thiết bị đắt tiền. Hãy chắc chắn để làm rõ cho chính mình vấn đề của dịch vụ. Sau khi hết thời gian bảo hành, nếu phải gửi đơn vị đi sửa chữa, bảo dưỡng thì người sử dụng phải chịu công sức vận chuyển và chi phí tài chính. Việc thiếu một trung tâm hỗ trợ trong thành phố làm phức tạp đáng kể quá trình đổi mới.
Trình tự lắp đặt tủ lạnh tích hợp
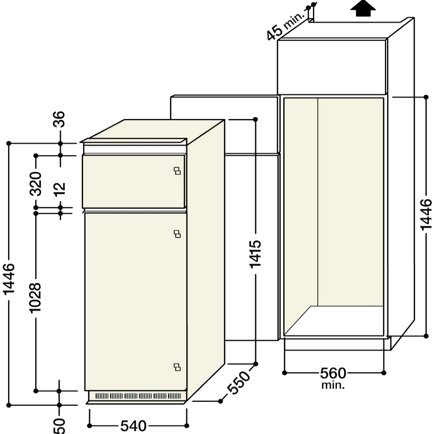
Nội thất nhà bếp, nơi được cho là sẽ lắp đặt tủ lạnh, thường được đặt hàng bởi những người thợ thủ công có kinh nghiệm. Nhất định họ phải đến tận nơi, đo đạc. Khi sản xuất phải tính đến việc tạo các ống thông gió dưới tầng hầm của tủ, đảm bảo khoảng cách giữa các vách ngách và dàn tối thiểu là 7 cm để các luồng gió chuyển động. Hướng dẫn dành cho các mẫu lắp sẵn chỉ ra kích thước chính xác của ngăn tủ cho tủ lạnh, vì vậy sẽ tốt hơn nếu thiết bị được mua trước khi sản xuất đồ nội thất.
Một bộ dây buộc cho từng mô hình cụ thể được cung cấp bởi nhà sản xuất.
Trình tự các hành động khi xây dựng tủ lạnh có thể như sau:
- cài đặt các góc lắp, cố định các điểm dừng ở phía dưới;
- sửa các góc ở hai đầu cửa;
- cài đặt thiết bị sao cho nó trùng với các bộ hạn chế;
- cố định thân tủ lạnh và các cạnh của hốc ở bốn điểm.
Cửa gắn chặt có thể là cứng (doorondoor) hoặc trượt (cửa trượt). Trong trường hợp đầu tiên, mặt tiền của đồ nội thất được cố định vào cửa tủ lạnh. Trong thứ hai, cửa đơn vị trượt dọc theo bề mặt đồ đạc bên trong với sự trợ giúp của các thanh dẫn.
Trước khi bắt đầu công việc lắp đặt, hãy nhớ kiểm tra kích thước của tủ đối với tủ lạnh lắp sẵn. Cũng cần lưu ý rằng độ dày của thành đồ nội thất không được nhỏ hơn 1,6 cm và khoảng cách từ mép ngoài của thiết bị đến mép ngoài của mặt trước của đồ nội thất phải là 4 cm.
Tủ lạnh tốt nhất: đánh giá các mẫu phổ biến nhất
Đánh giá tủ lạnh tích hợp bên dưới là tổng quát. Nó không làm nổi bật các mô hình theo giá cả, chức năng, kích thước, v.v., đây là những đơn vị được mua nhiều nhất với tối thiểu các đánh giá tiêu cực của người dùng.
LIEBHERR SBS 66I3. Đơn vị bốn cửa của Đức. Tổng thể tích là 500 lít. Có hai máy nén, cho phép điều khiển máy ảnh riêng biệt. Dễ dàng cài đặt, được trang bị chức năng mới nhất. Có một thẻ giá cao.
Gorenje RKI 5181 KW. Mẫu hai ngăn với một ngăn đá phía dưới. Có các chức năng làm đông nhanh, thông báo bằng âm thanh, tự động điều chỉnh nhiệt độ. Sau khi tắt máy, nó giữ lạnh trong 12 giờ. Tủ đông có đặc điểm là thể tích nhỏ.
LG GR-N309 LLB. Tủ lạnh tích hợp tốt nhất của nhà sản xuất này. Mô hình là hai buồng, với một ngăn đá phía dưới. Bộ sản phẩm bao gồm một máy làm đá. Máy nén có độ ồn thấp.
BOSCH KIV38X20. Mô hình hai buồng với hai cửa và một ngăn đá phía dưới. Hệ thống xả đá nhỏ giọt. Chất lượng đáng tin cậy của Đức, bổ sung bởi một chi phí chấp nhận được.

Tủ lạnh Gorenje RKI 5181 KW được tích hợp các chức năng thông báo bằng âm thanh, làm đông nhanh và tự động điều chỉnh nhiệt độ
ATLANT XM 4307-000. Tủ lạnh hai ngăn hai cửa với thể tích ngăn đá lớn. Giá cả phải chăng và hoạt động đáng tin cậy đảm bảo vị trí hàng đầu.
Tủ lạnh mini tích hợp tốt nhất là Liebherr và Bosch. Chúng được phân biệt bởi sự rộng rãi, kích thước nhỏ và chất lượng cao. Giá thành của các mô hình này, mặc dù kích thước của chúng, khá cao.
Lời khuyên hữu ích! Để có được bức tranh toàn cảnh về mẫu tủ lạnh đã chọn, bạn nên tự làm quen không chỉ với thông tin về vị trí của đơn vị trong bảng xếp hạng mà còn với các đánh giá của người dùng.
Tủ lạnh tích hợp: đánh giá của người dùng
Về lý thuyết, việc tích hợp tủ lạnh sẽ không gây ra bất kỳ vấn đề gì. Các chức năng và kích thước của các đơn vị được lựa chọn bởi người mua phù hợp với mong muốn và nhu cầu cá nhân. Hình ảnh về tủ lạnh tích hợp được đăng trên Internet cung cấp nhiều lựa chọn thực sự cải thiện thiết kế nhà bếp.
“Tôi đã kinh doanh đồ đạc trong năm thứ năm. Để tủ lạnh âm tường hoạt động được lâu dài, bạn cần tạo cho nó những điều kiện nhất định. Nếu chỉ lắp tủ bằng ván dăm thì sẽ không có thông gió. Một tủ chất lượng cao có giá bằng một phần ba tủ lạnh. Với sự bay hơi được tổ chức không đúng cách, kỹ thuật nhanh chóng bị phá vỡ. Tôi không khuyến khích nó, kể cả vì lý do tài chính. "
Andrey Bochkov, Syktyvkar
“Atlant được xây dựng bên trong đã hoạt động được năm thứ bảy - và như ngày đầu tiên. Bên trong, nhựa lau một chút, nhưng mọi thứ vẫn bình thường. Tôi đã muốn thay đổi nó cho một cái gì đó ấn tượng hơn, tôi đã xem qua các lựa chọn, có những mẫu thú vị, và ngay cả tủ quần áo cũng không cần phải thay đổi. "
Denis Vakulov, Noyabrsk
“Bất kỳ tủ lạnh nào, không chỉ tủ lạnh lắp sẵn, sẽ không tồn tại lâu nếu không được cung cấp hệ thống thông gió ở bức tường phía sau bằng bộ trao đổi nhiệt. Bạn cần có nhiều không gian bên dưới tủ lạnh và cũng cần thiết để có thể thực hiện hút khí. Vậy thì chỉ có bạn mới có thể tính chuyện lâu dài ”.
Alexey Beloborodov, Lipetsk
Tích hợp hay không xây trong tủ lạnh là vấn đề sở thích, mong muốn, khả năng và sự cần thiết. Tuy nhiên, đã quyết định chỉ chọn một mô hình như vậy, cần xem xét tất cả các tính năng của kỹ thuật và các mẹo lắp đặt để thiết bị hoạt động lâu dài và hoạt động của nó là thú vị.