Para aumentar la comodidad y conveniencia en el funcionamiento de los dispositivos de iluminación, se utiliza un interruptor de paso: el diagrama de conexión muestra claramente el principio de funcionamiento del dispositivo de conmutación. Con su ayuda, puede controlar la iluminación de la habitación desde cualquier punto. Las características de diseño y las reglas para instalar el producto se describen en detalle en este artículo.

Interruptor de paso: diagrama de conexión del dispositivo desde diferentes lugares
Los interruptores de paso se utilizan para organizar el control de luminarias desde varios lugares

Diseño y principio de funcionamiento del interruptor de paso.

Los interruptores de paso están diseñados para encender y apagar la iluminación desde diferentes extremos de una habitación o un tramo de escaleras. Esto significa que puede encender la luz, por ejemplo, al entrar en una habitación, y apagarla en otra parte de la misma. Este principio de funcionamiento le permite ahorrar energía significativamente.

Encender luces desde diferentes lugares no solo es muy conveniente, sino que también le permite ahorrar bastante electricidad.
Encender la luz desde diferentes lugares no solo es muy conveniente, sino que también le permite ahorrar bastante electricidad.

El interruptor de paso no difiere en apariencia del habitual. Su panel frontal móvil también muestra flechas hacia arriba y hacia abajo. Un interruptor convencional tiene una entrada y una salida. Por el contrario, un dispositivo de transferencia tiene una entrada y dos salidas. Esto indica que la corriente no se interrumpe aquí, sino que se redirige a cualquiera de las salidas.

A pesar de que experimentó electricistas A simple vista podrán determinar el interruptor de paso, los fabricantes confiables producen productos con un circuito eléctrico dibujado de un interruptor de paso doble, triple o simple, que se encuentra debajo del cuerpo del dispositivo.

También es posible determinar que se trata de un dispositivo de paso único frente a sus ojos al examinar terminales con contactos de cobre. Debería haber tres de ellos. Para asegurarse de que los terminales no se mezclen entre sí, debe usar un multímetro. El dispositivo debe ponerse en el modo de dar una señal de sonido y hacer sonar su entrada y salida. Si, al tocar un contacto, el multímetro emite una señal, el contacto está presente en ese lugar.

Distribución de conexiones en la red
Distribución de conexiones en la red

Otra diferencia con un conmutador simple es que el dispositivo de paso tiene conmutación de tres núcleos, y no de dos núcleos, como uno convencional. Es una especie de interruptor que redirige el voltaje de un contacto a otro.

Los interruptores de paso suelen funcionar en pares para controlar una fuente de luz. Cada uno se suministra con cero y fase. Cambiar la posición de la llave del interruptor cerrará el circuito, provocando que la luz se encienda. Cuando se apaga el primer o segundo interruptor, el cableado de fase se abre, el contacto del interruptor de par se cierra y la luz se apaga. Es decir, cuando en ambos dispositivos las teclas están en la misma posición, la iluminación se enciende, en diferentes posiciones se apaga.

La iluminación se puede controlar no solo desde dos lugares, sino también desde tres o más. Para hacer esto, se deben agregar uno o más interruptores cruzados al diagrama de conexión general del interruptor de paso desde dos lugares.

Ventajas de instalar un interruptor de paso

Los interruptores de paso le permiten controlar la iluminación de una habitación desde dos o más lugares, lo que es una comodidad indiscutible. Esto es especialmente valioso para casas de varios pisos con tramos de escaleras. Aquí puede instalar el primer interruptor en el primer piso y el siguiente en el segundo, que encenderá la luz en la parte inferior y la apagará en la parte superior.

Es particularmente importante el uso de interruptores de paso para controlar la iluminación de las escaleras.
Es especialmente importante utilizar interruptores de paso para controlar la iluminación de las escaleras.

Una buena solución es instalar un interruptor en la entrada del dormitorio y el segundo en la cabecera de la cama, que te permitirá entrar, encender la luz, prepararte para ir a dormir, acostarte y apagar las luces. También es recomendable instalar interruptores en la entrada de la casa o apartamento y al final del pasillo.

¡Consejo útil! Con ayuda sensores de movimiento especiales o un temporizador integrado en el interruptor, puede hacer que la iluminación se apague automáticamente cuando salga de un lugar determinado.

Los interruptores de paso tienen ventajas significativas sobre los dispositivos convencionales:

  • alta confiabilidad y seguridad de operación;
  • apagado instantáneo de las instalaciones, si es necesario, desde cualquier punto;
  • consumo energético óptimo;
  • bajo costo;
  • instalación sencilla que no requiere la participación de especialistas;
  • falta de entornos complejos.
La presencia de interruptores de paso le permite encender las luces de abajo con un interruptor y, después de subir las escaleras, apagarlas con otro.
La presencia de interruptores de paso le permite encender las luces de abajo con un interruptor y, después de subir las escaleras, apagarlas con otro.

Cómo hacer un interruptor de paso con tus propias manos.

A pesar de que a primera vista, los interruptores convencionales y de paso tienen diferencias menores, su costo es significativamente diferente. Puede comprar un interruptor de paso a través de 1,5 a 2 veces más caro que uno simple. Por lo tanto, muchos artesanos se esfuerzan por fabricar un dispositivo de conmutación por su cuenta.

Para obtener un interruptor de paso a través de una tecla, es necesario utilizar dispositivos convencionales de una tecla y dos teclas del mismo tamaño y fabricante.

¡Consejo útil! Al comprar un interruptor de paso a través de dos teclas, cuyo circuito está impreso en el cuerpo del dispositivo, debe asegurarse de que tenga la capacidad de mover los terminales en lugares en tal orden para garantizar que el circuito esté abierto y cerrado independientemente el uno del otro.

El proceso de alteración de un interruptor simple en un punto de control consta de los siguientes pasos:

  • el botón provisto de clips se retira del interruptor de una tecla;
  • el núcleo del interruptor se exprime suavemente;
  • las abrazaderas de la caja en el mecanismo interno del interruptor se exprimen;
  • uno de los terminales se quita del enchufe;
  • un contacto se reinstala frente al otro;
  • un balancín está instalado en los contactos;
  • el cuerpo se ensambla hacia atrás.
El uso de interruptores de paso será conveniente si la casa tiene pasillos largos
El uso de interruptores de paso será conveniente si la casa tiene pasillos largos.

También es posible ensamblar un interruptor a partir de dos simples. Deben colocarse uno al lado del otro de tal manera que cuando se activa la parte superior de la tecla, una se enciende y la inferior, la otra. Las llaves deben estar conectadas con una placa pegada en la parte superior. Es imperativo instalar un puente entre dos contactos adyacentes.

Diagrama de cableado del interruptor de paso con 2 lugares

El circuito de un interruptor de paso desde dos lugares se lleva a cabo utilizando dos dispositivos de paso a través de una sola tecla que funcionan solo en pares. Cada uno de ellos tiene un contacto en el punto de entrada y un par en el punto de salida.

Antes de conectar el interruptor de paso, el diagrama de cableado muestra claramente todas las etapas, la habitación debe desactivarse usando el interruptor apropiado ubicado en el panel de control. Luego, es necesario verificar adicionalmente la ausencia de voltaje en todos los cables del interruptor. Para hacer esto, use un destornillador especial.

¡Consejo útil! Se debe realizar una verificación similar en los lugares donde están instalados los dispositivos de conmutación.

Para completar el trabajo necesitarás: plano, cruzado y destornillador indicador, cuchillo, cortadores laterales, nivel, cinta métrica y perforadora. Para instalar interruptores y tender cables en las paredes de la habitación, se deben hacer los orificios y ranuras adecuados, de acuerdo con la disposición de los dispositivos.

A diferencia de los interruptores convencionales, los interruptores de paso no tienen dos, sino tres contactos y pueden cambiar la fase del primer contacto al segundo o tercero.
A diferencia de los interruptores convencionales, los interruptores de paso no tienen dos, sino tres contactos y pueden cambiar la "fase" del primer contacto al segundo o tercero.

¡Importante! Es imposible instalar un interruptor de paso en lugar de un interruptor simple.

Es necesario colocar los cables a una distancia de al menos 15 cm del techo. Se pueden colocar no solo de forma oculta, sino que también se pueden apilar en bandejas o cajas. Dicha instalación permite realizar rápidamente trabajos de reparación en caso de daños en el cable. Los extremos de los cables deben llevarse a cajas de conexiones, en las que todas las conexiones también se realizan mediante contactores.

Procedimiento de instalación para interruptores de 2 puntos: diagrama de conexión

Todas las acciones para la instalación de dispositivos de conmutación se llevan a cabo sobre la base del diagrama de conexión de 2 lugares de interruptores de paso, que se pueden encontrar en Internet. Se diferencia de la instalación de interruptores convencionales, ya que hay tres cables en lugar de los dos habituales. En este caso, se usan dos cables como puente entre dos interruptores ubicados en diferentes lugares de la habitación, y el tercero se usa para alimentar la fase.

Se puede utilizar cualquier tipo de lámpara como fuente de iluminación en un esquema de este tipo, desde lámparas incandescentes ordinarias hasta lámparas fluorescentes, de bajo consumo y LED.
Cualquier tipo de lámpara se puede utilizar como fuente de iluminación en un esquema de este tipo, desde lámparas incandescentes ordinarias hasta lámparas fluorescentes, de bajo consumo y LED.

Cinco cables deben ser adecuados para la caja de conexiones: la fuente de alimentación de la máquina, tres cables que van a los interruptores y el cable de conexión dirigido al dispositivo de iluminación. Al construir un diagrama de conexión para un interruptor de paso a través de una sola tecla, se utilizan cables de tres núcleos. Ponga a cero el cable y el cable de tierra directamente a la fuente de luz. El cable de fase marrón que suministra la corriente pasa a través de los interruptores, según el diagrama, y ​​se envía a la lámpara de iluminación.

¡Consejo útil! Para evitar problemas con el cableado futuro, se recomienda utilizar cables de cobre con una sección transversal de al menos 2,5 mm2.

Los interruptores están conectados en la ruptura del cable de fase, y el cero, que pasa a través de la caja de conexiones, se dirige al dispositivo de iluminación. Saltar la fase a través del interruptor garantizará la seguridad durante la reparación y el mantenimiento de la luminaria.

La instalación de un interruptor de paso consta de la siguiente secuencia de acciones:

  • pelar los extremos de los cables del aislamiento;
  • usando el indicador, es necesario determinar el cable de fase;
  • mediante torsión, el cable de fase debe conectarse a uno de los cables del primer interruptor (aquí se utilizan cables blancos o rojos);
  • se realiza la conexión por cable de los terminales cero de los interruptores;
  • conectar un cable separado del segundo interruptor a la luminaria;
  • en la caja de conexiones, el cable de la luminaria está conectado al cable neutro;
Al instalar interruptores de paso usted mismo, debe cuidar la seguridad.
Cuando instale interruptores de paso usted mismo, debe cuidar la seguridad

¡Consejo útil! Si se hacen giros, deben soldarse y envolverse con cinta aislante.

Interruptor de paso: diagrama de conexión de tres o más lugares

Si es necesario controlar los dispositivos de iluminación desde diferentes lugares, se debe implementar un diagrama de conexión del interruptor de paso de 3 puntos. Esto es cierto para edificios de varios pisos, grandes vestíbulos, pasillos largos con varias salidas. Para ello, además de dos interruptores de paso convencionales, se requiere un interruptor cruzado. En un dispositivo de conmutación de este tipo, no hay tres, sino cuatro contactos: un par de entrada y dos salidas, que se conmutan simultáneamente. Para hacer esto, use un cable de cuatro núcleos.

Diagrama de conexión de tres interruptores de paso
Diagrama de conexión de tres interruptores de paso

En el diagrama de cableado de los interruptores de paso con 3 posiciones en el primer y último punto, se utilizan interruptores ordinarios, entre los cuales se instala un interruptor cruzado.

¡Consejo útil! Dado que la conexión en la caja de conexiones con cada punto adicional está asociada con una gran cantidad de cables, se recomienda marcar los cables.

El diagrama de conexión de los interruptores de paso a través de tres ubicaciones se verá así:

  • "cero" y tierra se muestran en la lámpara;
  • conectar una fase a la entrada del primer conmutador de paso;
  • utilizando cables, los contactos de salida del primer interruptor se conectan al par de terminales de entrada del interruptor cruzado;
  • conectar los cables de salida del interruptor cruzado con un par de terminales en la salida del segundo interruptor de paso;
  • el cable del segundo interruptor se alimenta a la luminaria;
  • el segundo cable, que va desde la luminaria, va a la caja de conexiones en cero.

Artículo relacionado:

Enchufe: cómo conectar accesorios eléctricos sin la ayuda de un especialista

Cómo conectar una toma de corriente con sus propias manos. Descripción de medidas preparatorias y tecnología de instalación. Reglas de manejo de electricidad

Si el control de iluminación se planea desde más lugares, se introducen interruptores cruzados adicionales en el esquema general, que se conectan de acuerdo con el principio anterior.

Cada interruptor de paso tiene un cable de tres hilos y el cruzado tiene un cable de cuatro hilos. Todos los cables utilizados para la conexión deben tener la misma sección transversal. Los interruptores que pueden operar a corrientes normales de 6,10 y 16 A deben tener la misma clasificación. Puede ver claramente el diagrama de conexión de los conmutadores de paso desde 3 lugares en sitios especializados en Internet.

El procedimiento para conectar un interruptor de paso no es muy diferente de conectar un interruptor convencional
El procedimiento para conectar un interruptor de paso no es muy diferente al de conectar un interruptor convencional.

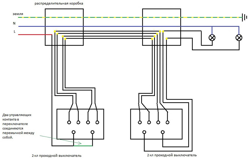
Diagrama de conexión de un interruptor de paso a través de dos teclas

Con la ayuda de interruptores de paso, puede controlar no solo una luminaria, sino también un grupo de varios dispositivos de iluminación. Para hacer esto, conecte los interruptores de dos botones a través del pasaje. Cada uno de ellos tiene seis contactos. Los cables comunes se determinan de la misma manera que para los dispositivos convencionales, pero es necesario que suenen más cables.

La diferencia entre el diagrama de conexión del interruptor de doble paso es que aquí se utilizan más cables. La fase se aplica a ambas entradas del primer interruptor. De dos entradas del segundo interruptor, deben salir cables para dos lámparas. En el caso de organizar el control de la iluminación desde tres o más puntos, se deben instalar dos interruptores cruzados para cada uno de ellos, ya que se producen solo con una tecla.

Diagrama de cableado de un interruptor de dos teclas
Diagrama de cableado de un interruptor de dos teclas

En este caso, de acuerdo con el principio de conectar interruptores de doble paso con interruptores cruzados, el primer par de contactos debe conectarse a una cruz y el segundo a la otra. Si es necesario, los dispositivos se conectan entre sí.La salida de ambos interruptores cruzados debe conectarse al último puente de dos teclas.

Fabricantes famosos de interruptores de paso

La empresa Legrand ocupa una posición de liderazgo en el mercado de electrodomésticos. La demanda de interruptores de paso de Legrand se debe a la alta calidad de los productos, la facilidad de instalación, la conveniencia en el funcionamiento posterior, el diseño elegante y la política de precios flexible. El único inconveniente es la necesidad de ajustar la ubicación de montaje. Si no coincide con el producto, pueden surgir dificultades durante su instalación, que se lleva a cabo de acuerdo con el esquema de conexión del interruptor de paso Legrand.

Interruptores de paso Legrand
Conmutadores de paso Legrand

La filial de Legrand es la empresa china Lezard. Sin embargo, solo quedó un diseño elegante de la marca original. La calidad de construcción es mucho menor debido al bajo costo del producto.

Uno de los principales fabricantes nacionales de artículos eléctricos es Wessen, que forma parte de Schneider Electric. Todos los productos se fabrican con las últimas tecnologías en equipos extranjeros modernos y cumplen con los estándares de calidad europeos. Los modelos tienen un diseño elegante y versátil que permite que cada elemento se adapte al interior de cualquier habitación. Una característica distintiva de los interruptores Wessen es la capacidad de reemplazar el marco decorativo sin desmontar el dispositivo.

Otro fabricante igualmente conocido es la empresa turca Viko. Los productos se caracterizan por una mano de obra de alta calidad, confiabilidad y durabilidad, cumplen con los requisitos de seguridad eléctrica y los estándares de calidad europeos. En la fabricación del cuerpo del dispositivo, se utiliza un plástico duradero ignífugo, que está diseñado para una gran cantidad de ciclos operativos.

El interruptor de paso, a diferencia del habitual, tiene tres cables conductores
El interruptor de paso, a diferencia del habitual, tiene tres cables conductores

La marca turca Makel ofrece productos de calidad, confiables, seguros y elegantes. Gracias a la posibilidad de conectar un bucle sin la necesidad de utilizar la caja de conexiones, la instalación de los interruptores se vuelve más sencilla y la operación posterior se vuelve cómoda y segura.

Gama popular de conmutadores de paso

Los interruptores de paso Legrand de la serie Velena se distinguen por su diseño elegante y una variedad de variaciones de color. Aquí hay productos de una y dos teclas que tienen una capa protectora contra el polvo y la humedad. Puedes comprar un cambio de 300 rublos.

La serie Celiane incluye productos en los que las teclas circulares están inscritas en un cuadrado. Pueden ser sin contacto con palancas o silenciosas. El costo de los interruptores comienza en 700 rublos. La gama Exclusive Celiane está representada por un número limitado de interruptores hechos a mano en mármol, bambú, porcelana, oro, mirto y otros materiales. Los marcos se fabrican exclusivamente bajo pedido. El precio del producto comienza en 5.9 mil rublos.

Colores para interruptores Celiane
Colores para interruptores Celiane

Las series de interruptores más populares de Lezard son Demet, Mira y Deriy. A continuación se muestran productos fabricados en policarbonato incombustible que cumple con los requisitos de seguridad eléctrica. Los elementos conductores están hechos de bronce fosforoso, que se caracteriza por una alta conductividad y un bajo calentamiento. Puede comprar un interruptor de una sola tecla desde 125 rublos.

La serie Wessen W 59 Frame utiliza un principio modular, lo que permite montar de 1 a 4 unidades en un marco horizontal o verticalmente. El precio del producto es de 140 rublos. Los interruptores de paso simple y doble de la serie Asfora se distinguen por un diseño simple, pero un rendimiento de alta calidad, que se puede comprar por 450 rublos.

Entre las populares series de Makel se encuentran Defne y Makel Mimoza. El cuerpo del dispositivo está hecho de plástico de alta calidad, equipado con un mecanismo interno confiable. El costo de los productos comienza a partir de 150 rublos.

Cuando se presiona el botón de encendido / apagado, el contacto móvil del interruptor de paso pasa de un contacto a otro, creando así las condiciones para un nuevo circuito en el futuro.
Cuando se presiona el botón de encendido / apagado, el contacto móvil del interruptor de paso pasa de un contacto a otro, creando así las condiciones para un nuevo circuito en el futuro.

El principio de funcionamiento y la instalación de dispositivos de conmutación no presentan dificultades significativas. Primero es necesario estudiar el diagrama de conexión y seguir las recomendaciones de las reglas de seguridad eléctrica, lo que permitirá llevar a cabo una instalación confiable y segura de dispositivos, proporcionando así un control conveniente y cómodo de los dispositivos de iluminación en la casa.

Cómo conectar un interruptor de paso a través: diagramas de conexión de video