Una bomba de agua para calefacción es un dispositivo que se utiliza para aumentar la eficiencia de los sistemas de calefacción autónomos para casas privadas y casas de verano. Tal aparato afecta el movimiento del refrigerante, que se produce de forma continua. Hoy en día, existen muchas variedades de tales bombas de circulación. Para seleccionar un dispositivo adecuado, debe familiarizarse con su principio de funcionamiento, así como con las características técnicas.
Contenido
- 1 El principio de funcionamiento y las características técnicas de las bombas de circulación para sistemas de calefacción.
- 2 Ventajas de las bombas de circulación para sistemas de calefacción.
- 3 Variedades de bombas de circulación para calentar casas privadas.
- 4 Bombas de circulación para calefacción Grundfos
- 5 Bombas de circulación para calefacción Wilo
- 6 Cómo elegir una bomba de circulación para calefacción: consejos.
- 7 Características del cálculo de una bomba de circulación para un sistema de calefacción.
- 8 Bomba de agua para calefacción: instalación
- 9 Fuente de alimentación ininterrumpida para bomba de circulación de calefacción
El principio de funcionamiento y las características técnicas de las bombas de circulación para sistemas de calefacción.
Una bomba de este tipo es un dispositivo dentro del cual se ubican un motor y un eje de trabajo. Su función principal es bombear el fluido de trabajo. La popularidad de tales dispositivos en estructuras de calefacción autónomas se debe al hecho de que permiten un calentamiento más eficiente del edificio.

El uso de una bomba de circulación en el sistema de calefacción le permite reducir el costo de la calefacción de espacios.
El principio de funcionamiento de la bomba de circulación es bastante simple. Cuando arranca, el rotor comienza a actuar sobre el impulsor (gírelo). Debido a esto, se crea una presión reducida en la entrada y, por el contrario, una presión aumentada en la salida. La velocidad de movimiento del fluido de trabajo a lo largo de las comunicaciones aumenta, lo que reduce los costos financieros de calentar una casa privada.
¡Informacion util! Un dispositivo similar funciona desde una red eléctrica convencional, cuyo voltaje es de 220 V. La potencia del dispositivo depende de su tipo, así como de qué modo se utiliza durante su funcionamiento. Este indicador varía de 25 a 100 W / h.
En muchos modelos, es posible seleccionar el modo de velocidad, que se selecciona individualmente, según las características técnicas de la comunicación de calefacción autónoma. Y también las bombas de circulación para el suministro de agua están equipadas con una marca específica, que indica las principales características del dispositivo.

La mayoría de los modelos de bombas de circulación están equipados con una opción de modo de velocidad, que se selecciona según las características técnicas de la comunicación de calefacción.
Ventajas de las bombas de circulación para sistemas de calefacción.
Anteriormente, la instalación de comunicaciones de calefacción en casas privadas no preveía la instalación de equipos de bombeo. El medio de trabajo en tales sistemas se movía a través de tuberías por gravedad. Hoy en día, algunas calderas de combustible sólido de bajo costo se construyen sin bombas integradas. Esto se explica de manera bastante simple: la empresa que produce las calderas no conoce los parámetros del circuito de calefacción. Para tales estructuras, se recomienda comprar un dispositivo de bombeo de circulación.
Hay varias ventajas al instalar una bomba en el sistema de calefacción de una casa privada. Por ejemplo, la carga en la caldera de calefacción se reduce debido a la igualación de temperaturas en las tuberías de entrada y salida. Otra ventaja de la bomba de circulación es que proporciona un calentamiento uniforme de las habitaciones debido a la misma temperatura del medio de trabajo en cualquier punto del anillo de calentamiento.
Y también al instalar un dispositivo de este tipo, es posible regular rápidamente la temperatura del refrigerante en las tuberías de calefacción. Y también vale la pena decir que al iniciar una estructura de calefacción autónoma, la caldera se calienta mucho más rápido si dicha bomba está integrada en el sistema.
El principio de funcionamiento de las bombas de circulación elimina la necesidad de colocar la tubería en una cierta pendiente hacia la caldera. Y también es posible utilizar tuberías menos gruesas en la comunicación. Esto no solo ahorra espacio, sino que también reduce el costo de la estructura de calefacción en su conjunto.
De las desventajas de este dispositivo, solo se puede distinguir una: la dependencia de la red eléctrica. Si hay interrupciones frecuentes en la red, el uso del dispositivo será difícil. Sin embargo, este problema puede resolverse simplemente instalando un sistema de alimentación ininterrumpida (UPS).

El uso de una bomba de circulación elimina la necesidad de ubicar tuberías en una cierta pendiente hacia la caldera.
Variedades de bombas de circulación para calentar casas privadas.
Hoy en día, todos los modelos de dichos dispositivos se clasifican según el principio de acción en dos tipos:
- Seco;
- "Mojado".
Muchas personas están interesadas en la cuestión de qué bomba de circulación elegir para instalar en una casa privada. Los dispositivos del tipo "seco" son de mayor tamaño e incluyen un compartimento de motor extendido hacia un lado. Tales modelos rara vez se instalan en edificios residenciales. Esto se debe al hecho de que hacen bastante ruido durante el funcionamiento. Sin embargo, estos dispositivos tienen una alta eficiencia, hasta un 80%.
¡Nota! Los dispositivos del tipo "seco" requieren un mantenimiento cuidadoso. Esto se debe al hecho de que sus elementos de sellado se desgastan muy rápidamente y deben reemplazarse a tiempo.
Como regla general, estos dispositivos se montan en dependencias separadas debido a su ruido. El área operativa de las bombas de tipo seco son los puntos de calor, que se distinguen por su alta potencia. Y también se pueden utilizar en comunicaciones de calefacción autónomas que necesitan un rendimiento máximo. En casas privadas, estos dispositivos prácticamente no están instalados.
Características de las bombas "húmedas" para calefacción en una casa privada.
Los dispositivos de tipo húmedo son mucho más compactos y versátiles. Su instalación se realiza insertando en la estructura de la tubería, a diferencia de los dispositivos "secos" que requieren instalación de consola. Y tampoco requieren la organización de un sistema de refrigeración adicional, ya que se le da un exceso de calor al ambiente de trabajo que pasa por ellos.

La instalación de una bomba de tipo "húmedo" se lleva a cabo aprovechando la estructura de la tubería
El rendimiento de las bombas de circulación "húmedas" es menor. Esto se debe al hecho de que el rotor opera en un medio de trabajo líquido, lo que proporciona una cierta resistencia. Por lo tanto, la eficiencia de las bombas "húmedas" varía del 50 al 60%. Sin embargo, el uso de dicho equipo se considera el más óptimo en las condiciones de los sistemas de calefacción autónomos.
Las características de las bombas de circulación de este tipo permiten su instalación incluso en salas de estar. Durante el funcionamiento, prácticamente no hacen ningún ruido. Y también vale la pena decir que el bajo rendimiento de estos dispositivos vale la pena, ya que su funcionamiento requiere mucha menos energía eléctrica.
La potencia de los modelos pequeños utilizados en hogares privados es de aproximadamente 25-50 vatios, que es comparable a la energía consumida por una bombilla normal. También vale la pena decir que las bombas de circulación para calefacción (12 Voltios) son perfectas para pequeñas casas privadas.
La vida útil de una bomba de circulación "húmeda" puede ser de varias décadas (con un uso normal). Dichos dispositivos se caracterizan por un mantenimiento sin pretensiones y no requieren mantenimiento preventivo.
Por tanto, estos productos son perfectos para uso doméstico. Otra ventaja de estas bombas es su diseño. Incluye módulos individuales (conjuntos) que se pueden reemplazar fácilmente si es necesario.
Bombas de circulación para calefacción Grundfos
Las bombas de esta marca son las más demandadas en el mercado de equipos de calefacción modernos. Según las capacidades de control y las características de diseño, todos los productos Grundfos se dividen en:
- no regulado (serie UPS);
- ajustable (serie ALPHA).
Los modelos de la serie UPS son los más demandados entre los consumidores domésticos. La esfera operativa de tales dispositivos es la comunicación de calefacción autónoma abierta o cerrada de una casa privada.
¡Informacion util! En algunos casos, las bombas UPS de Grundfos se utilizan en pequeñas instalaciones industriales.
La popularidad de las bombas de circulación Grundfos también se debe al hecho de que se distinguen por su coste asequible y su alta calidad. Hoy se producen en los siguientes países: Alemania, Dinamarca, China.
Al seleccionar una bomba en línea en una tienda en línea, puede encontrar modelos que difieren en sus características técnicas. Considere los tipos de dispositivos UPS de Grundfos que se pueden comprar a través de Internet:
- UPS 25-40 / 60/80;
- UPS 32-40 / 60/80.

Las características técnicas de las bombas de agua (según el modelo) le permiten elevar la altura del medio de trabajo en 4, 6 u 8 m
Los números indicados en el nombre del modelo indican sus características de montaje. El primer número indica el índice de sección transversal de las tuercas de unión de la bomba, que en la mayoría de los casos están hechas de material de hierro fundido. En algunos casos, se encuentran nueces con un diámetro de 40 mm, sin embargo, los productos con una sección de 25 y 32 mm se utilizan con mayor frecuencia.
El segundo número corresponde a la altura. Según el tipo de dispositivo, la altura de la columna del medio de trabajo puede ser de 4, 6 u 8 m.
Artículo relacionado:
Opciones de calefacción para una casa de campo: elegir una caldera.
Selección de caldera por potencia y tipo de combustible. Ventajas, desventajas, características y precio de los combustibles sólidos, gas, unidades eléctricas.
Estos números ayudarán a responder la pregunta que tienen muchos propietarios de casas particulares: cómo elegir una bomba de circulación para calefacción. Por lo tanto, nunca deben ignorarse. El precio de las bombas de circulación "Grundfos UPS" oscila entre 4.000 y 40.000 rublos, según el modelo y el equipo técnico.
¿Cuál es mejor comprar una bomba de circulación para calentar una casa particular: la serie ALPHA?
La gama ajustable de bombas de la empresa Grundfos está representada por tres modelos principales, que pertenecen a la misma serie (ALPHA). Considere los tipos de estos dispositivos, según la funcionalidad:
- ALPHA2 L;
- ALPHA2;
- ALPHA3.
Las bombas de calefacción ALPHA2 L. Grundfos de esta serie tienen una funcionalidad limitada y tienen 7 modos de funcionamiento. Cabe decir que ALPHA2 L se puede utilizar en estructuras de calefacción tales como calefacción por suelo radiante. Incluye un sistema que permite regular la presión del refrigerante en la comunicación. El aire se extrae de la bomba de circulación ALPHA2 L mediante "expulsión", lo que la distingue de los dispositivos de la serie SAI. La selección del modo requerido se lleva a cabo de manera bastante simple: presionando un botón en la unidad de control.

El modelo de bomba de circulación ALPHA2 es compatible con la mayoría de las calderas de combustible sólido modernas
ALPHA2. Las bombas de este tipo tienen 9 modos de funcionamiento y son más versátiles desde el punto de vista operativo. También vale la pena decir que dichos dispositivos incluyen dos funciones adicionales que le permiten personalizar el dispositivo, según la temporada y la hora del día. Gracias a esto, es posible ahorrar más dinero. Las bombas ALPHA2 son compatibles con casi todas las calderas modernas de combustible sólido.
¡Informacion util! El costo de esta serie de bombas varía de 6,000 a 25,000 rublos.
Por separado, cabe decir que la bomba de circulación ALPHA2 de Grundfos para calefacción tiene otro modo, que se denomina AUTOADAPT. Te permite cambiar automáticamente los parámetros del dispositivo, dependiendo del cambio de temporada. Por lo tanto, la presión en el sistema está regulada por un complejo proceso computacional que ocurre continuamente.

El modelo de bomba ALPHA3 está equipado con una unidad especial que le permite transferir datos sobre el funcionamiento del dispositivo de circulación a un teléfono inteligente
ALPHA3. Este dispositivo es un modelo mejorado de la bomba de circulación anterior. La principal diferencia entre ALPHA3 y ALPHA2 es que los propietarios pueden ajustar de forma independiente la presión en la comunicación de calefacción.
Al seleccionar una bomba Grundfos, se recomienda prestar atención al hecho de que el modelo ALPHA3 está equipado con una unidad especial llamada ALPHA Reader. Este dispositivo le permite transferir datos sobre el funcionamiento del dispositivo de circulación a un teléfono inteligente. Para utilizar esta función, debe descargar un programa especial (GRUNDFOS Go Balance) en su dispositivo móvil.
Bombas de circulación para calefacción Wilo
Las bombas de la marca Vilo también son muy populares entre los consumidores. Este equipo se fabrica en Alemania y es de alta calidad y larga vida útil. El diseño de los dispositivos "Vilo" tiene en cuenta la presencia de un rotor "húmedo", y su principio de funcionamiento se basa en el contacto directo del impulsor con el refrigerante. El rango de precios de los dispositivos Wilo es bastante amplio (de 4.000 a 55.000 rublos).
Hoy en día, hay 4 series principales de bombas de circulación Wilo:
- ESTRELLA;
- PARTE SUPERIOR;
- STRATOS;
- YONOS.
WILO STAR. Los dispositivos de esta serie, por regla general, se utilizan en comunicaciones de calefacción autónomas de casas privadas con un área pequeña. Estos dispositivos son muy populares porque difieren en el costo democrático. Hay dos tipos de bombas de circulación VILO STAR: RS, RSD.
En cuanto al rendimiento del dispositivo "VILO STAR", es capaz de proporcionar la presión requerida en un sistema de calefacción estándar. Las características técnicas de la bomba de circulación para calefacción WILO STAR permiten mantener la presión requerida en la comunicación, que tiene una superficie de hasta 750 m².
Las dimensiones del dispositivo de la serie STAR son compactas, lo que también es una ventaja importante. La longitud de instalación del dispositivo es de 18 cm y el peso varía de 3 a 5 kg.
TOP WILO. Dichos dispositivos de circulación se utilizan para la instalación en estructuras de calefacción que tienen un área de hasta 1400 m². Se considera que una característica de este equipo es que está equipado con material termoaislante. Por lo tanto, las bombas VILO TOP se pueden instalar no solo en interiores, sino también en exteriores. Dichos dispositivos están diseñados para funcionar en comunicaciones, cuya presión varía de 6 a 10 bar (atmósferas).
Por separado, se debe decir que los dispositivos WILO TOP tienen un diseño de brida. Hay varios modelos avanzados de la serie "TOP", que tienen las siguientes marcas: RL, S, Z. Las bombas de circulación WILO TOP se utilizan a menudo en fábricas y son resistentes a medios agresivos.
WILO STRATOS. Esta serie de dispositivos apareció hace relativamente poco tiempo. Las bombas de circulación VILO STRATOS se distinguen por un sistema de control electrónico y se utilizan en estructuras de calefacción con una superficie superior a 1400 m². Son compatibles con las calderas modernas con una potencia nominal de 25 kW o más.
¡Nota! El rendimiento de los dispositivos WILO STRATOS se incrementa en comparación con los modelos anteriores y alcanza los 16 bar. Son perfectos para comunicaciones de calefacción que ahorran energía.
WILO YONOS. Una de las últimas series de Wilo. Dichas bombas de circulación incluyen una unidad de control electrónico, así como la función de eliminar partículas sólidas del entorno de trabajo de la comunicación de calefacción.

El proceso de instalación de las bombas de circulación es bastante sencillo y puede manejarlo sin la participación de especialistas.
Cómo elegir una bomba de circulación para calefacción: consejos.
Muchos están interesados en la cuestión de cómo elegir una bomba de circulación para calefacción. Para seleccionar este producto para un servicio de calefacción específico, debe prestar atención a varios factores. La mayoría de estos dispositivos son visualmente similares entre sí, sin embargo, pueden diferir mucho en sus características técnicas.
Para uso privado, se eligen dispositivos que operan en una red estándar con un voltaje de 220 V. Un parámetro muy importante es la potencia del dispositivo. Depende de dos factores principales: el modelo y el modo en que funciona la bomba. Los electrodomésticos tienen un indicador de potencia que no supera los 50-70 vatios.
Además, los expertos recomiendan prestar atención a la temperatura del refrigerante. Todas las bombas de circulación doméstica están limitadas en este indicador y se pueden utilizar en sistemas de calefacción con temperaturas de hasta 110 ° C.
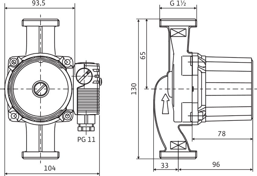
¿Cómo elegir una bomba de circulación para calefacción, centrándose en parámetros geométricos? Desde el punto de vista de los indicadores geométricos, la longitud de instalación del dispositivo juega un papel importante, así como el indicador de la sección de la parte roscada del dispositivo. La mayoría de las bombas se instalan en tuberías mediante tuercas de unión, también llamadas americanas. Como regla general, dichos elementos están incluidos en el paquete del dispositivo. Los valores de la sección transversal estándar que son aplicables a los circuitos de calefacción domésticos son 25 y 32 mm. Y la longitud de instalación del dispositivo puede ser de 13 o 18 cm.
Entre otras cosas, vale la pena prestar atención a las marcas que se aplican a la carcasa de la bomba. A menudo indica la clase de protección del dispositivo eléctrico, así como la presión máxima de salida. El primer parámetro es estándar para la mayoría de los modelos modernos y está designado como IP44. La presión máxima de salida es en la mayoría de los casos de 10 bar.

Un factor importante al elegir una bomba es el tamaño de la longitud de instalación del dispositivo.
Si es necesario, siempre puede consultar con un especialista que lo ayudará a elegir el dispositivo adecuado para su estructura de calefacción. Y también puede hacer la pregunta que le interese en uno de los foros especializados en Internet.
Cómo elegir una bomba de circulación para calefacción, según el rendimiento.
Otro parámetro importante que debe tenerse en cuenta a la hora de elegir este equipo es su rendimiento. Este indicador indica la cantidad de medio de trabajo que el dispositivo es capaz de bombear durante una determinada unidad de tiempo (m³ / hora). Y también vale la pena considerar la cantidad de presión que la bomba puede crear, calculada en metros.
En la mayoría de los casos, las principales características técnicas de dichos dispositivos se indican en su nombre. Por ejemplo, si analiza el nombre del dispositivo "Grundfos UPS 32-80", los dos primeros dígitos significan el diámetro de las boquillas (32 mm) y el segundo, el valor de presión, que es de 8 m.
¡Nota! Al elegir el dispositivo requerido, es imperativo calcularlo para un sistema de calefacción específico. Esto le permitirá comprar el dispositivo de circulación más adecuado.

Esquema de calefacción para una casa con caldera de piso, automatización dependiente del clima y caldera: 1 - caldera; 2 - conjunto de dispositivos de seguridad; 3 - caldera; 4 - grupo de seguridad caldera 3/4 ″ 7 bar; 5 - acumulador hidráulico 12l / 10 bar; 6 - bomba; 7 - colector de 3 circuitos; 8 - soporte con un juego de sujetadores; 9 - kit de conexión caldera (1,0 y 1,2 m); 10 - módulo recto; 11 - módulo de mezcla con accionamiento eléctrico; 12 - KTZ-20 Du 20; 13 - grúa 11B27P Du 20; 14 - válvula KEG 9720 Du 20 (220 V); 15 - dispositivo de señalización; dieciséis - medidor de gas; 17 — Tanque de expansión 35 l / 3 bar; 18 - válvula de compensación; 19 - cartucho de filtro fino 1 ″; veinte - Medidor de agua; 21 - filtro con lavado manual 1 ″; 22 - válvula de bola para agua; 23 - dosificador de polifosfato
La selección de una bomba de circulación para un sistema de calefacción debe abordarse de la manera más competente posible. Por lo tanto, vale la pena considerar incluso momentos como el estado de las instalaciones y las peculiaridades de la región climática en la que vive. Si su casa tiene un buen aislamiento térmico, entonces es suficiente para arreglárselas con un dispositivo con poca potencia (y viceversa).
También debe tener en cuenta la dependencia de la potencia de la bomba de la región climática. En este caso, se puede rastrear el siguiente patrón: cuanto más frío es el clima del área en la que se encuentra el edificio residencial, más potente se necesita un dispositivo de circulación. Si es necesario, los expertos en tiendas especializadas pueden ayudarlo a responder la pregunta de cómo elegir una bomba de circulación para calefacción.
Características del cálculo de una bomba de circulación para un sistema de calefacción.
El cálculo de potencia es una operación muy importante que es necesaria al elegir una bomba de agua. Al comprar un dispositivo que es demasiado potente, el agua en la comunicación hará ruido, y si toma un dispositivo con un índice de rendimiento bajo, la casa se calentará de manera desigual.

Al elegir una bomba de circulación adecuada, se deben tener en cuenta dos parámetros: el rendimiento del motor y la cantidad de altura de suministro
Para comprar una bomba de circulación para un sistema de calefacción (específico), de hecho, debe calcular solo dos parámetros: el rendimiento del motor y la cantidad de presión de suministro.
La potencia de funcionamiento de la bomba de circulación se deriva del rendimiento térmico total de la estructura de calefacción. De esto se deduce que el dispositivo debe bombear el volumen del refrigerante en una cantidad tal que sea suficiente para calentar todos los radiadores en un edificio residencial. Calcular la potencia operativa de un dispositivo es un procedimiento individual, ya que cada casa requiere una cantidad diferente de recursos.
Hay dos formas populares de determinar la potencia operativa de una bomba de agua:
- usando una calculadora en línea;
- a través de fórmulas.
En el primer caso, debe encontrar la calculadora en línea correspondiente en Internet utilizando el cuadro de búsqueda de su navegador. El segundo método le permite calcular la potencia con mayor precisión. Considere la fórmula mediante la cual puede determinar este indicador:
X = 3600U (A x B)dónde:
Y: costos de calefacción necesarios para calentar una determinada área de la casa;
A - indicador de conductividad térmica del agua, que es 4.187 kJ / kg;
B - diferencia de temperatura entre suministro y retorno. En la mayoría de los casos, esta cifra es de 10-20 ° C.

Si hay dificultades para calcular la potencia de funcionamiento de la bomba, consulte a un especialista o utilice una calculadora en línea
¡Informacion util! Para la instalación en un circuito de calefacción en casas privadas que tienen una superficie de 100 m², es suficiente un dispositivo con una potencia de funcionamiento de 10 kW. Por lo tanto, se requiere al menos 1 kW de potencia para 10 m².
Las características de la bomba de circulación para calefacción, indicadas en su carcasa, también pueden ayudar a determinar la potencia de funcionamiento.
Bomba de agua para calefacción: instalación
La instalación correcta de la bomba de agua determina qué tan bien hará frente a sus funciones, así como la eficiencia de la comunicación de calefacción en general. Hay varias recomendaciones básicas que deben seguirse al realizar trabajos de instalación.
¿Cómo instalar una bomba de circulación para calentar correctamente? La instalación de dicho equipo en el circuito de calefacción se lleva a cabo solo después de que se haya cortado el agua. Es muy importante recordar que el eje del rotor del dispositivo debe ser horizontal. La instalación de este elemento en un plano vertical está estrictamente prohibida. También se recomienda instalar un filtro delante del dispositivo de circulación, que es necesario para atrapar elementos extraños sólidos del medio de trabajo.

La instalación de la bomba de circulación en el sistema de calefacción por suelo radiante se lleva a cabo de manera óptima en la tubería de suministro
Si planea instalar una bomba de circulación en el sistema de calefacción por suelo radiante, entonces es necesario colocarla en el punto correcto del circuito. La opción más adecuada es la instalación en una tubería de suministro. Esto se debe al hecho de que en él se minimiza el riesgo de congestión del aire.
No te olvides del sellado de las juntas, que se realiza mediante una cinta especial FUM. Después de instalar el equipo, es necesario verificar su operatividad. Para esto, se realiza una prueba de funcionamiento, sin embargo, antes de esto, se debe tener cuidado de eliminar el aire del sistema.
Sabiendo cómo instalar correctamente una bomba para calefacción, puede ahorrar mucho, ya que dicho trabajo no es barato para los profesionales. Pero si no tiene confianza en sus propias habilidades, entonces es mejor utilizar los servicios de un maestro.
Fuente de alimentación ininterrumpida para bomba de circulación de calefacción
Un UPS es un dispositivo de energía de emergencia que se instala si hay un problema con un corte de energía. Las interrupciones de la electricidad pueden dañar la comunicación de calefacción, asociada no solo con la interrupción de la calefacción, sino también con la falla de sus componentes individuales.
¡Nota! Hoy en día existe una gran selección de SAI para bombas de circulación de calefacción. Todos ellos difieren en sus características, por lo tanto, al elegir, es imperativo verificar la compatibilidad del UPS con los equipos de bombeo.

Las bombas de circulación son una forma eficaz de aumentar el rendimiento de un sistema de calefacción y ahorrar dinero.
El principio de funcionamiento del UPS es bastante simple: durante el funcionamiento del equipo de calefacción de la red, el dispositivo acumula energía y, en caso de falla, la devuelve. El UPS es un dispositivo completamente automatizado y, por lo tanto, elimina la intervención humana.
Puede comprar un SAI para una bomba de circulación de calefacción en una tienda especializada o completando un pedido en línea. El costo de una fuente de alimentación ininterrumpida oscila entre 2.000 y 30.000 rublos.
Las bombas de circulación para comunicaciones de calefacción son una forma eficaz de aumentar el rendimiento del sistema y ahorrar dinero. Y también la compra de dicho equipo le permite realizar un control más preciso del funcionamiento de la calefacción en su hogar.