Mesin bubut diperlukan untuk pembuatan dan pemprosesan bahagian logam. Peralatan profesional agak mahal, jadi untuk menjimatkan wang, anda boleh membuat mesin bubut logam buatan sendiri dengan tangan anda sendiri. Ini dapat dilakukan dengan beberapa cara, dan gambar produk seperti itu mudah didapati di Internet. Anda boleh menggunakan bahan improvisasi untuk pembuatan, saiz mesin boleh jadi apa-apa.

Mesin bubut profesional mempunyai kos yang tinggi, jadi masuk akal untuk membuat peranti sedemikian sendiri
Kandungan
- 1 Komponen pelarik mini buat sendiri
- 2 Mesin bubut logam buatan sendiri dengan tangan anda sendiri: prosedur pemasangan
- 3 Memilih motor elektrik untuk mesin
- 4 Membuat mesin bubut dari gerudi dengan tangan anda sendiri
- 5 Ciri-ciri karya mesin pelarik untuk logam dengan tangan mereka sendiri, arahan video sebagai cara untuk mengelakkan kesilapan
- 6 Langkah berjaga-jaga keselamatan semasa bekerja dengan mesin bubut buatan sendiri
- 7 Pilihan untuk menaik taraf mesin bubut buatan sendiri
Komponen pelarik mini buat sendiri
Sebarang bubut buatan sendiri terdiri daripada unsur-unsur berikut:
- pemacu - bahagian utama mekanisme, yang bertanggungjawab terhadap kekuatannya. Memilih pemacu dengan kuasa yang diperlukan adalah salah satu tugas yang paling sukar. Dalam mesin pelarik kecil untuk logam dengan tangan anda sendiri, anda boleh menggunakan pemacu dari mesin basuh atau gerudi biasa. Biasanya, kekuatan elemen ini bermula dari 200 W, dan jumlah putaran seminit - dari 1500;
- bingkai - rangka sokongan struktur, yang boleh dibuat dari blok kayu atau sudut keluli. Tempat tidur mesti dicirikan dengan kekuatan tinggi, jika tidak, keseluruhan struktur boleh terlepas dari getaran semasa operasi;
- tailstock - diperbuat daripada plat keluli dan sudut keluli yang dikimpal padanya. Plat diletakkan di atas pemandu tempat tidur, dan tujuan utama mesin bubut dengan tangan anda sendiri adalah memperbaiki bahagian logam semasa pemprosesan;
- headstock - bahagian yang serupa dengan tailstock, tetapi dipasang pada bingkai yang boleh bergerak;
- pusat tuan dan hamba;
- sokongan - mekanisme tujahan untuk bahagian yang berfungsi.
Tork dari mesin ke bahagian kerja mesin dapat dihantar dengan beberapa cara. Seseorang lebih suka memasang bahagian kerja secara langsung pada batang motor - ini menjimatkan ruang dan menjimatkan alat ganti. Sekiranya pilihan ini tidak mungkin, tork boleh dihantar menggunakan geseran, tali pinggang atau pemacu rantai. Setiap pilihan ini mempunyai kelebihan dan kekurangan.
Pemacu tali pinggang untuk motor elektrik adalah yang paling murah dan dicirikan oleh tahap kebolehpercayaan yang cukup tinggi.Untuk pembuatannya, anda boleh menggunakan tali pinggang untuk motor elektrik, yang dikeluarkan dari mekanisme lain. Kelemahan pemacu tali pinggang adalah kerana lama-kelamaan, tali pinggang boleh usang dan perlu diganti semakin kerap semakin kerap anda bekerja dengan mesin.

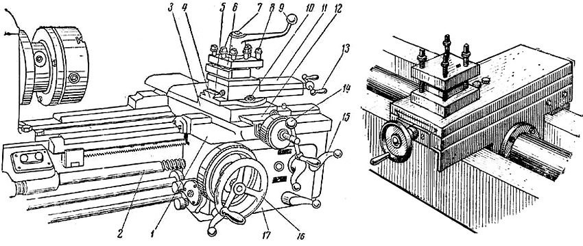
Peranti headstock dan tailstock pelarik. Stok kepala (kiri): 1 - tali pinggang V; 2 - takal dua peringkat; 3 - gelendong; 4 - galas bebola. Tailstock (kanan): 1 - badan; 2 - pusat; 3, 6 - pemegang; 4 - selimut; 5, 12, 14 - skru; 7 - roda gila; 8 - tujahan; 9, 10 - tuas; 13 - kacang
Pemacu rantai lebih mahal dan memerlukan lebih banyak ruang, tetapi ia juga akan bertahan lebih lama daripada pemacu tali pinggang. Penghantaran geseran mempunyai ciri antara tali pinggang dan rantai.
Nasihat berguna! Semasa memasang mesin bubut, pilih jenis gear yang paling sesuai dengan aplikasi anda. Sebagai contoh, untuk mesin bubut mini dengan tangan anda sendiri, lebih baik memasang bahagian kerja secara langsung pada batang.
Sokongan mesin bubut: lukisan, cara membuat dari bahan sekerap
Kaliper adalah salah satu bahagian paling penting dari mesin bubut buatan sendiri - kualiti bahagian masa depan bergantung padanya, serta jumlah masa dan usaha yang akan anda habiskan untuk pembuatannya. Bahagian ini terletak pada slaid khas yang bergerak di sepanjang panduan yang terletak di atas katil. Kaliper boleh bergerak dalam tiga arah:
- membujur - bahagian kerja mesin bergerak di sepanjang benda kerja. Gerakan membujur digunakan untuk mengisar benang di bahagian atau untuk mengeluarkan lapisan bahan dari permukaan benda kerja logam;
- melintang - pergerakan tegak lurus dengan paksi benda kerja. Digunakan untuk mengisar alur dan lubang;
- condong - pergerakan pada sudut yang berbeza untuk mengisar alur pada permukaan benda kerja.
Semasa membuat caliper mesin pelarik do-it-yourself, perlu dipertimbangkan saat bahagian ini dikenakan akibat getaran yang timbul semasa operasi. Oleh kerana itu, pengikat dilonggarkan, serangan balik berlaku, semua ini mempengaruhi kualiti bahagian yang dikeluarkan. Untuk mengelakkan masalah seperti itu, kaliper mesti diatur dan disesuaikan secara berkala.
Penyesuaian kaliper buatan sendiri untuk mesin bubut dilakukan mengikut pelepasan, serangan balik dan penutup minyak. Pelarasan pelepasan diperlukan apabila skru usang, yang bertanggungjawab untuk menggerakkan bahagian tersebut dalam satah membujur dan melintang. Akibat geseran, caliper mula melonggarkan di bawah beban, yang mengurangkan ketepatan bahagian dengan ketara. Anda dapat menghilangkan jurang dengan memasukkan baji antara rel dan kereta. Bahagian belakang bahagian dihilangkan dengan skru pemasangan.
Sekiranya segel minyak di mesin anda usang, mereka mesti dibilas dengan sempurna dan direndam dengan minyak enjin segar. Sekiranya haus kritikal, lebih baik mengganti penutup minyak dengan yang baru.

Peranti sokongan: 1 - kereta sokongan; 2 - skru plumbum; 3 - slaid salib sokongan; 4 - bahagian putaran sokongan; 5 - panduan bahagian berpusing; 6 - pemegang alat; 7 - skru untuk memasang pemegang alat; 8 - skru untuk memasang pemotong; 9 - pemegang untuk memutar pemegang alat; 10 - kacang; 11 - bahagian atas sokongan; 12 - panduan pengangkutan melintang; 13 - pemegang untuk menggerakkan bahagian atas sokongan; 14 - pemegang untuk menggerakkan slaid silang; 15 - pemegang untuk menghidupkan suapan kaliper dari skru plumbum; 16 - roda tangan untuk pergerakan sokongan membujur; 17 - apron
Mesin bubut logam buatan sendiri dengan tangan anda sendiri: prosedur pemasangan
Pemasangan mekanisme dilakukan dalam urutan berikut:
- Rangka mesin dipasang dari balok logam dan saluran. Sekiranya anda akan bekerja dengan bahagian yang besar, maka bahan untuk memasang bingkai mesti digunakan dengan jangkaan beban yang besar.Sebagai contoh, jika anda merancang untuk bekerja dengan bahan kerja logam sepanjang lebih dari 50 mm, ketebalan bahan untuk bingkai harus bermula dari 3 mm untuk sudut dan dari 30 mm untuk batang.
- Poros membujur dengan panduan dipasang pada saluran. Poros boleh dikimpal atau dibaut.
- Stok kepala sedang dikeluarkan. Untuk membuat kepala pelarik dengan tangan anda sendiri, silinder hidraulik dengan ketebalan dinding 6 mm digunakan. Dua galas mesti ditekan ke dalam silinder.
- Poros sedang diletakkan. Untuk ini, galas dengan lubang besar digunakan.
- Silinder hidraulik diisi dengan pelincir.
- Takal dan caliper dengan panduan dipasang.
- Pemacu elektrik sedang dipasang.
Di samping itu, menurut gambar mesin bubut logam dengan tangan anda sendiri, anda dapat melihat bahawa untuk meningkatkan kestabilan mekanisme pemotongan, borgol dibuat, dan jalur logam nipis dipasang di bahagian bawah struktur. Yang terakhir berfungsi untuk melindungi bahagian kerja mesin dari ubah bentuk semasa operasi.

Peranti mesin bubut buatan sendiri untuk pemprosesan logam: 1, 7 - saluran; 2 - paip berjalan; 3 - tailstock; 4 - palet untuk mengumpulkan serutan; 5 - sokongan; 6 - skru plumbum; 8 - motor elektrik; 9 - stok kepala tetap; 10 - lampu dalam penutup reflektor pelindung; 11 - skrin mesh untuk melindungi pemusing daripada cip; 12 - sokongan
Nasihat berguna! Mesin bubut logam yang dipasang sendiri boleh digunakan bukan hanya untuk tujuan yang dimaksudkan, tetapi juga untuk mengisar dan menggilap bahagian logam. Untuk ini, roda pengisaran disambungkan ke batang elektrik.
Memilih motor elektrik untuk mesin
Bahagian terpenting dari mesin bubut logam buatan sendiri, video pengeluaran yang boleh didapati dengan mudah di Internet, adalah motor elektrik. Dengan bantuannya, pergerakan bahagian kerja mesin dilakukan. Oleh itu, kekuatan keseluruhan struktur bergantung pada kekuatan mekanisme ini. Ia dipilih bergantung pada ukuran kekosongan logam yang anda rancangkan untuk bekerja.
Sekiranya anda merancang untuk mengerjakan mesin dengan bahagian kecil, motor dengan kuasa sehingga 1 kW cukup sesuai untuk ini. Ia boleh dikeluarkan dari mesin jahit lama atau alat elektrik lain yang serupa. Untuk bekerja dengan bahagian besar, anda memerlukan enjin dengan kuasa 1.5-2 kW.
Semasa memasang mengikut gambar siap dari mesin bubut logam buatan sendiri, ingatlah bahawa semua bahagian elektrik struktur mesti dilindungi dengan selamat. Sekiranya anda tidak mempunyai pengalaman yang diperlukan dengan peralatan elektrik, lebih baik anda meminta pertolongan untuk berhubung dengan pakar. Oleh itu, anda pasti akan memastikan keselamatan operasi dan kebolehpercayaan reka bentuknya.
Membuat mesin bubut dari gerudi dengan tangan anda sendiri
Sekiranya anda ingin menjimatkan alat ganti dan sangat memudahkan tugas memasang mesin bubut buatan sendiri, anda boleh menggunakan gerudi elektrik biasa sebagai pemacu. Penyelesaian konstruktif ini mempunyai beberapa kelebihan:
- Keupayaan untuk memasang dan membongkar struktur dengan cepat - gerudi mudah dilepaskan dari tempat tidur dan dapat digunakan untuk tujuan yang dimaksudkan.
- Mudah dibawa dan diangkut mesin adalah pilihan yang baik jika anda harus bekerja dengan benda kerja logam di garaj dan di luar rumah.
- Penjimatan - gerudi tidak hanya berfungsi sebagai motor elektrik, tetapi juga menghilangkan keperluan untuk menggunakan gear, dan juga memungkinkan penggunaan muncung yang dapat ditukar sebagai alat kerja.
Sudah tentu, ada juga kelemahan untuk latih tubi. Bagaimana cara membuat pemesinan bahagian besar dengan alat ini? Ini tidak dapat dilaksanakan kerana gerudi mempunyai tork yang rendah dan RPM tinggi.Sudah tentu, anda dapat meningkatkan parameter ini jika anda masih memasang pemacu tali pinggang dan, dengan bantuannya, memindahkan tork dari gerudi ke gelendong, tetapi ini akan sangat menyulitkan reka bentuk, kelebihan utamanya adalah kesederhanaan dan kekompakan.

Diagram peranti pelarik buatan sendiri berdasarkan gerudi: 1 - lampiran ke meja atau meja kerja; 2 - sokongan depan; 3 - sokongan untuk bahan kerja; 4 - sokongan belakang
Membuat bubut logam desktop buatan sendiri berdasarkan gerudi masuk akal sekiranya anda tidak perlu melakukan kerja berskala besar, dan hanya bahagian kecil yang perlu dipusingkan.
Untuk membuat mesin bubut logam berdasarkan gerudi elektrik, anda memerlukan bahagian yang sama dengan reka bentuk konvensional, kecuali motor elektrik dan stok kepala. Peranan yang terakhir juga dilakukan oleh latihan. Memandangkan kekompakan reka bentuk, meja atau meja kerja biasa boleh digunakan sebagai tempat tidur, di mana semua komponen mesin akan diperbaiki. Gerudi itu sendiri dipasang dalam struktur dengan penjepit dan penjepit.
Nasihat berguna! Fungsi mesin pelarik berasaskan gerudi elektrik dapat dikembangkan dengan ketara dengan menambahkan pelbagai lampiran dan aksesori tambahan pada reka bentuknya.
Dengan bantuan mesin bubut buatan sendiri, anda bukan sahaja dapat mengisar bahagian, tetapi juga menggunakan cat pada benda kerja yang berputar, wayar angin ke transformer, membuat lekukan spiral di permukaan bahagian, dan melakukan banyak tindakan lain. Sebagai tambahan, jika anda memasang alat penyalin mesin fotokopi, maka dengan bantuannya, anda dapat menghasilkan bahagian kecil yang serupa dengan cepat dan mudah.
Ciri-ciri karya mesin pelarik untuk logam dengan tangan mereka sendiri, arahan video sebagai cara untuk mengelakkan kesilapan
Seperti peralatan lain, mesin bubut buatan sendiri mempunyai ciri tersendiri yang mesti dipertimbangkan semasa pemasangan dan operasi. Contohnya, ketika bekerja dengan bahagian besar atau ketika menggunakan motor elektrik yang kuat, getaran kuat berlaku, yang boleh menyebabkan kesalahan serius dalam pemprosesan bahagian tersebut. Untuk menghilangkan getaran, pusat pemanduan dan pemanduan mesin mesti dipasang pada paksi yang sama. Dan jika hanya pusat pemanduan yang dirancang untuk dipasang, mekanisme cam mesti dipasang padanya.
Dalam mesin pelarik desktop yang dibuat sendiri untuk logam, tidak digalakkan memasang motor pemungut. Ia cenderung meningkat secara spontan dalam jumlah revolusi, yang dapat menyebabkan perbaikan bahagian tersebut. Ini seterusnya, boleh menyebabkan kecederaan yang berkaitan dengan pekerjaan atau kerosakan harta benda. Namun, jika anda tidak dapat melakukan tanpa memasang motor pemungut, adalah mustahak untuk memasang kotak gear untuk mengurangkan kelajuannya.
Pilihan motor yang sesuai untuk mesin bubut buatan sendiri adalah pilihan tidak segerak. Ia tidak meningkatkan kelajuan semasa operasi, tahan terhadap beban berat dan membolehkan anda bekerja dengan benda kerja logam dengan lebar hingga 100 mm.
Peraturan untuk memasang dan mengoperasikan semua jenis motor elektrik untuk mesin bubut dapat dilihat dalam banyak arahan video di Internet. Dengan pertolongan mereka, anda bukan sahaja dapat mengelakkan kesalahan biasa semasa pemasangan, tetapi juga menjimatkan masa dan usaha kerana kejelasan bahan.
Langkah berjaga-jaga keselamatan semasa bekerja dengan mesin bubut buatan sendiri
Semasa bekerja dengan struktur, langkah keselamatan tertentu harus diperhatikan. Jadi, setelah memasang mesin, anda perlu memeriksa kinerjanya. Gelendong harus berputar dengan mudah dan tanpa berlengah, pusat depan dan belakang harus diselaraskan dengan paksi sepunya. Pusat simetri bahagian berputar mesti bertepatan dengan paksi putarannya.
Pada mana-mana video mesin bubut dengan tangan anda sendiri, anda dapat melihat bahawa setelah memasang motor elektrik, ia ditutup dengan selongsong khas. Yang terakhir ini berfungsi bukan hanya untuk melindungi pengendali mesin, tetapi juga melindungi motor itu sendiri dari habuk, zarah logam dan kotoran. Untuk mesin yang dibuat berdasarkan gerudi elektrik, penutup seperti itu tidak diperlukan.
Nasihat berguna! Sekiranya anda merancang untuk memasang struktur berdasarkan motor elektrik yang kuat, pastikan untuk memastikan bahawa rangkaian elektrik anda mempunyai kuasa yang cukup untuk bekerja dengannya. Di rumah, lebih baik anda menggunakan motor dari perkakas rumah, yang pasti berfungsi dari voltan di outlet anda.
Anda juga harus mematuhi peraturan keselamatan berikut:
- Alat kerja mesti terletak selari dengan permukaan benda kerja yang sedang diproses. Jika tidak, ia boleh meletup dan merosakkan mesin.
- Sekiranya anda membuat pemesinan permukaan muka, bahagian tersebut harus bersandar pada batang ekor. Dalam kes ini, sangat penting untuk memerhatikan penjajarannya, jika tidak anda berisiko mendapat bahagian yang rosak.
- Untuk melindungi mata anda dari serutan logam dan zarah, anda boleh membina pelindung khas atau hanya menggunakan cermin mata pelindung.
- Selepas bekerja, struktur mesti dibersihkan dengan membuang lapisan logam dan sisa pengeluaran lain. Pastikan bahagian kecil tidak jatuh ke dalam motor.
Pilihan untuk menaik taraf mesin bubut buatan sendiri
Sekiranya anda memerlukan mekanisme yang bukan sahaja dapat melakukan kerja memutar, tetapi juga mengisar dan mengecat benda kerja, mesin asasnya dapat diubahsuai dengan mudah. Sebaiknya lakukan ini untuk reka bentuk berasaskan gerudi elektrik, kerana paling mudah untuk mengganti bahagian yang berfungsi di dalamnya.

Mesin bubut boleh menjadi alat multifungsi di bengkel, di mana anda boleh melakukan pelbagai kerja, termasuk kerja rumah tangga: mengasah pisau, gunting, dll.
Terdapat beberapa modifikasi pelarik logam yang popular. Bagaimana membuat lubang tirus? Untuk melakukan ini, dua fail mesti dilampirkan ke pangkalan sehingga membentuk trapezoid. Setelah itu, mekanisme pegas dipasang, yang memastikan bahawa fail dimasukkan ke depan dan pada sudut, yang membolehkan anda mengebor lubang tirus di bahagian tersebut.
Di samping itu, mesin dengan pangkalan yang dilipat boleh dibuat untuk berfungsi dengan bahagian logam dengan panjang yang berbeza. Dengan bantuan beberapa papan atau sudut logam, anda boleh membawa alat kerja lebih dekat atau lebih dekat dengan pengikat yang memegang bahagian tersebut, dan juga mengubah ukuran jurang antara pengikat. Sangat senang membuat struktur sedemikian berdasarkan meja atau meja kerja biasa.
Sekiranya anda memasang roda penggiling ke motor elektrik sebagai alat kerja, dengan menggunakan mesin, anda bukan sahaja dapat menggilap permukaan bahagian, tetapi juga mengasah pisau, gunting dan alat rumah tangga yang lain. Oleh itu, mesin bubut berubah menjadi mekanisme pelbagai fungsi yang mudah.

Membuat mesin bubut dengan tangan anda sendiri akan membolehkan anda mendapatkan peralatan yang paling sesuai dengan keperluan pemiliknya
Menyusun mesin bubut di rumah adalah tugas yang cukup mudah, yang selanjutnya dipermudahkan dengan banyak arahan dan gambar video dari Internet. Pada masa yang sama, struktur dapat dipasang secara harfiah dari bahagian sekerap, menggunakan peralatan rumah tangga lama dan sisa dari pemasangan dan pengeluaran pembinaan untuk ini.
Kelebihan utama pemasangan sendiri adalah penjimatan kos. Di samping itu, perlu diperhatikan keupayaan untuk menyesuaikan dimensi dan kuasa peranti secara bebas untuk menyesuaikannya dengan keperluan anda. Mesin buatan sendiri boleh bukan hanya besar, tetapi juga sangat kecil, direka untuk memproses bahagian kecil.